Скачать Серия 3.503-14 Выпуск 3. Пролетные строения из составных балок длиной 18 и 21 м, армированных напрягаемой пучковой арматурой класса В-II (с диафрагмами и без диафрагм)Дата актуализации: 01.01.2021
|
| Обозначение: | Серия 3.503-14 |
| Обозначение англ: | Series 3.503-14 |
| Статус: | не действует |
| Название рус.: | Выпуск 3. Пролетные строения из составных балок длиной 18 и 21 м, армированных напрягаемой пучковой арматурой класса В-II (с диафрагмами и без диафрагм) |
| Дата добавления в базу: | 01.09.2013 |
| Дата актуализации: | 01.01.2021 |
| Дата введения: | 01.01.1972 |
| Дата окончания срока действия: | 01.09.1987 |
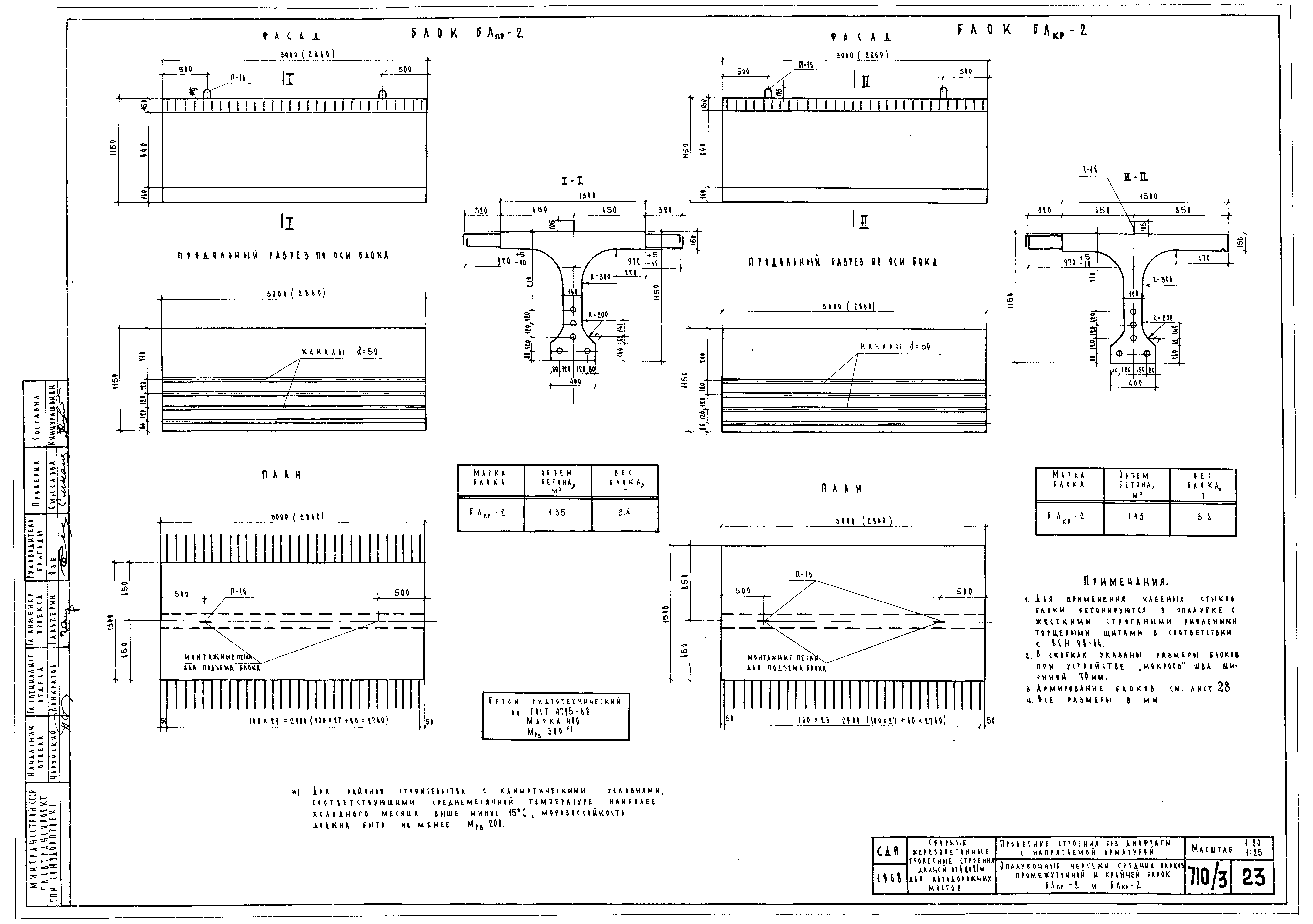
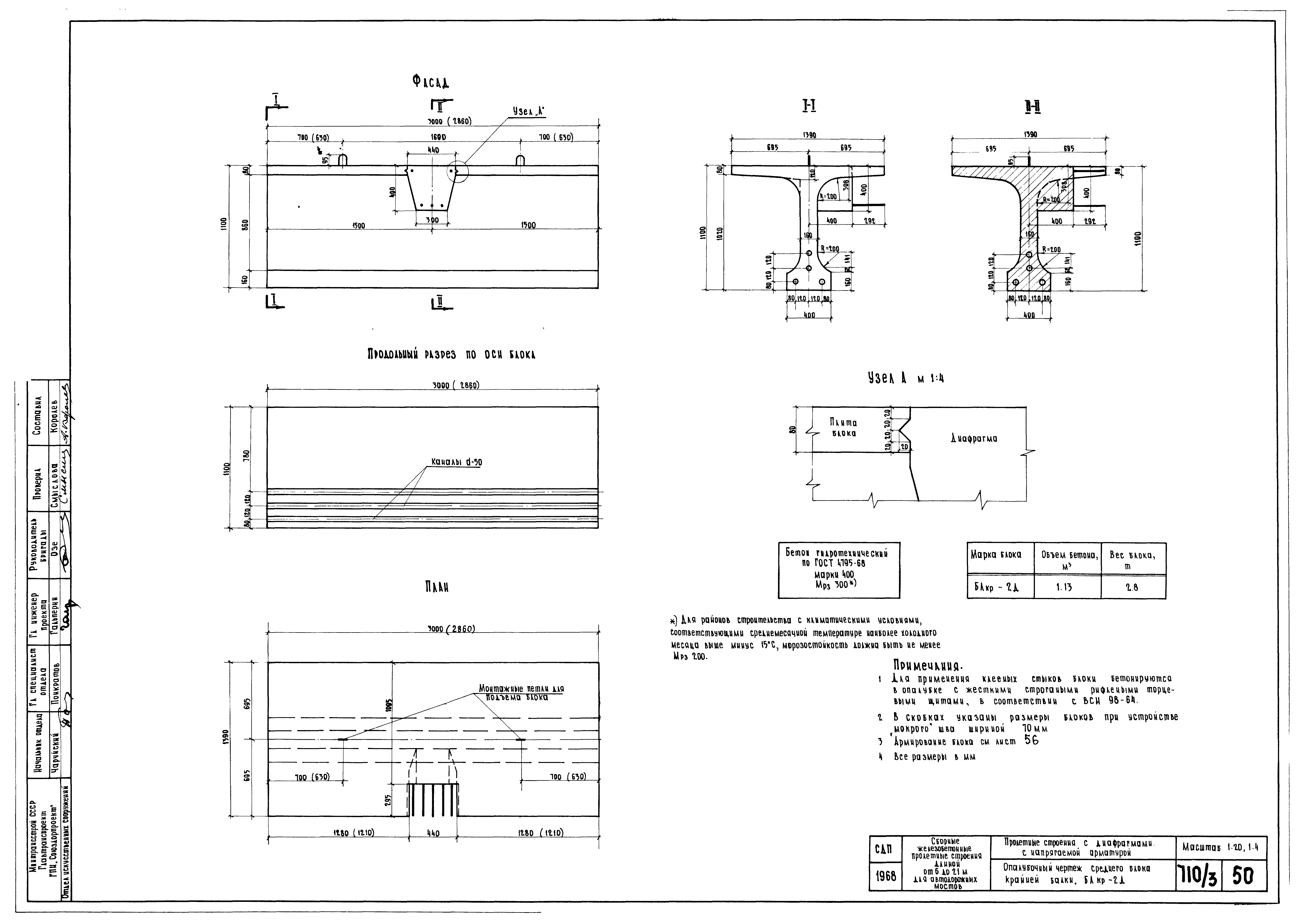
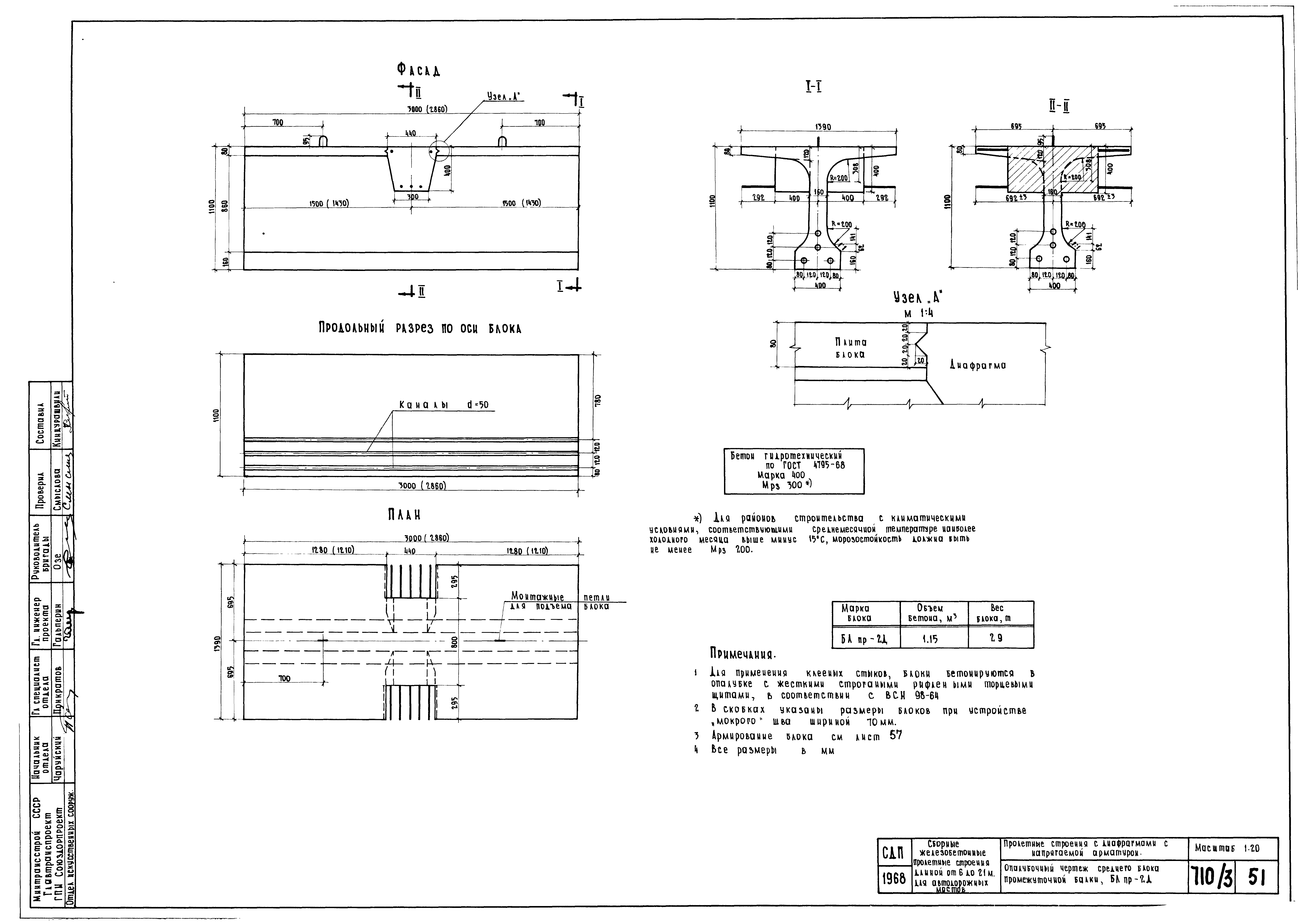
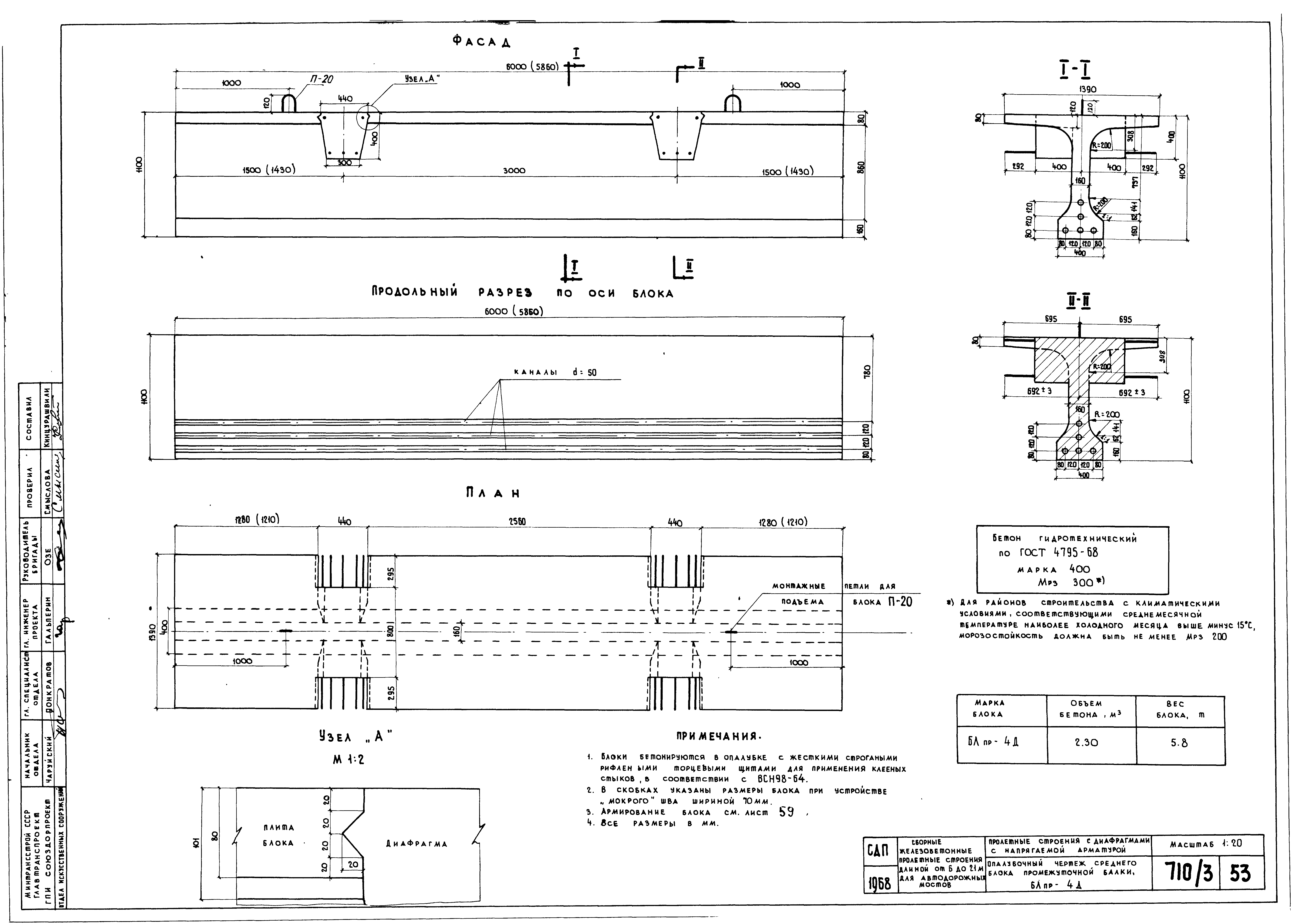
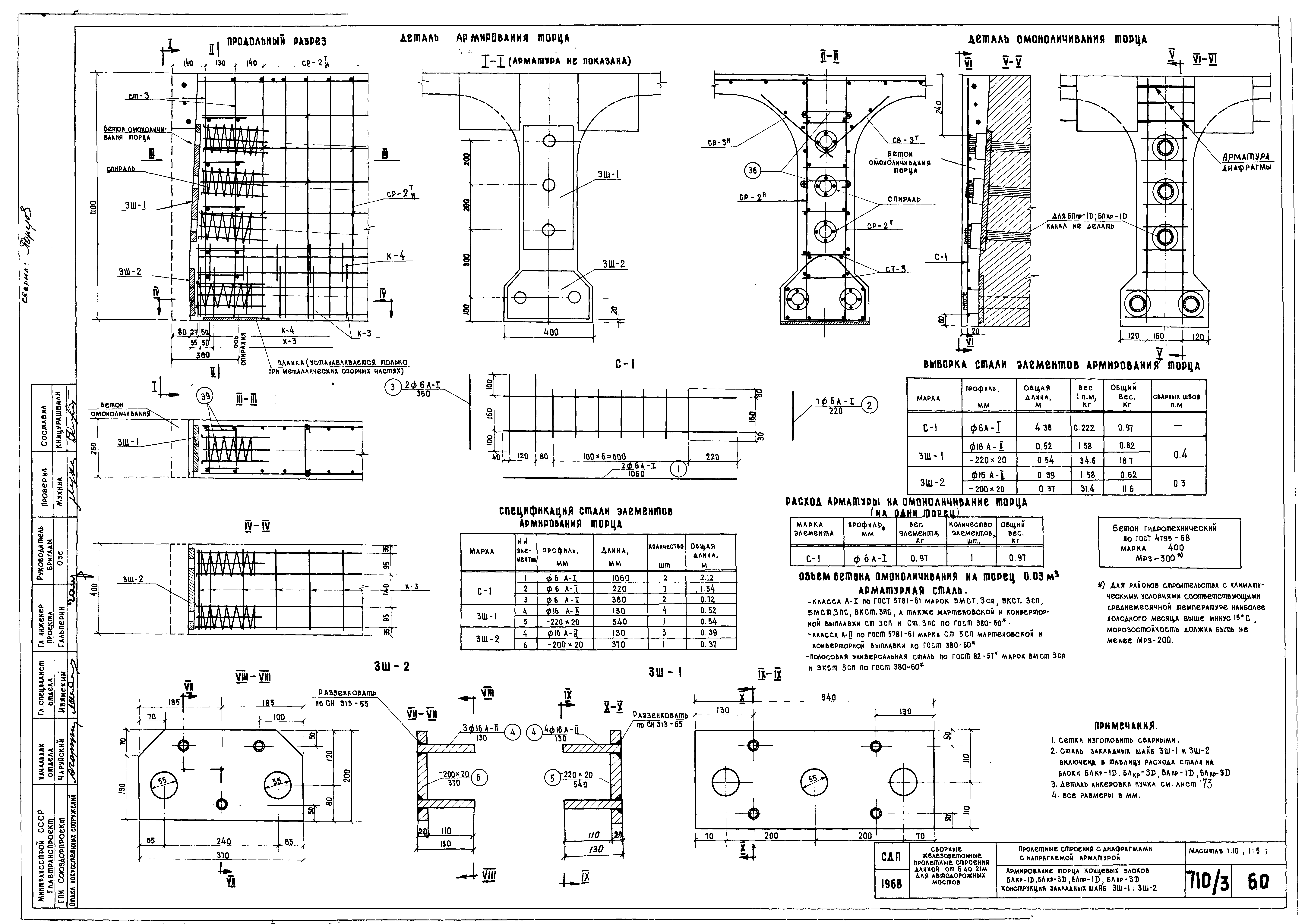
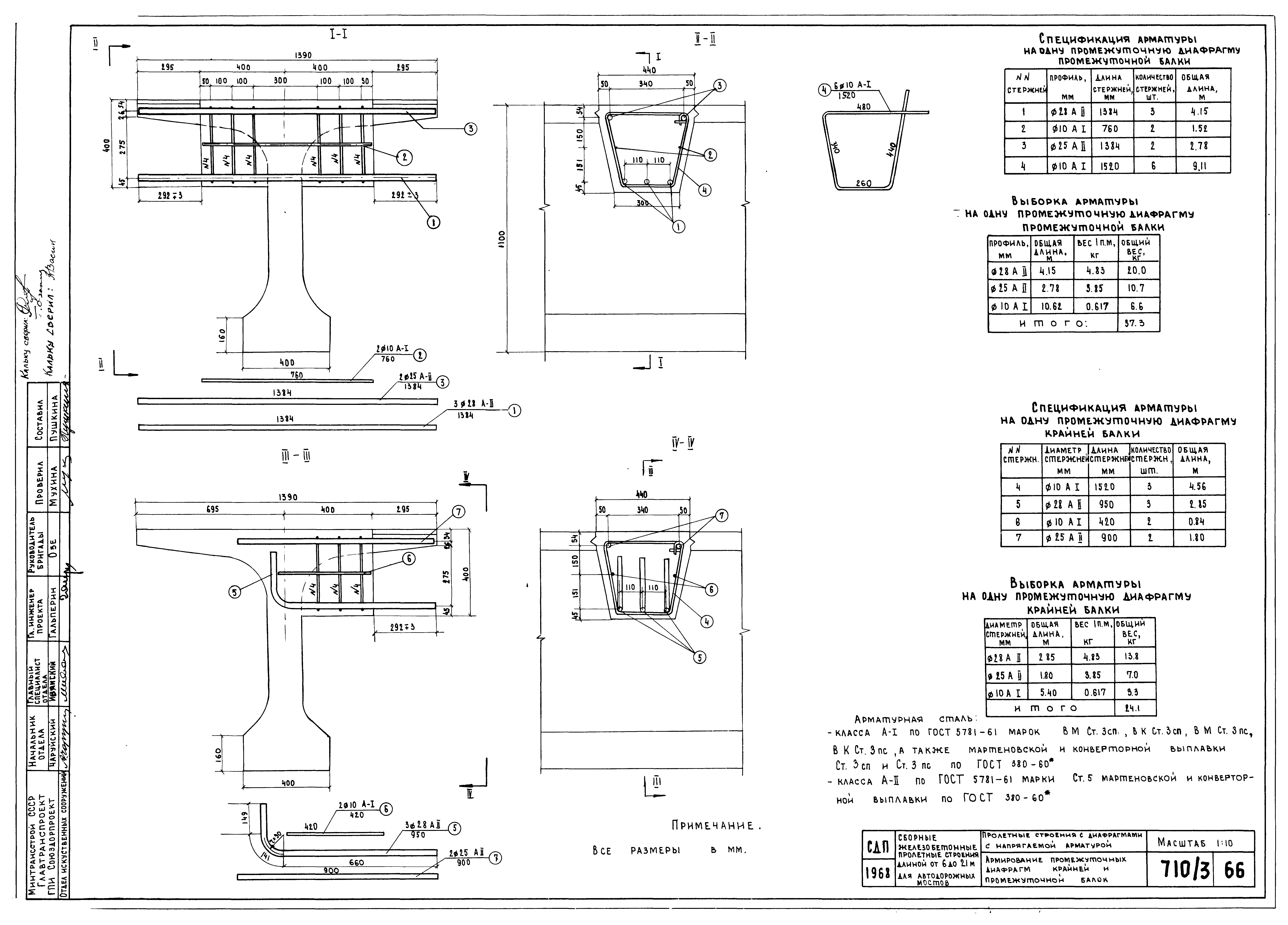
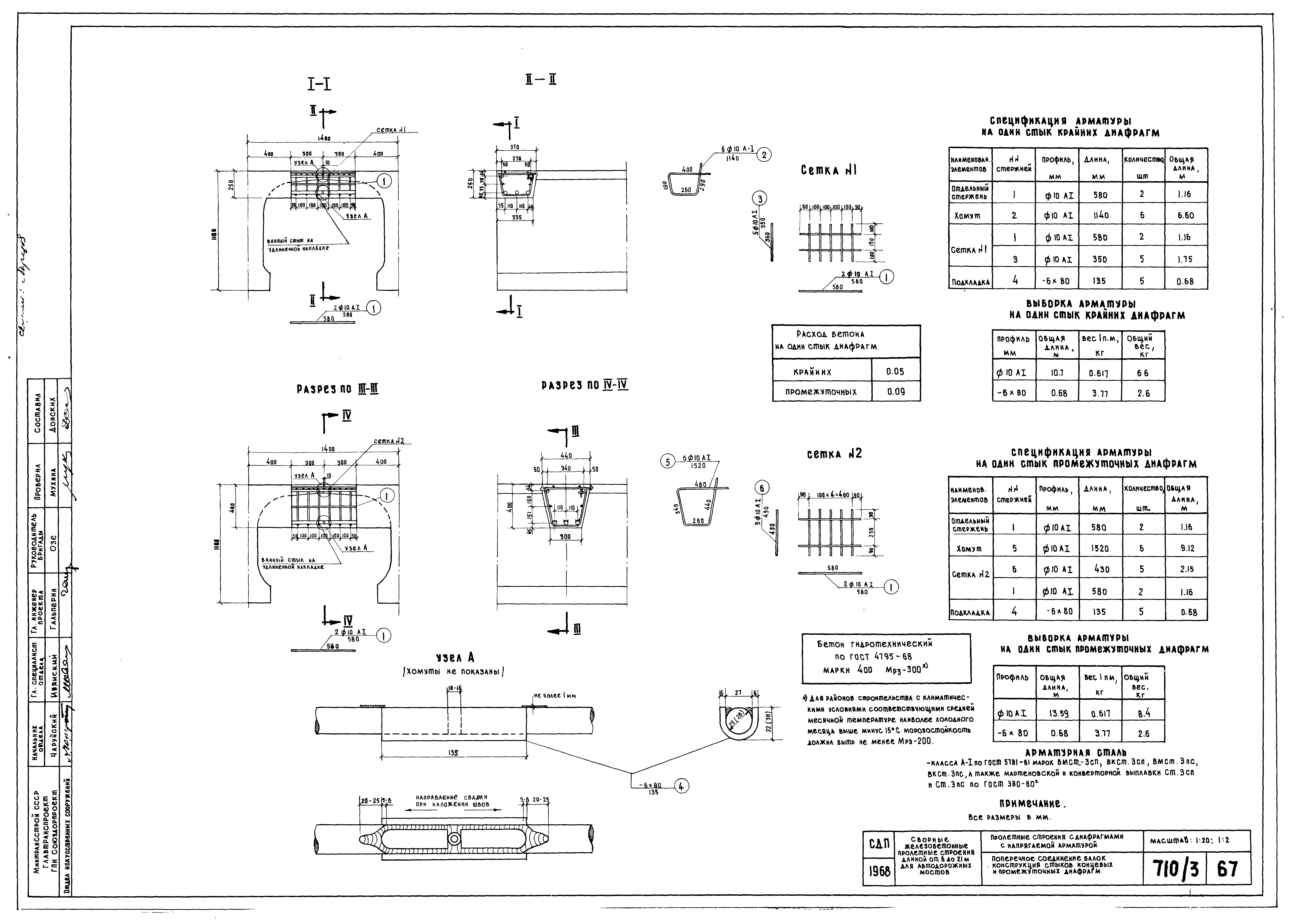
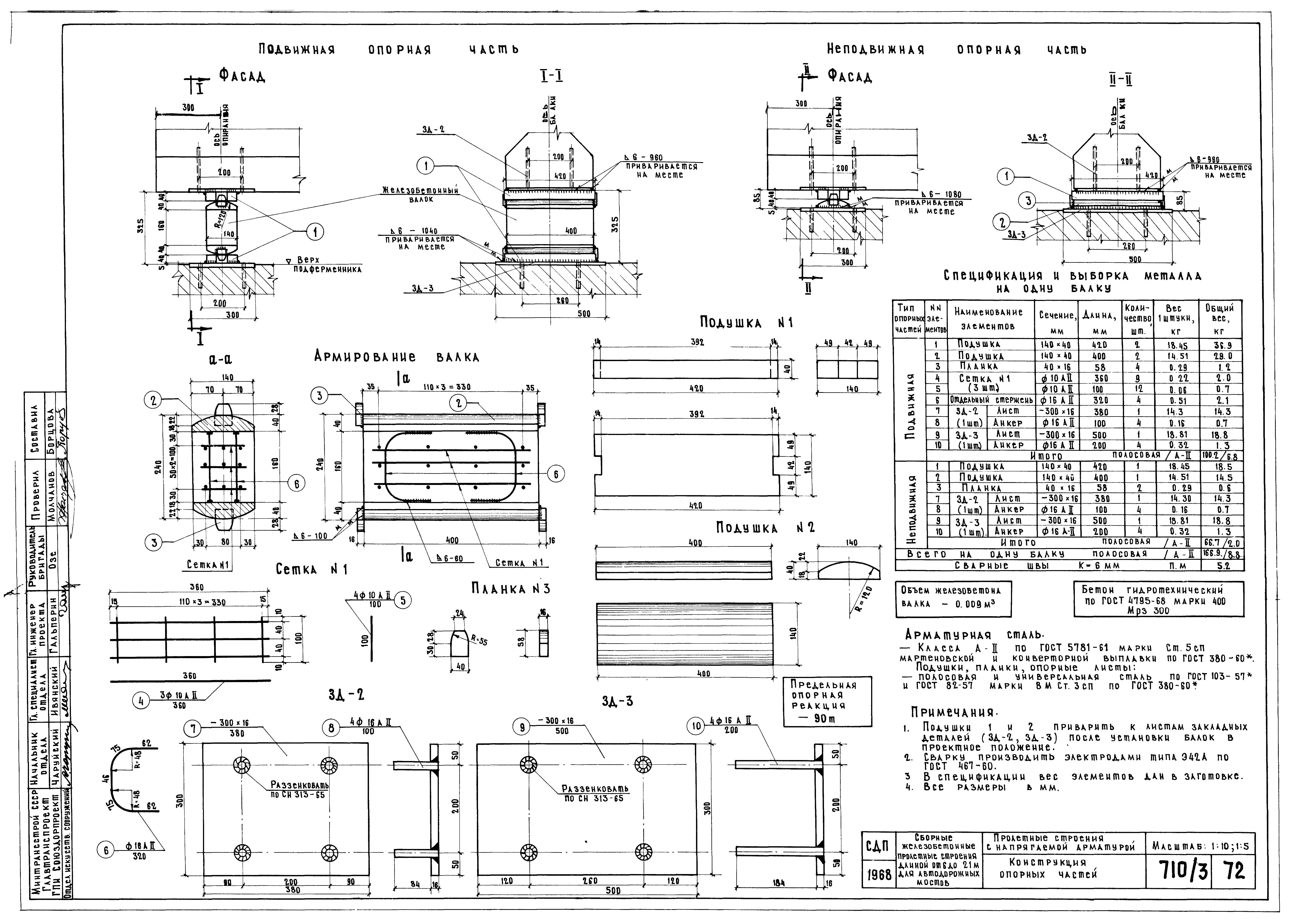
| Оглавление: | Пояснения Расчетные листы Пролетные строения без диафрагм Сводные таблицы расхода материалов на пролетные строения Компоновка габаритов для пролетных строений длиной 18 и 21 м Вариант с пониженными тротуарами. Компоновка габаритов для пролетных строений длиной 18 и 21 м Общий вид пролетного строения длиной 18 м. Фасад и таблицы показателей Армирование напрягаемой арматурой балок длиной 18 м, СБкр-18, СБпр-18 Таблицы показателей на балки длиной 18 м, СБкр-18, СБпр-18 Общий вид пролетного строения длиной 21 м. Фасад и таблицы показателей Армирование напрягаемой арматурой балок длиной 21 м, СБкр-21, СБпр-21 Таблицы показателей на балки длиной 21 м, СБкр-21, СБпр-21 Опалубочные чертежи концевых блоков крайних балок, БЛкр-1тн и БЛкр-3тн Опалубочные чертежи промежуточных блоков крайних балок, БЛпр-1 и БЛпр-3 Опалубочные чертежи средних блоков промежуточной и крайней балок, БЛпр-2 и БЛкр-2 Опалубочный чертеж среднего блока крайней балки, БЛкр-4 Опалубочный чертеж среднего блока промежуточной балки, БЛпр-4 Армирование блоков БЛкр-1тн и БЛкр-3тн Армирование блоков БЛпр-1 и БЛпр-3 Армирование блоков БЛпр-2 и БЛкр-2 Армирование блока БЛкр-4 Армирование блока БЛпр-4 Армирование торца концевых блоков БЛпр-1, БЛпр-3, БЛкр-1 и БЛкр-3. Конструкция закладных шайб ЗШ-1, ЗШ-2 Схема разбивки закладных деталей для прикрепления тротуаров в блоках БЛкр-1, БЛкр-2, БЛкр-3, БЛкр-4 Конструкция арматурных элементов Поперечное сечение балок Пролетные строения с диафрагмами Сводные таблицы расхода материалов на балки пролетных строений Компоновка габаритов для пролетных строений длиной 18 и 21 м Вариант с пониженными тротуарами. Компоновка габаритов для пролетных строений длиной 18 и 21 м Общий вид пролетного строения длиной 18 м. Фасад и таблицы показателей Армирование напрягаемой арматурой балок длиной 18 м, СБкр-18Д, СБпр-18Д Таблицы показателей на балки длиной 18 м, СБкр-18Д, СБпр-18Д Общий вид пролетного строения длиной 21 м. Фасад и таблицы показателей Армирование напрягаемой арматурой балок длиной 21 м, СБкр-21Д, СБпр-21Д Таблицы показателей на балки длиной 21 м, СБкр-21Д, СБпр-21Д Опалубочные чертежи концевых блоков крайних балок, БЛкр-1Дтн и БЛкр-3Дтн Опалубочные чертежи концевых блоков промежуточных балок, БЛпр-1Д и БЛпр-3Д Опалубочный чертеж среднего блока крайней балки, БЛкр-2Д Опалубочный чертеж среднего блока промежуточной балки, БЛпр-2Д Опалубочный чертеж среднего блока крайней балки, БЛкр-4Д Опалубочный чертеж среднего блока промежуточной балки, БЛпр-4Д Армирование блоков БЛкр-1Дтн и БЛкр-3Дтн Армирование блоков БЛпр-1Д и БЛпр-3Д Армирование блока БЛкр-2Д Армирование блока БЛпр-2Д Армирование блока БЛкр-4Д Армирование блока БЛпр-4Д Армирование торца концевых блоков БЛкр-1Д, БЛкр-3Д, БЛпр-1Д, БЛпр-3Д. Конструкция закладных шайб ЗШ-1, ЗШ-2 Схема разбивки закладных деталей для прикрепления тротуаров в блоках БЛкр-1Д, БЛкр-2Д, БЛкр-3Д, БЛкр-4Д Конструкция закладных элементов Армирование концевых диафрагм крайней и промежуточной балок Армирование промежуточных диафрагм крайней и промежуточной балок Поперечное соединение балок - конструкция стыков концевых и промежуточных диафрагм Схема разбивки тротуарных блоков, перил и подтротуарных балок Детали крепления тротуарных блоков, перил и подтротуарных балок Схема разбивки тротуарных блоков для варианта проезжей части с пониженными тротуарами Детали прикрепления тротуарных блоков при пониженных тротуарах Конструкция опорных частей Конструкция анкера для закрепления пучков |
| Разработан: | Союздорпроект Минтрансстроя |
| Утверждён: | 19.06.1969 Министерство автомобильного транспорта и шоссейных дорог РСФСР (84) |








































































