Скачать Серия 7.402-2 Альбом 1. Технологическая частьДата актуализации: 01.01.2021
|
| Обозначение: | Серия 7.402-2 |
| Обозначение англ: | Series 7.402-2 |
| Статус: | действует |
| Название рус.: | Альбом 1. Технологическая часть |
| Дата добавления в базу: | 01.09.2013 |
| Дата актуализации: | 01.01.2021 |
| Дата введения: | 13.12.1984 |
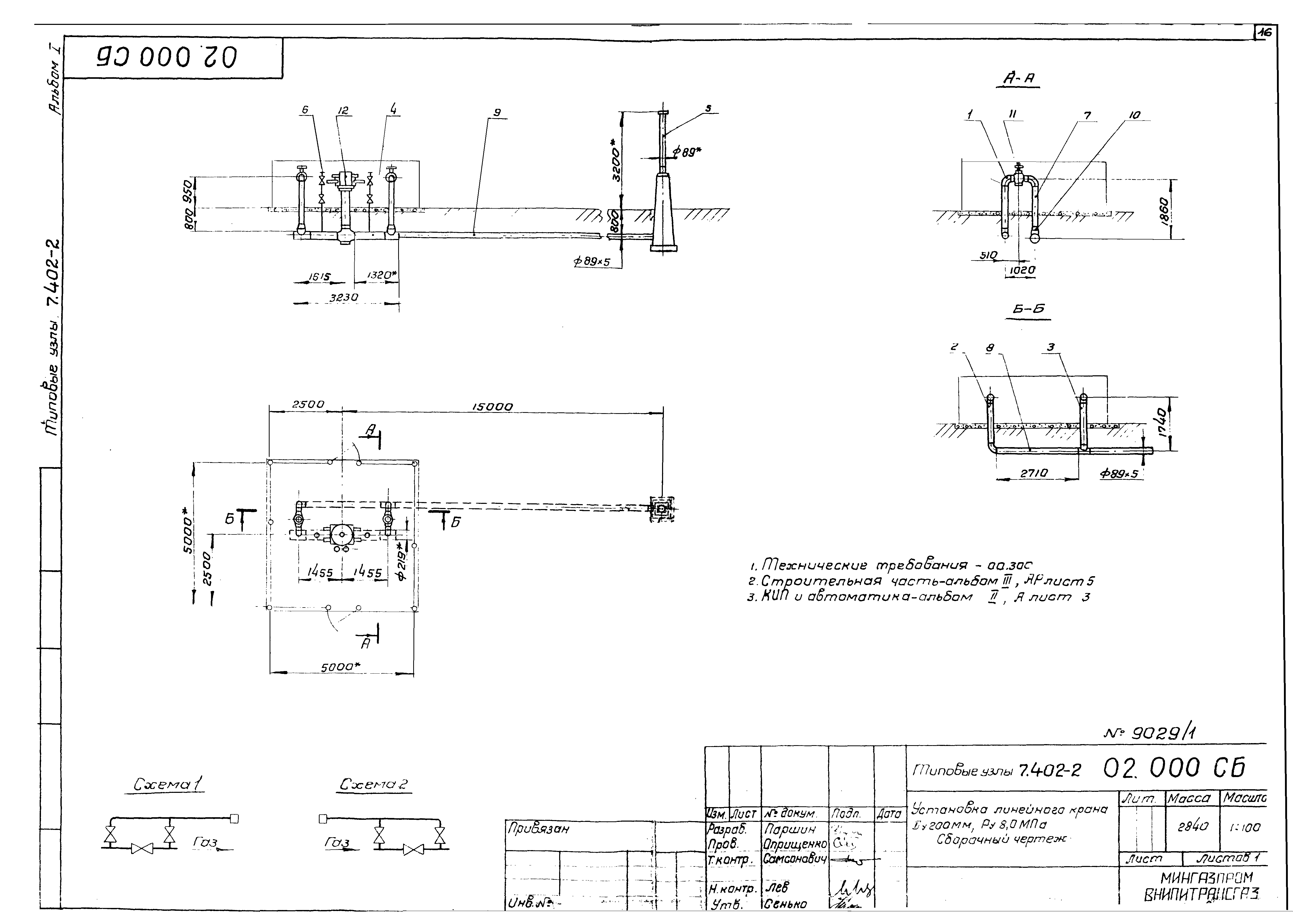
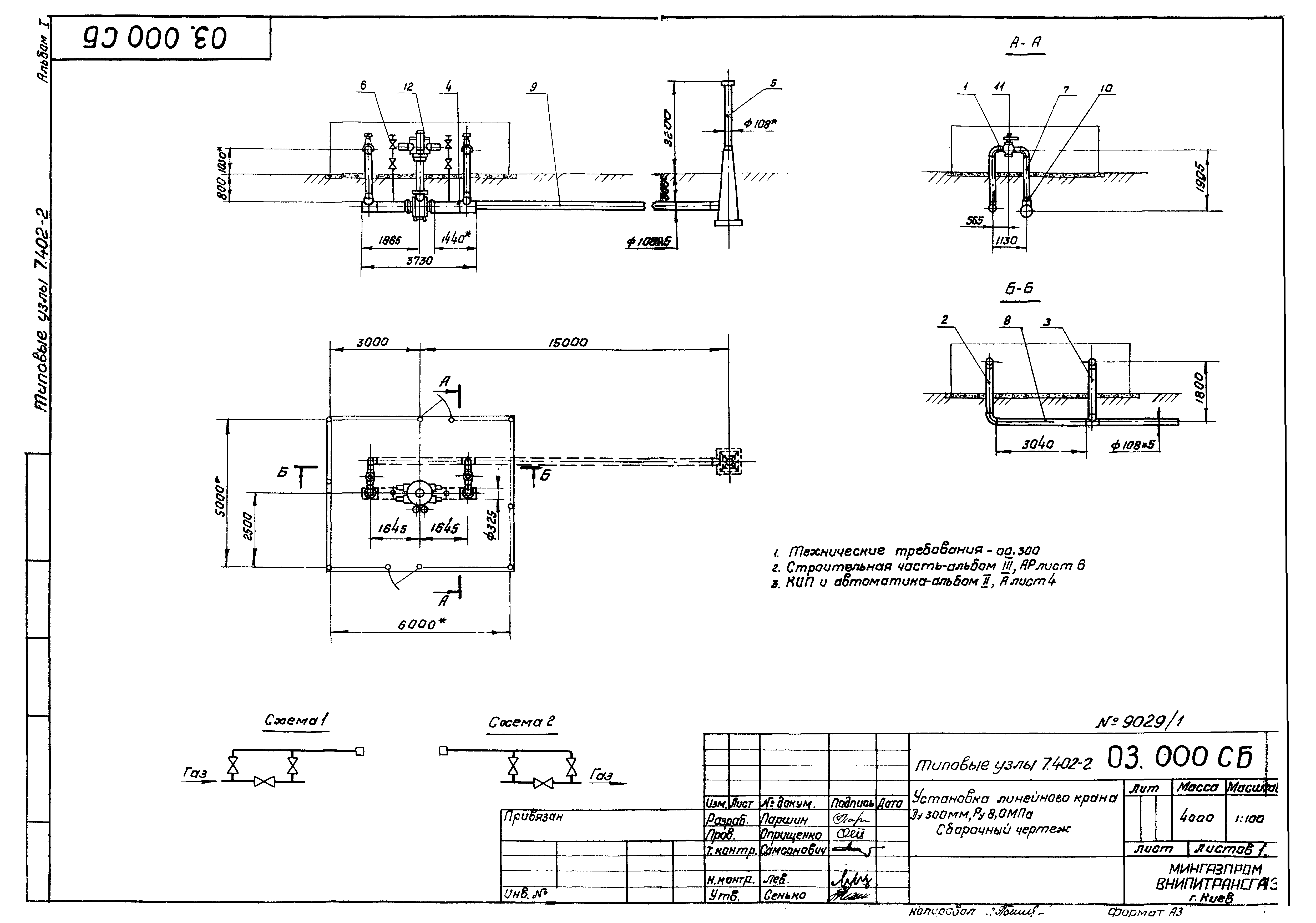
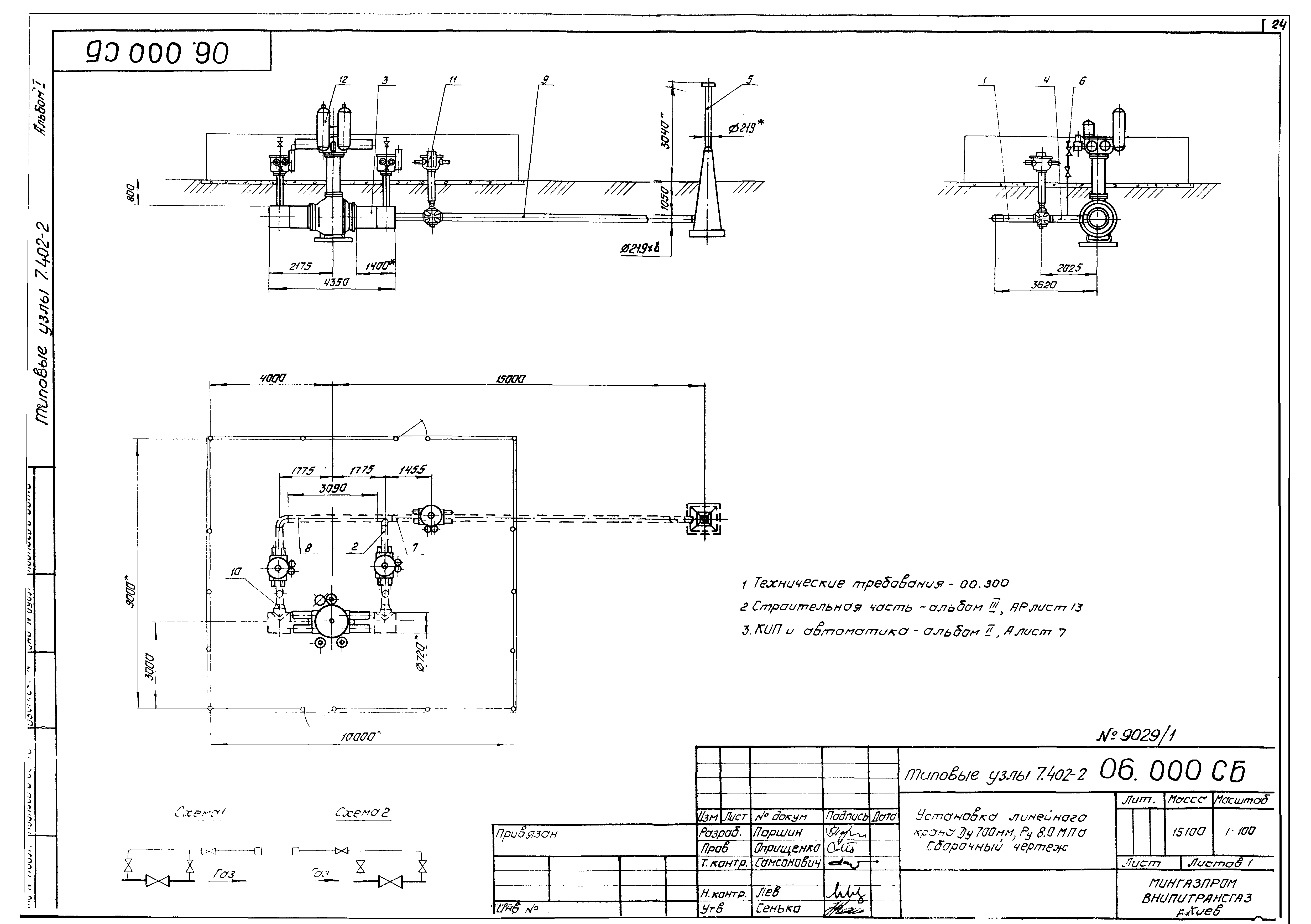
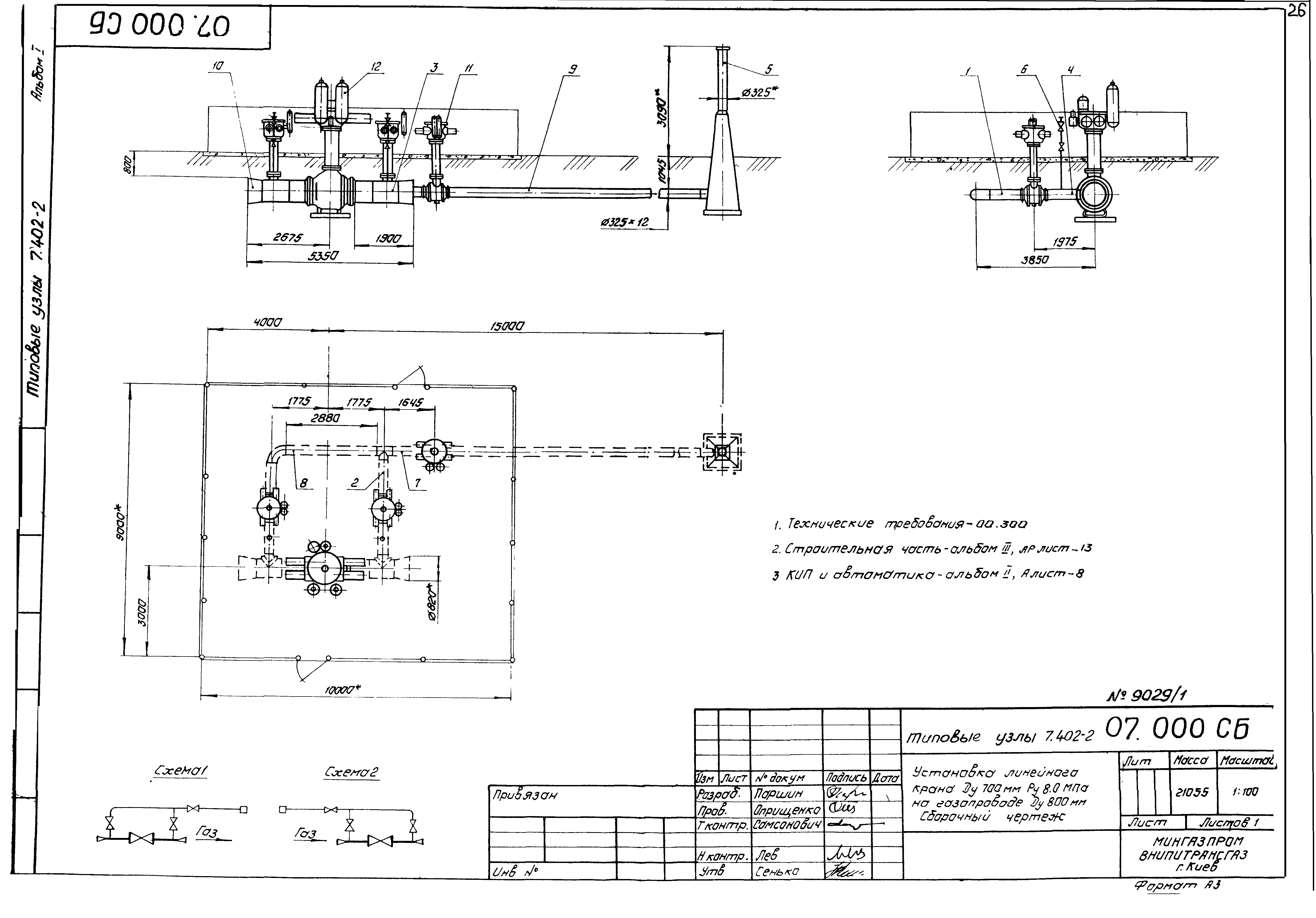
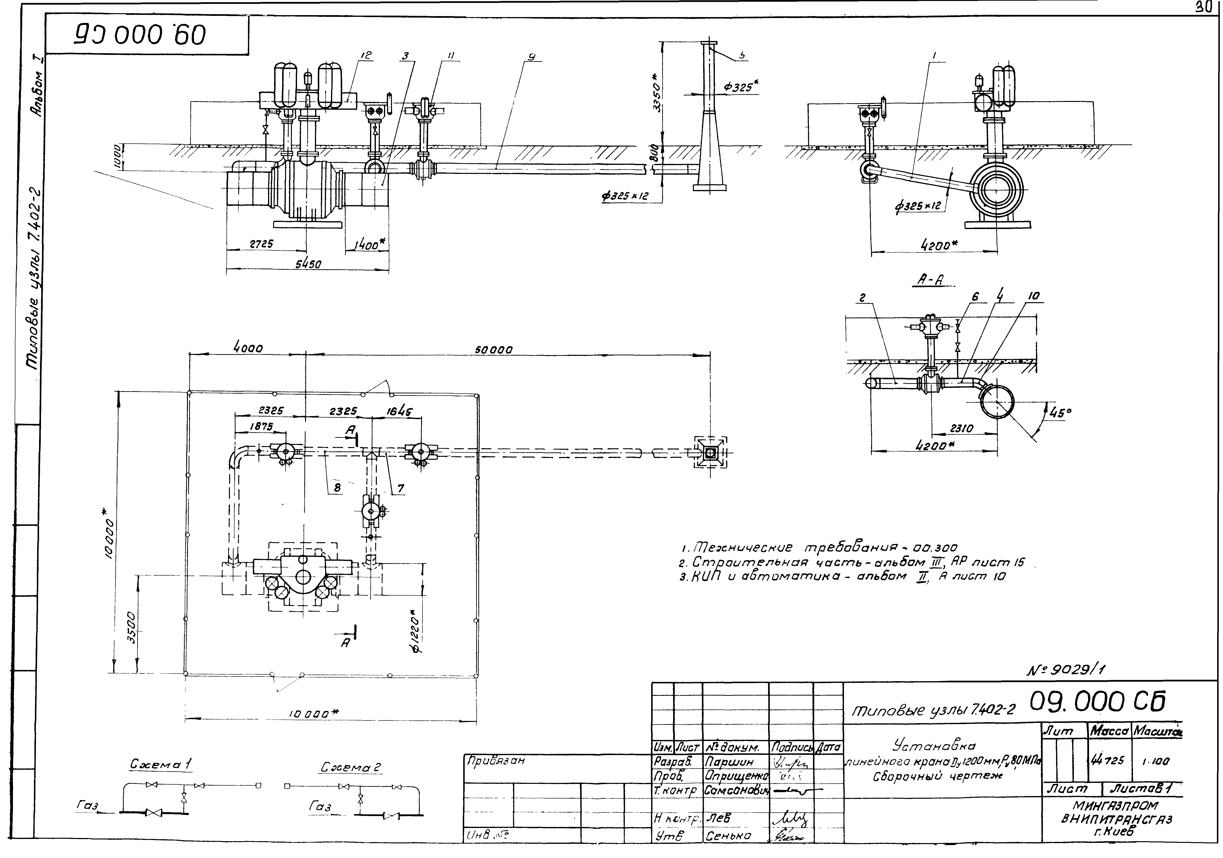
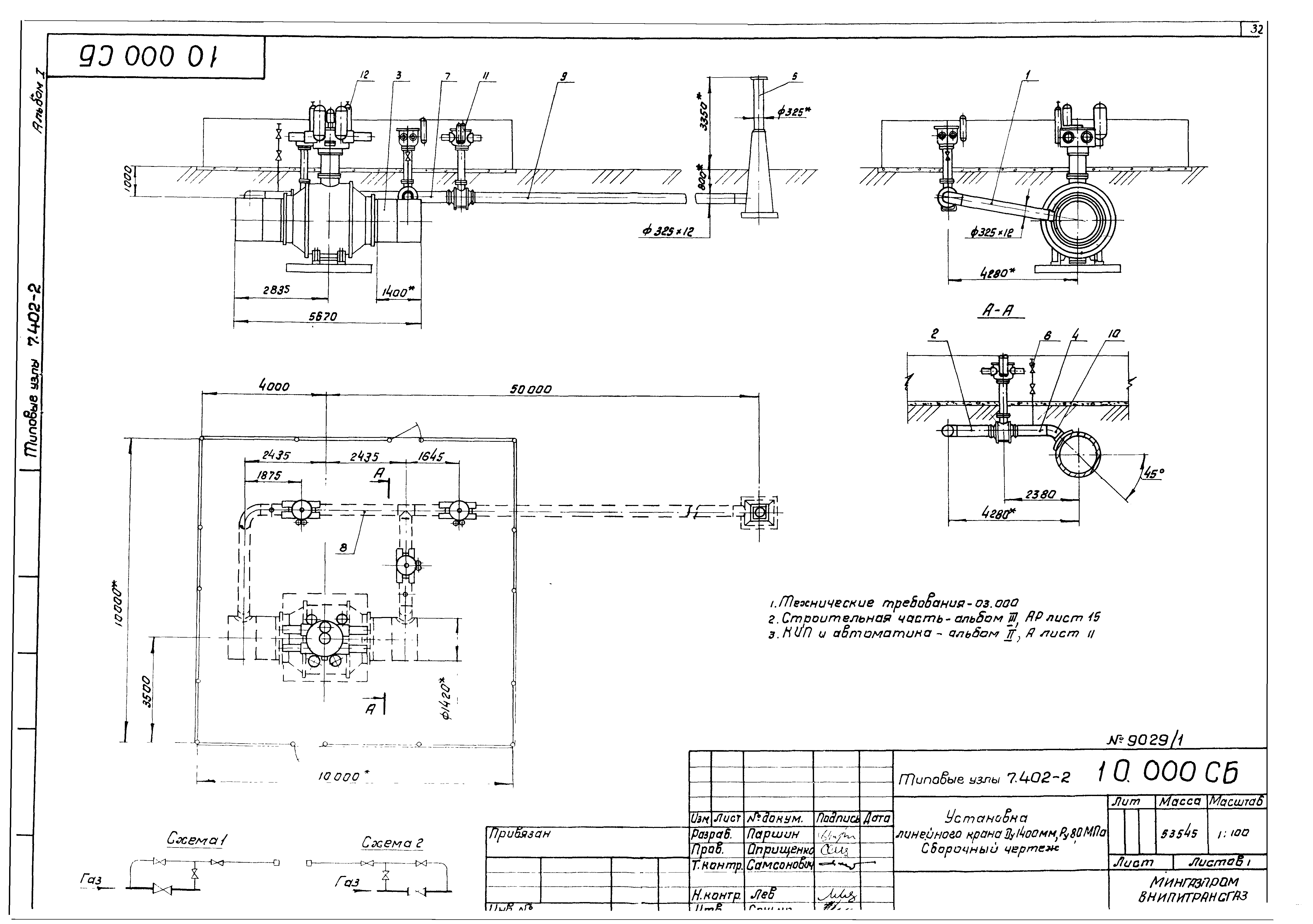
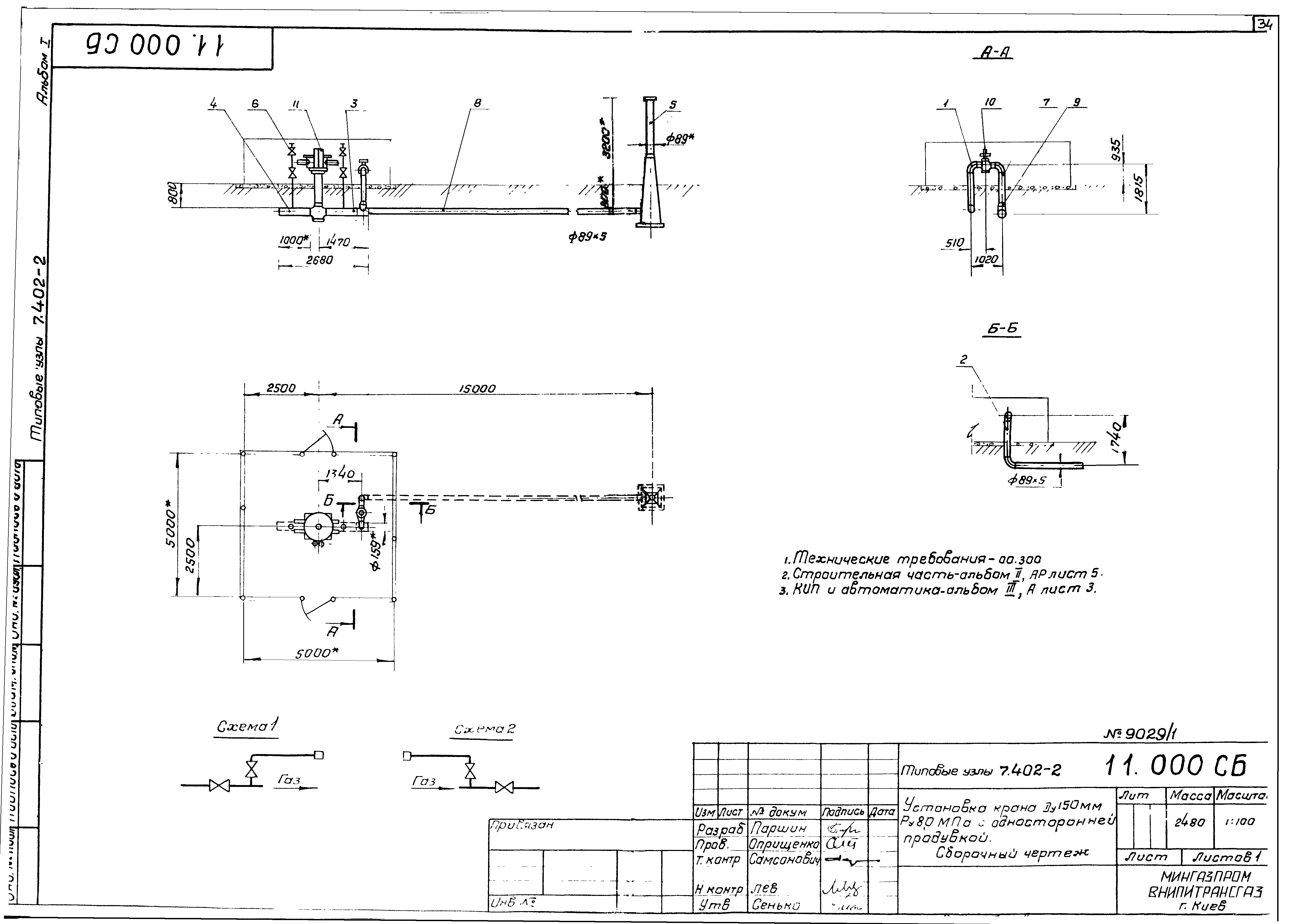
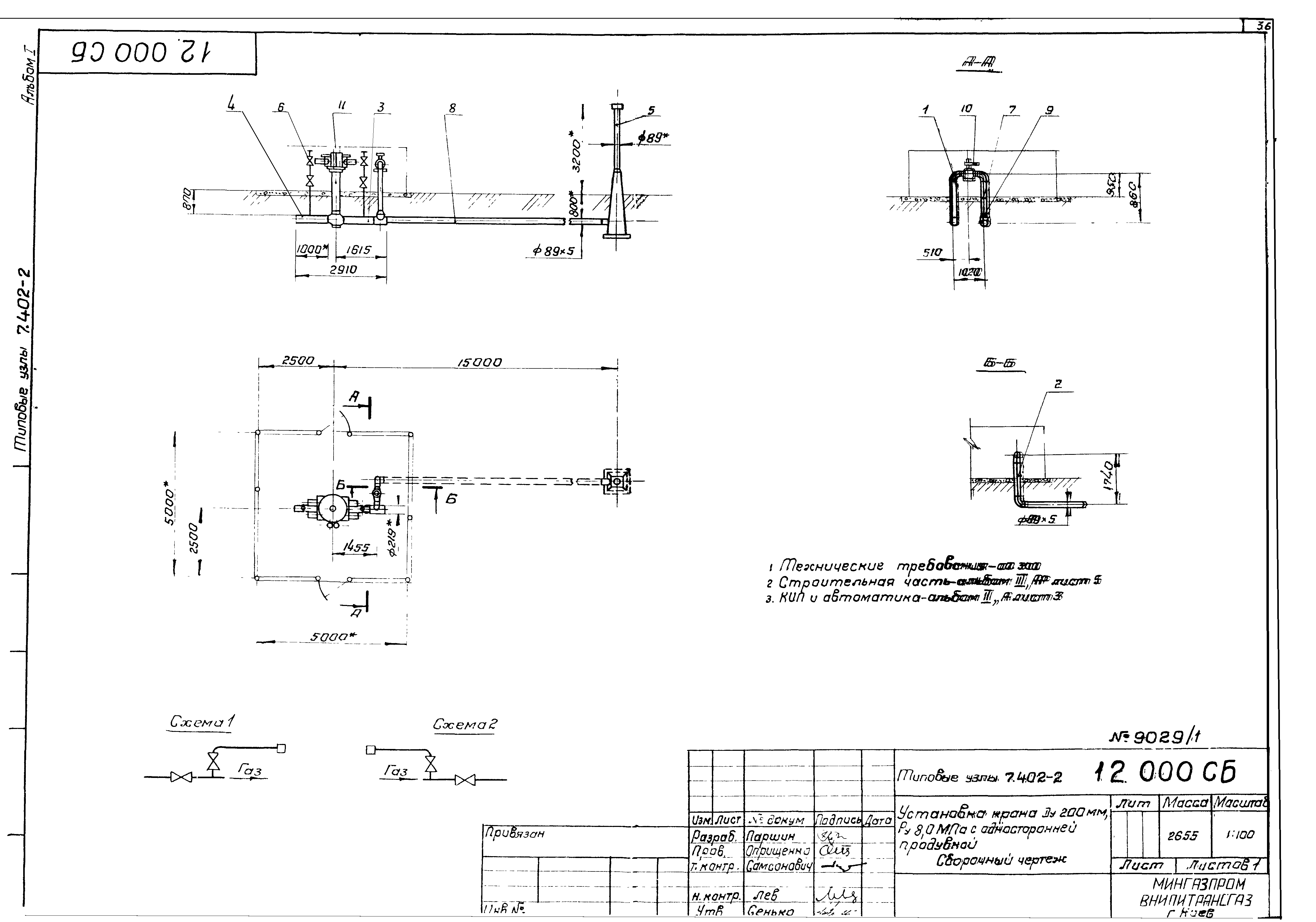
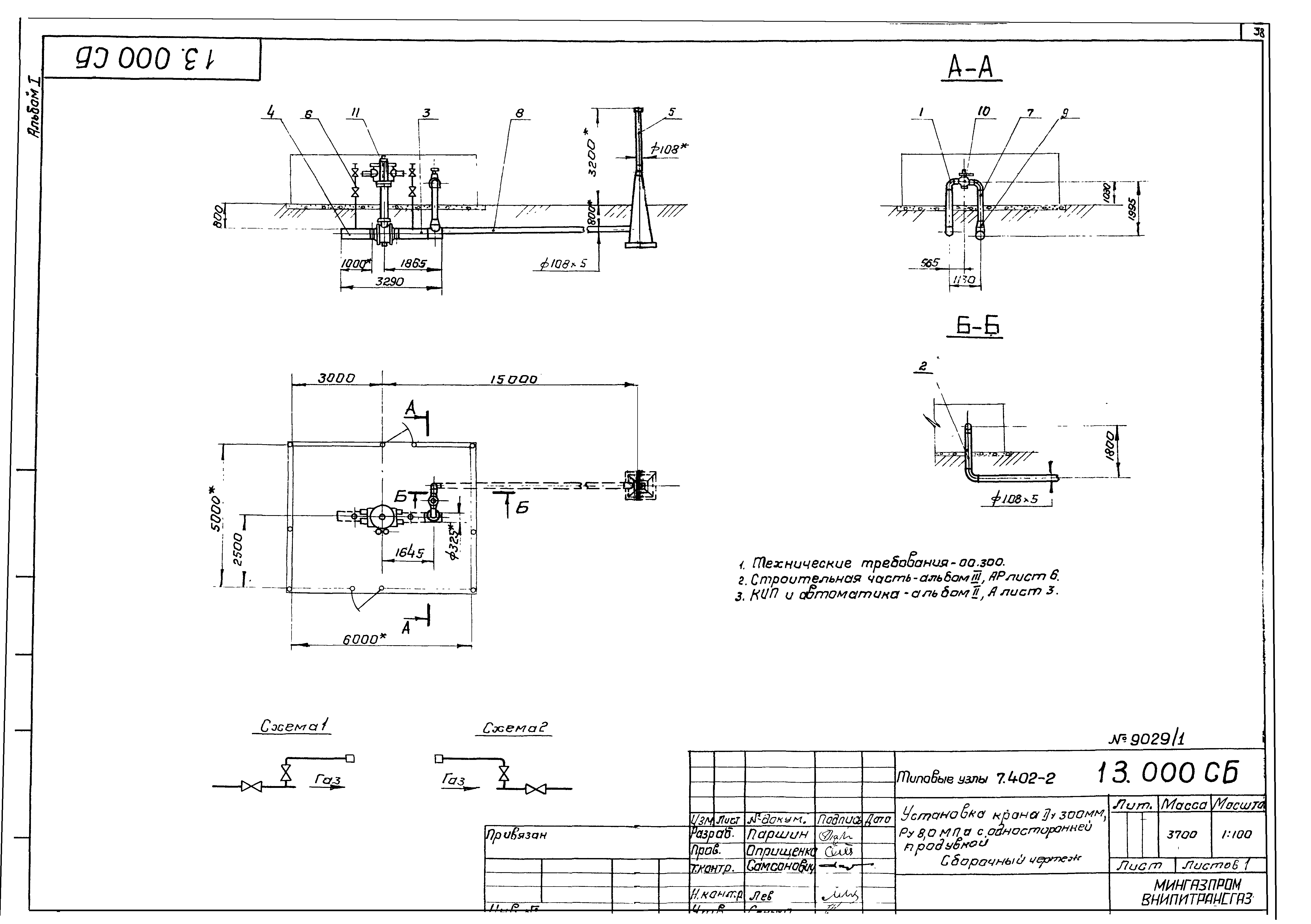
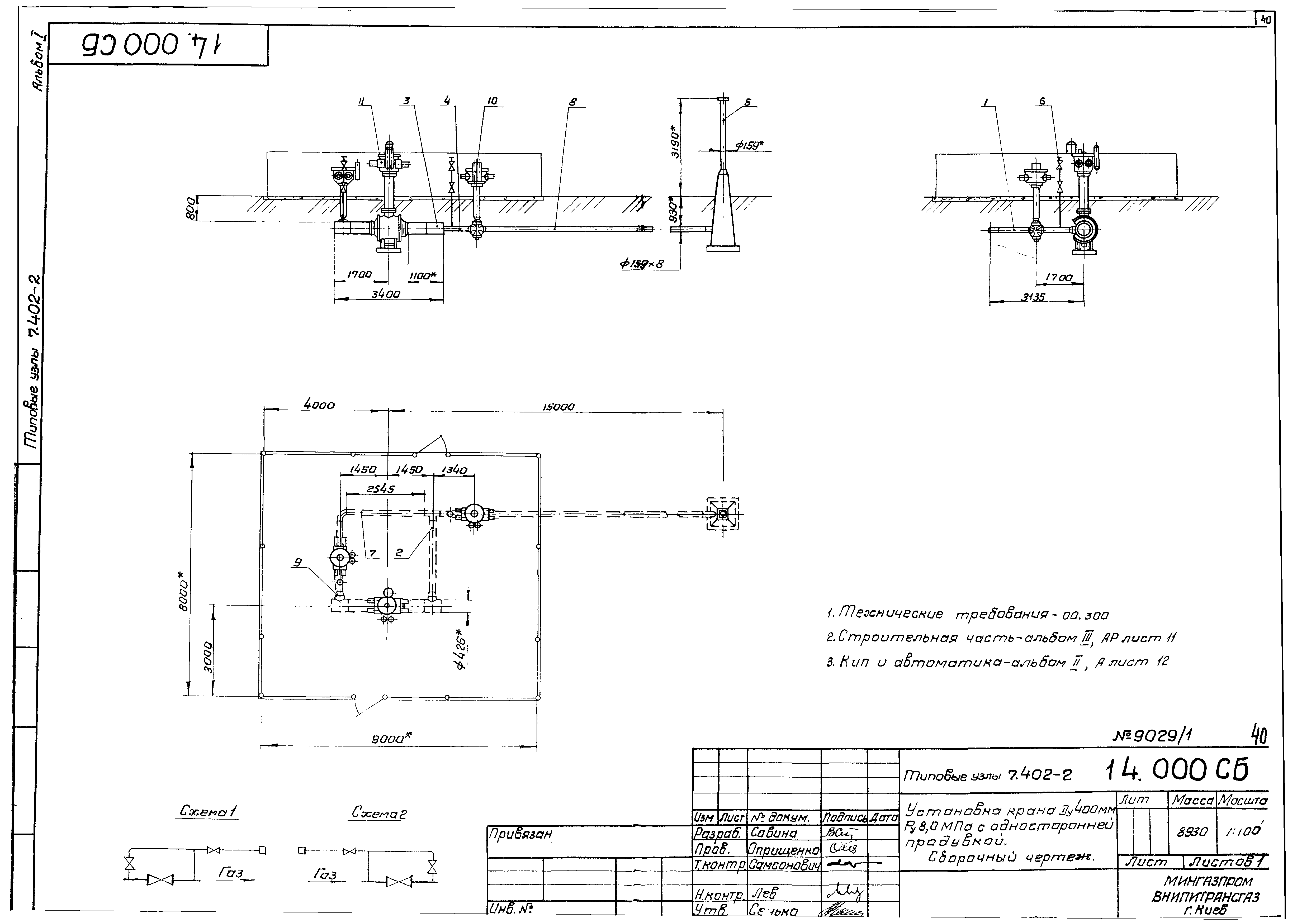
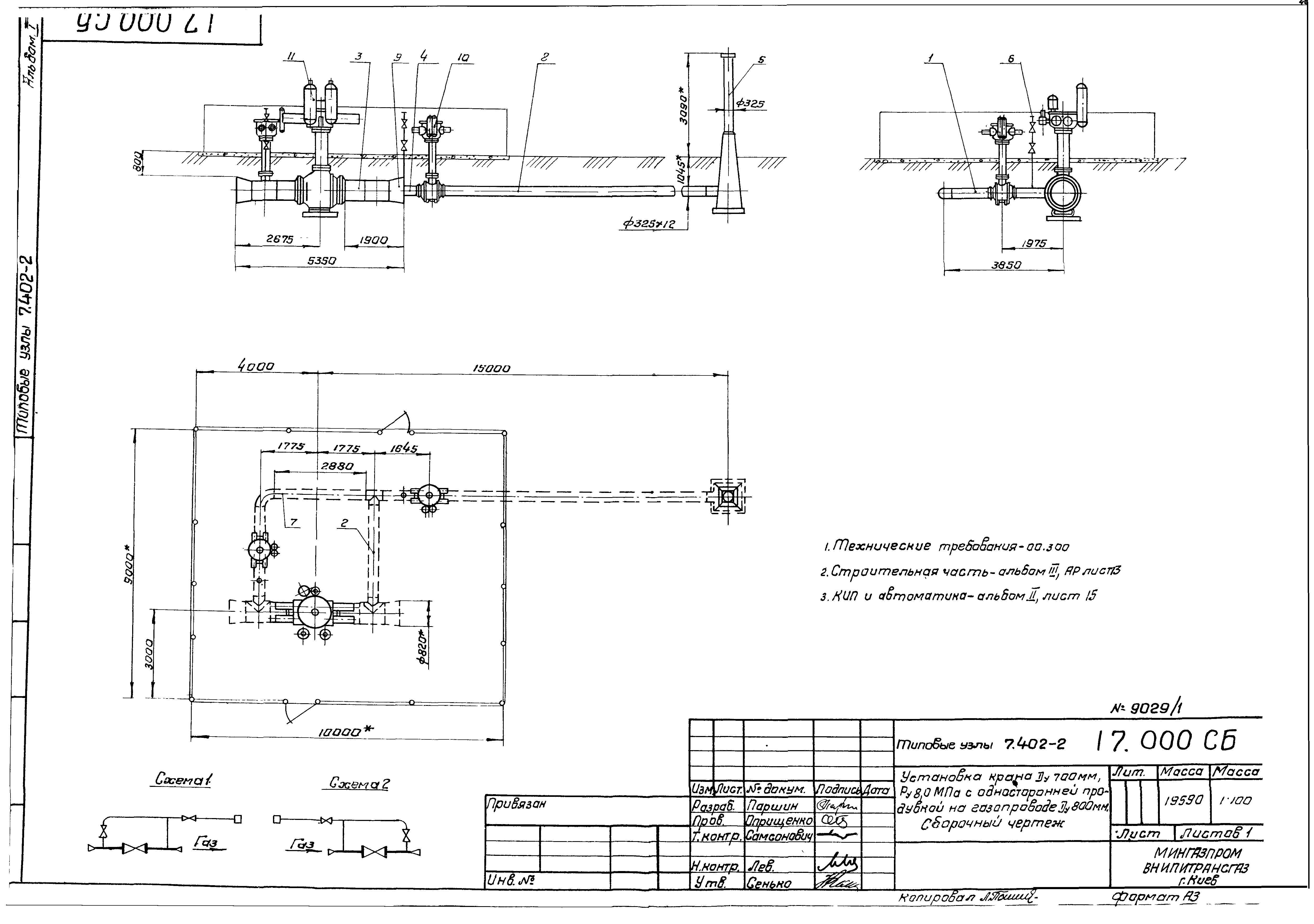
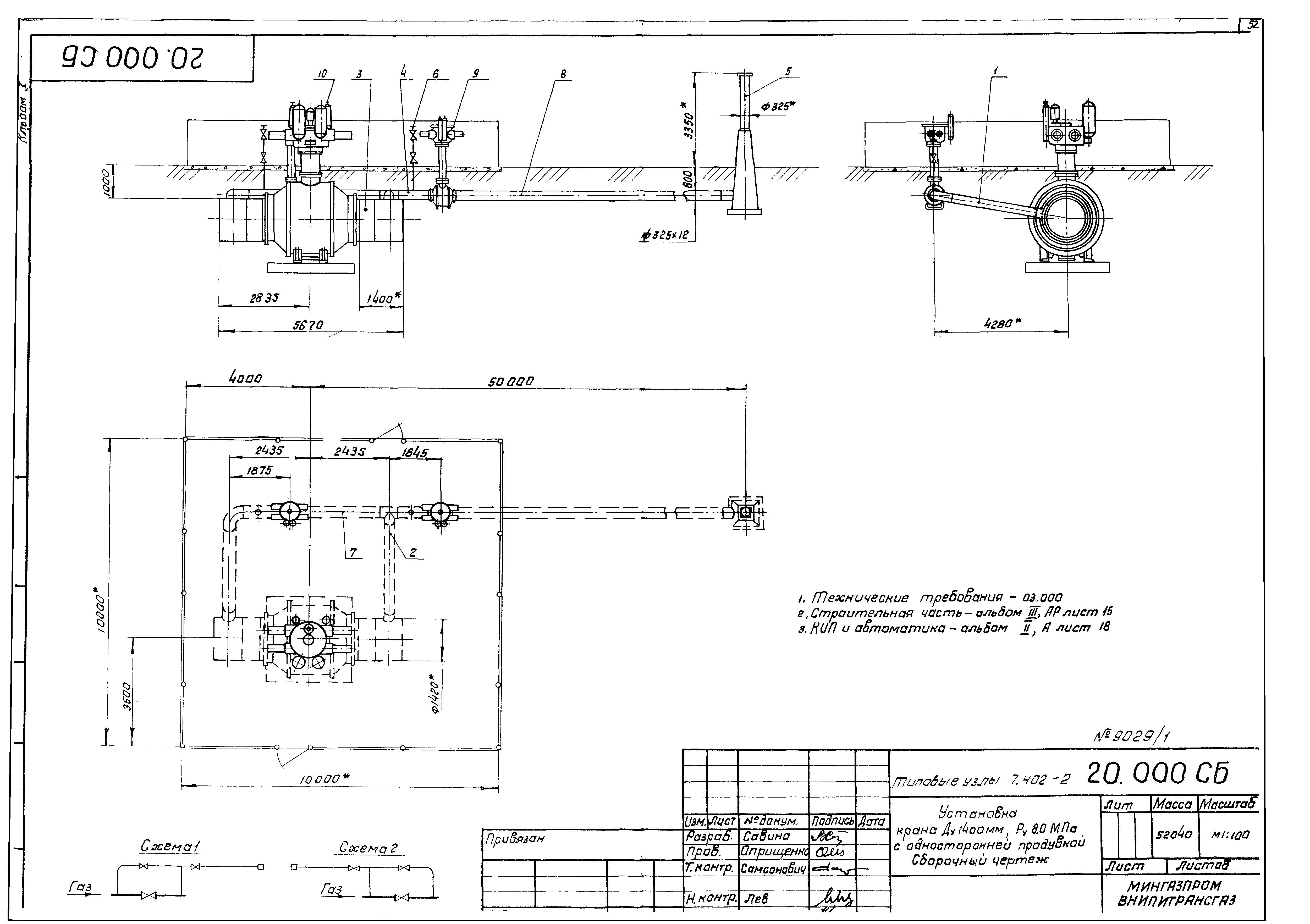
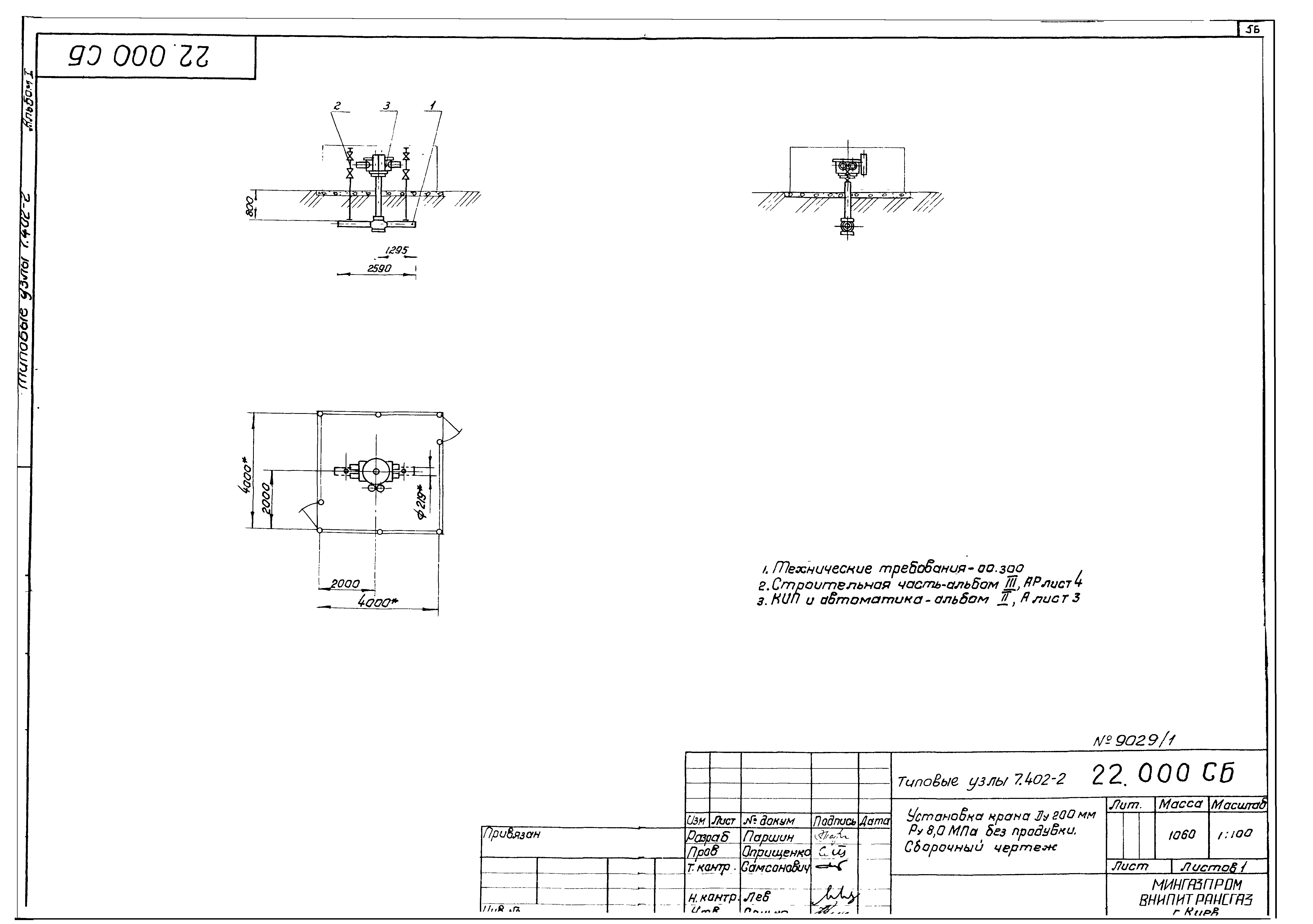
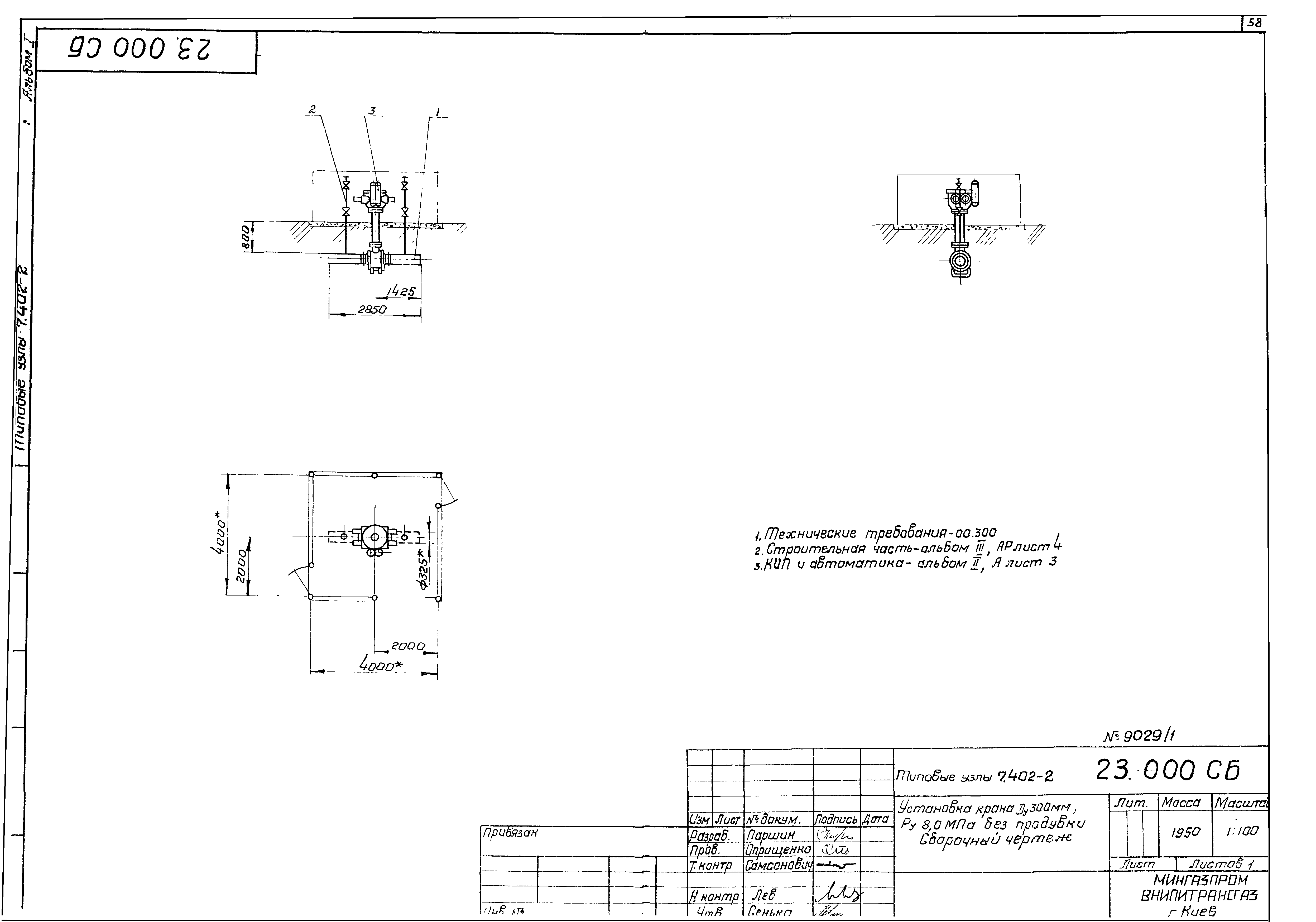
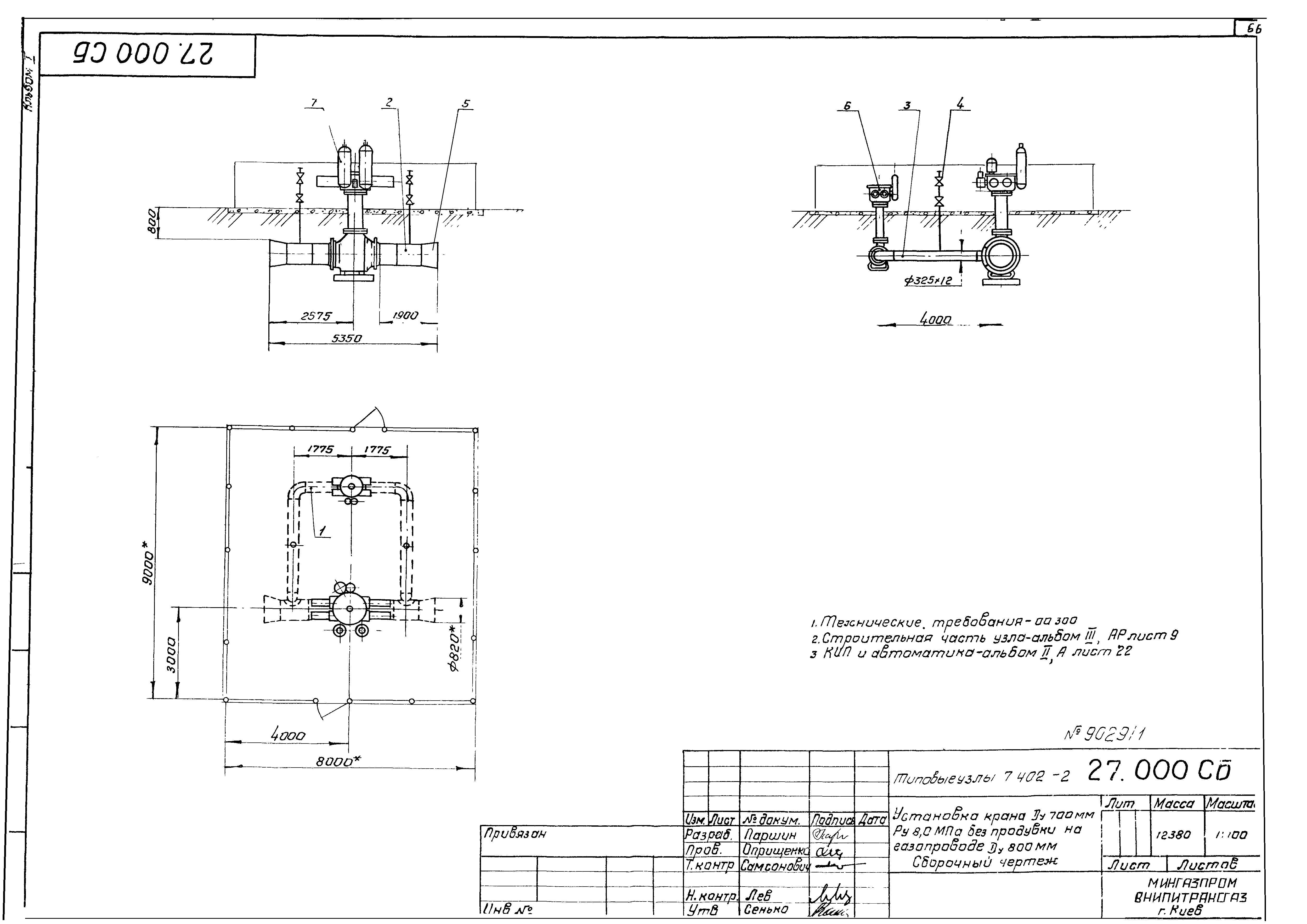
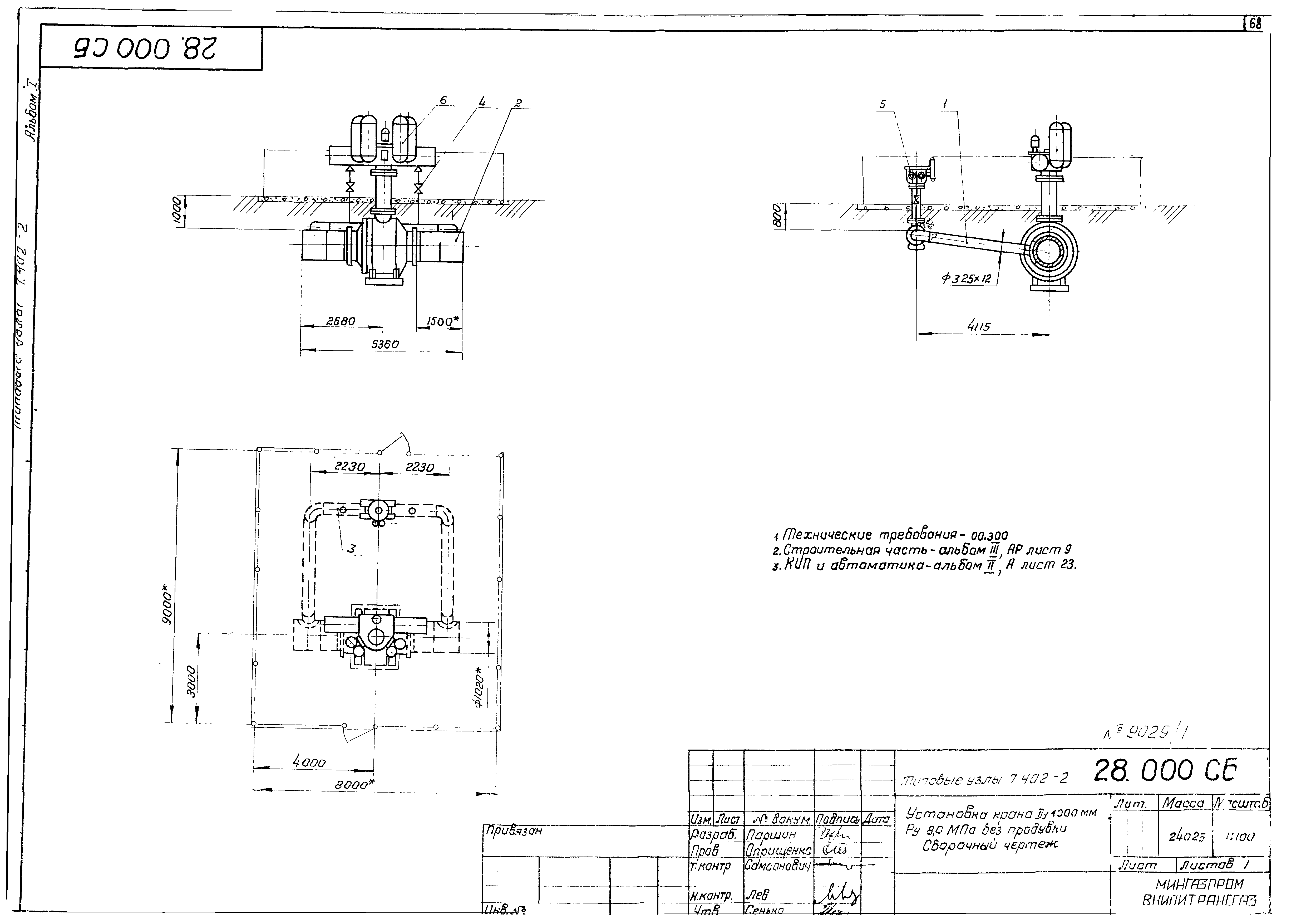
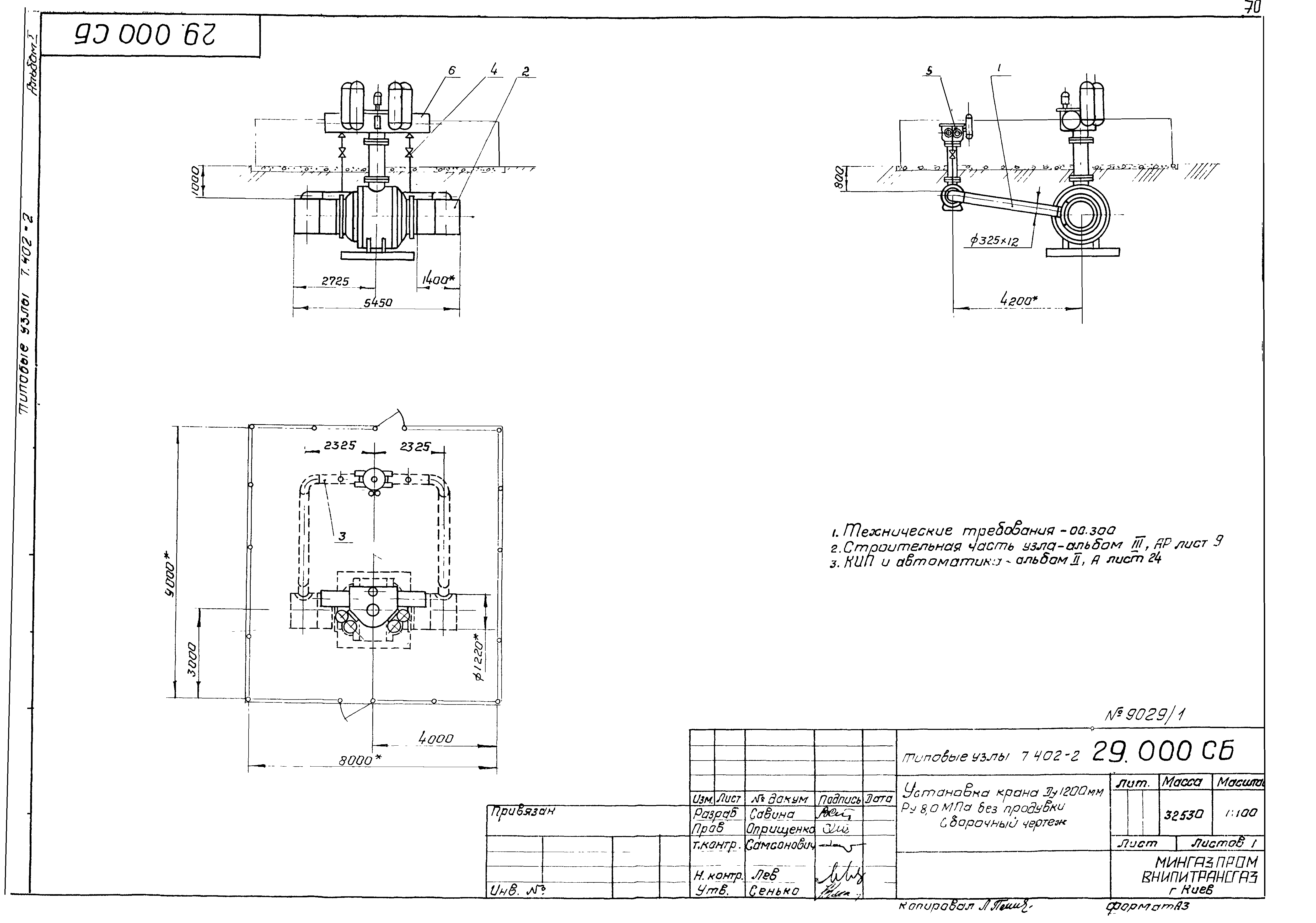
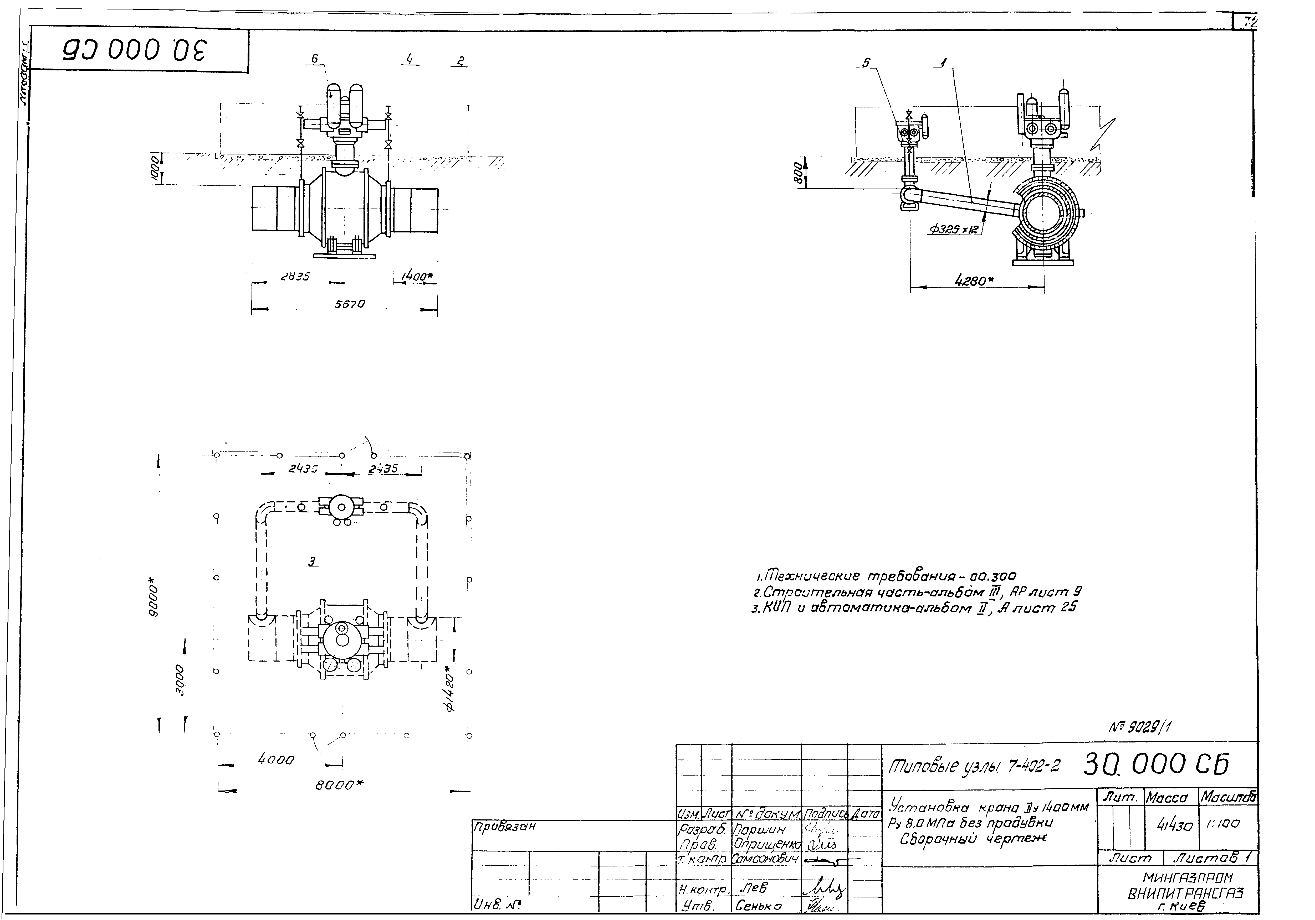
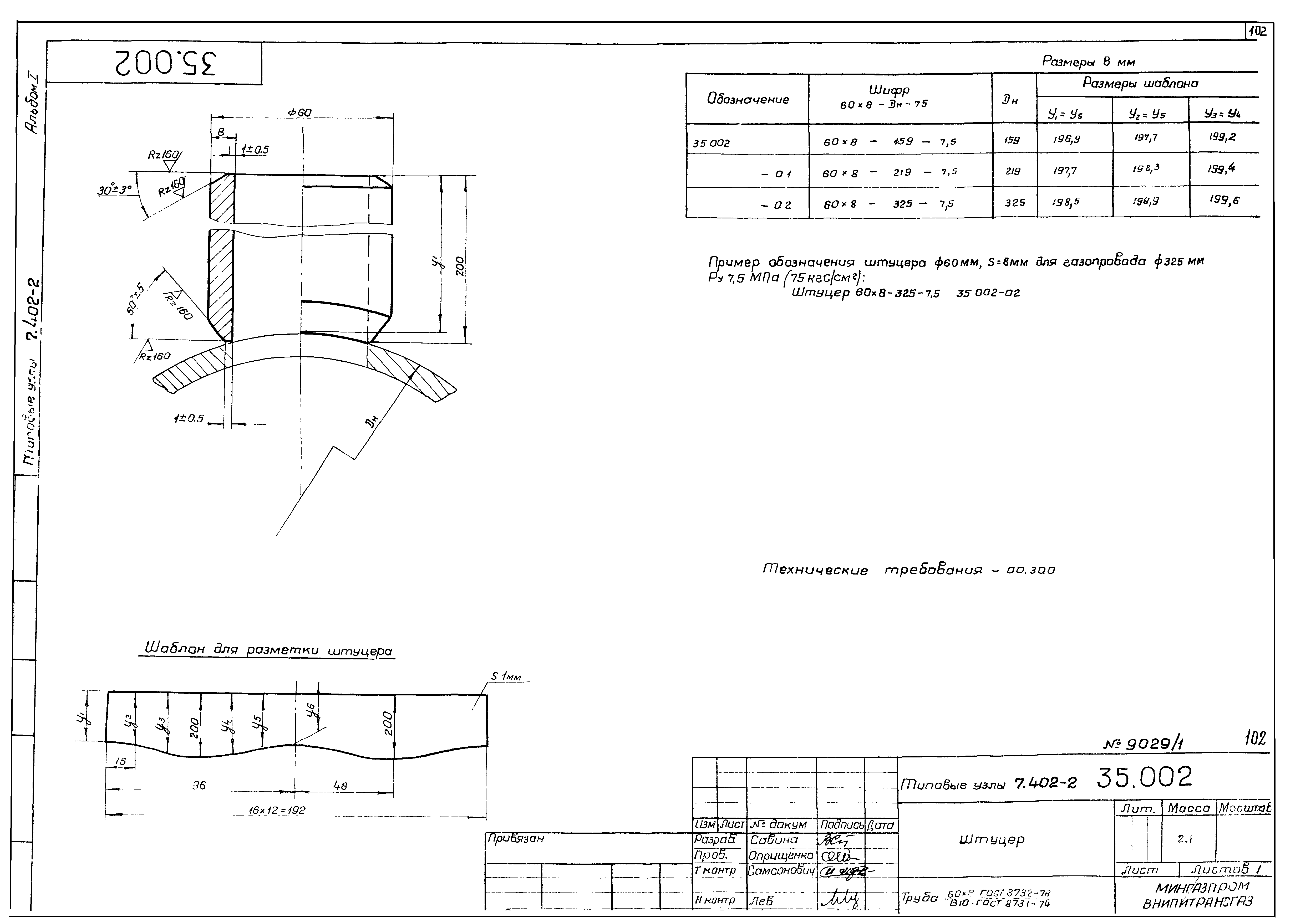
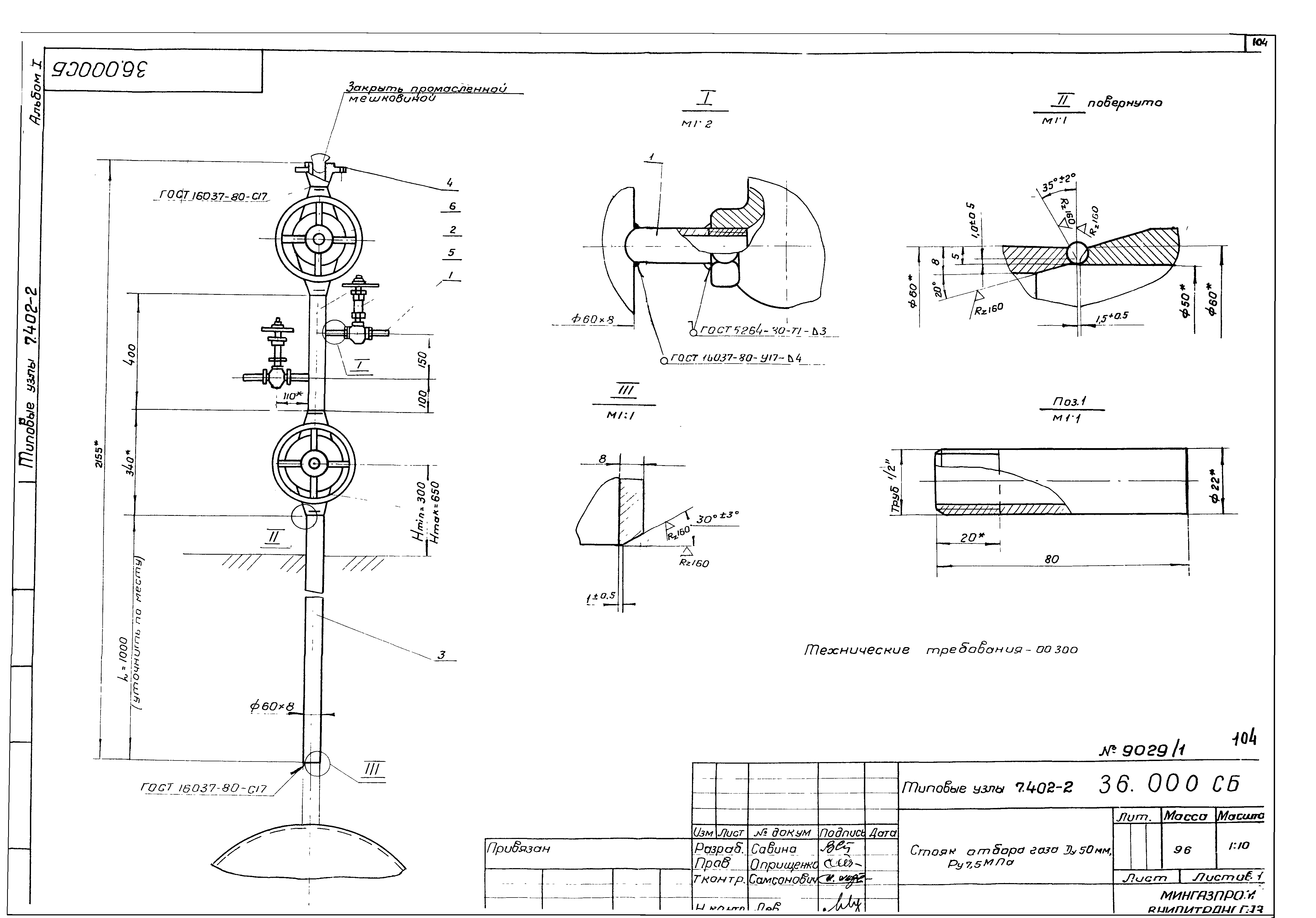
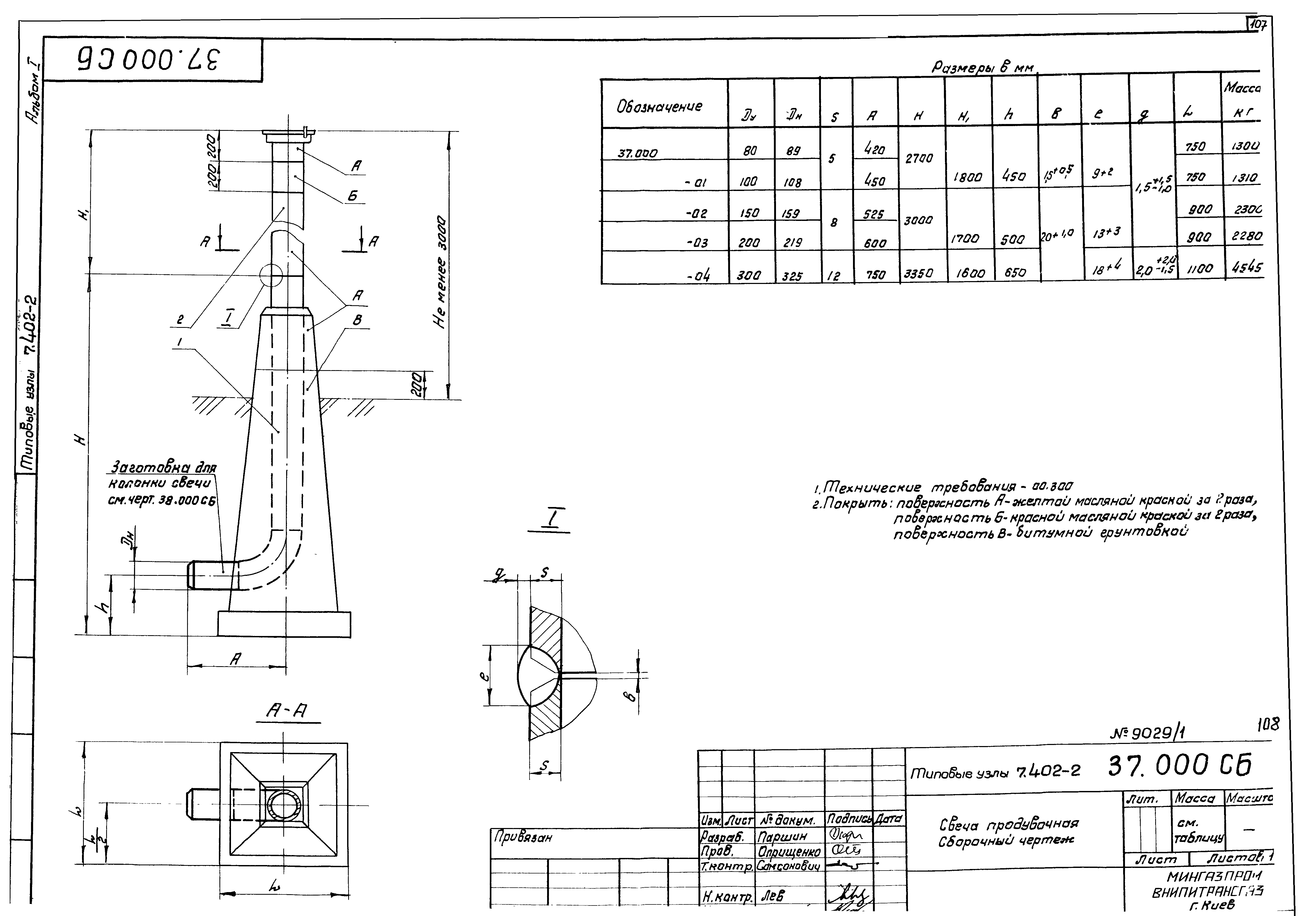
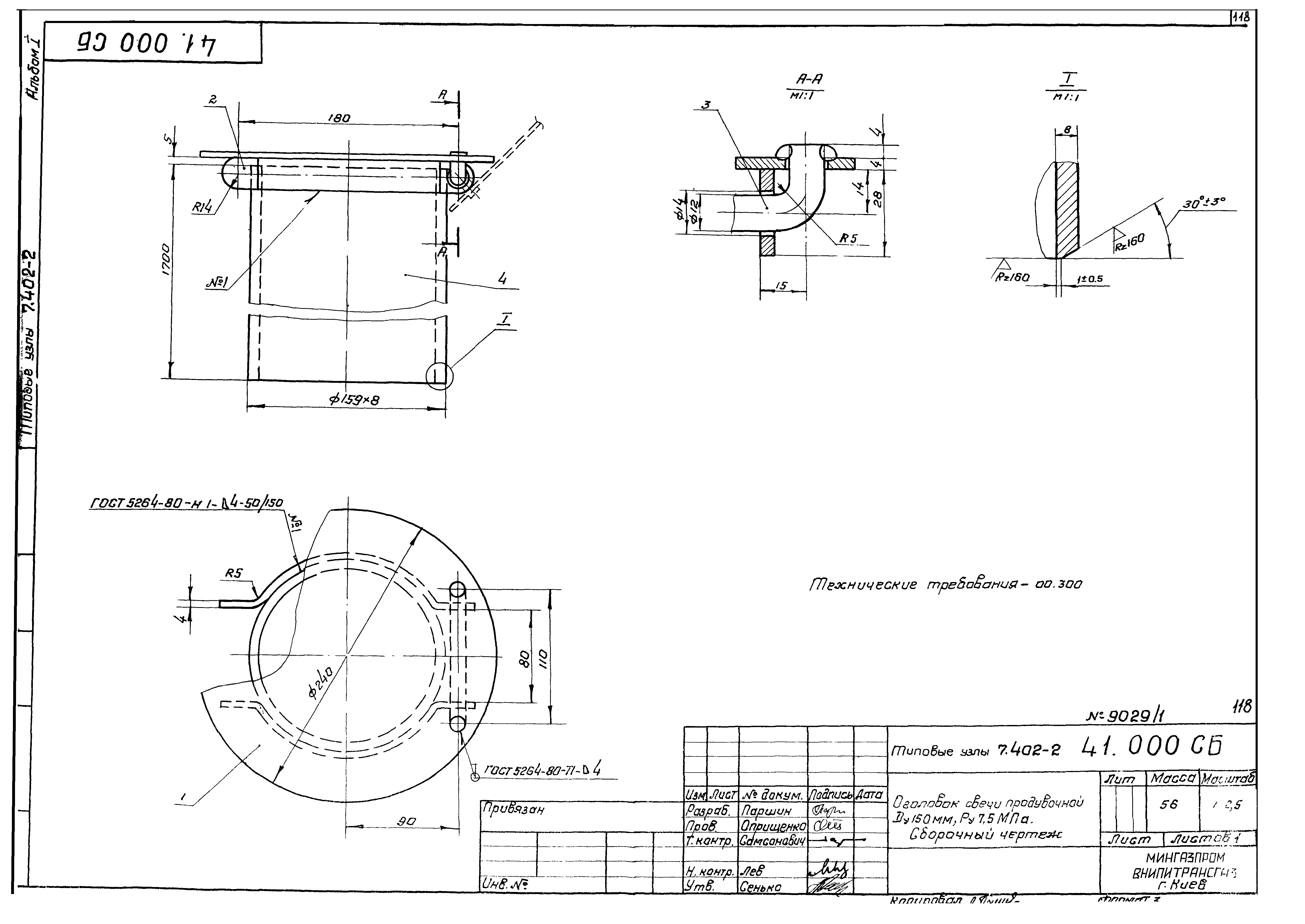
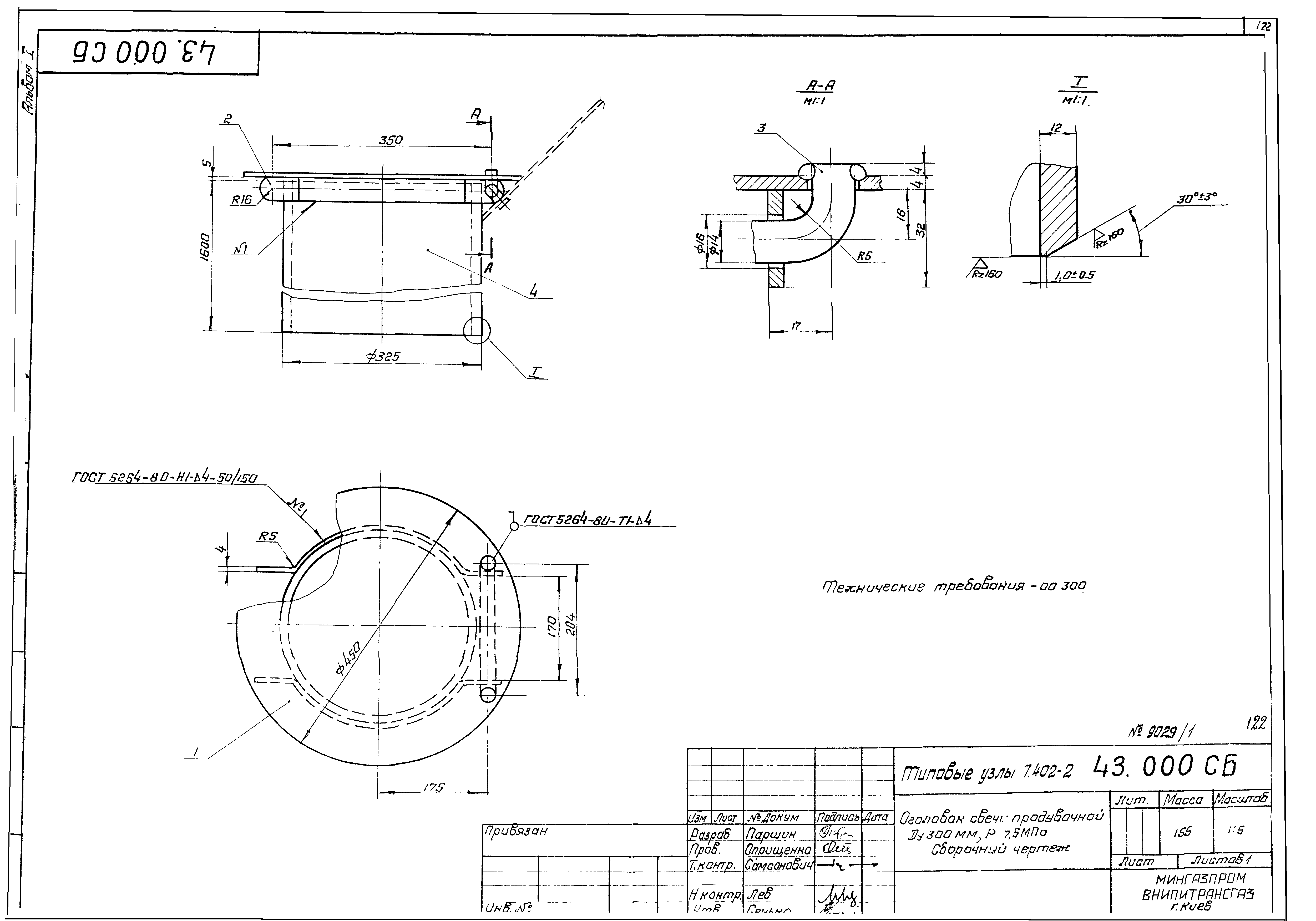
| Оглавление: | Содержание альбома Пояснительная записка Технические требования Установка линейного крана Dу 150 мм, Ру 8.0 Мпа Установка линейного крана Dу 200 мм, Ру 8.0 Мпа Установка линейного крана Dу 300 мм, Ру 8.0 Мпа Установка линейного крана Dу 400 мм, Ру 8.0 Мпа Установка линейного крана Dу 500 мм, Ру 8.0 Мпа Установка линейного крана Dу 700 мм, Ру 8.0 Мпа Установка линейного крана Dу 700 мм, Ру 8.0 Мпа на газопроводе Dу 800 мм Установка линейного крана Dу 1000 мм, Ру 8.0 Мпа Установка линейного крана Dу 1200 мм, Ру 8.0 Мпа Установка линейного крана Dу 1400 мм, Ру 8.0 Мпа Установка линейного крана Dу 150 мм, Ру 8.0 Мпа с односторонней продувкой Установка линейного крана Dу 200 мм, Ру 8.0 Мпа с односторонней продувкой Установка линейного крана Dу 300 мм, Ру 8.0 Мпа с односторонней продувкой Установка линейного крана Dу 400 мм, Ру 8.0 Мпа с односторонней продувкой Установка линейного крана Dу 500 мм, Ру 8.0 Мпа с односторонней продувкой Установка линейного крана Dу 700 мм, Ру 8.0 Мпа с односторонней продувкой Установка линейного крана Dу 700 мм, Ру 8.0 Мпа с односторонней продувкой на газопроводе Dу 800 мм Установка линейного крана Dу1000 мм, Ру 8.0 Мпа с односторонней продувкой Установка линейного крана Dу 1200 мм, Ру 8.0 Мпа с односторонней продувкой Установка линейного крана Dу 1400 мм, Ру 8.0 Мпа с односторонней продувкой Установка линейного крана Dу 150 мм, Ру 8.0 Мпа без продувки Установка линейного крана Dу 200 мм, Ру 8.0 Мпа без продувки Установка линейного крана Dу 300 мм, Ру 8.0 Мпа без продувки Установка линейного крана Dу 400 мм, Ру 8.0 Мпа без продувки Установка линейного крана Dу 500 мм, Ру 8.0 Мпа без продувки Установка линейного крана Dу 700 мм, Ру 8.0 Мпа без продувки Установка линейного крана Dу 200 мм, Ру 8.0 Мпа без продувки на газопроводе Dу 800 мм Установка линейного крана Dу 1000 мм, Ру 8.0 Мпа без продувки Установка линейного крана Dу 1200 мм, Ру 8.0 Мпа без продувки Установка линейного крана Dу 1400 мм, Ру 8.0 Мпа без продувки Заготовка с отводом Заготовка с тройником Патрубок Заготовка со штуцером Патрубок Штуцер Стояк отбора газа Dу 50 мм, Ру 8.0 Мпа Свеча продувочная Dу 80 - Dу300 мм, Ру 8.0 Мпа Заготовка для колонки свечи Оголовок свечи Dу 80 мм Оголовок свечи Dу 100 мм Оголовок свечи Dу 150 мм Оголовок свечи Dу 200 мм Оголовок свечи Dу 300 мм Труба 89 х 5 Труба 108 х 5 Труба 159 х 8 Труба 219 х 8 Труба 325 х 12 |
| Разработан: | ВНИПИтрансгаз |
| Утверждён: | 09.08.1983 Мингазпром (Mingazprom 3-27) |






























































































































