Скачать Серия 1.431-20 Выпуск 1. Панели железобетонные. Рабочие чертежиДата актуализации: 01.01.2021
|
| Обозначение: | Серия 1.431-20 |
| Обозначение англ: | Series 1.431-20 |
| Статус: | заменен |
| Название рус.: | Выпуск 1. Панели железобетонные. Рабочие чертежи |
| Дата добавления в базу: | 01.09.2013 |
| Дата актуализации: | 01.01.2021 |
| Дата введения: | 01.04.1979 |
| Дата окончания срока действия: | 01.07.1985 |
| Область применения: | В настоящем выпуске приведены рабочие чертежи панелей перегородок из железобетона |
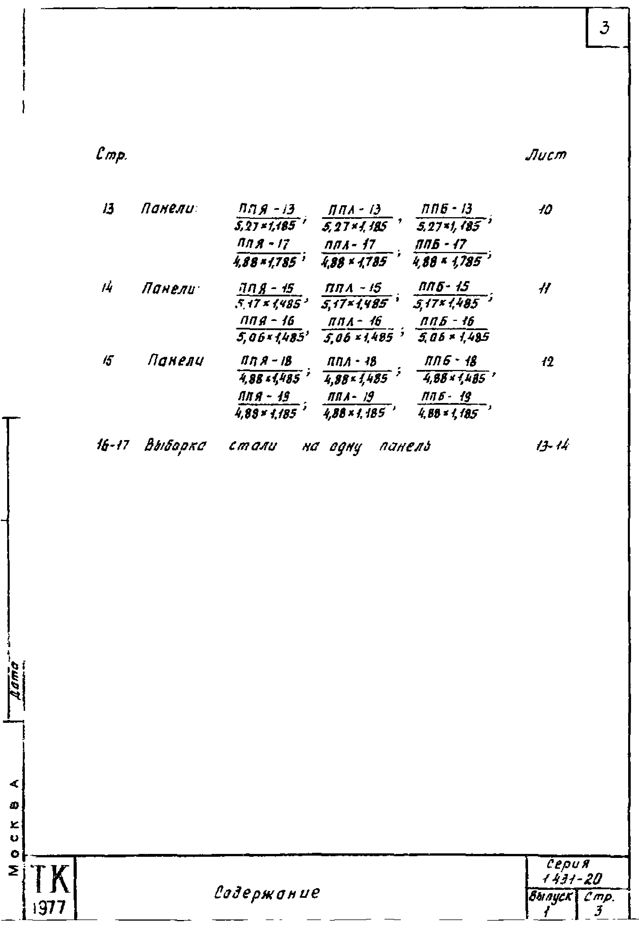
| Оглавление: | Пояснительная записка Панели ППЯ-1/5,98х2,985; ППЛ-1/5,98х2,985, ППБ-1/5,98х2,985; ППЯ-5/5,77х2,985; ППЛ-5/5,77х2,985, ППБ-5/5,77х2,985 Панели ППЯ-1-Д/5,98х2,985; ППЛ-1-Д/5,98х2,985, ППБ-1-Д/5,98х2,985; ППЯ-5-Д/5,77х2,985; ППЛ-5-Д/5,77х2,985, ППБ-5-Д/5,77х2,985 Панели ППЯ-2/5,98х1,785; ППЛ-2/5,98х1,785, ППБ-2/5,98х1,785; ППЯ-6/5,77х1,785; ППЛ-6/5,77х1,785, ППБ-6/5,77х1,785; ППЯ-3/5,98х1,485; ППЛ-3/5,98х1,485, ППБ-3/5,98х1,485 Панели ППЯ-4/5,98х1,185; ППЛ-4/5,98х1,185, ППБ-4/5,98х1,185; ППЯ-8/5,77х1,185; ППЛ-8/5,77х1,185, ППБ-8/5,77х1,185 Панели ППЯ-7/5,77х1,485; ППЛ-7/5,77х1,485, ППБ-7/5,77х1,485; ППЯ-9/5,72х1,485; ППЛ-9/5,72х1,485, ППБ-9/5,72х1,485; ППЯ-10/5,67х1,485; ППЛ-10/5,67х1,485, ППБ-10/5,67х1,485 Панели ППЯ-11/5,56х1,485; ППЛ-11/5,56х1,485, ППБ-11/5,56х1,485; ППЯ-12/5,27х1,485; ППЛ-12/5,27х1,485, ППБ-12/5,27х1,485; ППЯ-14/5,22х1,485; ППЛ-14/5,22х1,485, ППБ-14/5,22х1,485 Панели ППЯ-13/5,27х1,185; ППЛ-13/5,27х1,185, ППБ-13/5,27х1,185; ППЯ-17/4,88х1,785; ППЛ-17/4,88х1,785, ППБ-17/4,88х1,785 Панели ППЯ-15/5,17х1,485; ППЛ-15/5,17х1,485, ППБ-15/5,17х1,485; ППЯ-16/5,06х1,485; ППЛ-16/5,06х1,485, ППБ-16/5,06х1,485 Панели ППЯ-18/4,88х1,485; ППЛ-18/4,88х1,485, ППБ-18/4,88х1,485; ППЯ-19/4,88х1,185; ППЛ-19/4,88х1,185, ППБ-19/4,88х1,185 Выборка стали на одну панель |
| Разработан: | ЦНИИпромзданий Харьковский Промстройниипроект |
| Утверждён: | 05.12.1978 Госстрой СССР (Государственный комитет Совета Министров СССР по делам строительства) (USSR Gosstroy 224) |
| Чем заменён: |
|
| Нормативные ссылки: |
|

















