Скачать ОСТ 1 12320-78 Наконечники для электропроводов. Конструкция и размерыДата актуализации: 01.01.2021
|
| Обозначение: | ОСТ 1 12320-78 |
| Обозначение англ: | 12320-78 |
| Статус: | действует |
| Название рус.: | Наконечники для электропроводов. Конструкция и размеры |
| Дата добавления в базу: | 01.09.2013 |
| Дата актуализации: | 01.01.2021 |
| Дата введения: | 01.07.1979 |
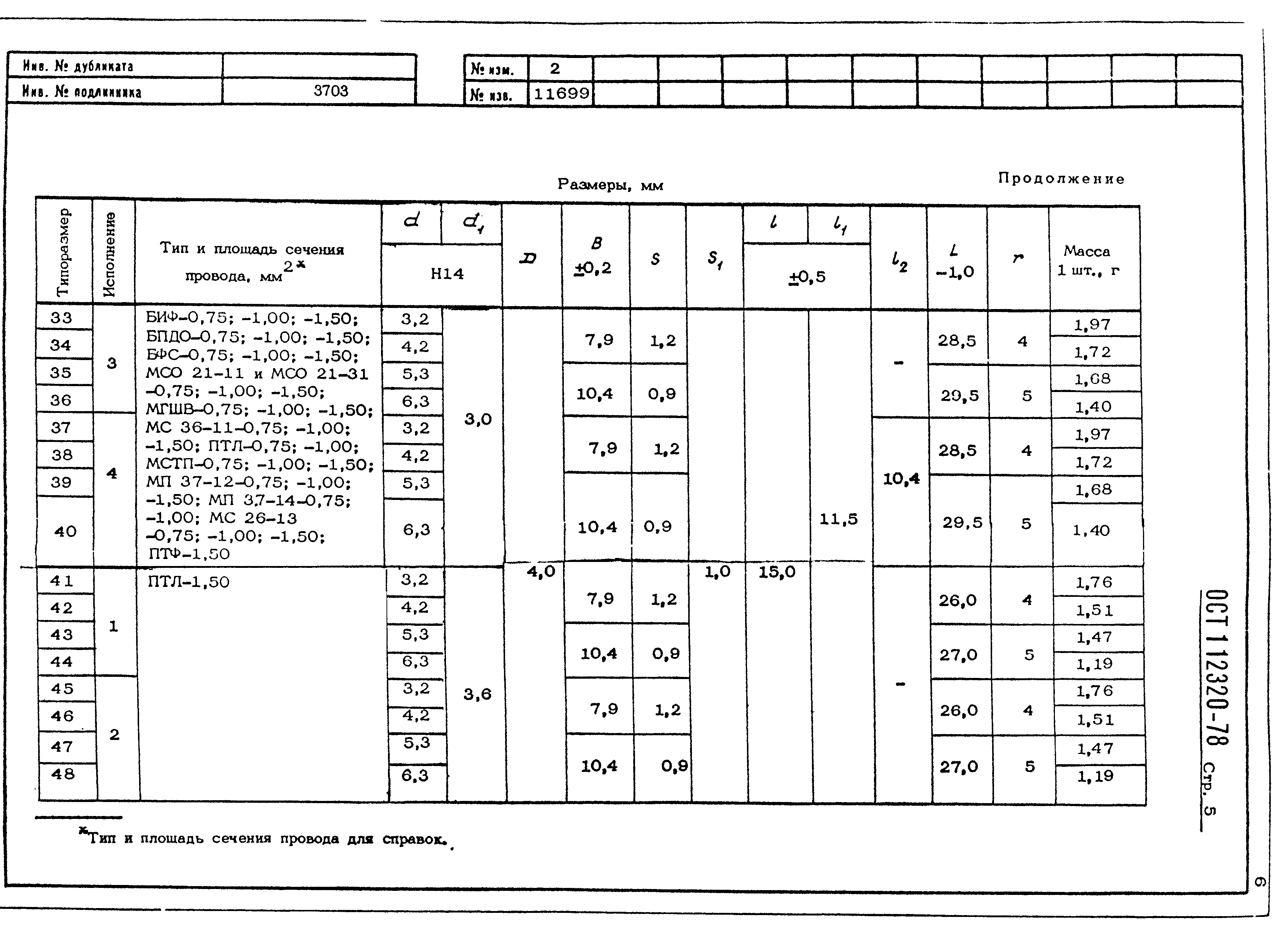
| Область применения: | Стандарт распространяется на трубчатые наконечники для электропроводов марок МГШВ, ПТЛ, БИФ, БПДО, БФС, МСО 21-11, МСО 21-31, МС 36-11, МСТП, МП 37-14, МС 26-11, МС 26-13 и ПТФ. |
| Утверждён: | 28.06.1978 Министерство (Ministry 087-16) |
| Заменяет собой: |
|
| Нормативные ссылки: |











