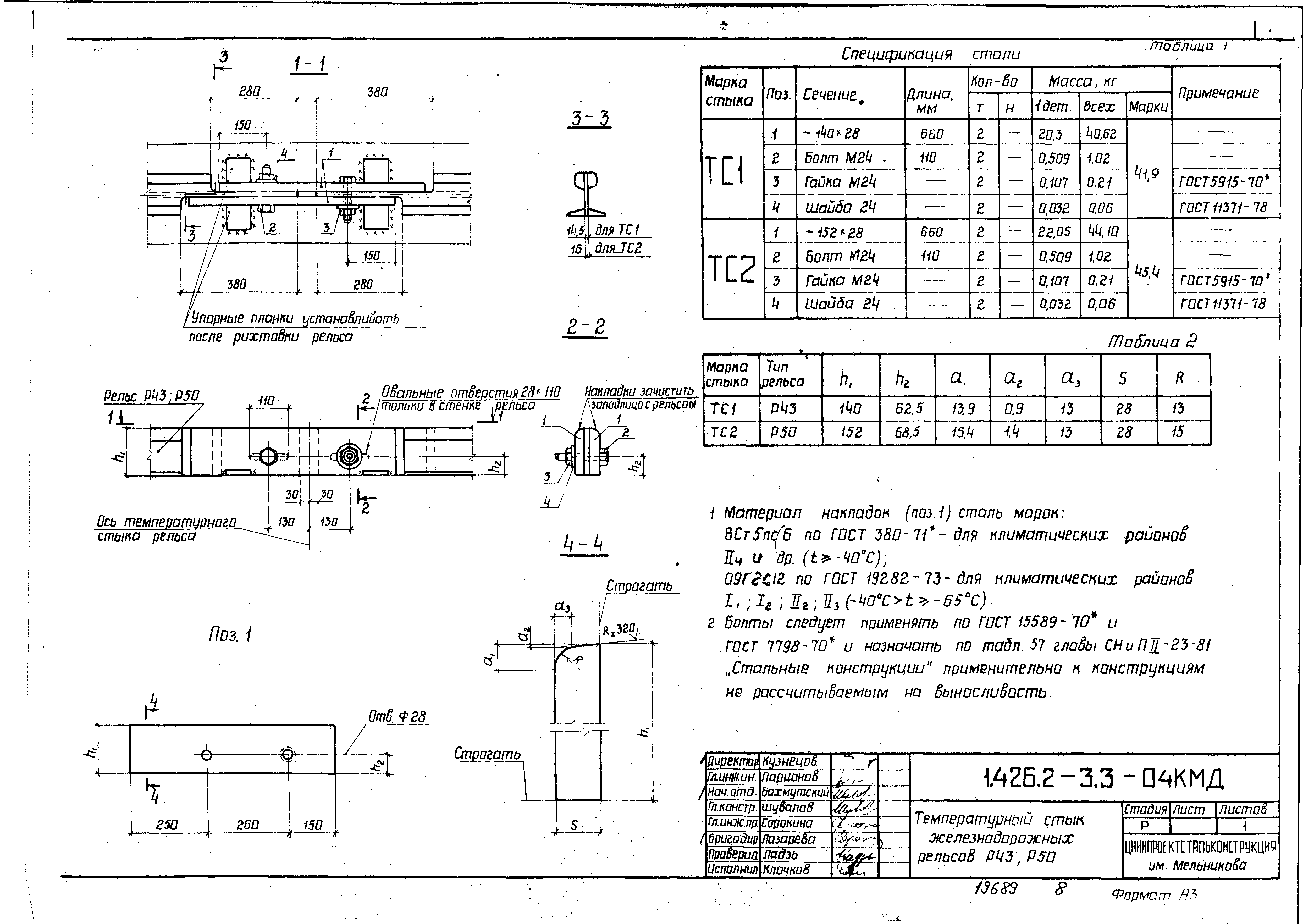
Скачать Серия 1.426.2-3 Выпуск 3. Детали крепления рельсов к подкрановым балкам и стыки рельсов. Чертежи КМДДата актуализации: 01.01.2021
|
| Обозначение: | Серия 1.426.2-3 |
| Обозначение англ: | Series 1.426.2-3 |
| Статус: | не действует |
| Название рус.: | Выпуск 3. Детали крепления рельсов к подкрановым балкам и стыки рельсов. Чертежи КМД |
| Дата добавления в базу: | 01.09.2013 |
| Дата актуализации: | 01.01.2021 |
| Дата введения: | 01.08.1984 |
| Дата окончания срока действия: | 01.09.1989 |
| Разработан: | ЦНИИпроектстальконструкция Госстроя |
| Утверждён: | 26.04.1984 Госстрой СССР (Государственный комитет Совета Министров СССР по делам строительства) (USSR Gosstroy 63) |





















