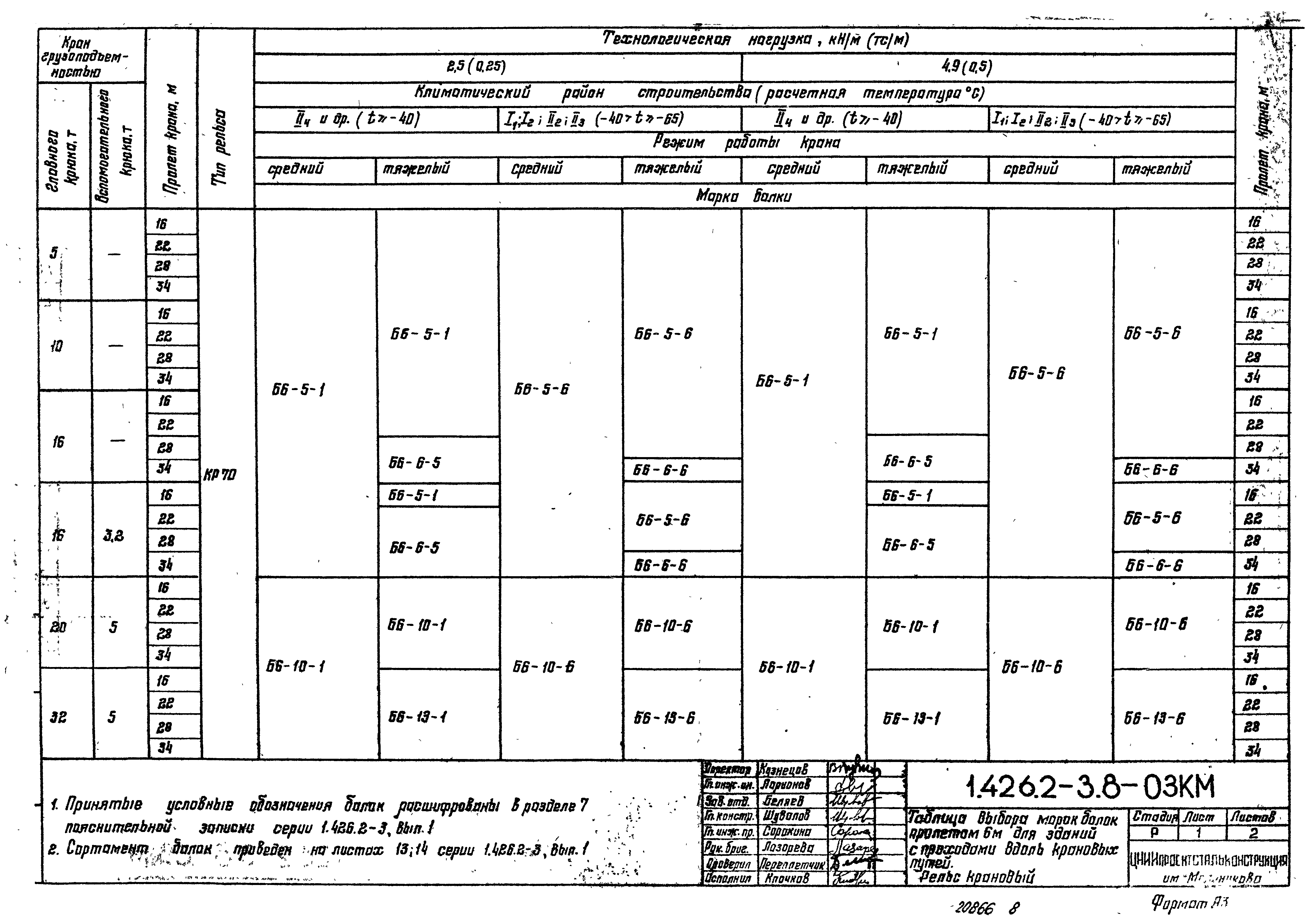
Скачать Серия 1.426.2-3 Выпуск 8. Разрезные подкрановые балки пролетом 6, 12 и 18 м под мостовые краны общего назначения грузоподъемностью до 500 т с учетом технологических нагрузок. Чертежи КМДата актуализации: 01.01.2021 Серия 1.426.2-3
Выпуск 8. Разрезные подкрановые балки пролетом 6, 12 и 18 м под мостовые краны общего назначения грузоподъемностью до 500 т с учетом технологических нагрузок. Чертежи КМ| Обозначение: | Серия 1.426.2-3 | | Обозначение англ: | Series 1.426.2-3 | | Статус: | не действует | | Название рус.: | Выпуск 8. Разрезные подкрановые балки пролетом 6, 12 и 18 м под мостовые краны общего назначения грузоподъемностью до 500 т с учетом технологических нагрузок. Чертежи КМ | | Дата добавления в базу: | 01.09.2013 | | Дата актуализации: | 01.01.2021 | | Дата введения: | 01.04.1986 | | Дата окончания срока действия: | 01.06.1989 | | Разработан: | ЦНИИпроектстальконструкция Госстроя
| | Утверждён: | 15.11.1985 Госстрой СССР (Государственный комитет Совета Министров СССР по делам строительства) (USSR Gosstroy )
|
                         
|