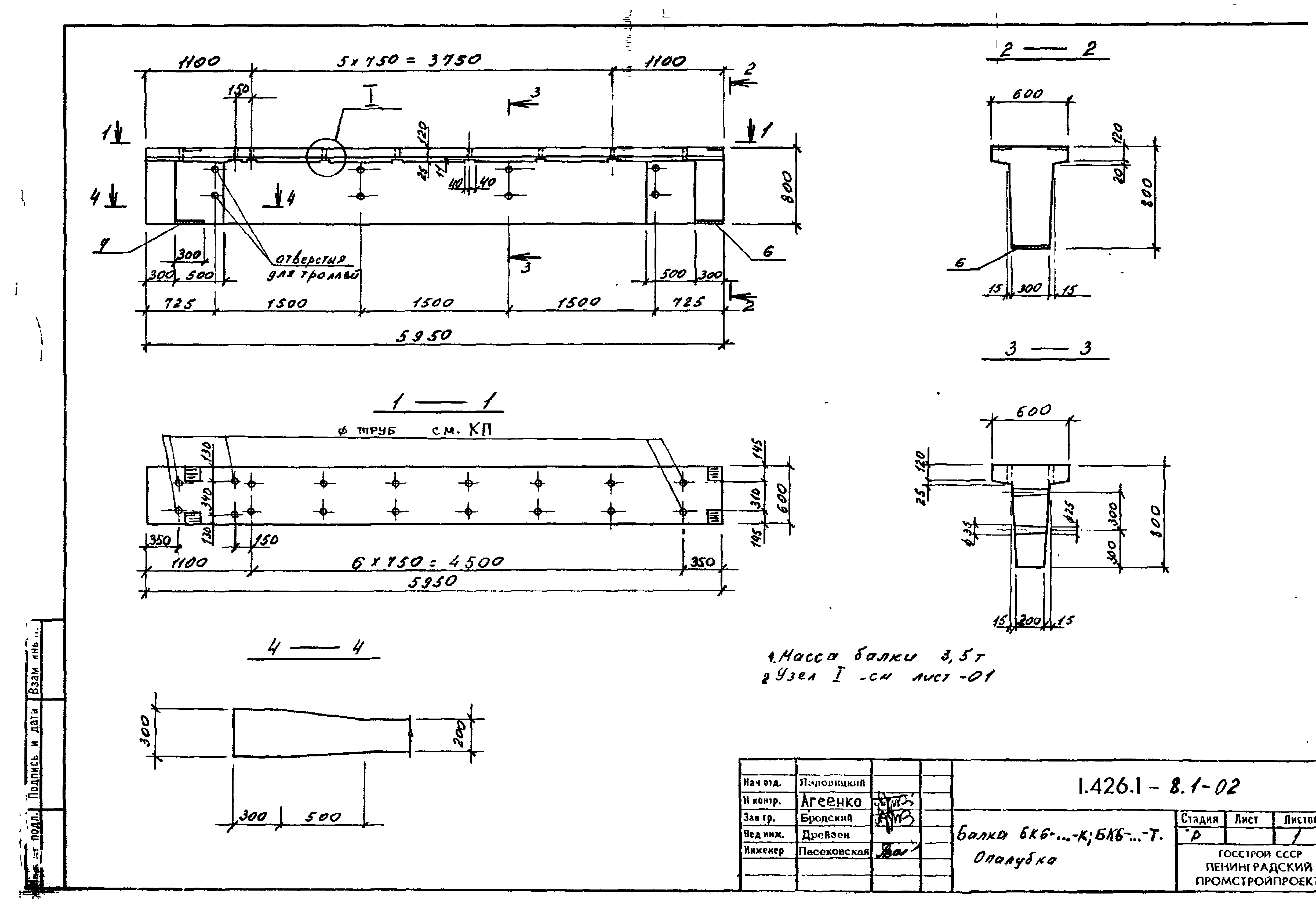
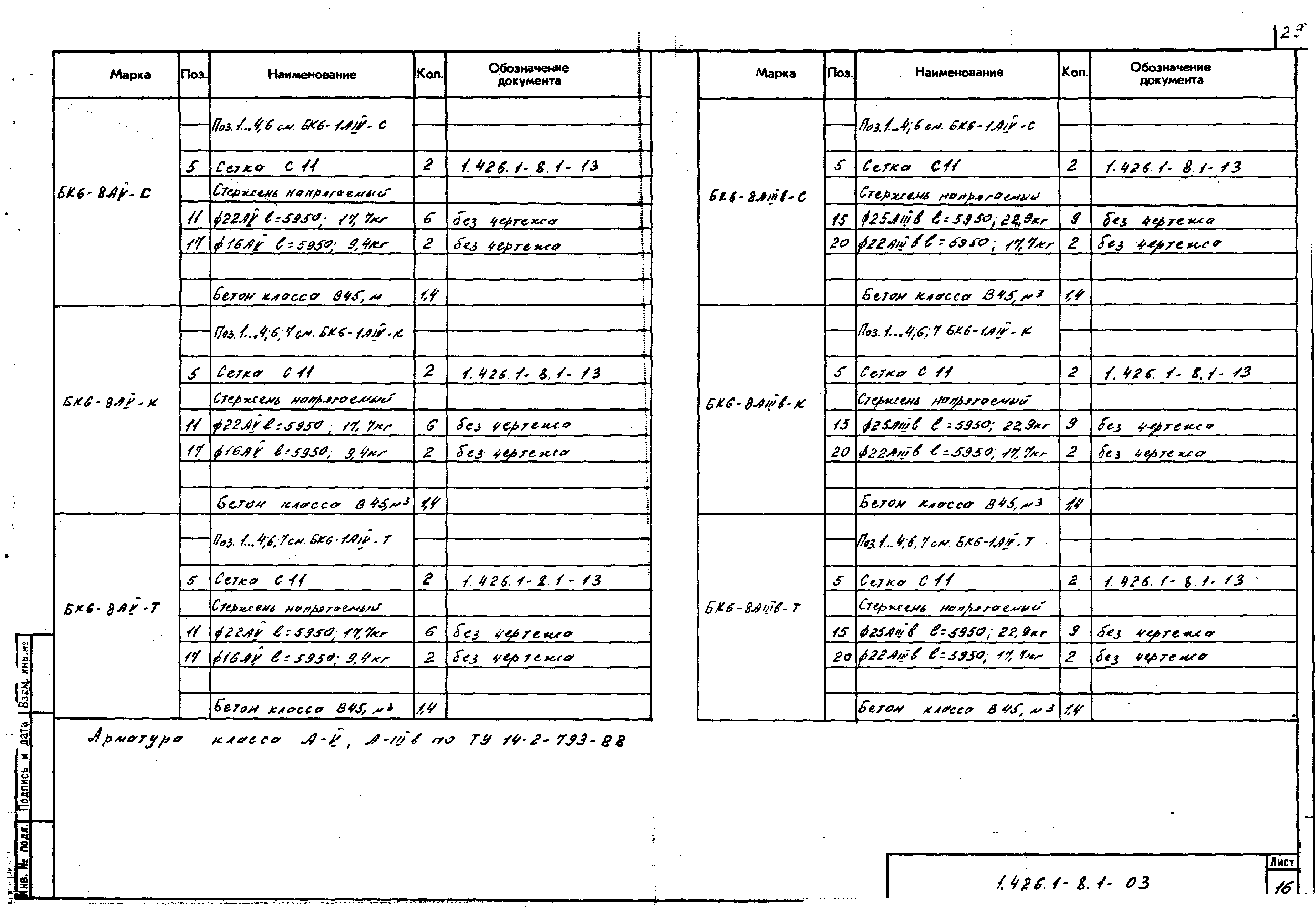
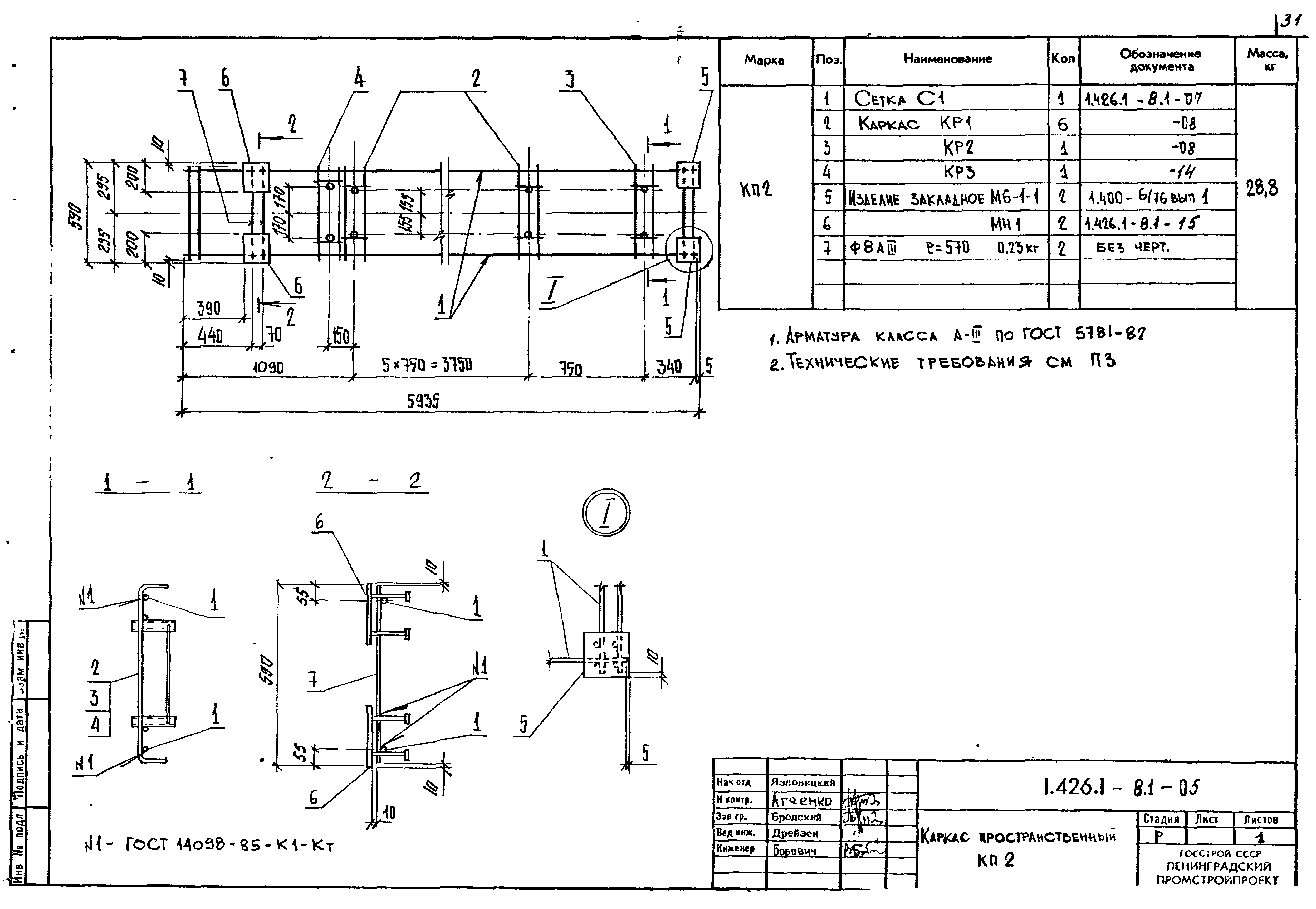
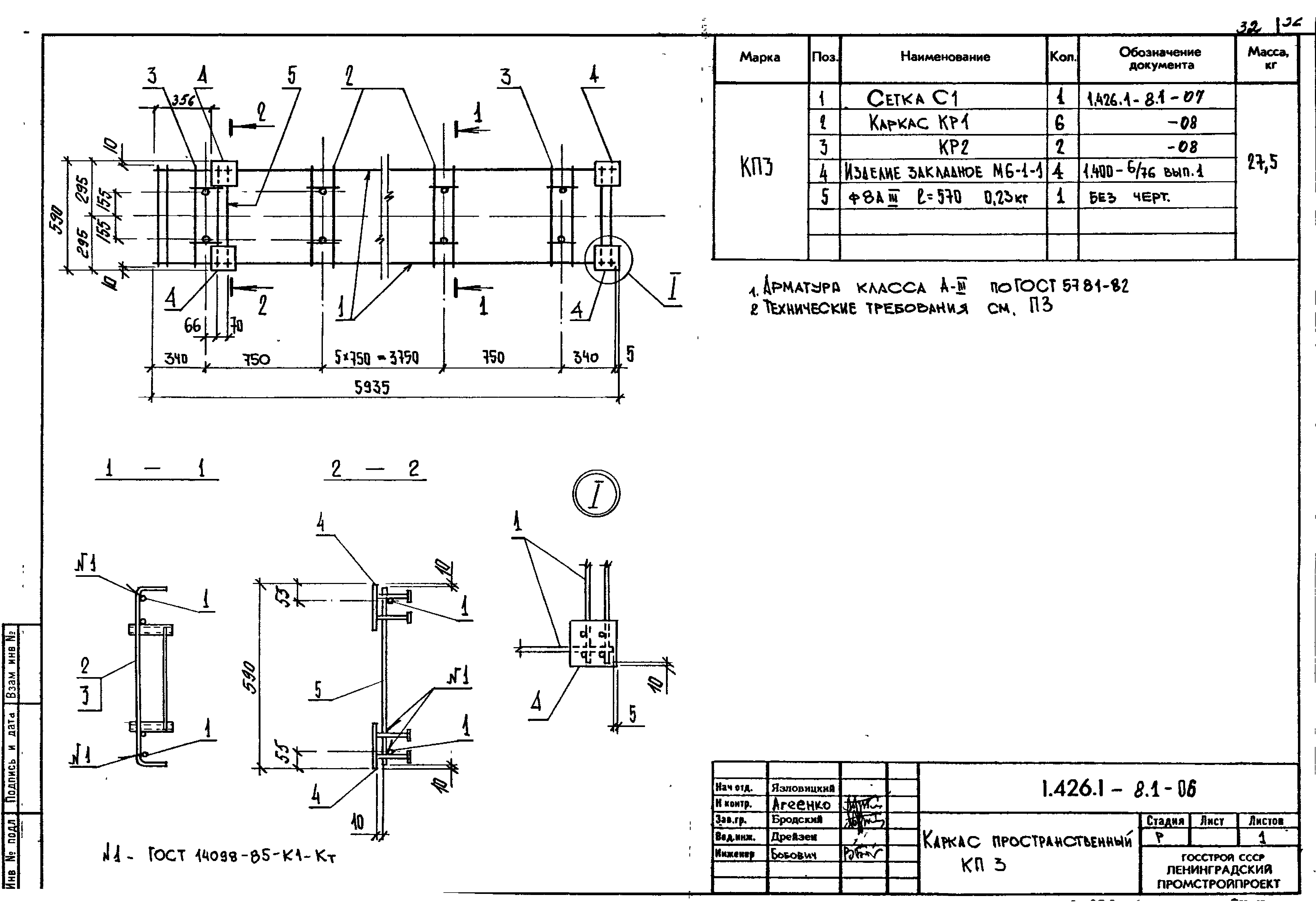
Скачать Серия 1.426.1-8 Выпуск 1. Балки подкрановые железобетонные пролетом 6 м. Рабочие чертежиДата актуализации: 01.01.2021
|
| Обозначение: | Серия 1.426.1-8 |
| Обозначение англ: | Series 1.426.1-8 |
| Статус: | не действует |
| Название рус.: | Выпуск 1. Балки подкрановые железобетонные пролетом 6 м. Рабочие чертежи |
| Дата добавления в базу: | 01.09.2013 |
| Дата актуализации: | 01.01.2021 |
| Дата введения: | 15.04.1991 |
| Дата окончания срока действия: | 01.05.1999 |
| Разработан: | Ленинградский Промстройпроект НИИЖБ |
| Утверждён: | 18.12.1990 Госстрой СССР (Государственный комитет Совета Министров СССР по делам строительства) (USSR Gosstroy 5/6-960) |
| Издан: | АПП ЦИТП (1991 г. ) |










































