Скачать Типовой проект 704-1-154с Альбом III. Основание и фундаментыДата актуализации: 01.01.2021
|
| Обозначение: | Типовой проект 704-1-154с |
| Обозначение англ: | 704-1-154с |
| Статус: | не действует |
| Название рус.: | Альбом III. Основание и фундаменты |
| Дата добавления в базу: | 01.09.2013 |
| Дата актуализации: | 01.01.2021 |
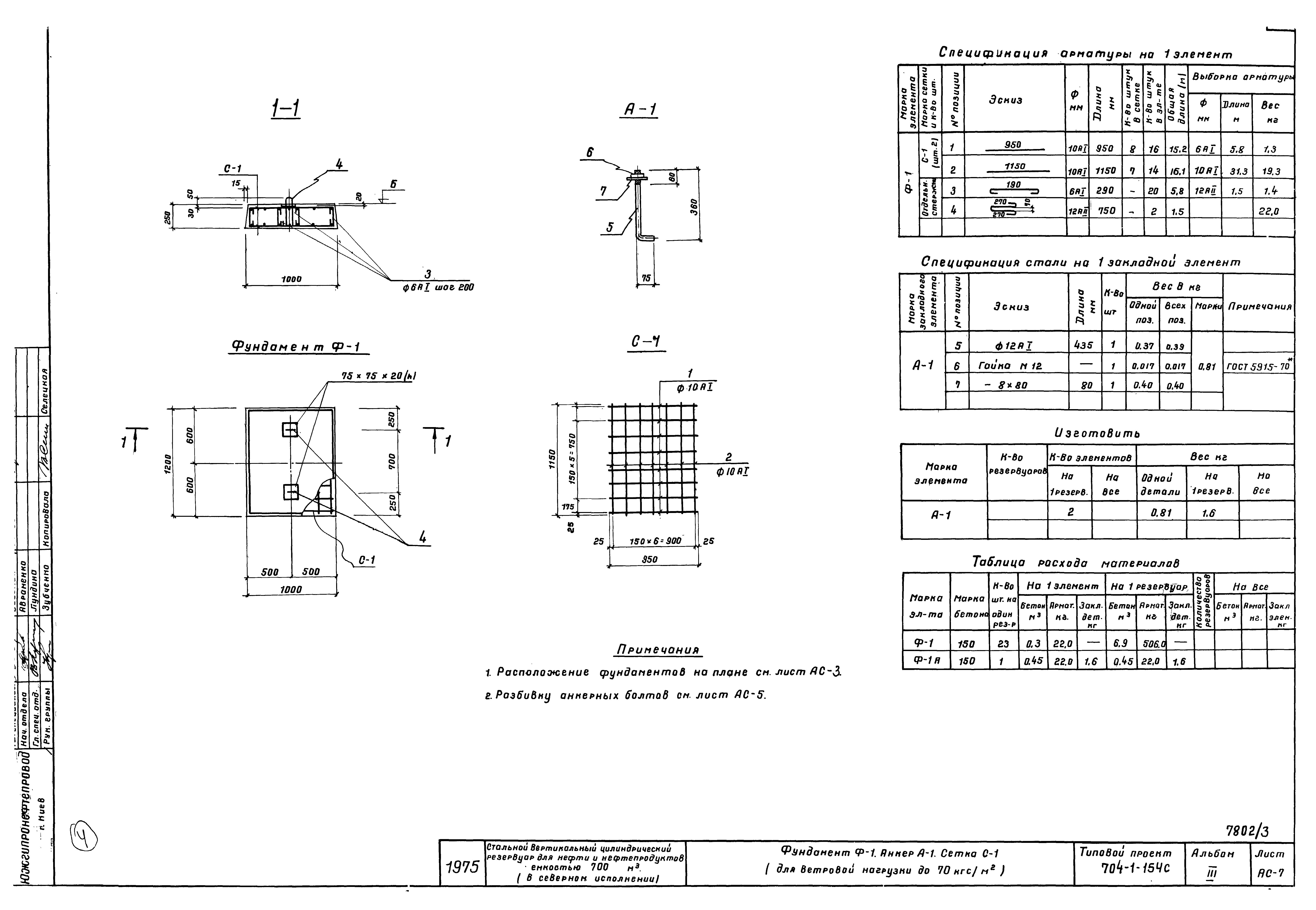
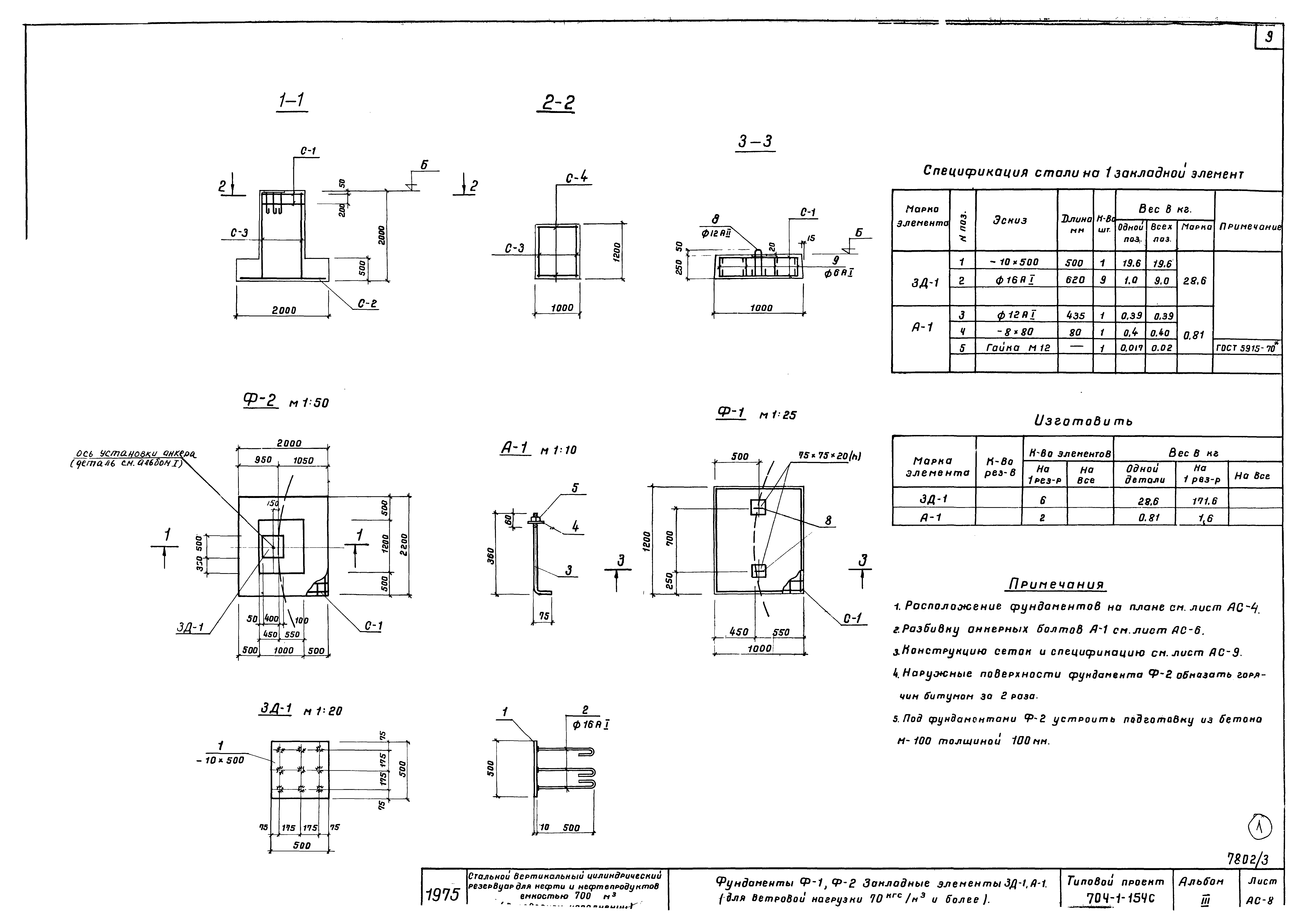
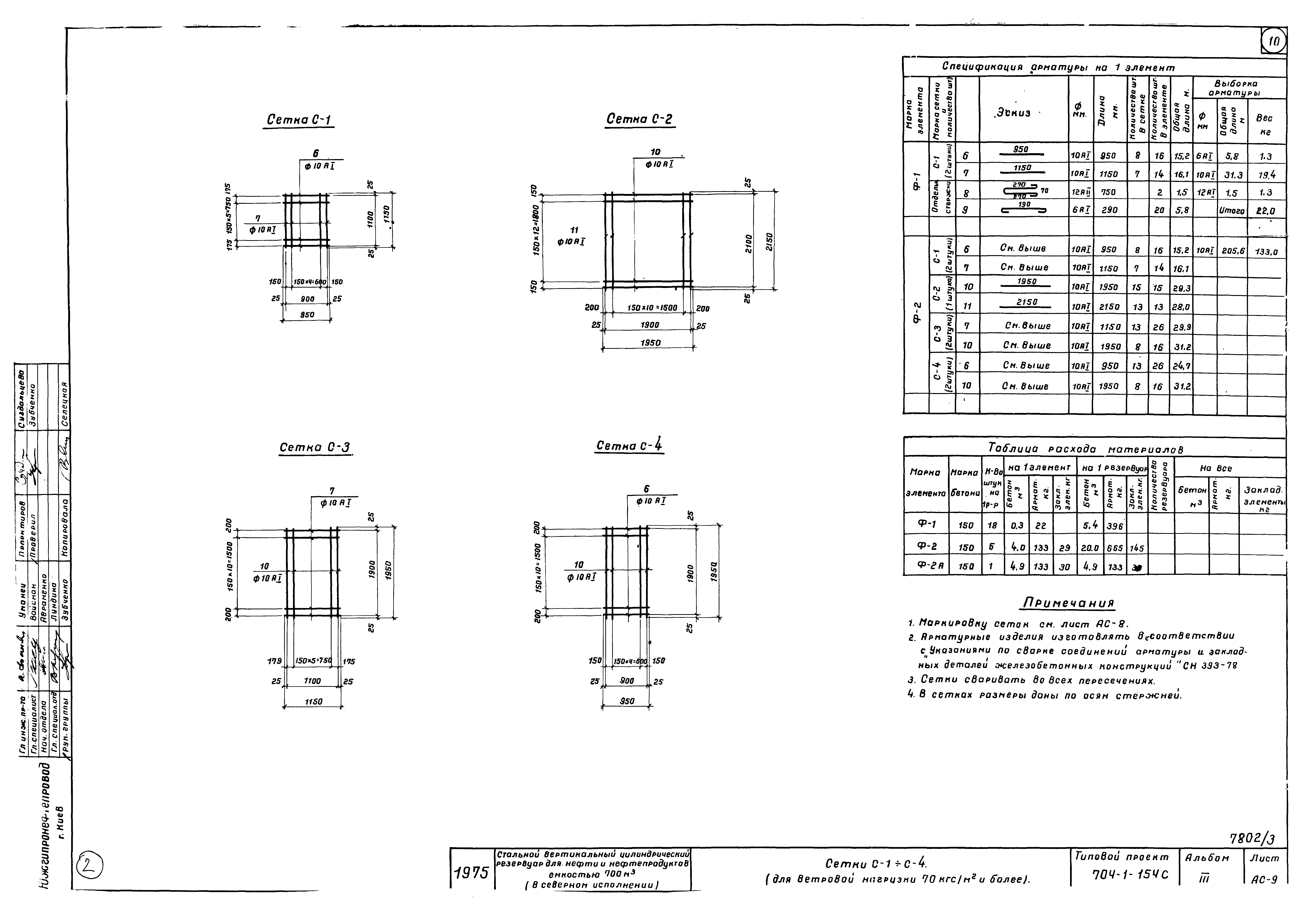
| Оглавление: | Титульный лист Содержание альбома. Пояснительная записка Общий вид основания. План фундаментов Ф-1, Ф-1А (для ветровой нагрузки 70 кгс/кв. м) Общий вид основания. План фундаментов Ф-1, Ф-2, Ф-2А (для ветровой нагрузки 70 кгс/кв. м и более) Узлы 1, 2. Сечение 1-1 (для ветровой нагрузки до 70 кгс/кв. м) Узлы 1, 2. Сечение 1-1 (для ветровой нагрузки до 70 кгс/кв. м и более) Фундамент Ф-1. Анкер А-1. Сетка С-1 (для ветровой нагрузки до 70 кгс/кв. м) Фундамент Ф-1, Ф-2. Закладные элементы ЗА-1, А-1 (для ветровой нагрузки 70 кгс/кв. м и более) Сетки С-1 - С-4 (для ветровой нагрузки 70 кгс/кв. м и более) |
| Разработан: | Южгипронефтепровод Миннефтепрома СССР |
| Утверждён: | 21.03.1977 Миннефтепром (Minnefteprom ) |









