Скачать Типовой проект 704-1-154с Альбом IV. Оборудование резервуара с понтоном для нефти и бензинаДата актуализации: 01.01.2021
|
| Обозначение: | Типовой проект 704-1-154с |
| Обозначение англ: | 704-1-154с |
| Статус: | не действует |
| Название рус.: | Альбом IV. Оборудование резервуара с понтоном для нефти и бензина |
| Дата добавления в базу: | 01.09.2013 |
| Дата актуализации: | 01.01.2021 |
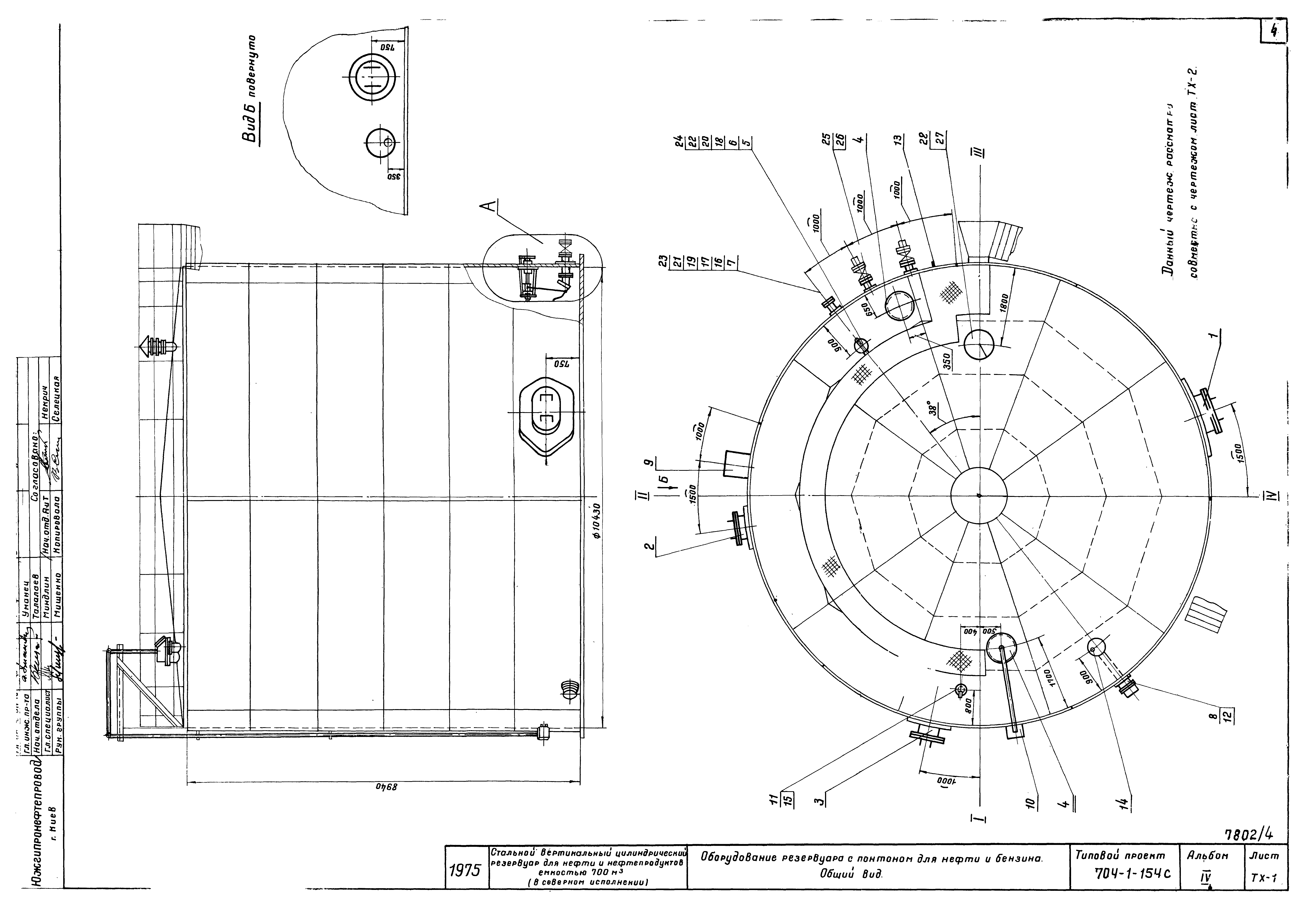
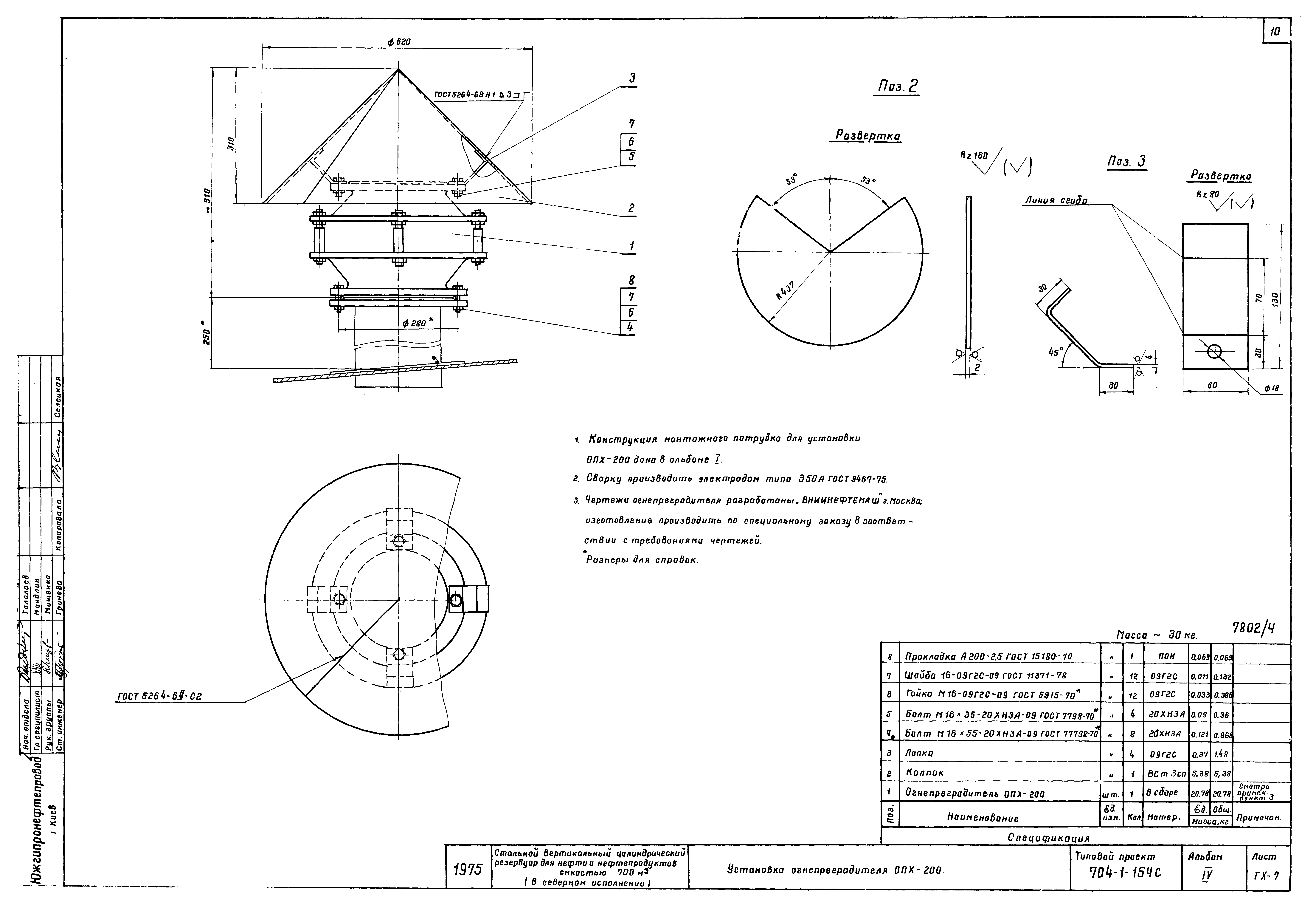
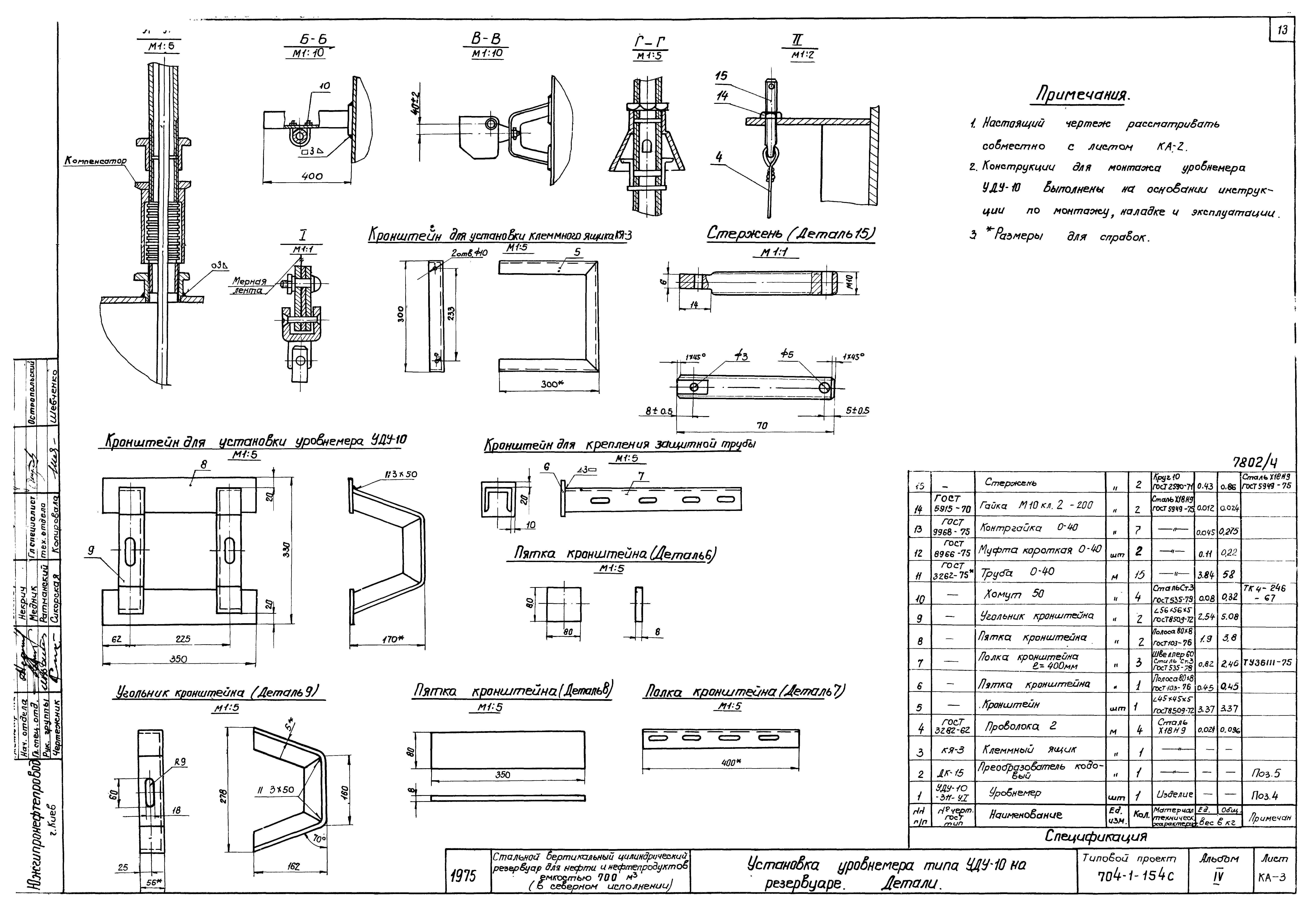
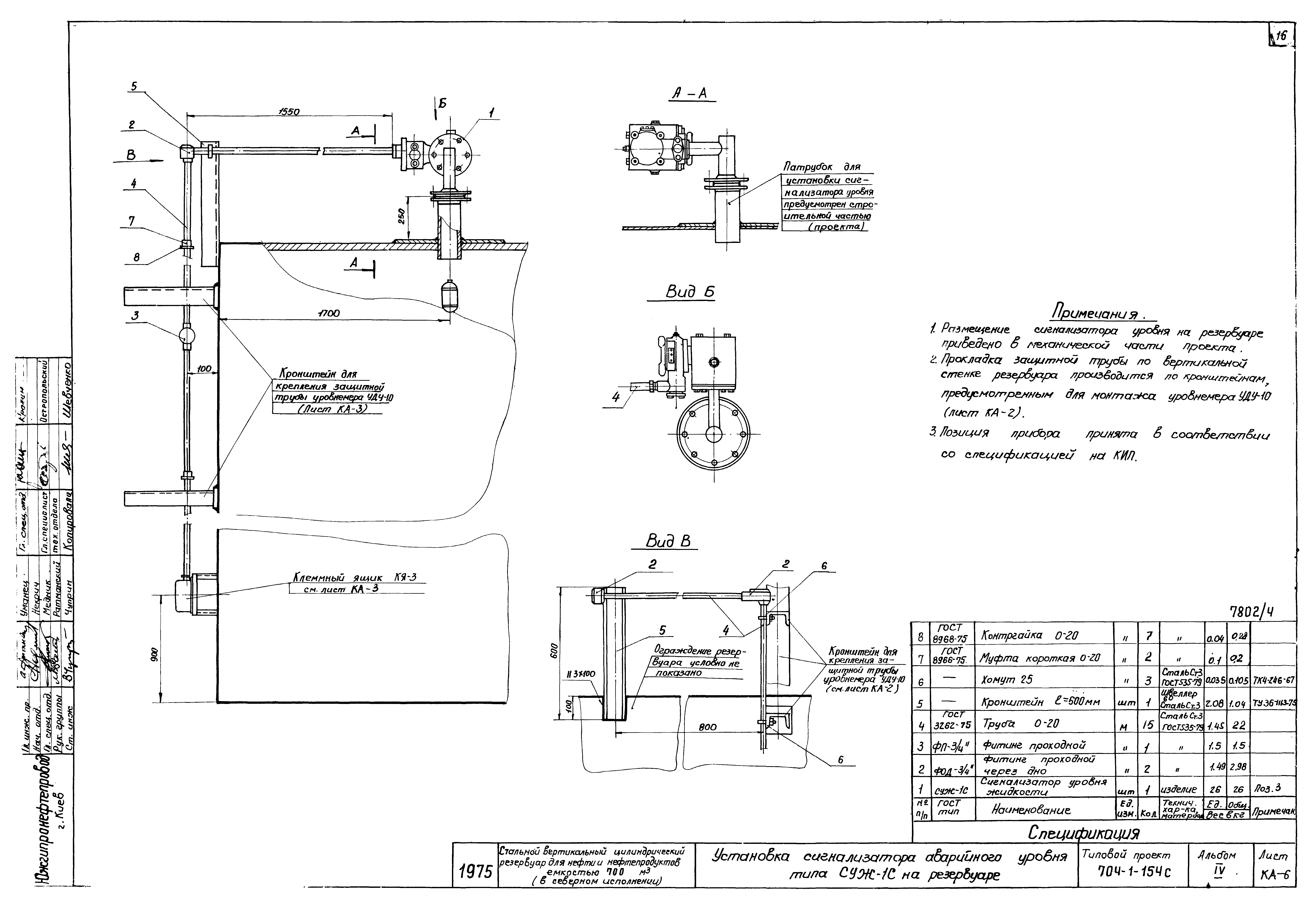
| Оглавление: | ТП 704-1-154с Обложка ТП 704-1-154с Содержание альбома. Пояснительная записка ТП 704-1-154с ТХ Технологическая часть ТП 704-1-154с ТХ-1 Оборудование резервуара с понтоном для нефти и бензина. Общий вид ТП 704-1-154с ТХ-2 Оборудование резервуара с понтоном для нефти и бензина. Общий вид ТП 704-1-154с ТХ-3 Установка приемно-раздаточного устройства Ду=150 ТП 704-1-154с ТХ-4 Установка приемно-раздаточного устройства Ду=200 ТП 704-1-154с ТХ-5 Установка приемно-раздаточного устройства Ду=250 ТП 704-1-154с ТХ-6 Установка огнепреградителя ОПХ-150 ТП 704-1-154с ТХ-7 Установка огнепреградителя ОПХ-200 ТП 704-1-154с КА КиП и автоматика ТП 704-1-154с КА-1 Функциональная схема автоматизации ТП 704-1-154с КА-2 Установка указателя уровня типа УДУ-10 ТП 704-1-154с КА-3 Установка указателя уровня типа УДУ-10. Детали ТП 704-1-154с КА-4 Установка термометра сопротивления типа ТСМ-4042 и пробоотборника ПСР-7. Лист 1 ТП 704-1-154с КА-5 Установка термометра сопротивления типа ТСМ-4042 и пробоотборника ПСР-7. Лист 2 ТП 704-1-154с КА-6 Установка сигнализатора аварийного уровня СУЖ-10 ТП 704-1-154с КА-7 Установка термометра на стене резервуара ТП 704-1-154с КА-8 Схема внешних электрических соединений. План трасс по резервуару ТП 704-1-154с ЭТ Электротехническая часть ТП 704-1-154с ЭТ-1 Молниезащита и защита от статического электричества ТП 704-1-154с АС Строительная часть. ТП 704-1-154с АС-1 Молниеотвод |
| Разработан: | Южгипронефтепровод Миннефтепрома СССР |
| Утверждён: | 21.03.1977 Миннефтепром СССР |



















