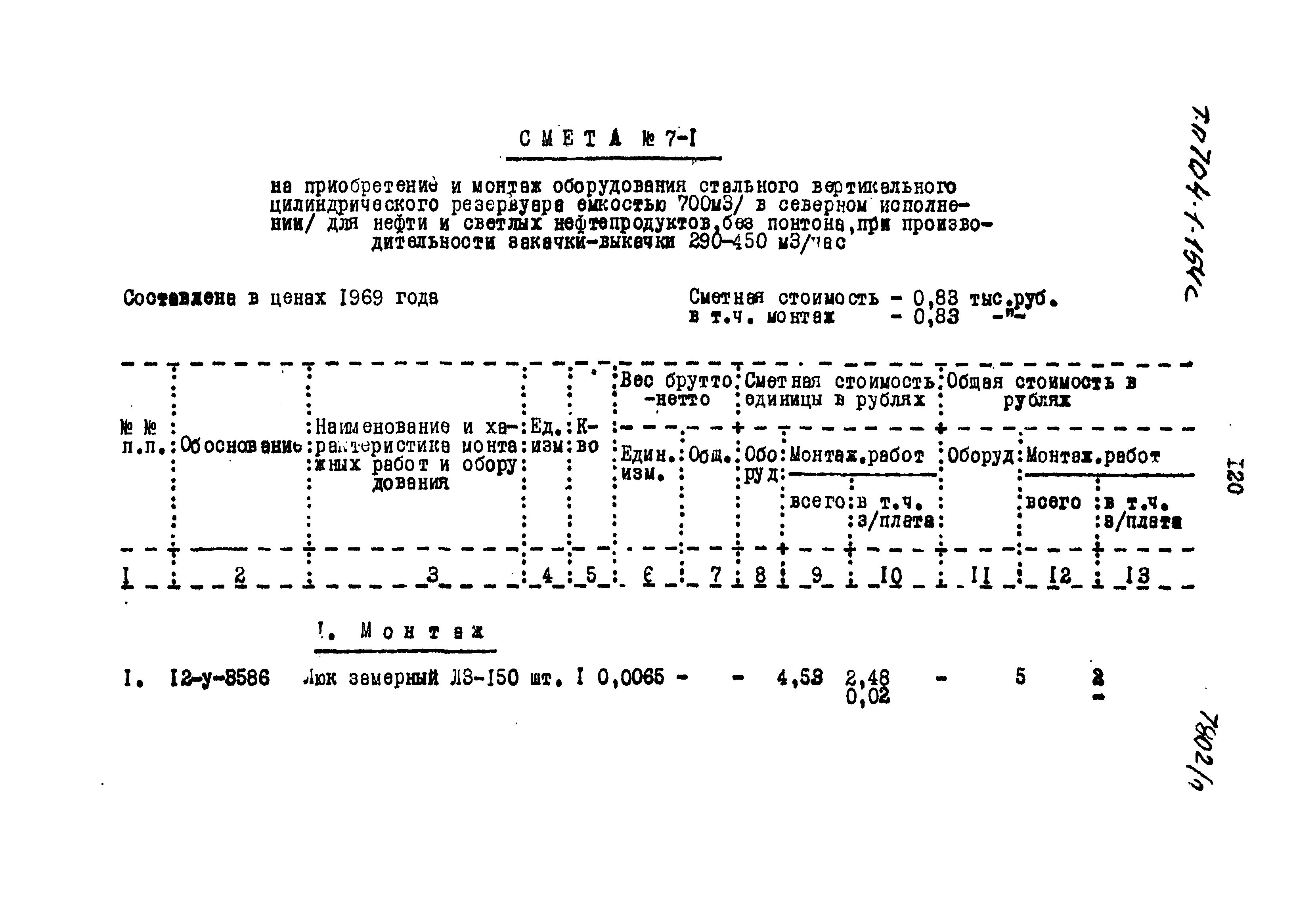
Скачать Типовой проект 704-1-154с Альбом VIII. СметыДата актуализации: 01.01.2021
|
| Обозначение: | Типовой проект 704-1-154с |
| Обозначение англ: | 704-1-154с |
| Статус: | не действует |
| Название рус.: | Альбом VIII. Сметы |
| Дата добавления в базу: | 01.09.2013 |
| Дата актуализации: | 01.01.2021 |
| Разработан: | Южгипронефтепровод Миннефтепрома СССР |
| Утверждён: | 21.03.1977 Миннефтепром (Minnefteprom ) |




























































































































































































































