Скачать Типовой проект 13362тм Альбом 1. Пояснительная запискаДата актуализации: 01.01.2021
|
| Обозначение: | Типовой проект 13362тм |
| Обозначение англ: | 13362тм |
| Статус: | не определен законодательством |
| Название рус.: | Альбом 1. Пояснительная записка |
| Дата добавления в базу: | 01.09.2013 |
| Дата актуализации: | 01.01.2021 |
| Дата введения: | 20.04.1993 |
| Дата окончания срока действия: | 30.06.2003 |
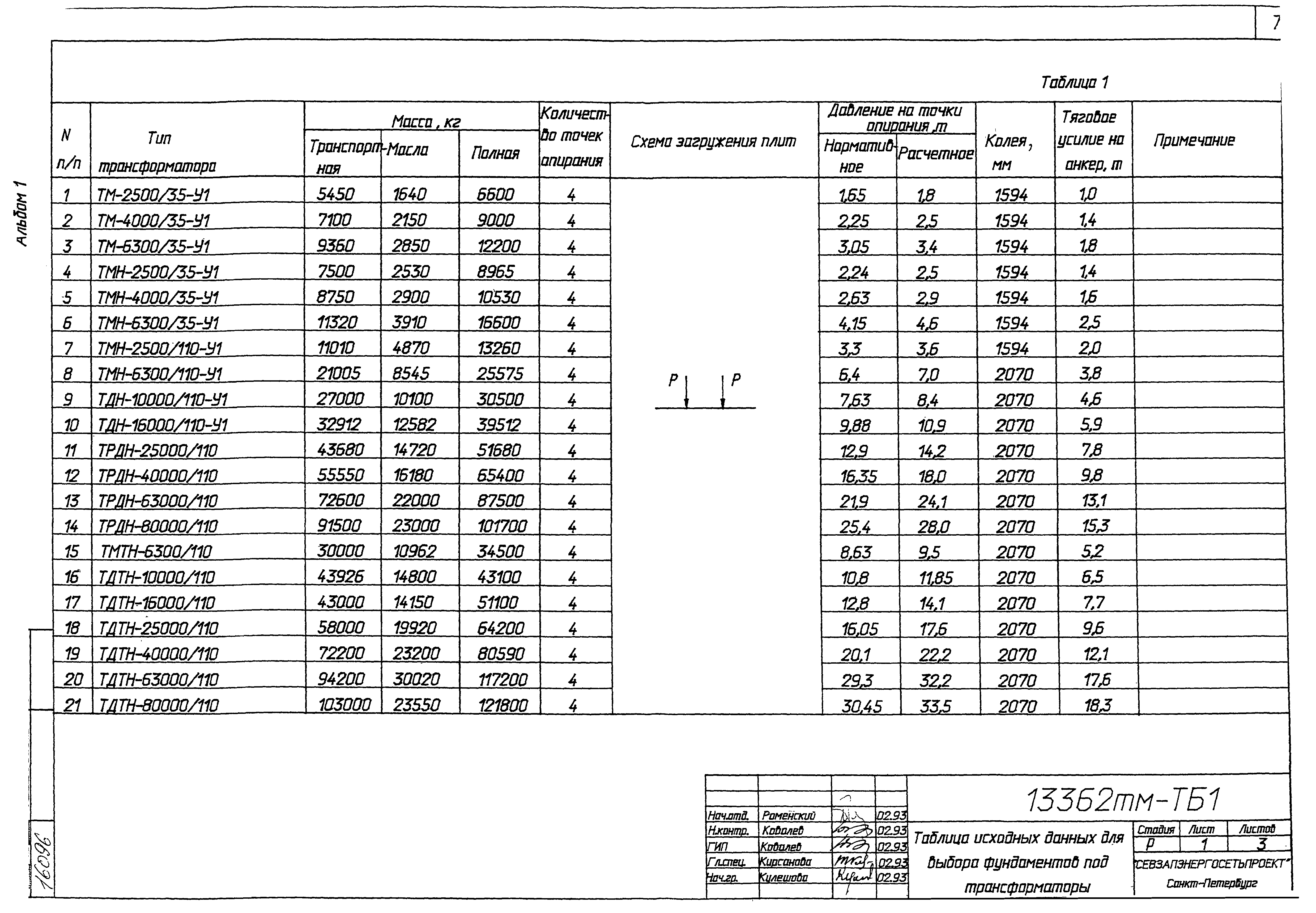
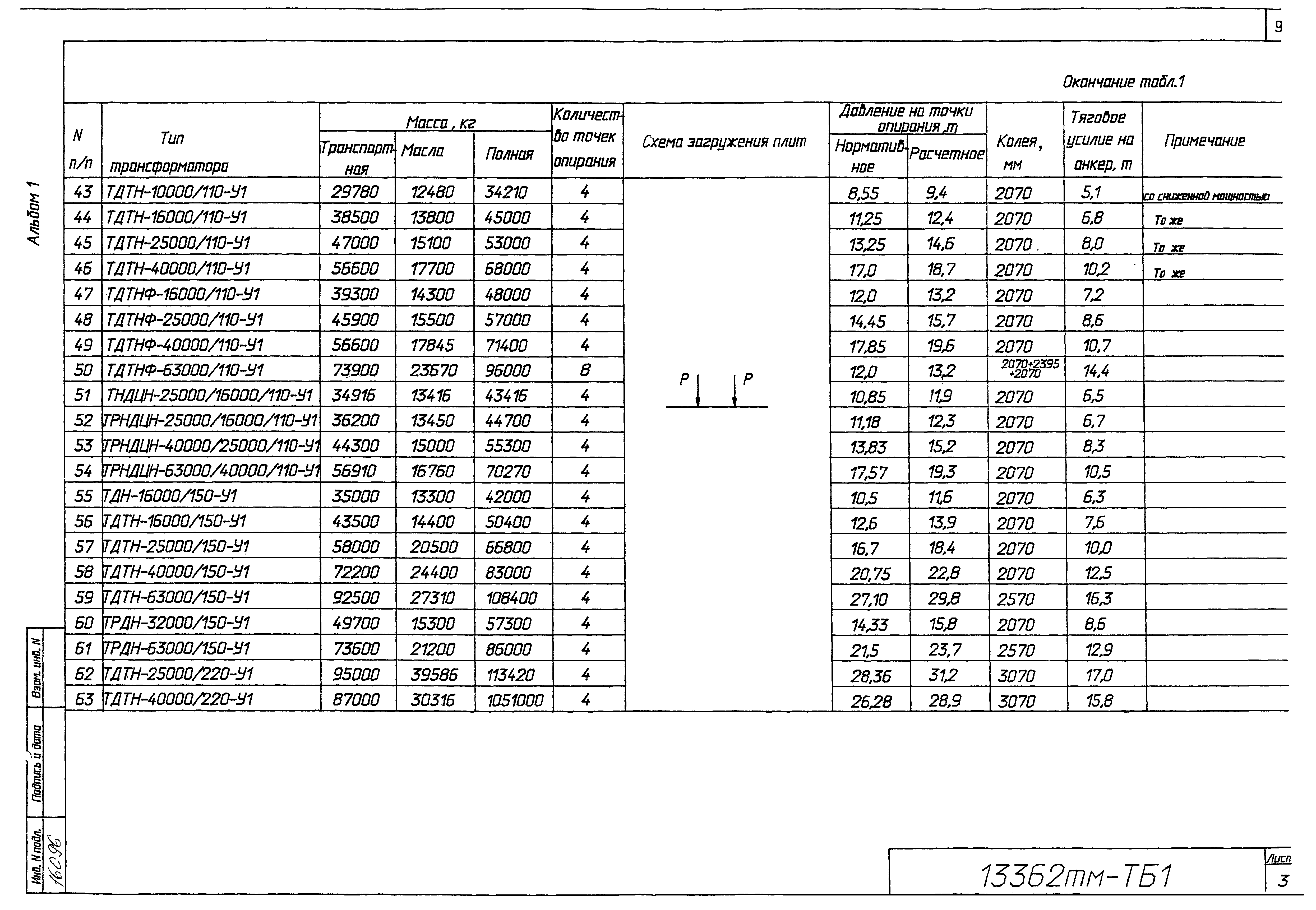
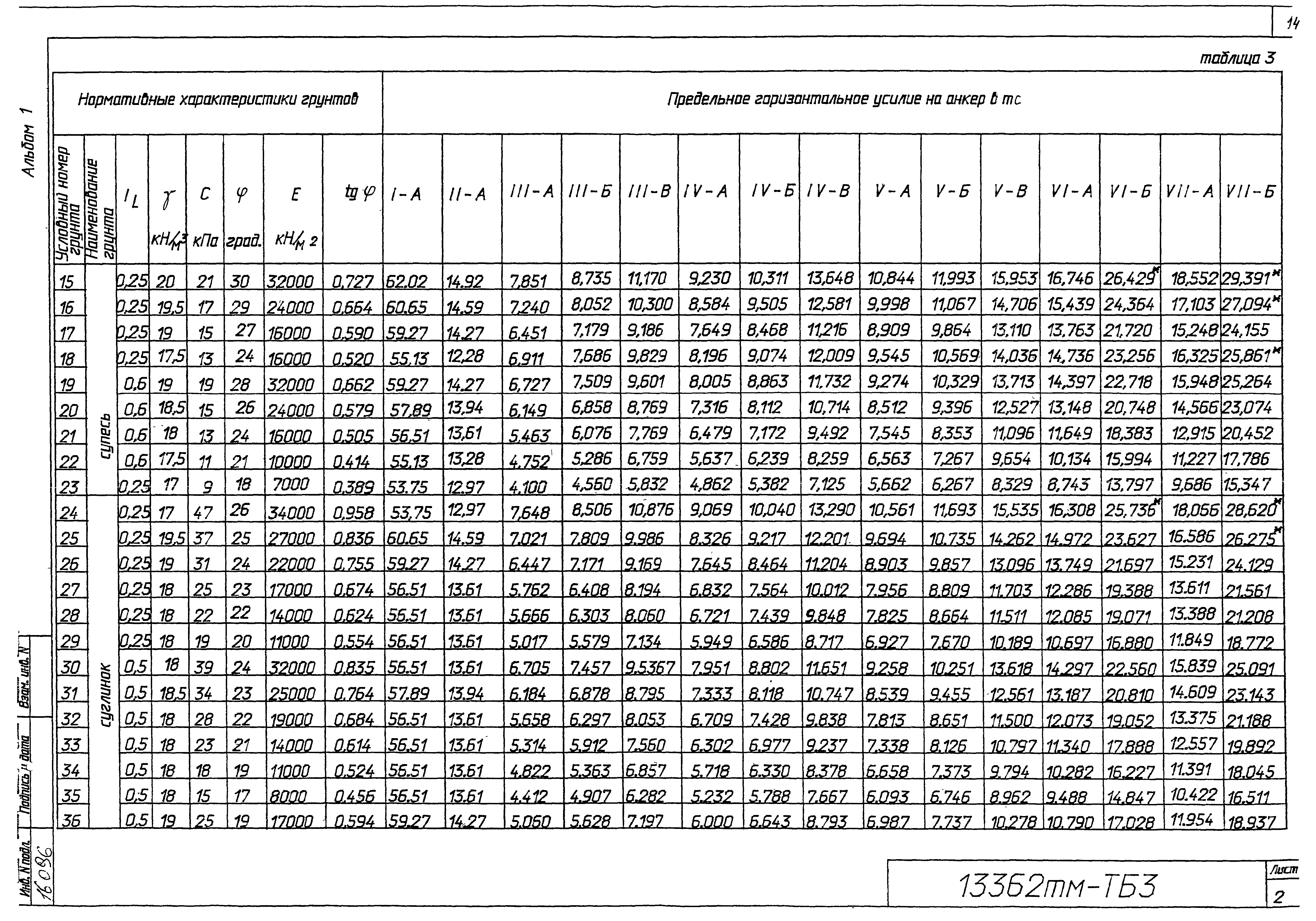
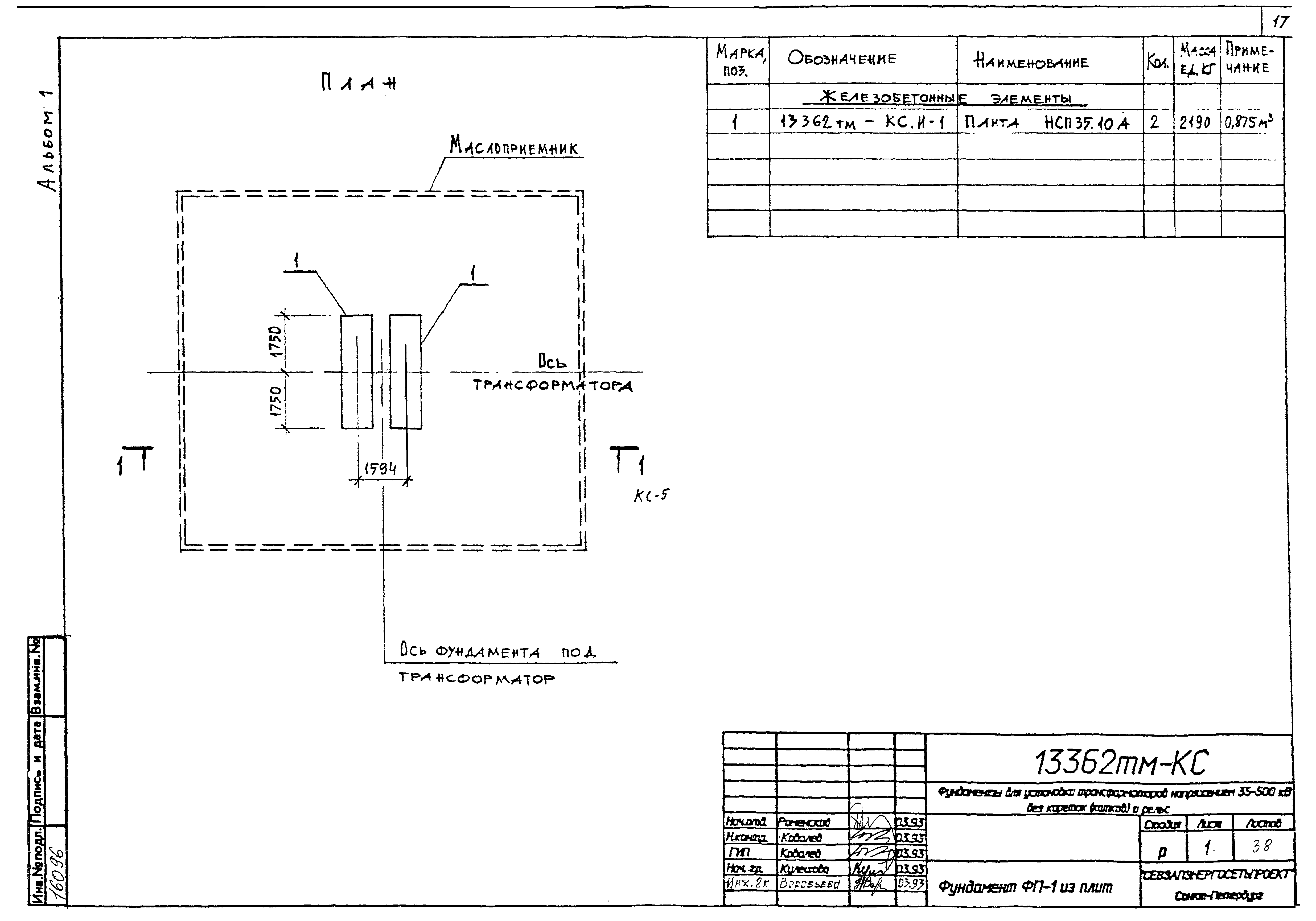
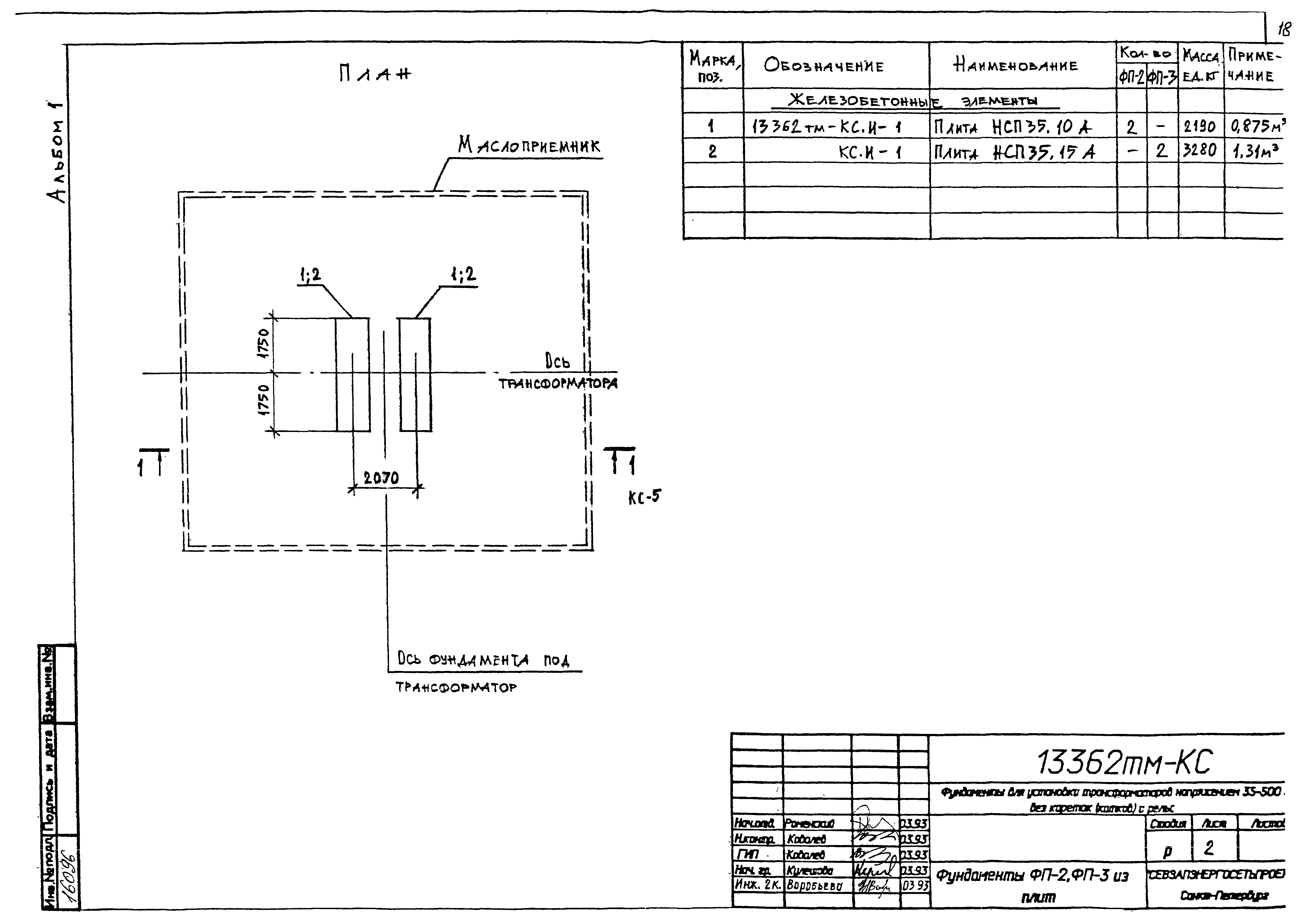
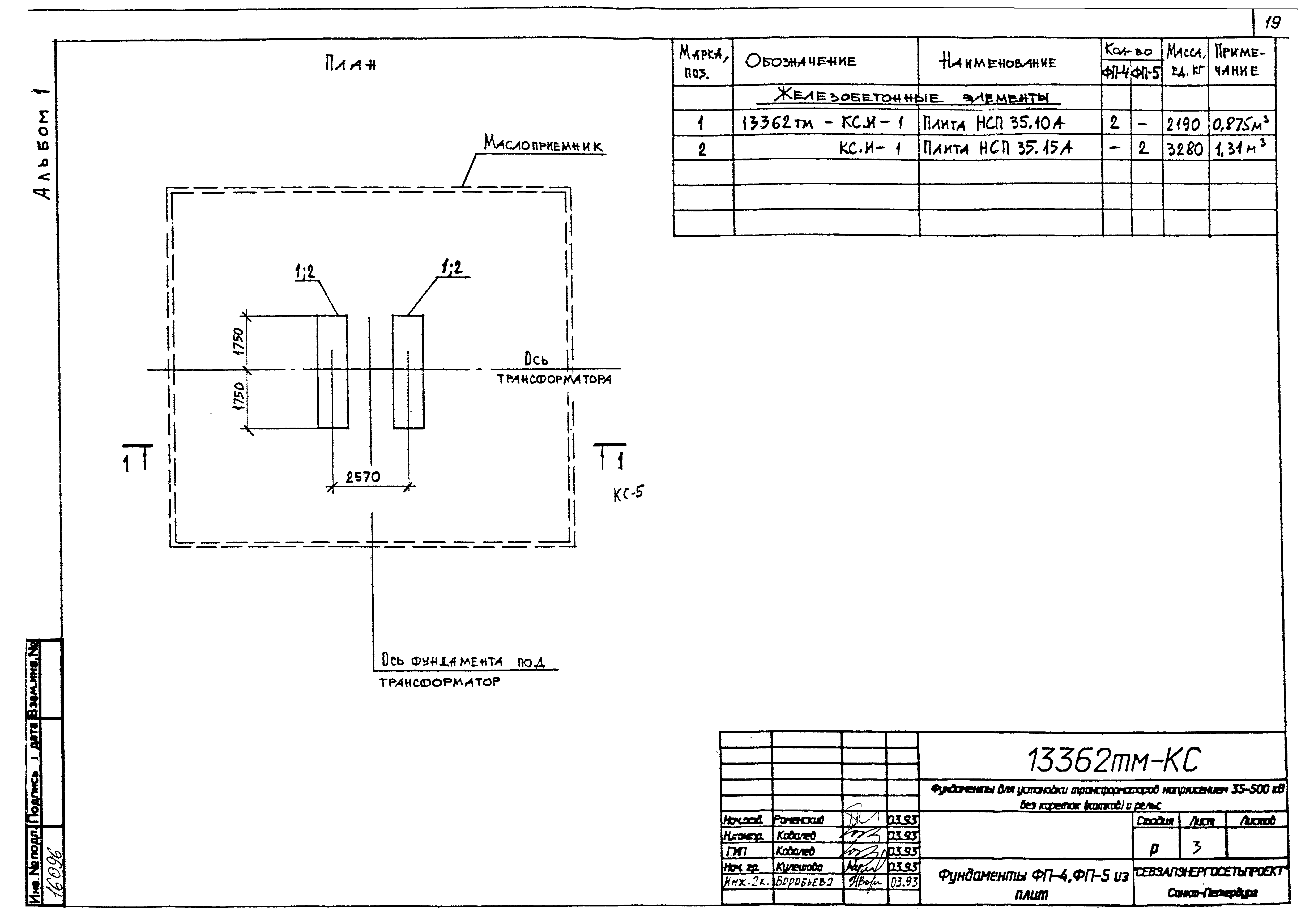
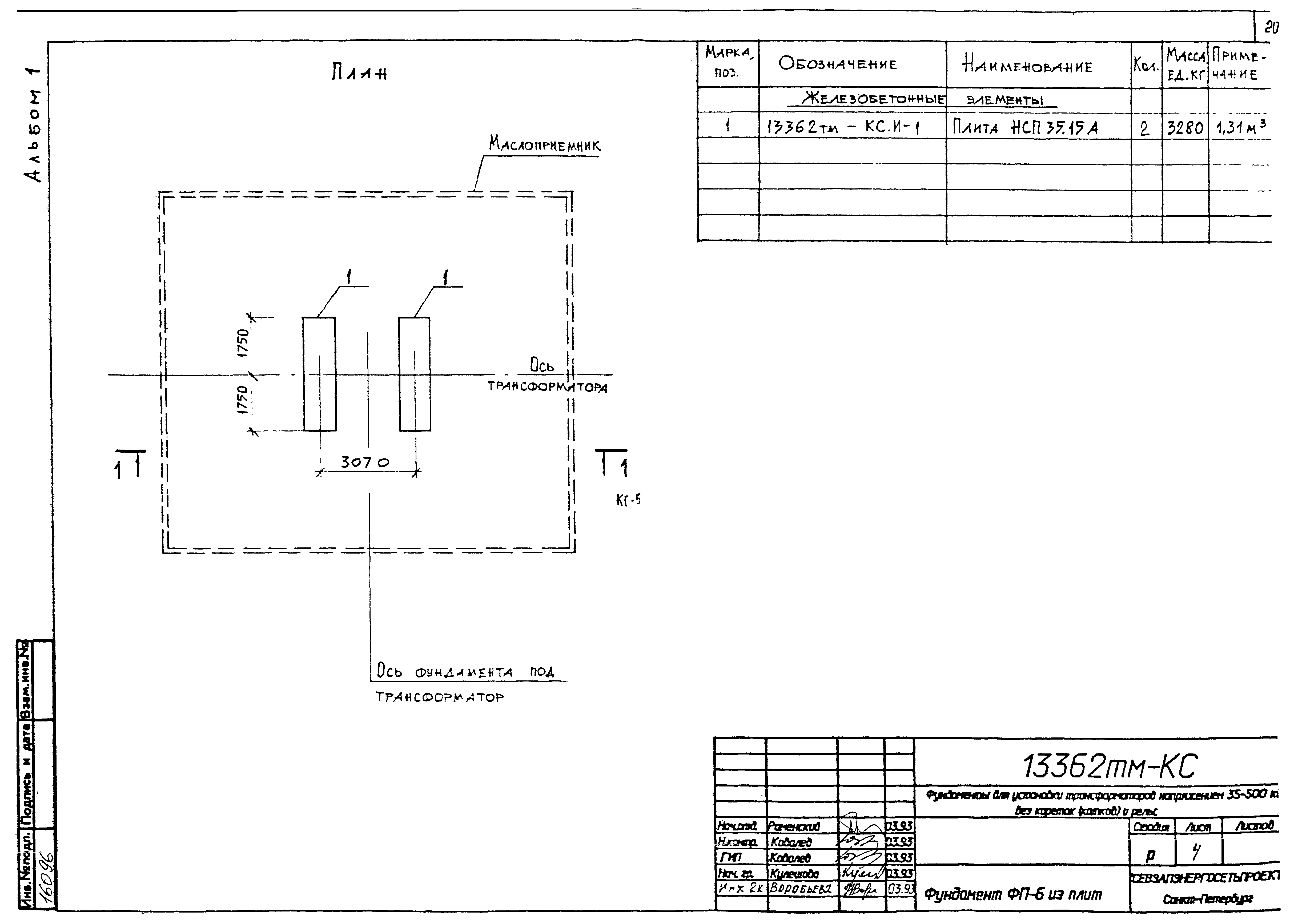
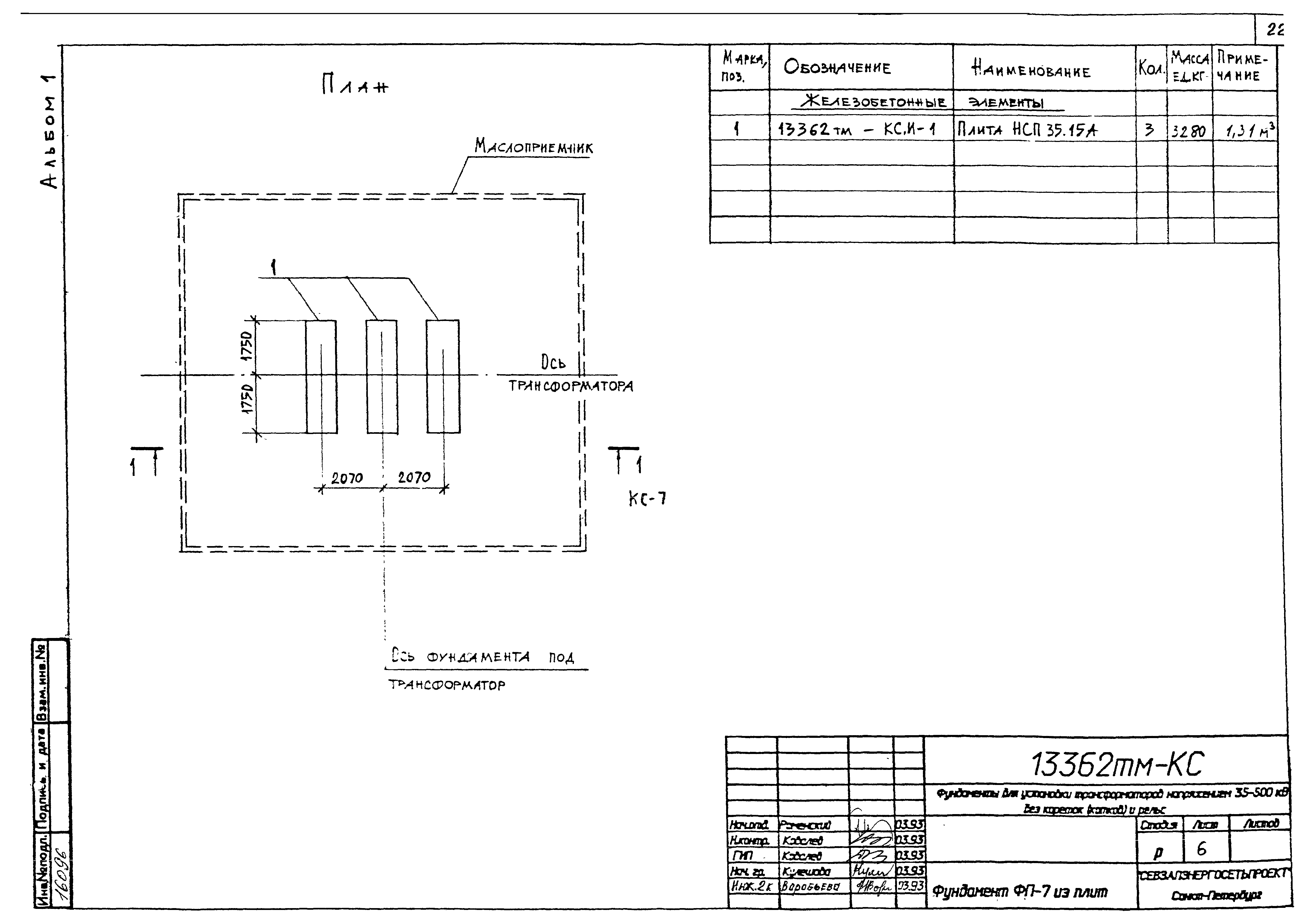
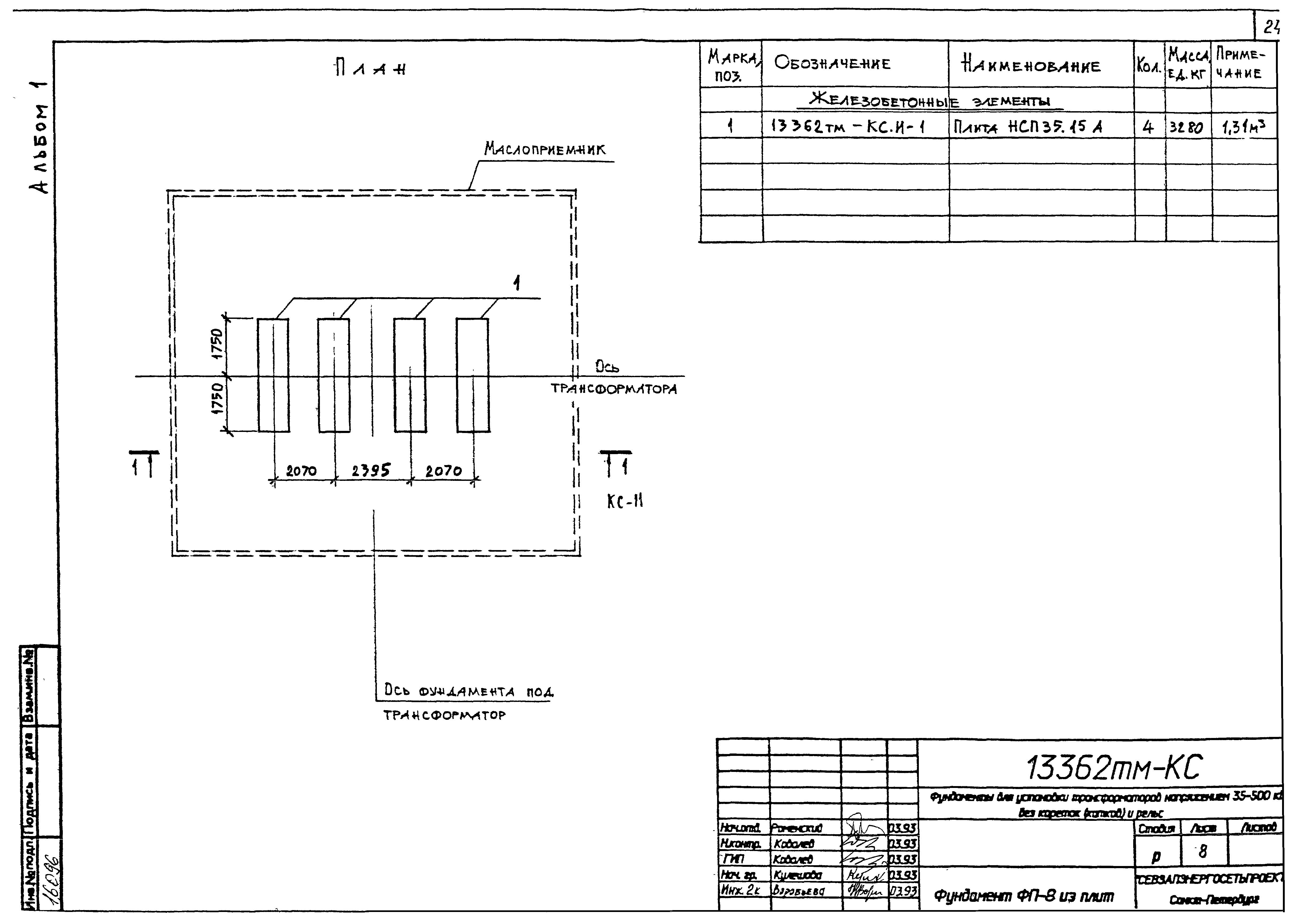
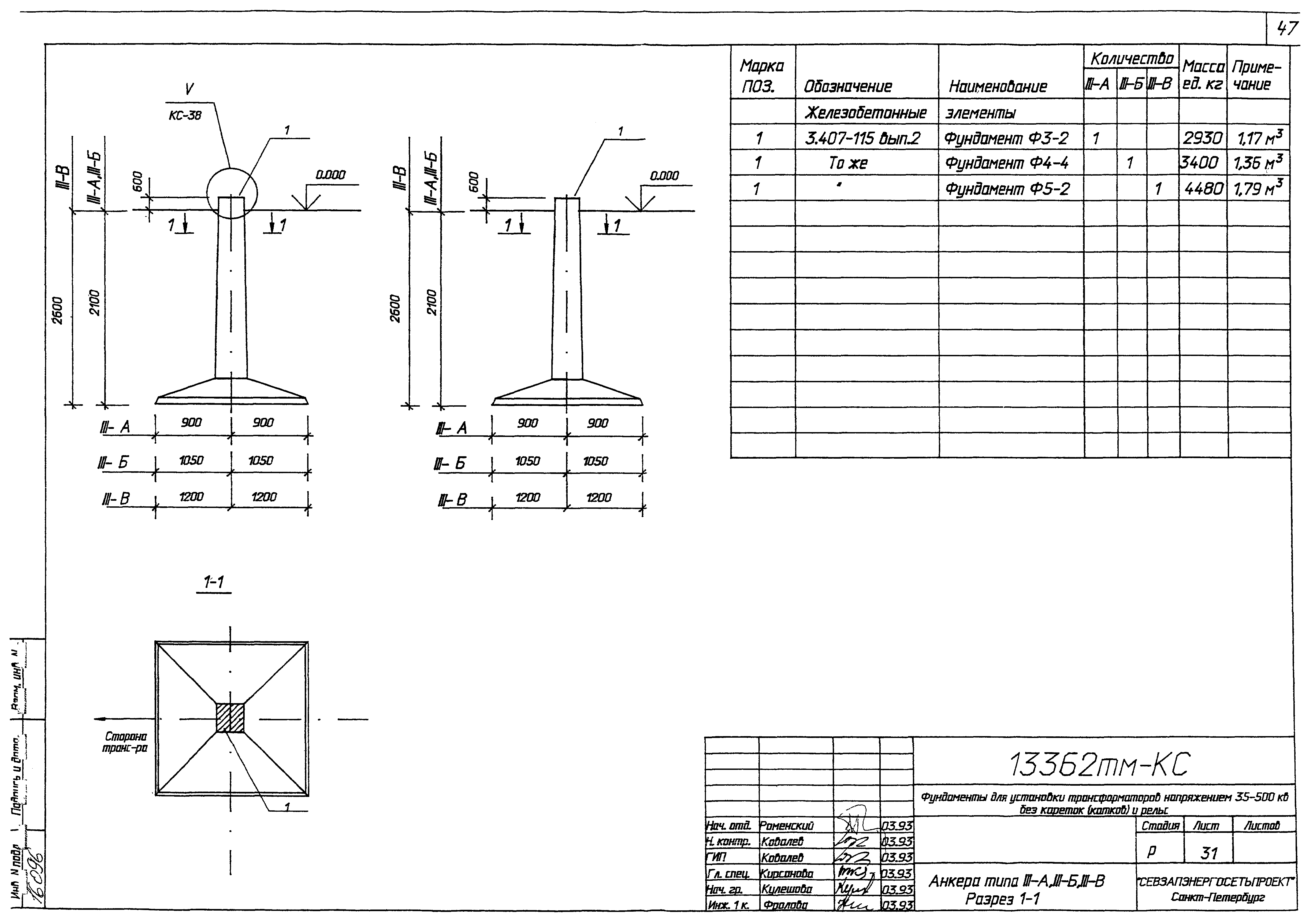
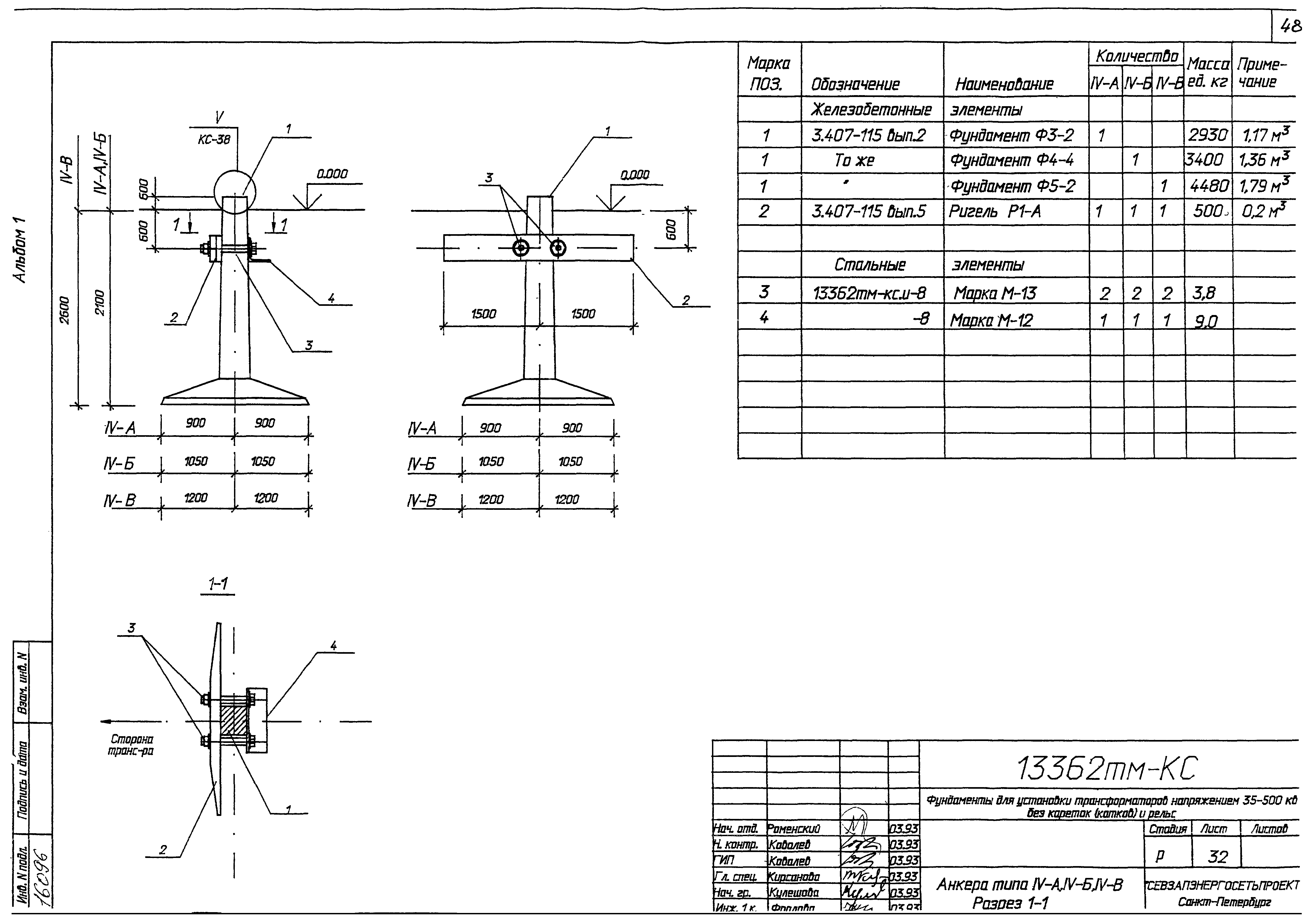
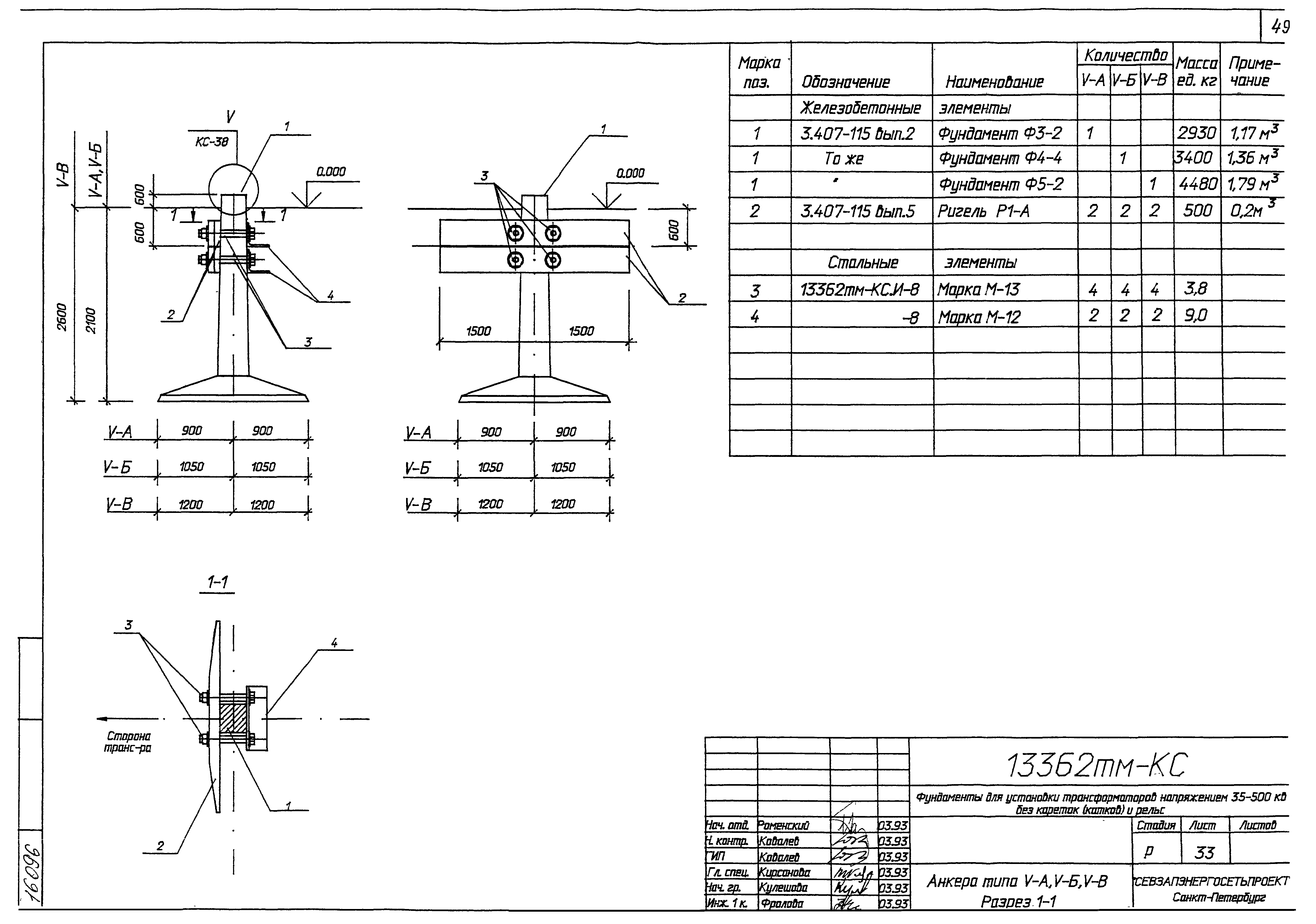
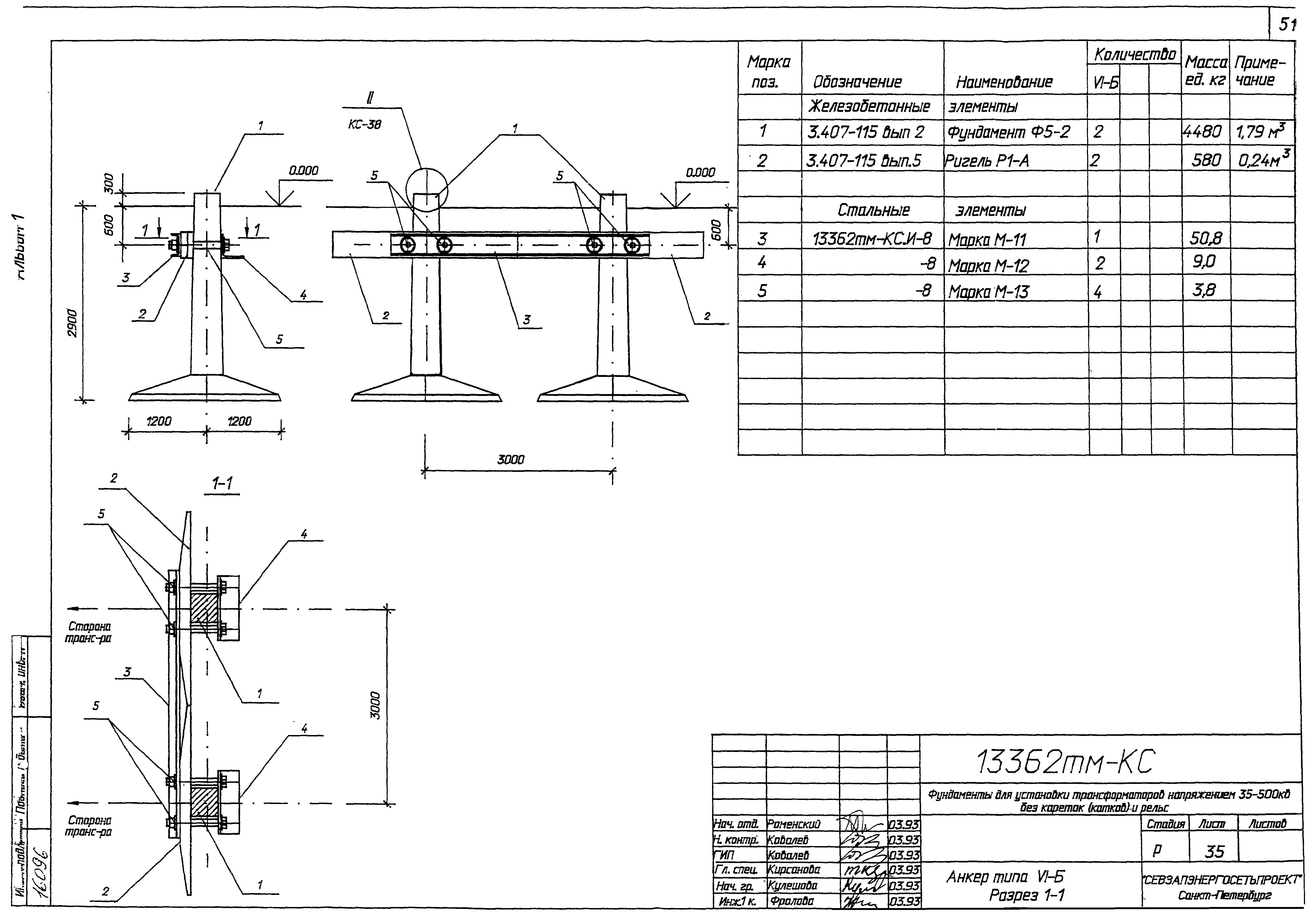
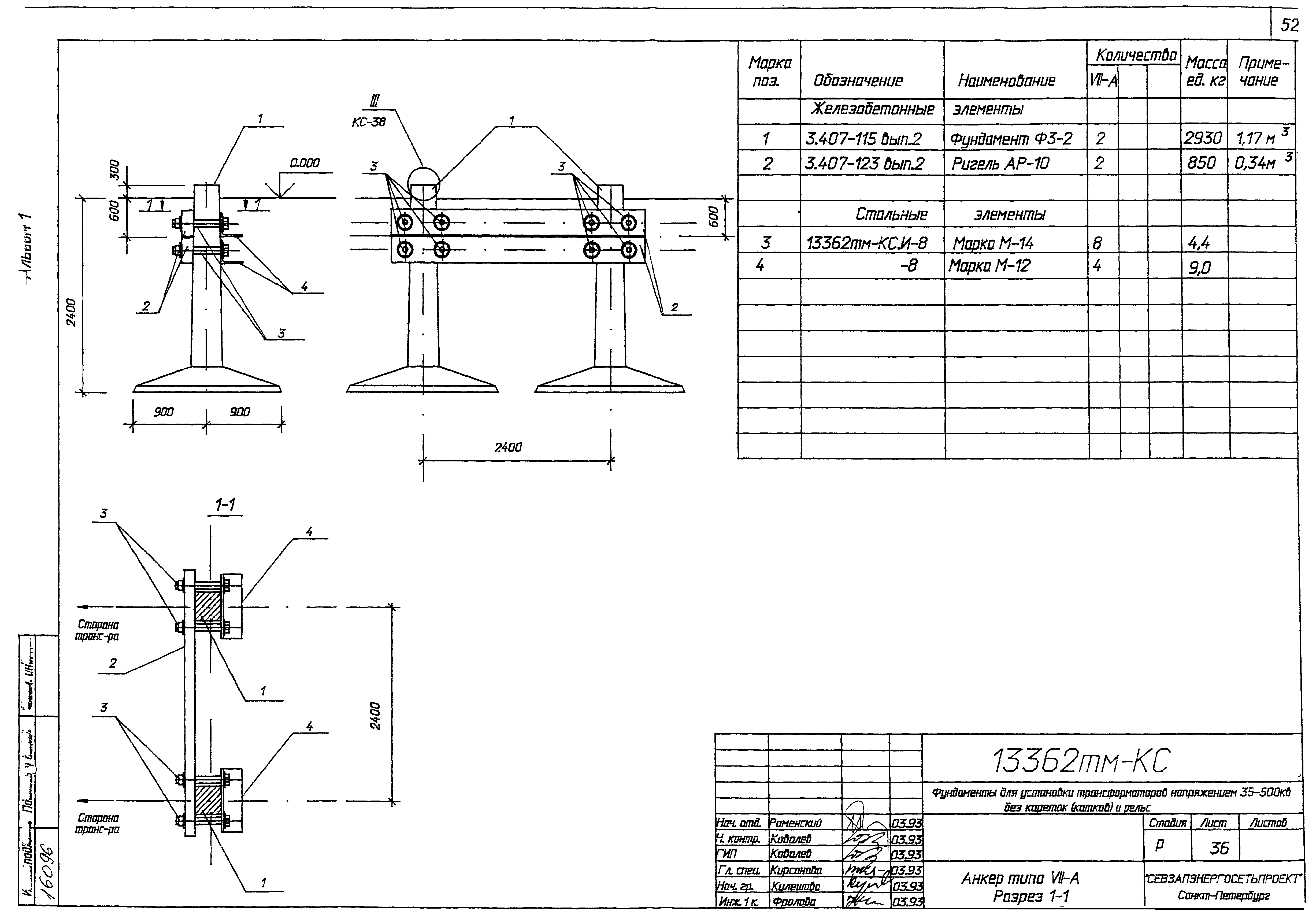
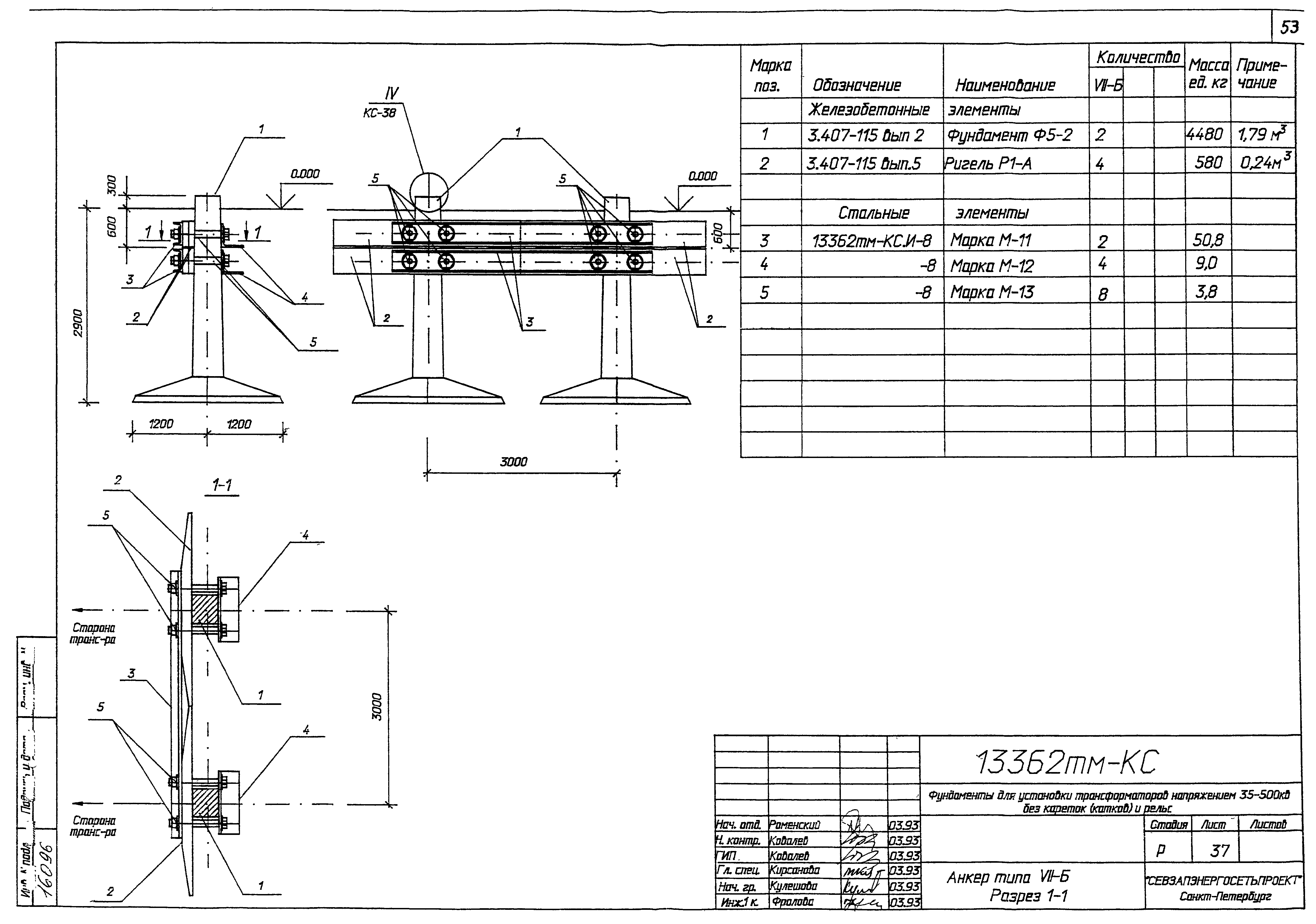
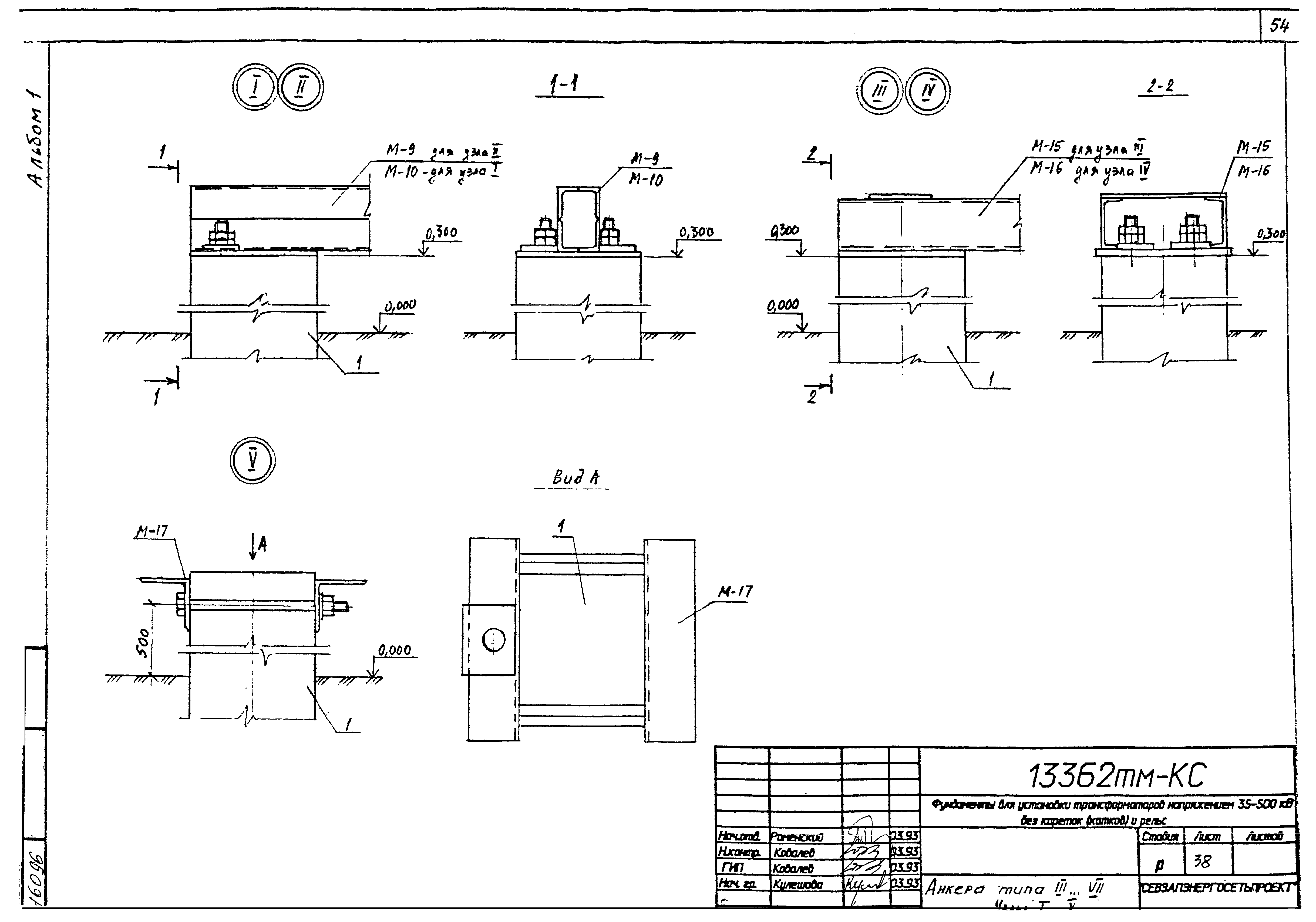
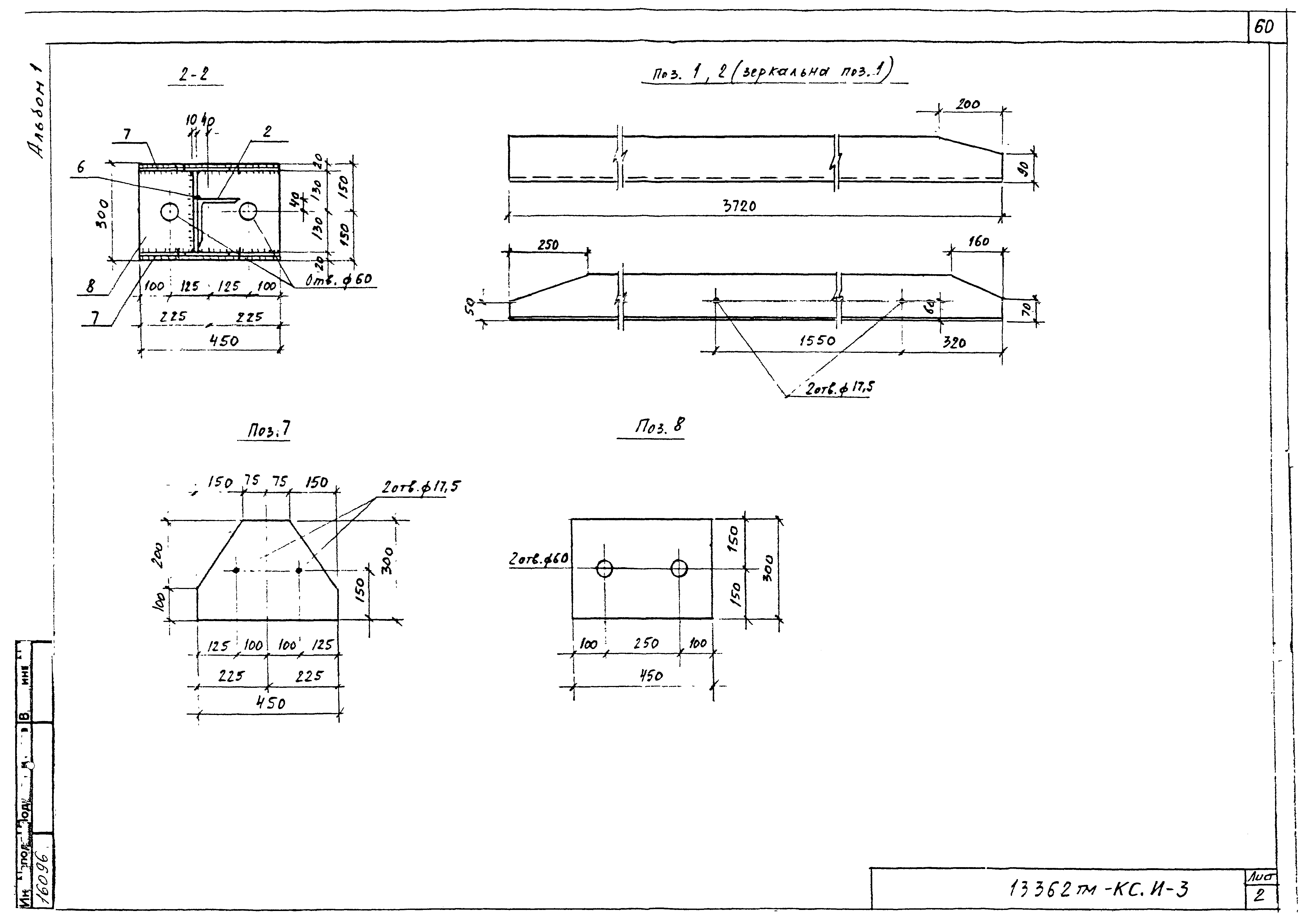
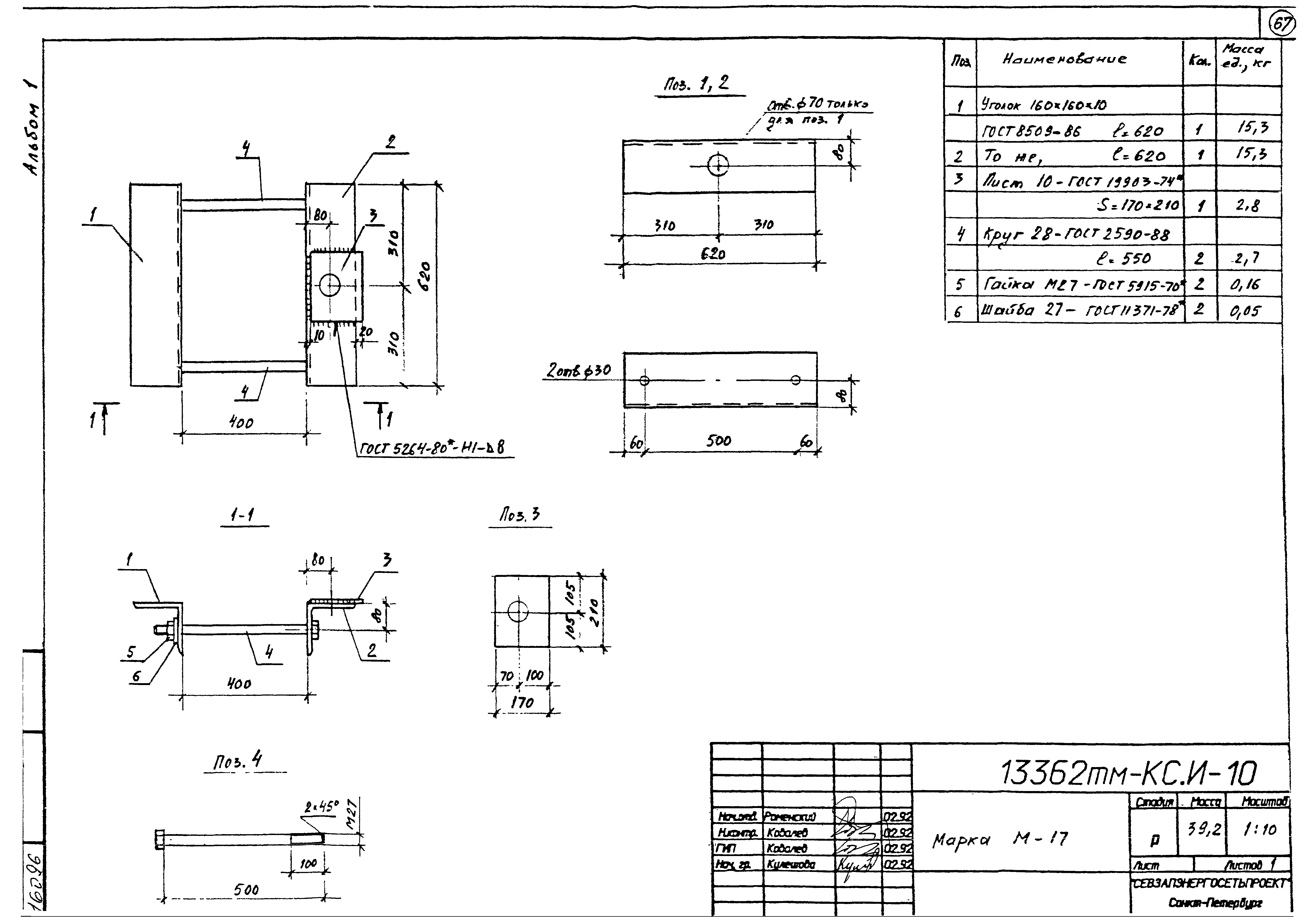
| Оглавление: | 13362тм-СА Содержание альбома 13362тм-ПЗ Пояснительная записка 13362тм-ТБ1 Таблица исходных данных для выбора фундаментов под трансформаторы 13362тм-ТБ2 Таблица для выбора фундаментов под трансформаторы 13362тм-ТБ3 Таблица для выбора анкеров из плит и подножников 13362тм-ТБ4 Таблица расчетных нагрузок на плиты НСП35.10А и НСП35.15А 13362тм-КС Конструкции фундаментов под трансформаторы и анкера 13362тм-КС Фундамент ФП-1 из плит 13362тм-КС Фундаменты ФП-2,ФП-3 из плит 13362тм-КС Фундаменты ФП-4,ФП-5 из плит 13362тм-КС Фундамент ФП-6 из плит 13362тм-КС Фундаменты ФП-1-ФП-6. Разрез 1-1 13362тм-КС Фундамент ФП-7 из плит 13362тм-КС Фундамент ФП-7 из плит. Разрез 1-1 13362тм-КС Фундамент ФП-8 из плит 13362тм-КС Фундамент ФП-9 из плит 13362тм-КС Фундамент ФП-10 из плит 13362тм-КС Фундаменты ФП-8-ФП-10. Разрез 1-1 13362тм-КС Фундамент ФП-11 из плит 13362тм-КС Фундамент ФП-11. Разрез 1-1 13362тм-КС Фундаменты ФГ-1,ФГ-1А,ФГ-2,ФГ-2А из подножников 13362тм-КС Фундаменты ФГ-3,ФГ-4 из подножников 13362тм-КС Фундаменты ФГ-5,ФГ-6 из подножников 13362тм-КС Фундаменты ФГ-7,ФГ-8 из подножников 13362тм-КС Фундаменты ФГ-1…ФГ-8. Фундаменты ФГ-1А,ФГ-2А. Разрез 1-1 13362тм-КС Фундаменты ФГ-9,ФГ-10 из подножников 13362тм-КС Фундаменты ФГ-9,ФГ-10. Разрез 1-1 13362тм-КС Фундаменты ФГ-11,ФГ-12 из подножников 13362тм-КС Фундаменты ФГ-13,ФГ-14 из подножников 13362тм-КС Фундаменты ФГ-15,ФГ-16 из подножников 13362тм-КС Фундаменты ФГ-11...ФГ-16. Разрез 1-1 13362тм-КС Фундаменты ФГ-17,ФГ-18 из подножников 13362тм-КС Фундаменты ФГ-17,ФГ-18. Разрез 1-1 13362тм-КС Фундаменты ФГ-1…ФГ-18,ФГ-1А,ФГ-2А. Узлы l,ll 13362тм-КС Анкерное устройство тип l-А 13362тм-КС Анкерное устройство тип l-А. Узлы А,Б 13362тм-КС Анкерное устройство тип ll-А 13362тм-КС Анкера типа lll-А,lll-Б,lll-В. Разрез 1-1 13362тм-КС Анкера типа lV-А,lV-Б,lV-В. Разрез 1-1 13362тм-КС Анкера типа V-А,V-Б,V-В. Разрез 1-1 13362тм-КС Анкера типа VI-А. Разрез 1-1 13362тм-КС Анкера типа VI-Б. Разрез 1-1 13362тм-КС Анкера типа VIl-А. Разрез 1-1 13362тм-КС Анкера типа VIl-Б. Разрез 1-1 13362тм-КС Анкера типа III...Vil. Узлы l...V 13362тм-КС Пример установки трансформатора 13362тм-КС.И Строительные изделия 13362тм-КС.И Плиты НСП35.10А,НСП35.15А 13362тм-КС.И Балка Б-1 13362тм-КС.И Марка М-1 13362тм-КС.И Марки М-2…М-5 13362тм-КС.И Марки М-6, М-8 13362тм-КС.И Деталь закладная МН-1 13362тм-КС.И Марка М-7 13362тм-КС.И Марки М-9…М-14 13362тм-КС.И Марки М-15,М-16 13362тм-КС.И Марка М-17 |
| Разработан: | Севзапэнергосетьпроект |
| Утверждён: | 20.04.1993 Севзапэнергосетьпроект (29-003/7) |
| Издан: | Севзапэнергосетьпроект (1993 г. ) |



































































