Скачать Типовой проект 13517тм Альбом 2. Фундаменты под сейсмостойкие трансформаторы 110 кВДата актуализации: 01.01.2021
|
| Обозначение: | Типовой проект 13517тм |
| Обозначение англ: | 13517тм |
| Статус: | не определен законодательством |
| Название рус.: | Альбом 2. Фундаменты под сейсмостойкие трансформаторы 110 кВ |
| Дата добавления в базу: | 01.09.2013 |
| Дата актуализации: | 01.01.2021 |
| Дата введения: | 18.05.1993 |
| Дата окончания срока действия: | 30.06.2003 |
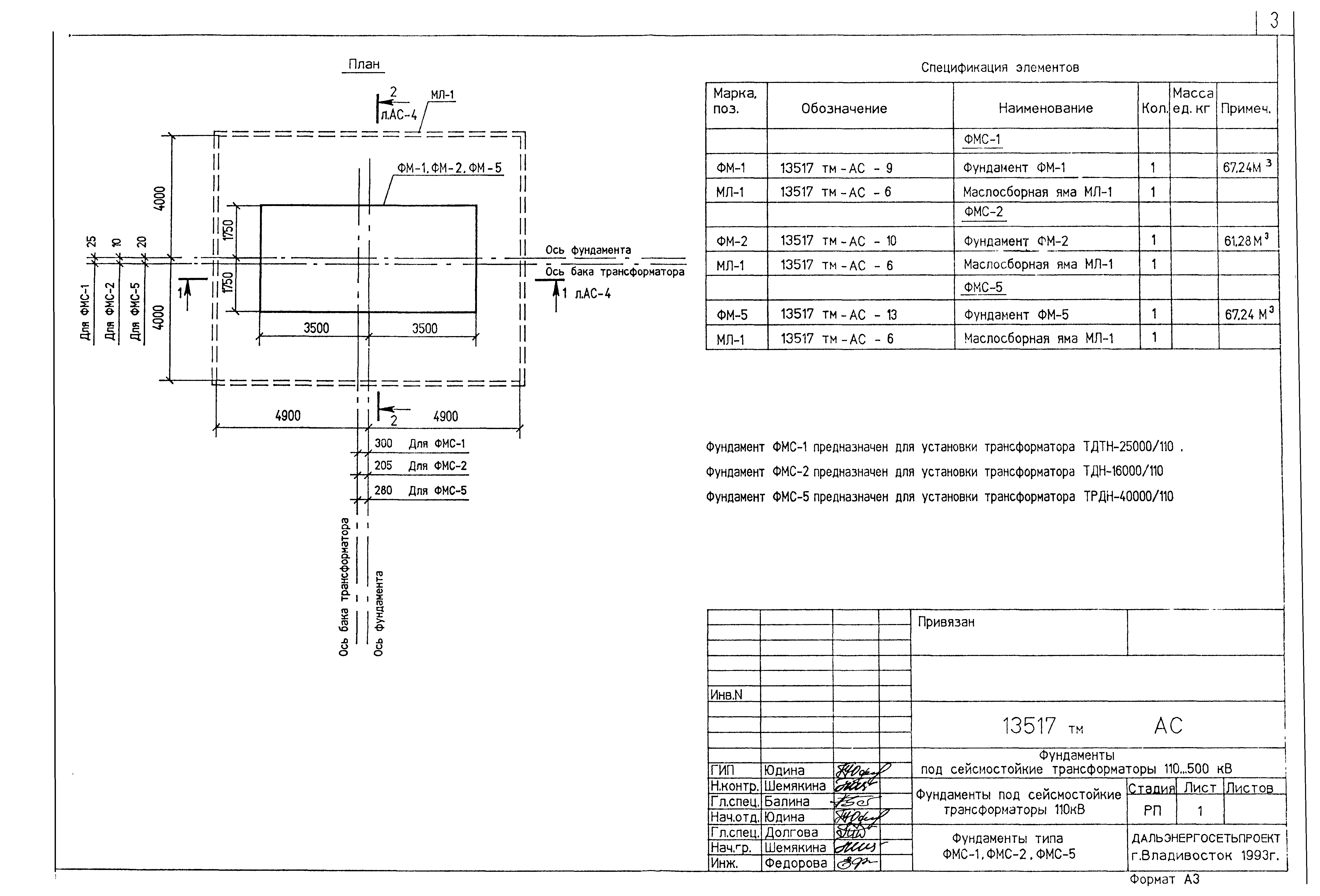
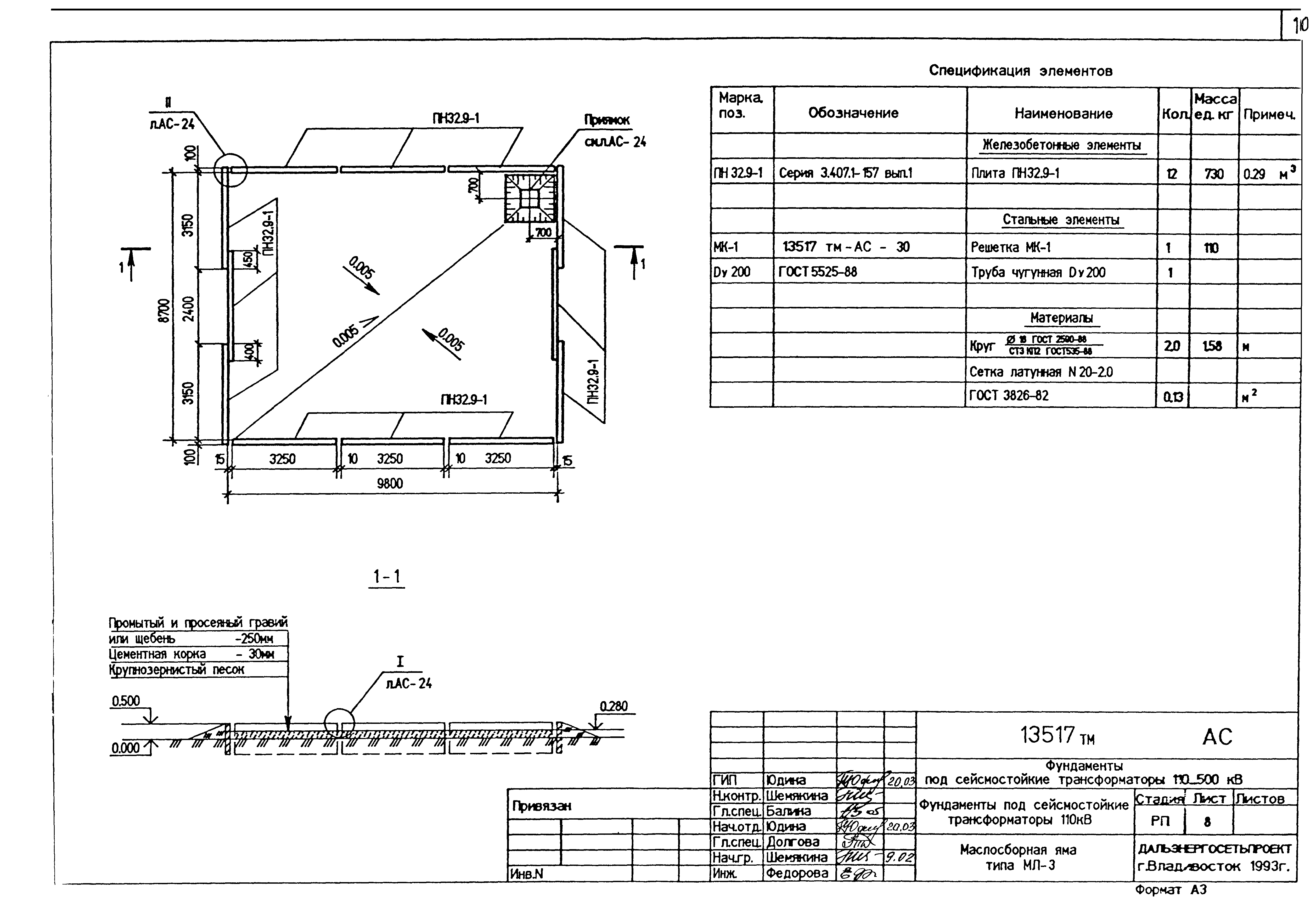
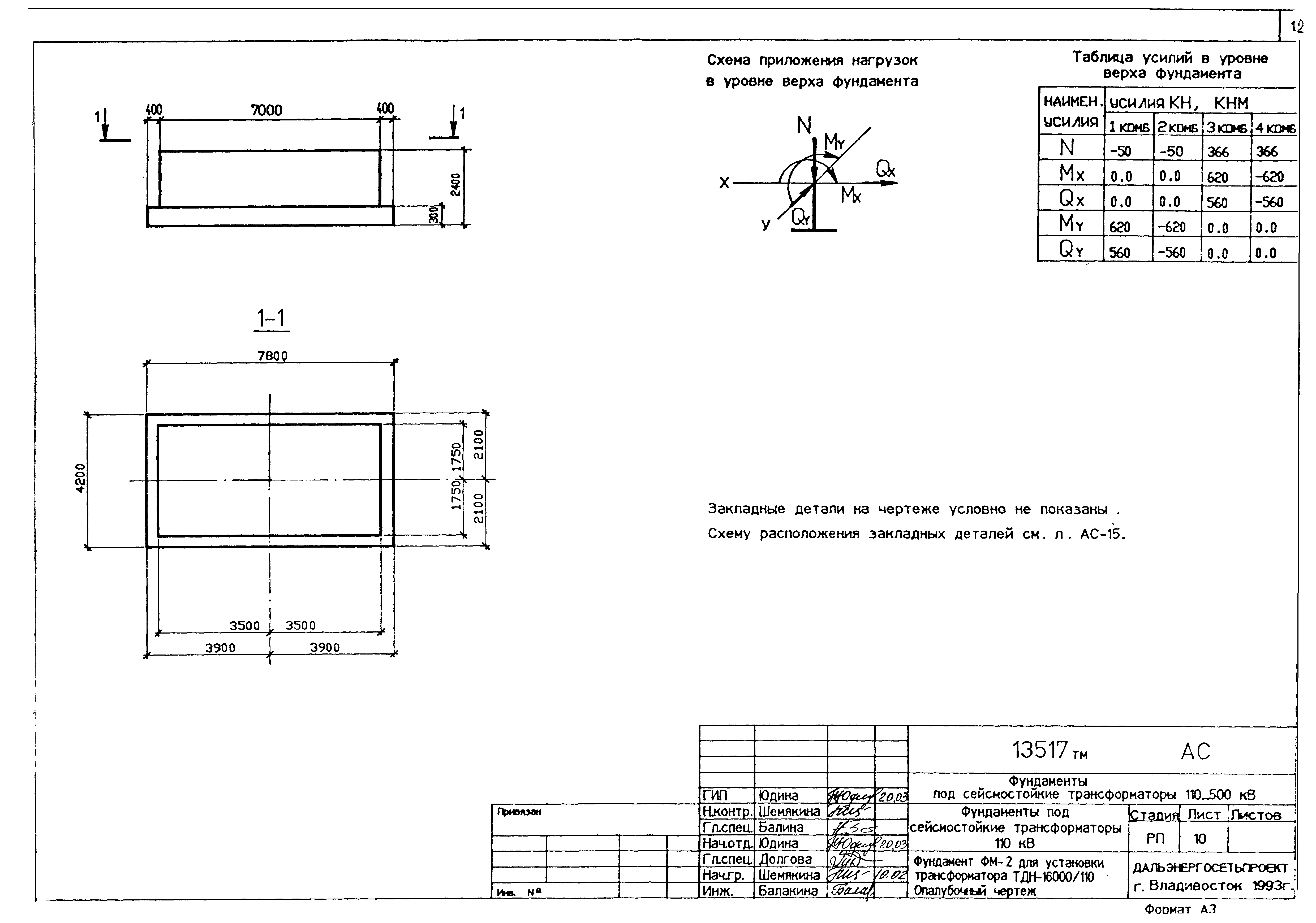
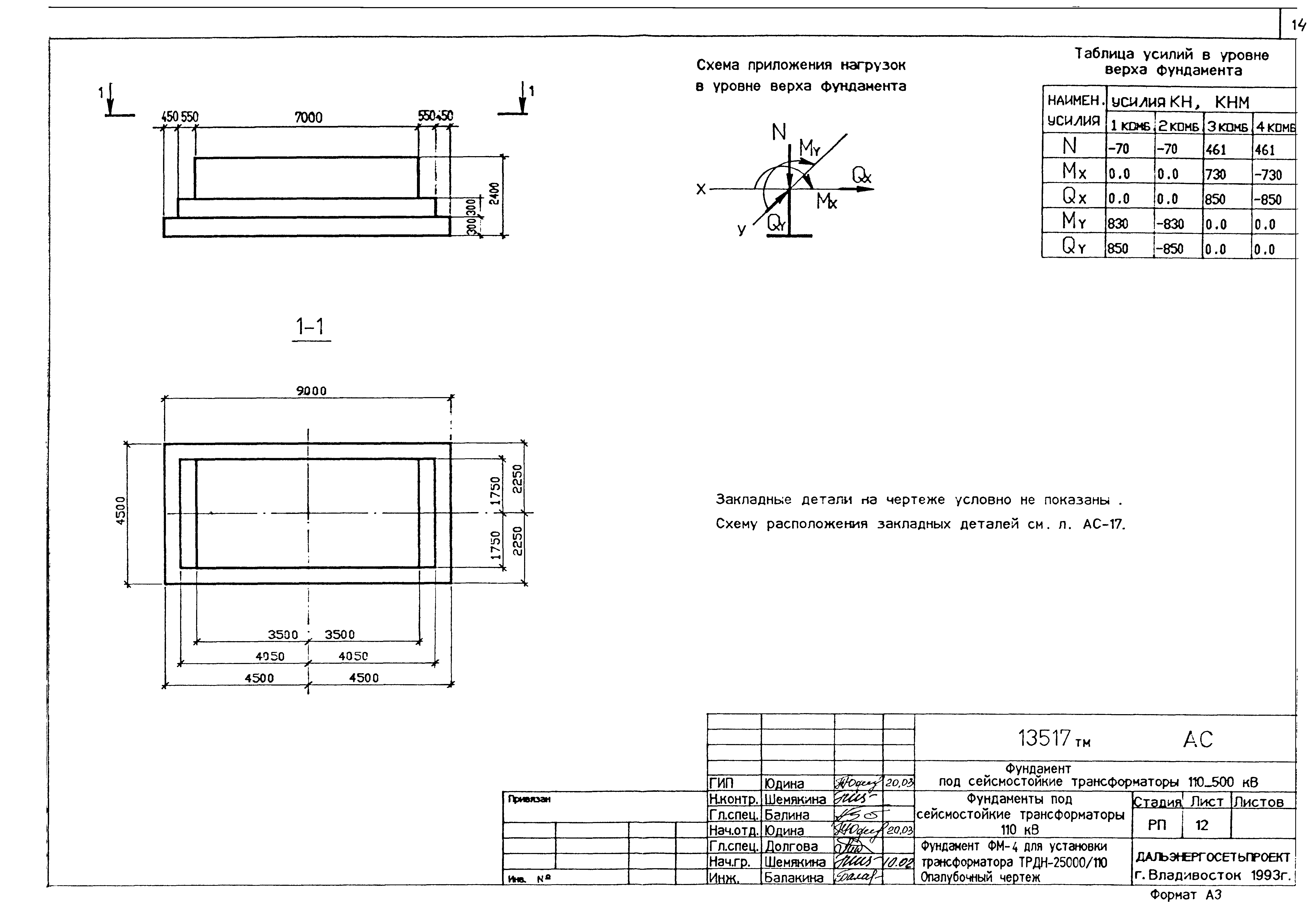
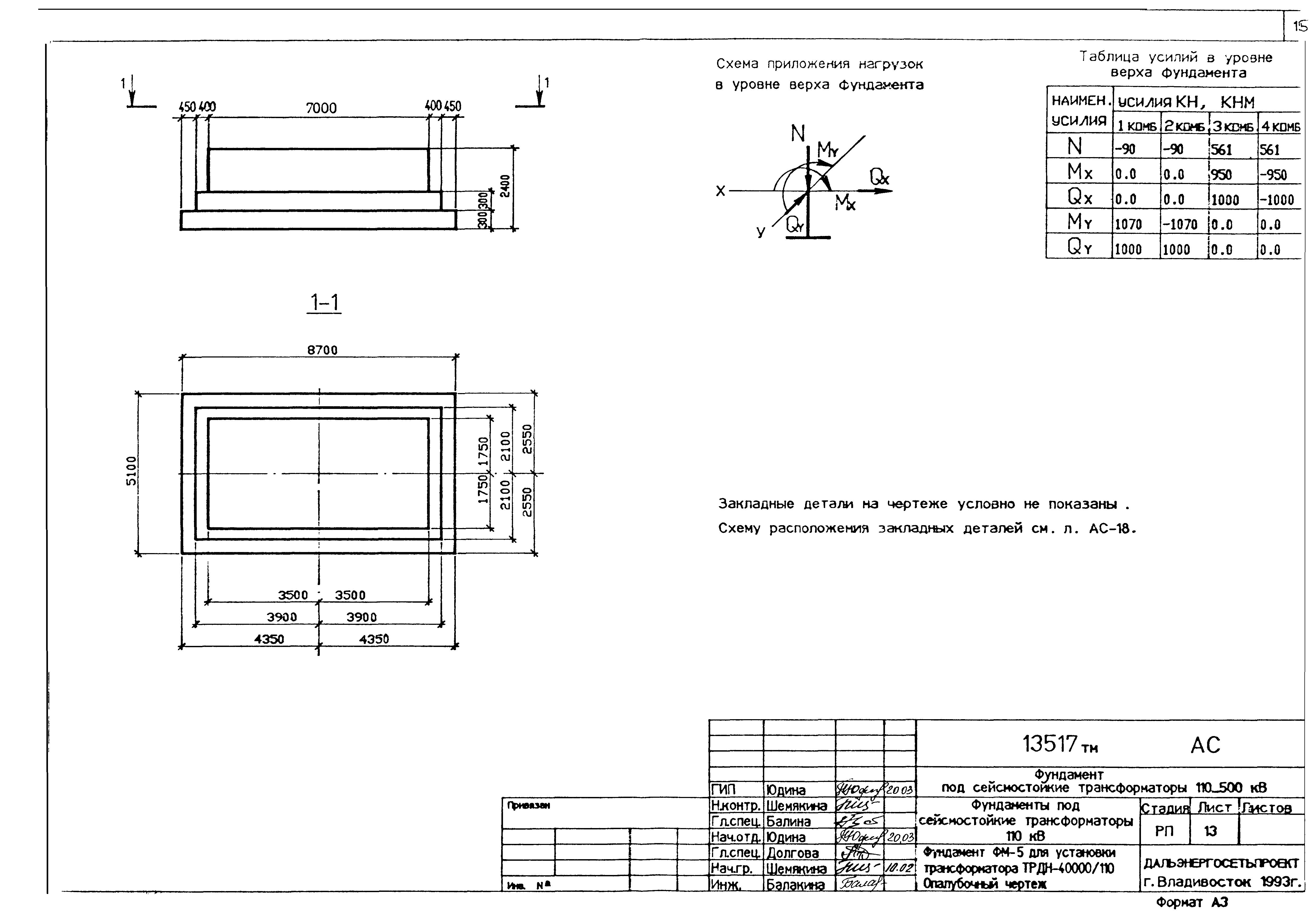
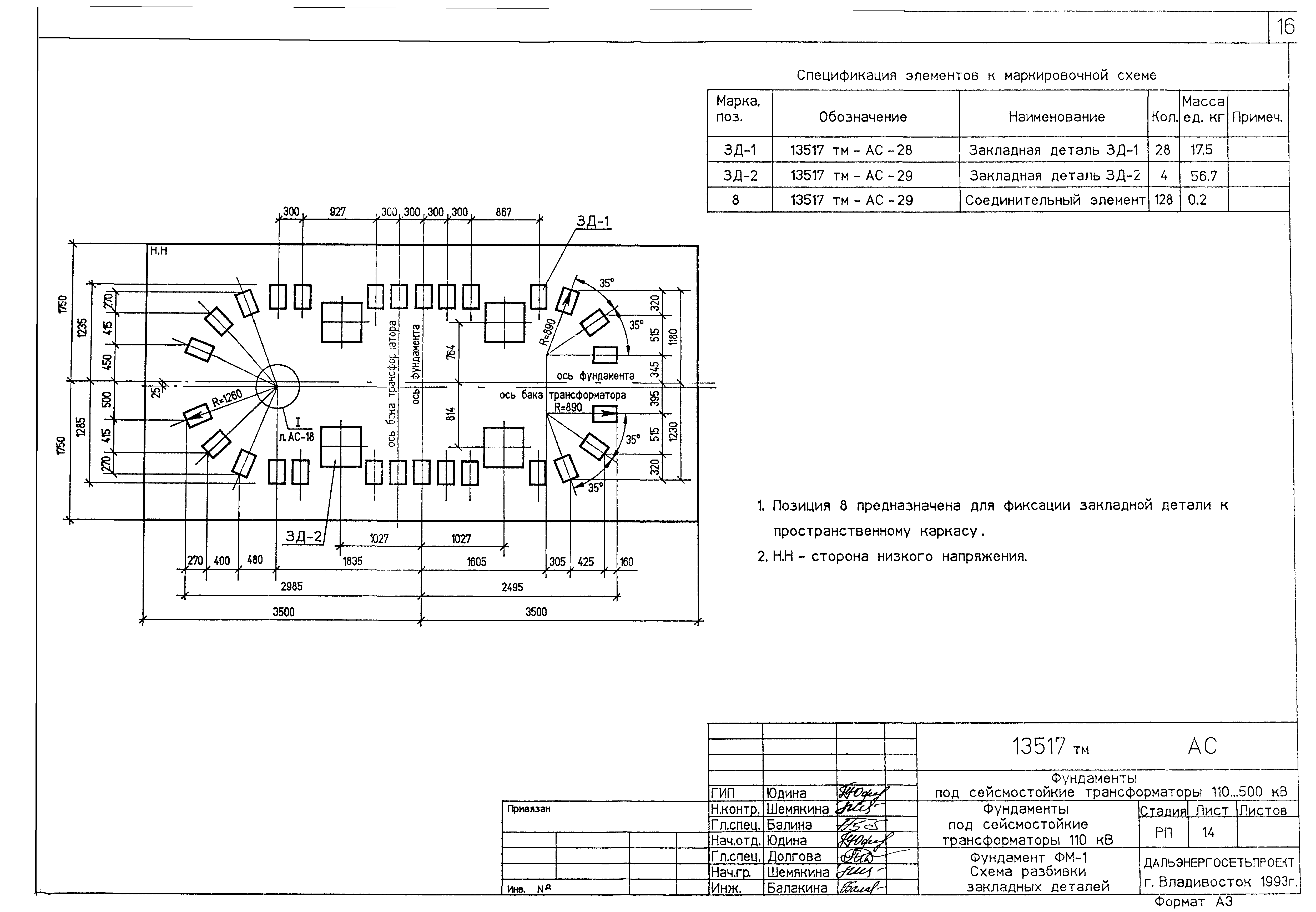
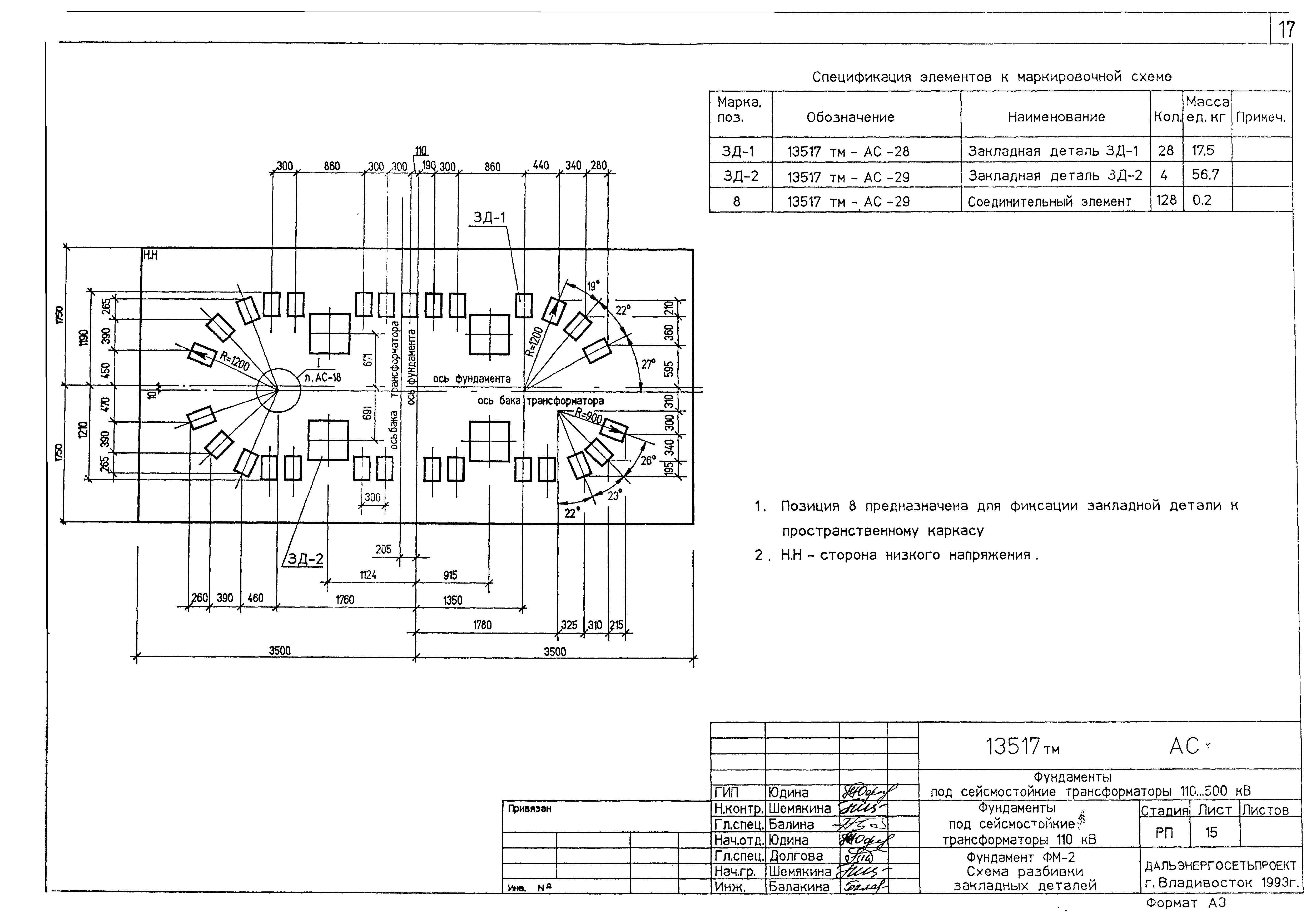
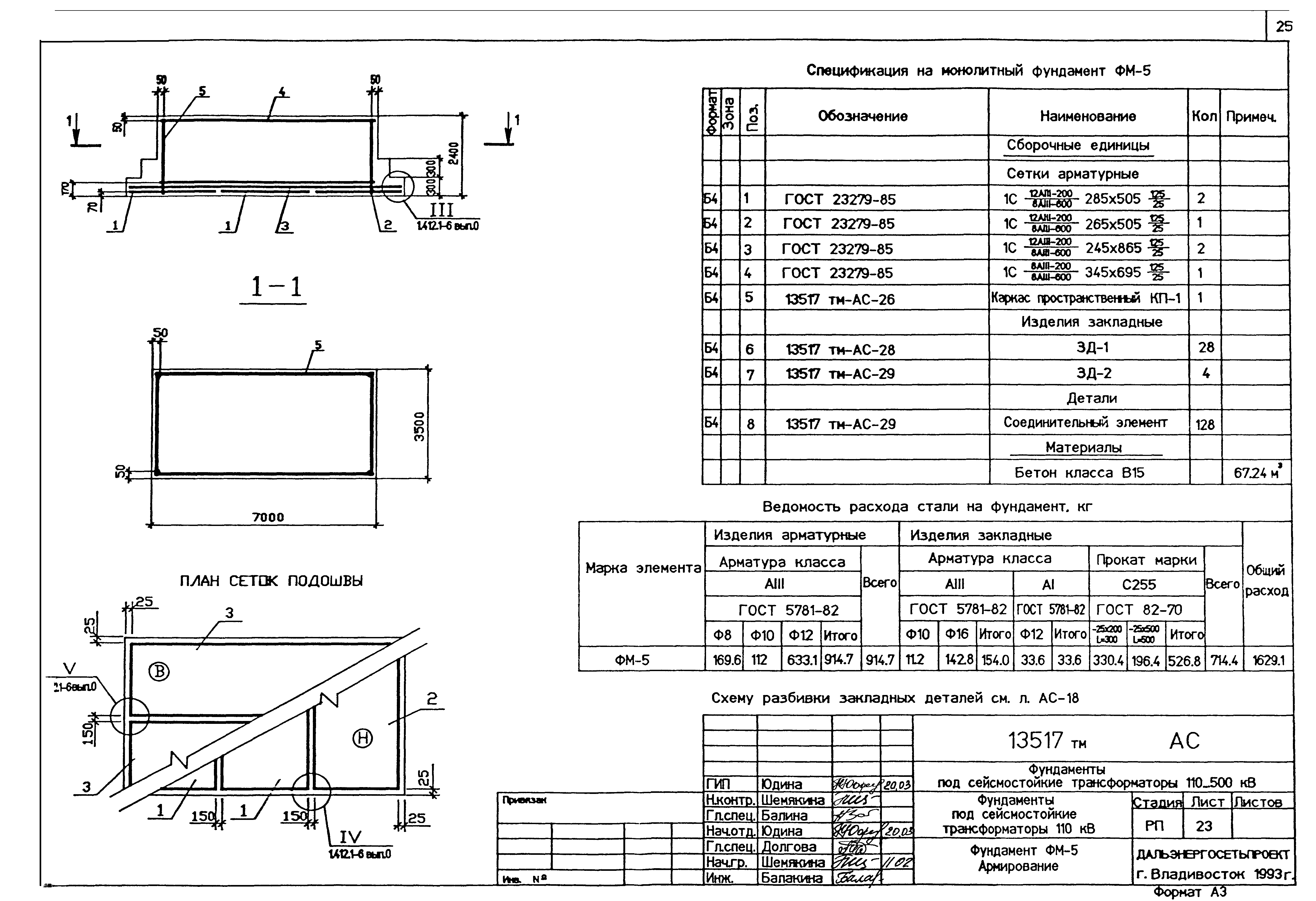
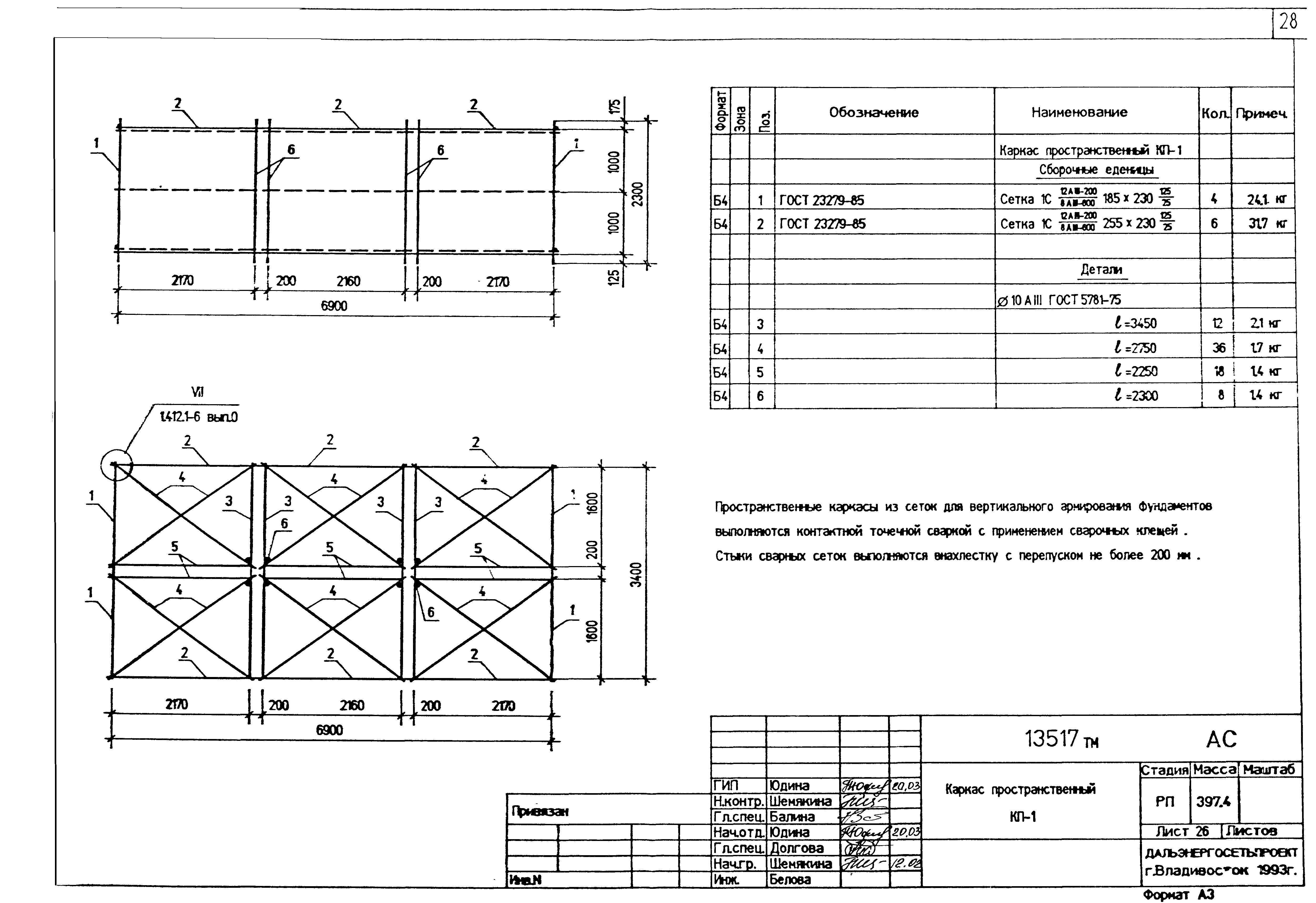
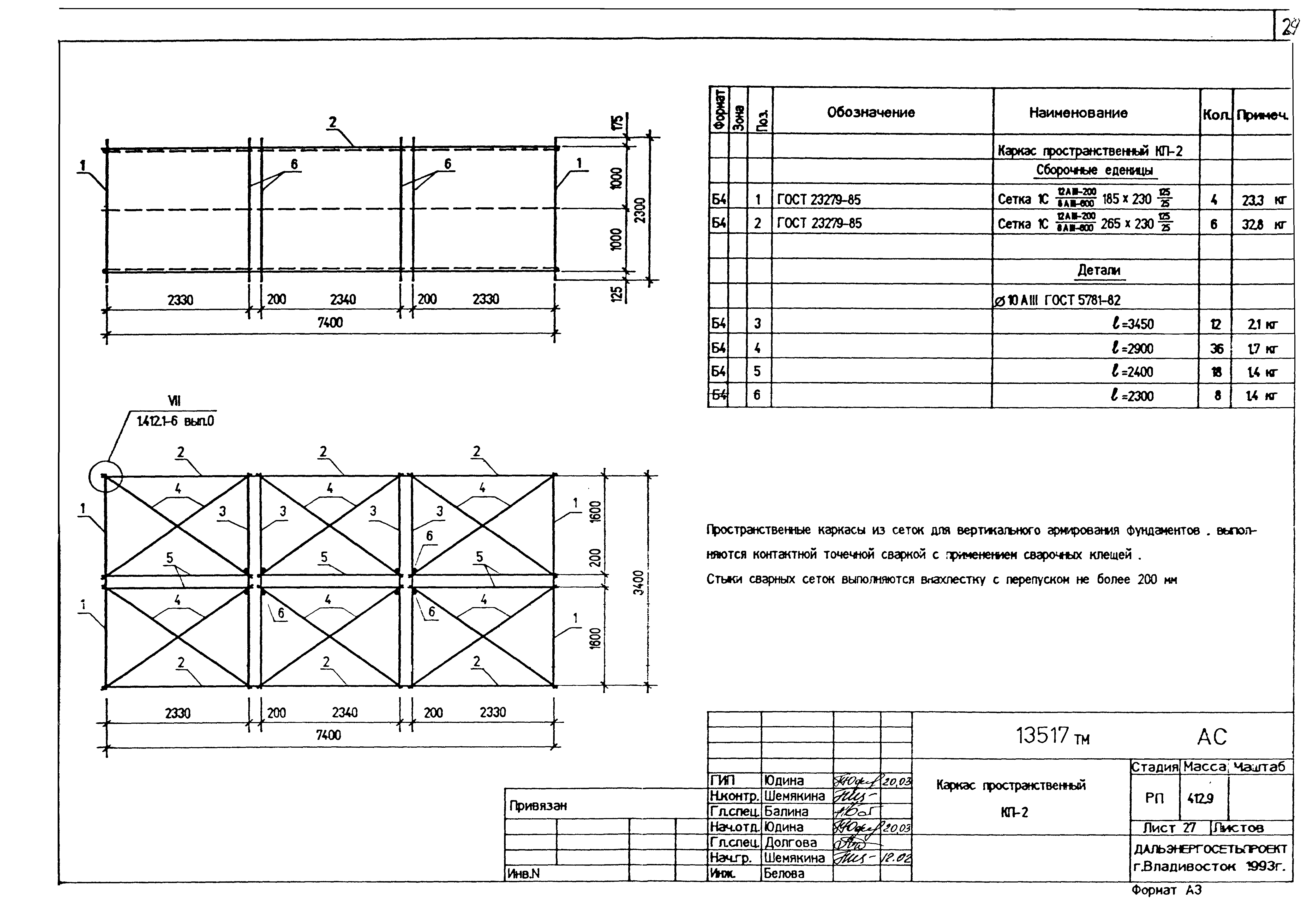
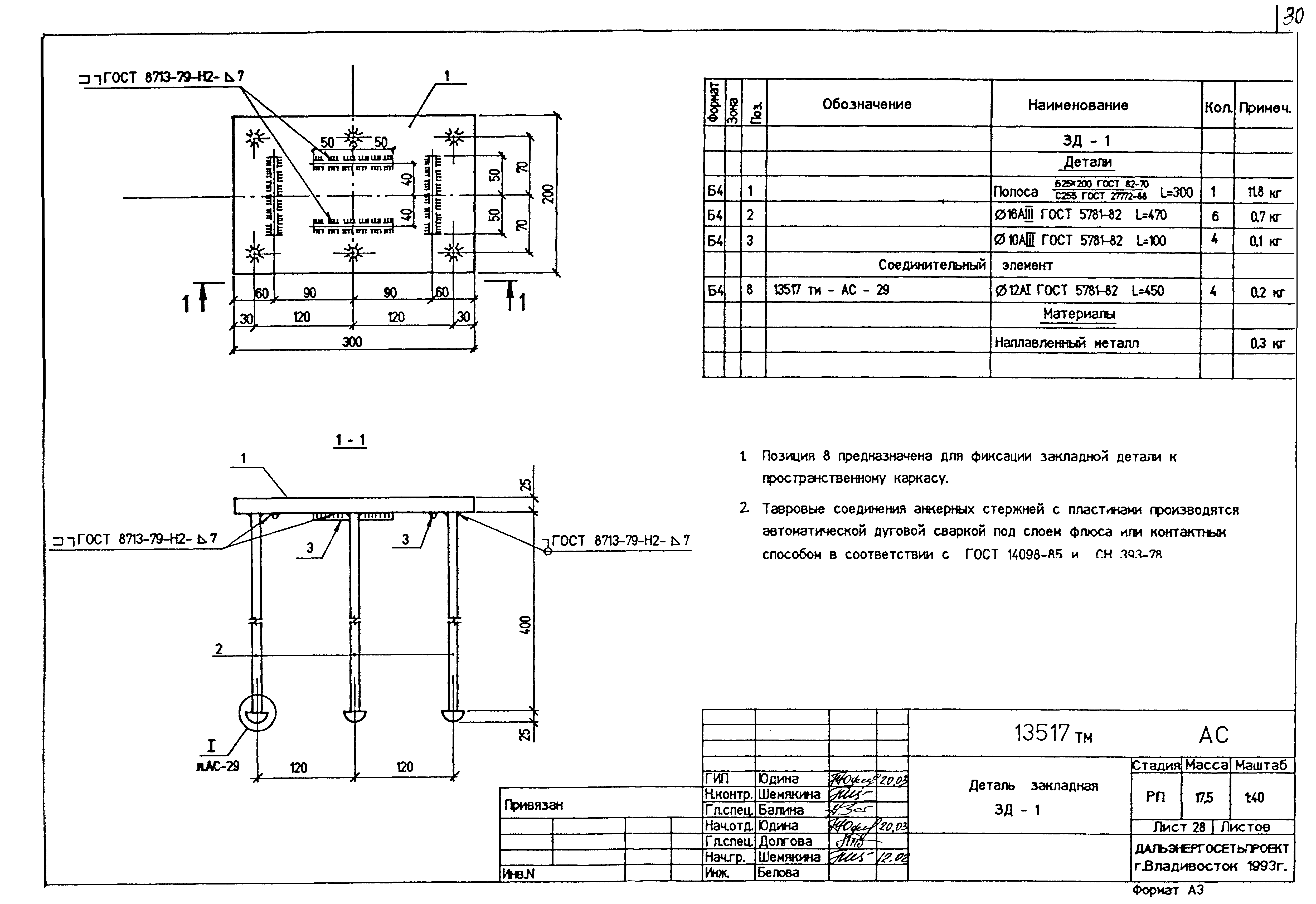
| Оглавление: | 13517тм Содержание альбома 13517тм Фундаменты типа ФМС-1, ФМС-2, ФМС-5. 13517тм Фундаменты типа ФМС-3. 13517тм Фундаменты типа ФМС-4. 13517тм Разрезы 1-1; 2-2. 13517тм Установка анкерного устройства для трансформаторов. 13517тм Маслосборная яма типа МЛ-1. 13517тм Маслосборная яма типа МЛ-2. 13517тм Маслосборная яма типа МЛ-3. 13517тм Фундамент ФМ-1 для установки трансформатора ТДТН-25000/110. Опалубочный чертеж. 13517тм Фундамент ФМ-2 для установки трансформатора ТДН-16000/110. Опалубочный чертеж. 13517тм Фундамент ФМ-3 для установки трансформатора ТДТН-16000/110. Опалубочный чертеж. 13517тм Фундамент ФМ-4 для установки трансформатора ТРДН-25000/110. Опалубочный чертеж. 13517тм Фундамент ФМ-5 для установки трансформатора ТРДН-40000/110. Опалубочный чертеж. 13517тм Фундамент ФМ-1. Схема разбивки закладных деталей . 13517тм Фундамент ФМ-2. Схема разбивки закладных деталей . 13517тм Фундамент ФМ-3. Схема разбивки закладных деталей . 13517тм Фундамент ФМ-4. Схема разбивки закладных деталей . 13517тм Фундамент ФМ-5. Схема разбивки закладных деталей . 13517тм Фундамент ФМ-1. Армирование. 13517тм Фундамент ФМ-2. Армирование. 13517тм Фундамент ФМ-3. Армирование. 13517тм Фундамент ФМ-4. Армирование. 13517тм Фундамент ФМ-5. Армирование. 13517тм Приямок маслосборника. Узлы 1,2 13517тм Узел крепления трансформатора к фундаменту . 13517тм Каркас пространственный КП-1 . 13517тм Каркас пространственный КП-2 . 13517тм Деталь закладная ЗД-1 . 13517тм Деталь закладная ЗД-2 . 13517тм Решетка МК-1 . |
| Разработан: | Дальэнергосетьпроект |
| Утверждён: | 18.05.1993 Энергосетьпроект (Energosetproject 29-003/8) |
































