Скачать 313.ТС-017.000 Типовые решения прокладки трубопроводов тепловых сетей в изоляции из пенобетона Совби диаметром Ду 50 - 600 мм. Конструкции и деталиДата актуализации: 01.01.2021
|
| Обозначение: | 313.ТС-017.000 |
| Обозначение англ: | 313.ТС-017.000 |
| Статус: | не определен законодательством |
| Название рус.: | Типовые решения прокладки трубопроводов тепловых сетей в изоляции из пенобетона "Совби" диаметром Ду 50 - 600 мм. Конструкции и детали |
| Дата добавления в базу: | 01.09.2013 |
| Дата актуализации: | 01.01.2021 |
| Дата введения: | 01.01.2008 |
| Область применения: | Типовые технические решения по проектированию и строительству тепловых сетей в изоляции из монолитного заливочного пенобетона "Совби" для труб Ду 50 - 600 мм разработаны для применения в районах, имеющих расчетные температуры для наружного воздуха до минус 47 градусов Цельсия |
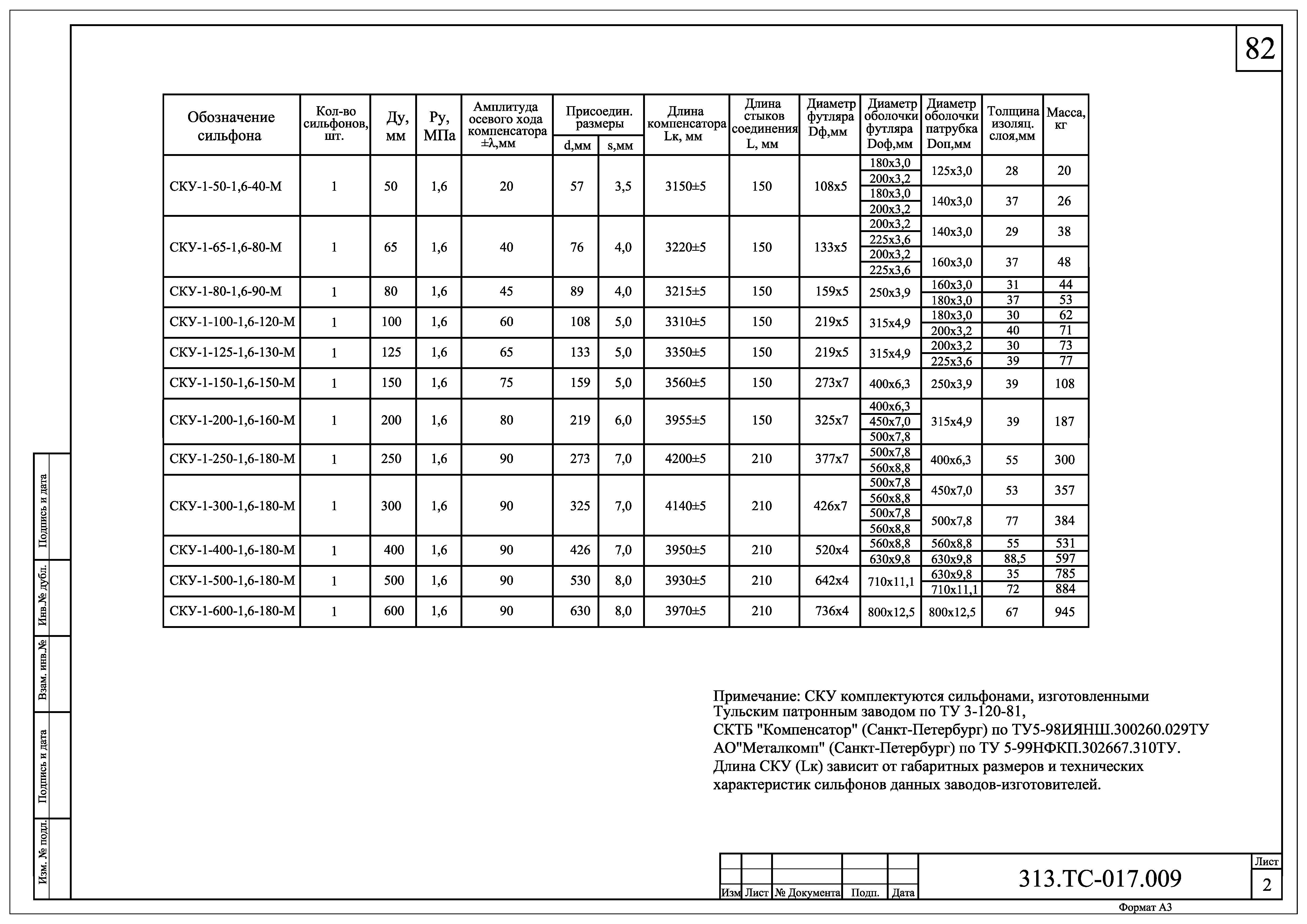
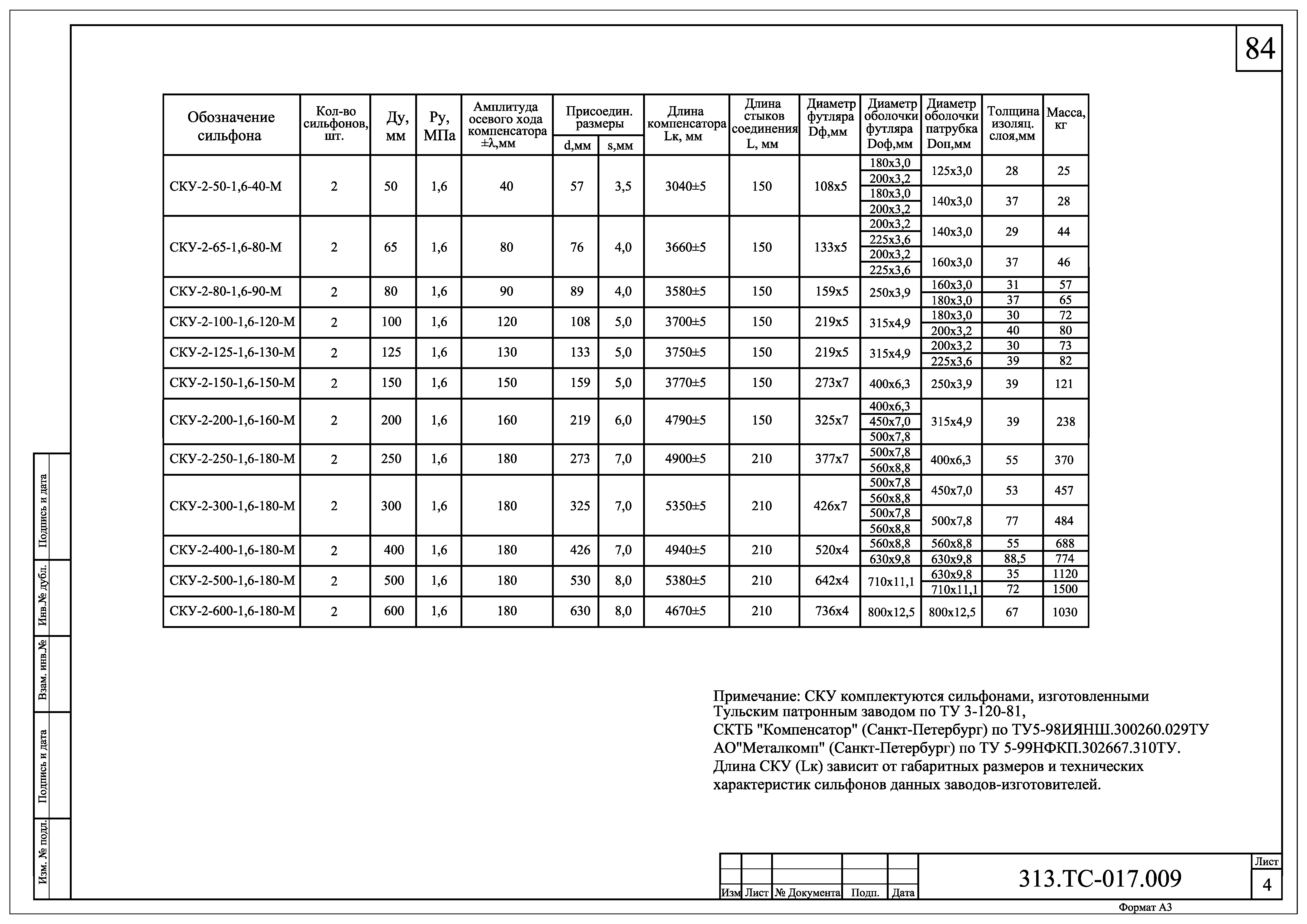
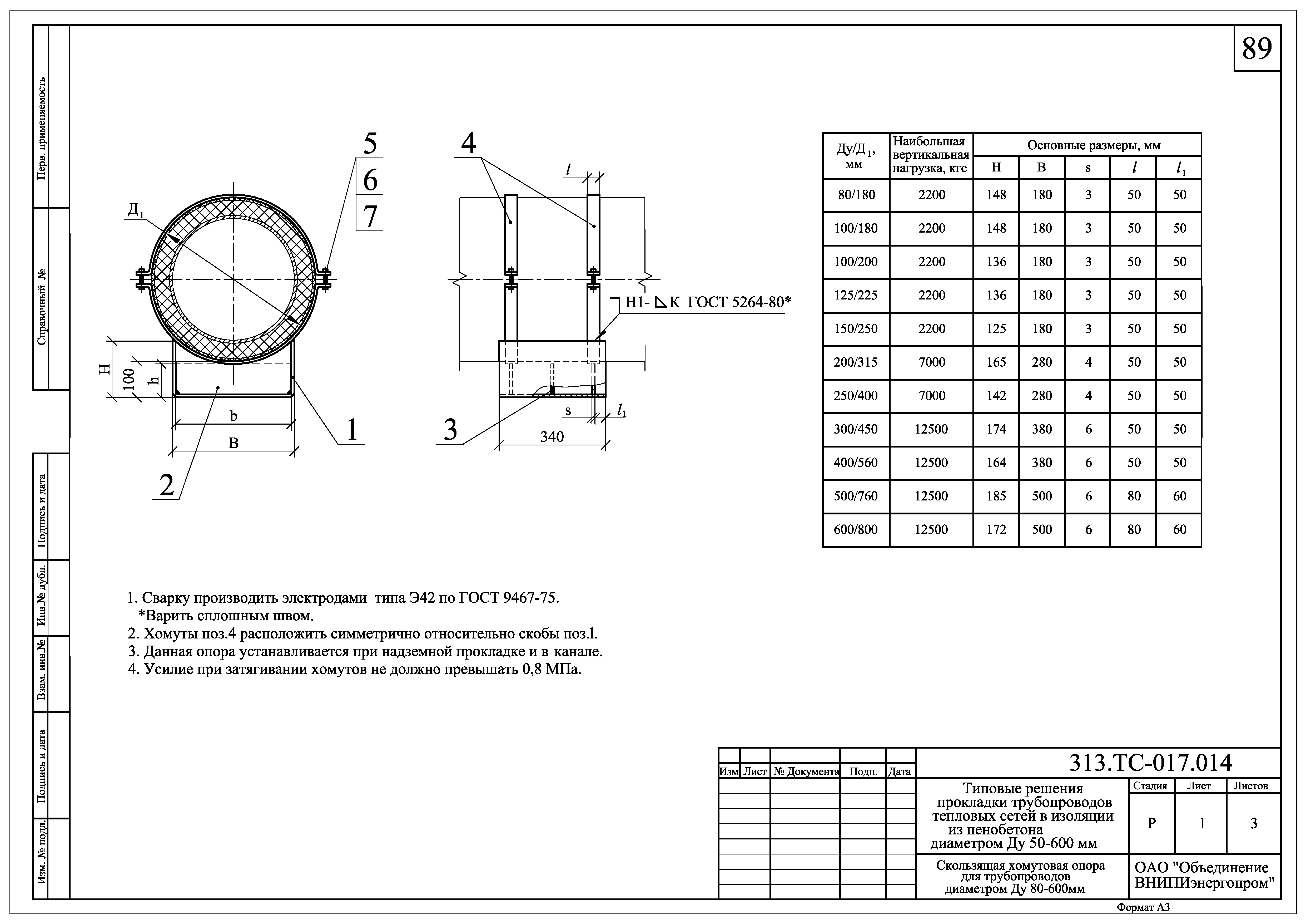
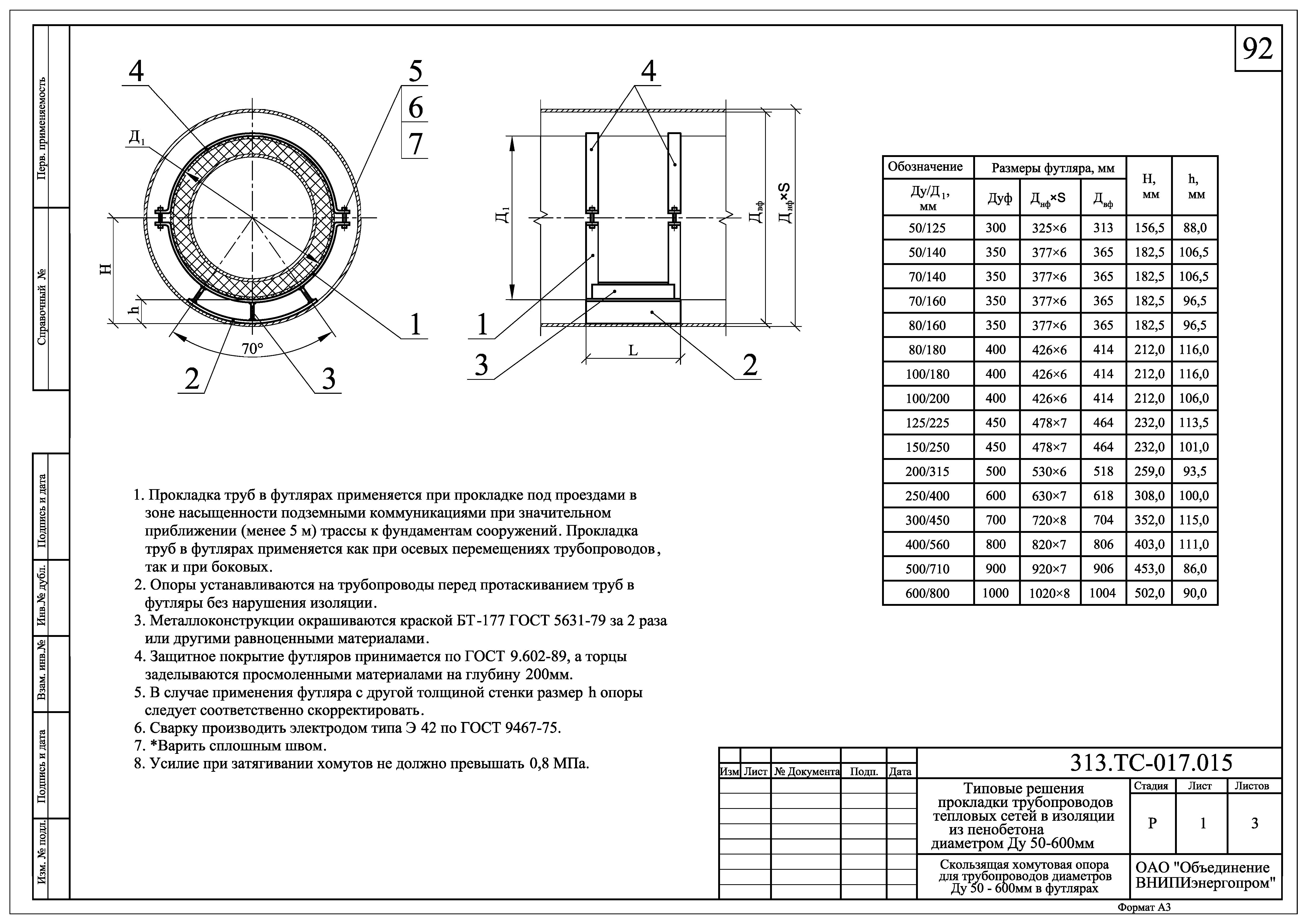
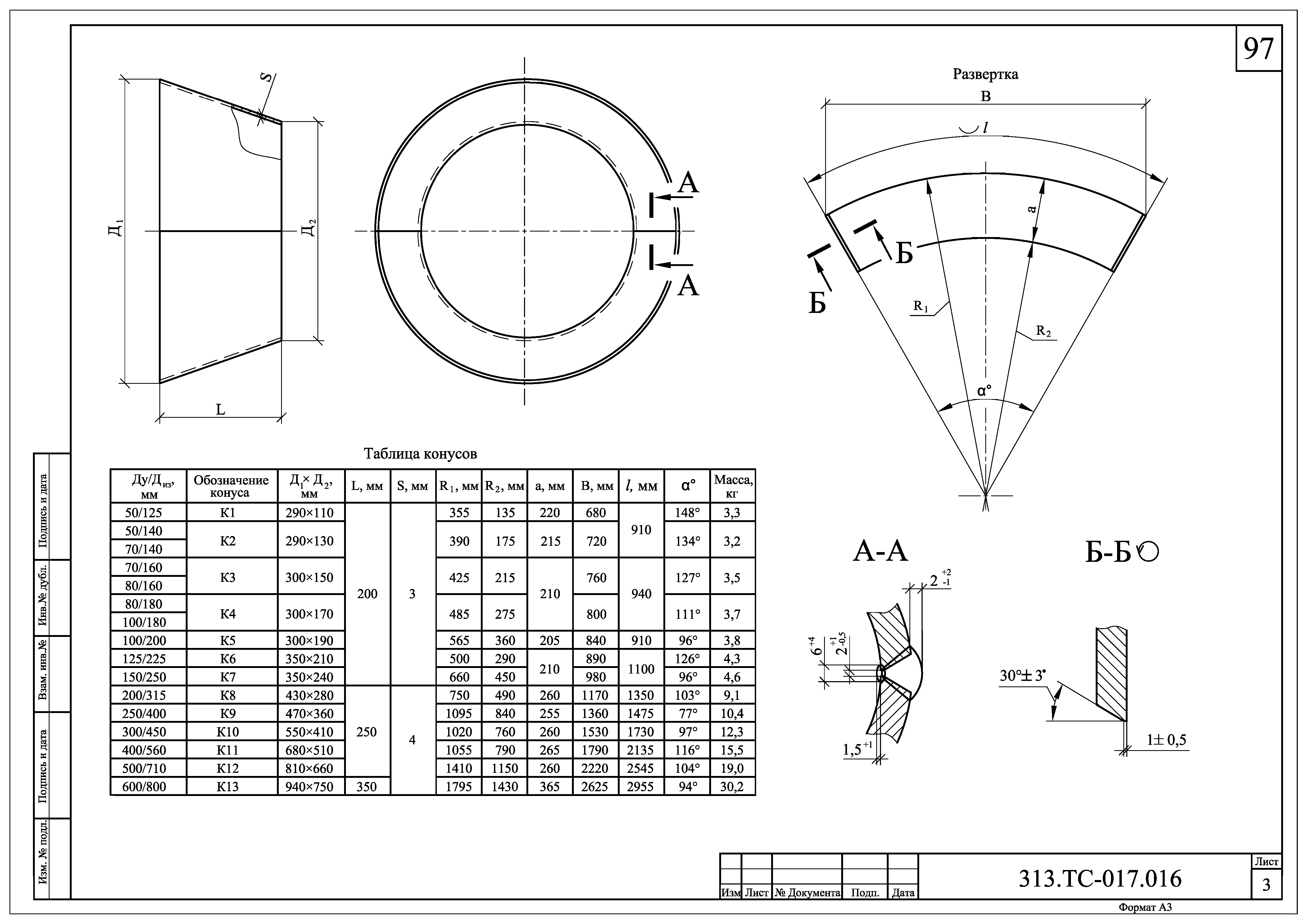
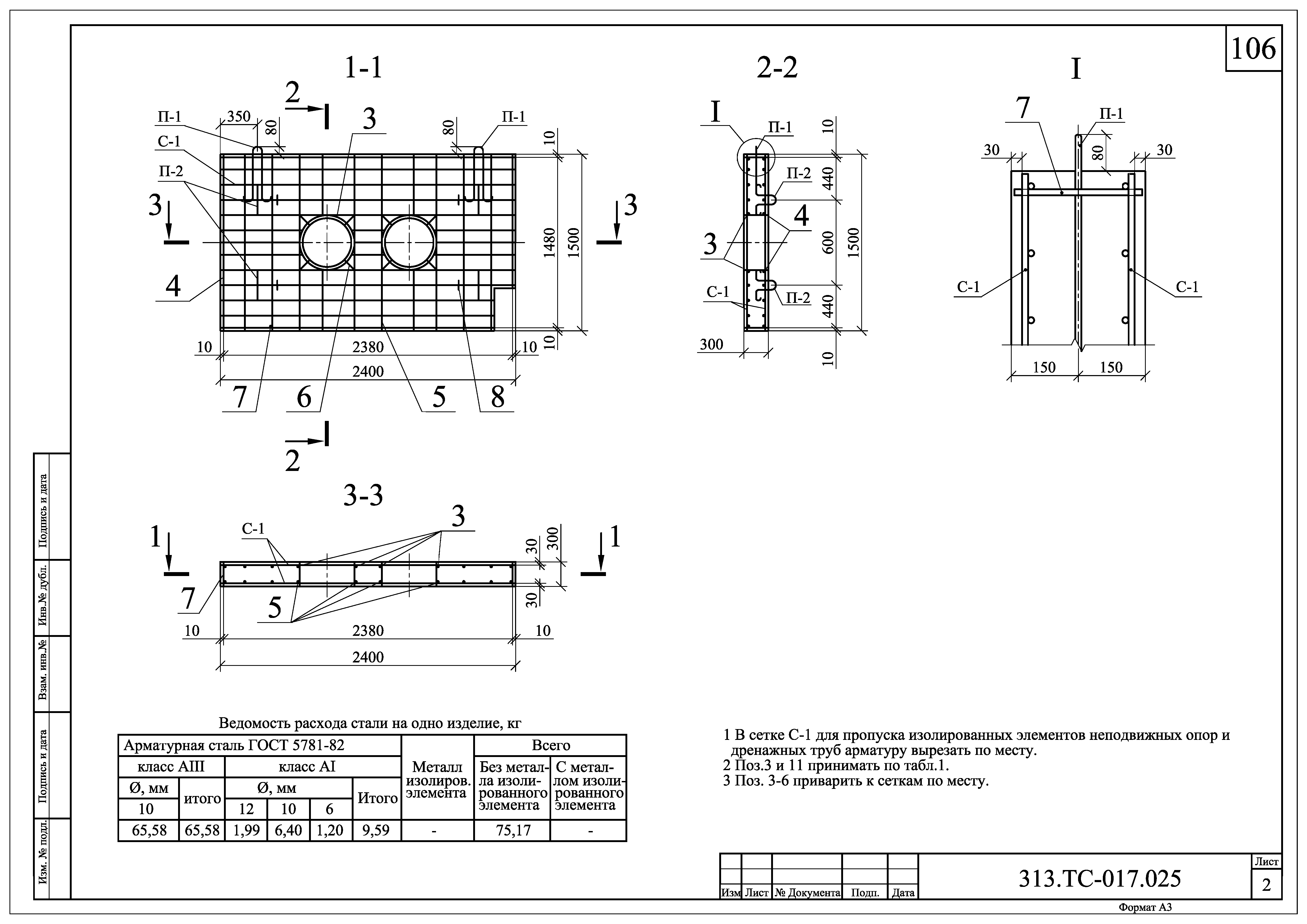
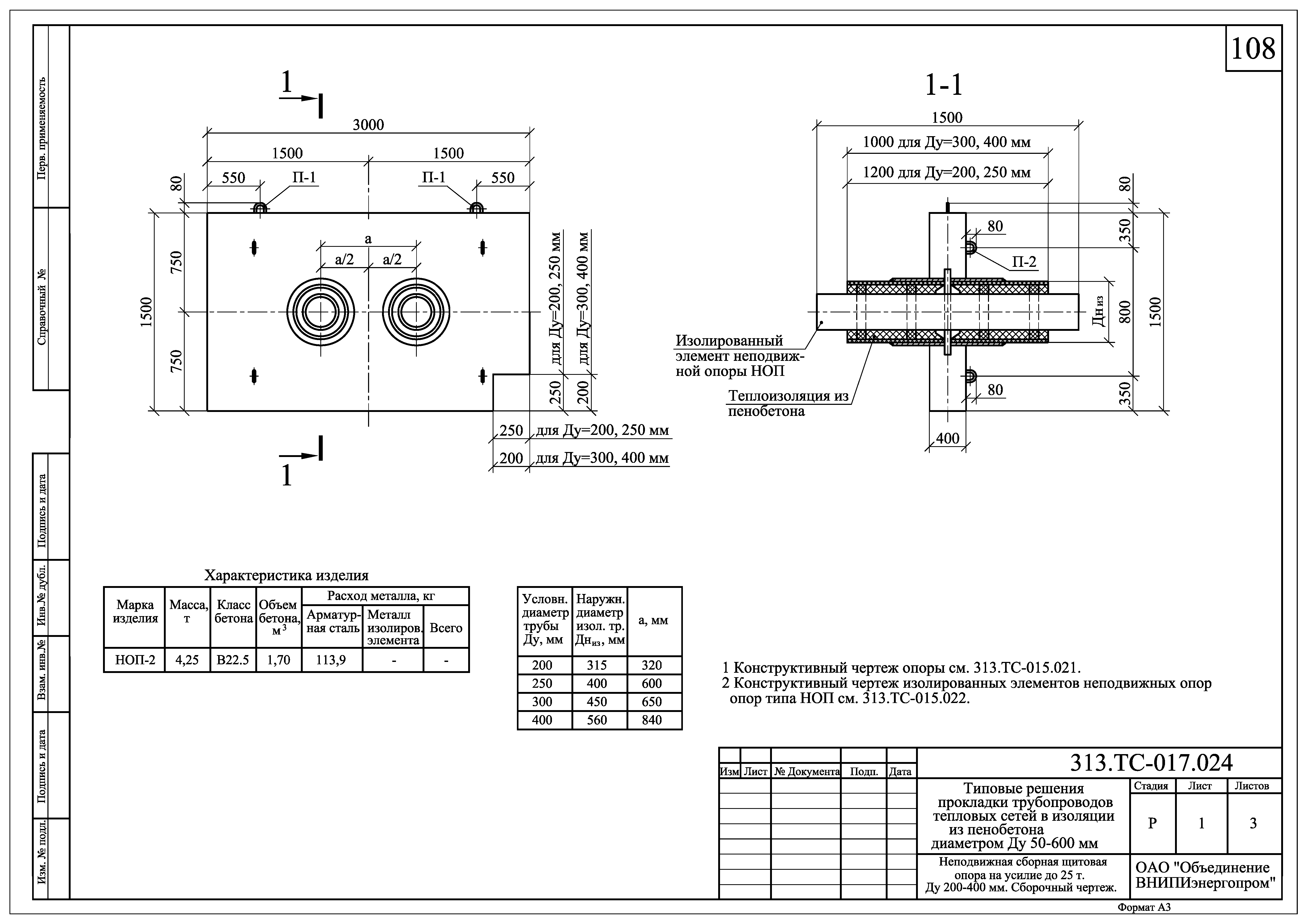
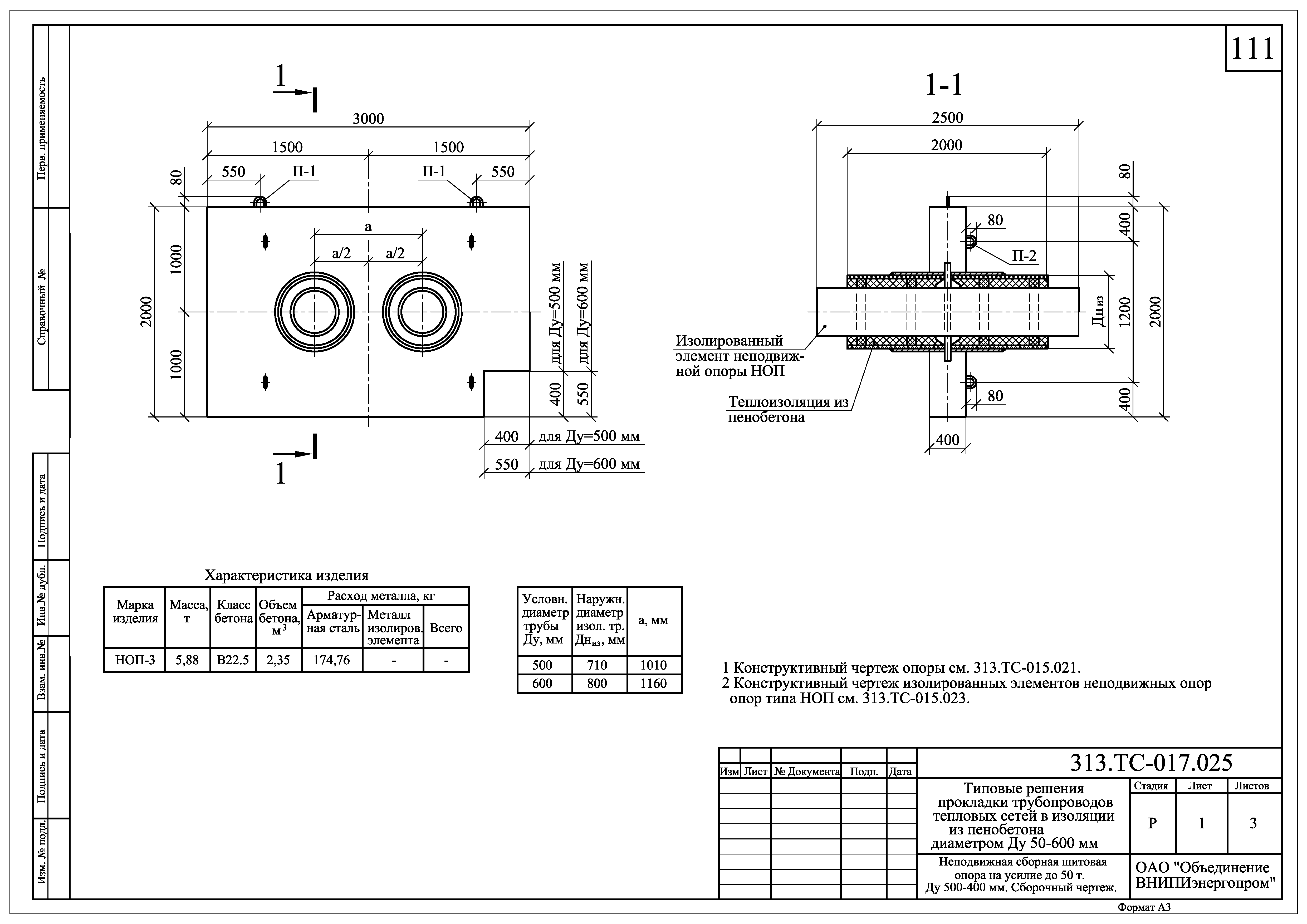
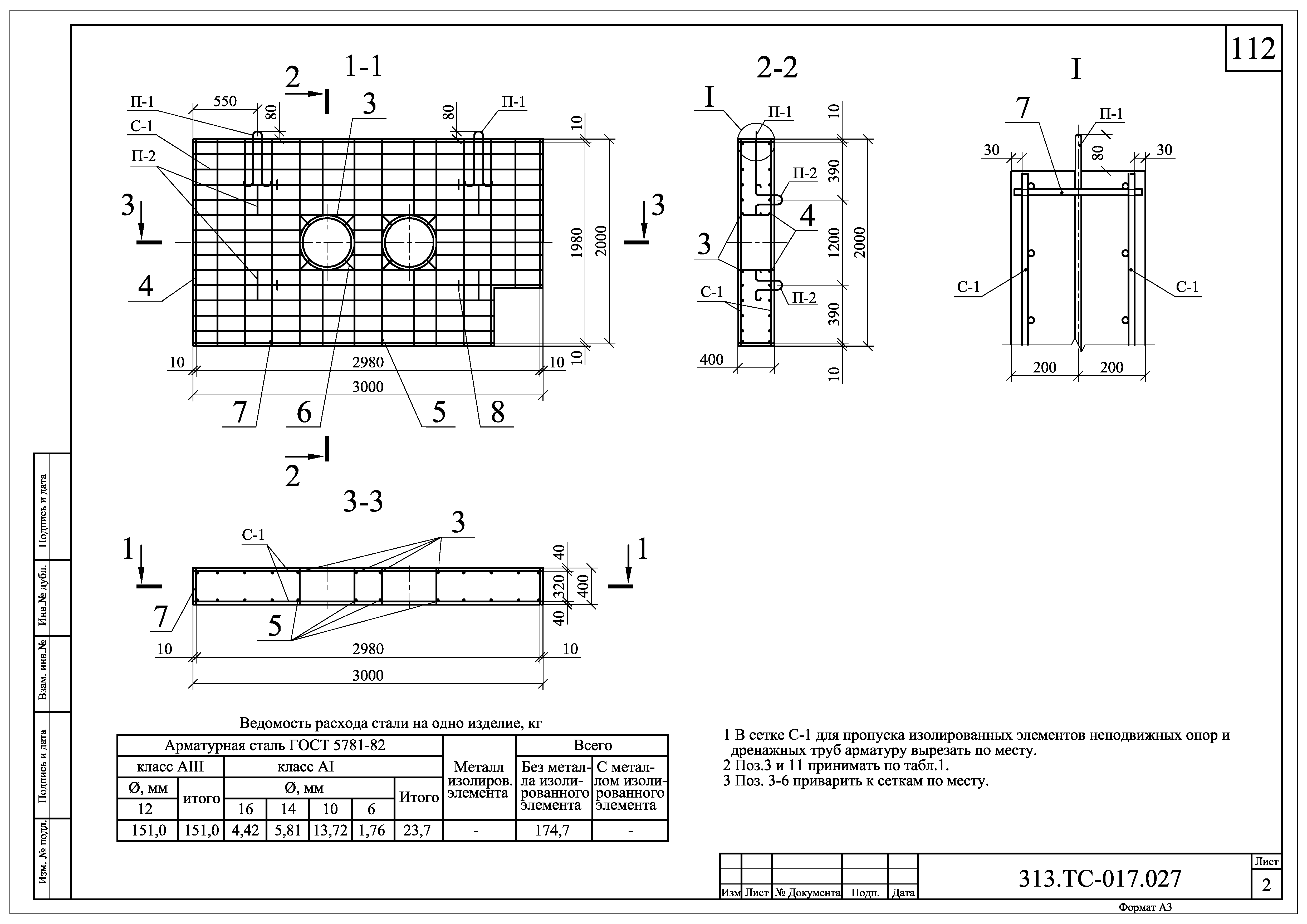
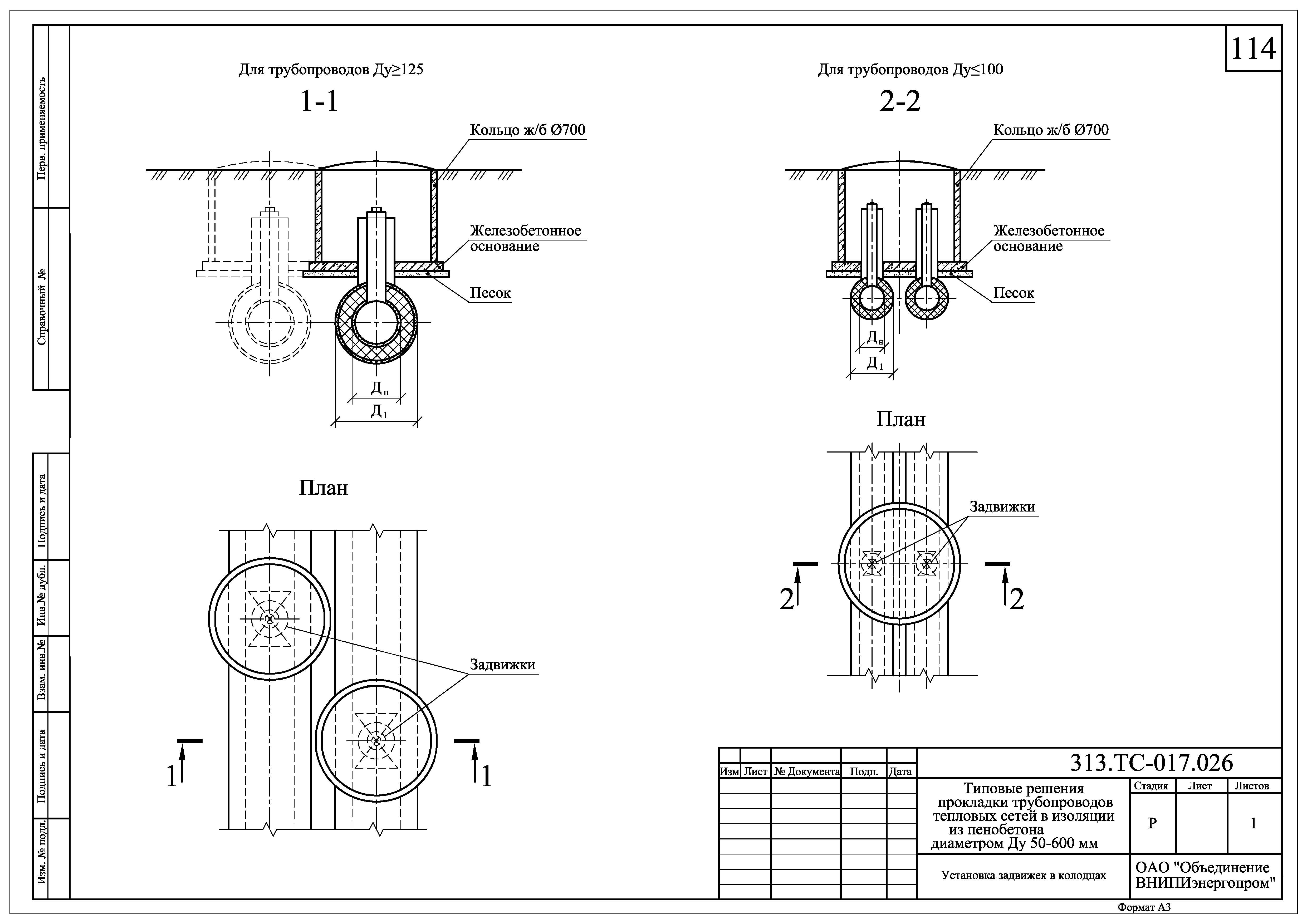
| Оглавление: | 313.ТС-015.000.ПЗ Пояснительная записка. 313.ТС-015.001 Трубы в изоляции из ПБ "СОВБИ" в полиэтиленовой оболочке 313.ТС-015.002 Трубы в изоляции из ПБ "СОВБИ" в полиэтиленовой оболочке с усилениями. 313.ТС-015.003 Трубы в изоляции из ПБ "СОВБИ" в оболочке из оцинкованной стали. 313.ТС-015.004 Изолированные отводы трубопроводов. 313.ТС-015.005 Тройники прямые равнопроходные. 313.ТС-015.006 Тройники прямые разнопроходные. 313.ТС-015.007 Компенсатор сильфонный Ду 50-400мм Тульского патронного завода. 313.ТС-015.008 Компенсатор сильфонный Ду 50-400мм АО "Металкомп". 313.ТС-015.009 Осевые сильфонные компенсационные устройства (СКУ) ООО "Изоляционные технологии". 313.ТС-015.010 Полиэтиленовые соединительные термоусаживающиеся манжеты. 313.ТС-015.011 Изоляция стыков труб Ду 50 - 1000мм. 313.ТС-015.012 Муфты разрезные приварные полиэтиленовые (РПП) для изоляции стыков труб. 313.ТС-015.013 Скользящая хомутовая опора для трубопроводов Ду50-80мм. 313.ТС-015.014 Скользящая хомутовая опора для трубопроводов Ду80-600мм.. 313.ТС-015.015 Скользящая хомутовая опора для трубопроводов Ду50-600мм в футлярах. 313.ТС-015.016 Устройство неподвижной щитовой опоры. Вариант I. 313.ТС-015.017 Устройство неподвижной щитовой опоры. Вариант II. 313.ТС-015.018 Сборные железобетонные щиты неподвижных опор. 313.ТС-015.019 Неподвижная сборная щитовая опора. 313.ТС-015.020 Изолированные элементы заводского изготовления для неподвижных опор Ду50-400мм. 313.ТС-015.021 Изолированные элементы заводского изготовления для неподвижных опор Ду500-600мм. Металлоконструкции. 313.ТС-015.022 Стальной элемент для неподвижных опор Ду50-600мм. Металлоконструкции. 313.ТС-015.023 Неподвижная сборная щитовая опора на усилие до 15т. Ду50-400мм. Сборочный чертеж. 313.ТС-015.024 Неподвижная сборная щитовая опора на усилие до 25т. Ду200-400мм. Сборочный чертеж. 313.ТС-015.025 Неподвижная сборная щитовая опора на усилие до 50т. Ду500-600мм. Сборочный чертеж. 313.ТС-015.026 Установка задвижек в колодцах. 313.ТС-015.027 Устройство приямка в траншее для сварки трубопроводов. 313.ТС-015.028 Бесканальная прокладка трубопроводов при высоком уровне грунтовых вод. Вариант I. 313.ТС-015.029 Бесканальная прокладка трубопроводов при высоком уровне грунтовых вод. Вариант II. 313.ТС-015.030 Устройство траншеи с креплением для бесканальной прокладки трубопроводов. 313.ТС-015.031 Устройство траншеи с креплением для бесканальной прокладки трубопроводов при высоком уровне грунтовых вод. 313.ТС-015.032 Устройство траншеи с креплением для канальной прокладки трубопроводов. 313.ТС-015.033 Устройство траншеи с креплением для канальной прокладки трубопроводов при высоком уровне грунтовых вод. 313.ТС-015.034 Устройство траншеи с креплением для прокладки трубопроводов в футлярах. 313.ТС-015.035 Конструкция сопряжения бесканальной прокладки с каналом. |
| Разработан: | ОАО Объединение ВНИПИэнергопром Холдинг СОВБИ |



























































































































