Скачать Типовой проект 704-1-153с Альбом VIII. СметыДата актуализации: 01.01.2021
|
| Обозначение: | Типовой проект 704-1-153с |
| Обозначение англ: | 704-1-153с |
| Статус: | не действует |
| Название рус.: | Альбом VIII. Сметы |
| Дата добавления в базу: | 01.09.2013 |
| Дата актуализации: | 01.01.2021 |
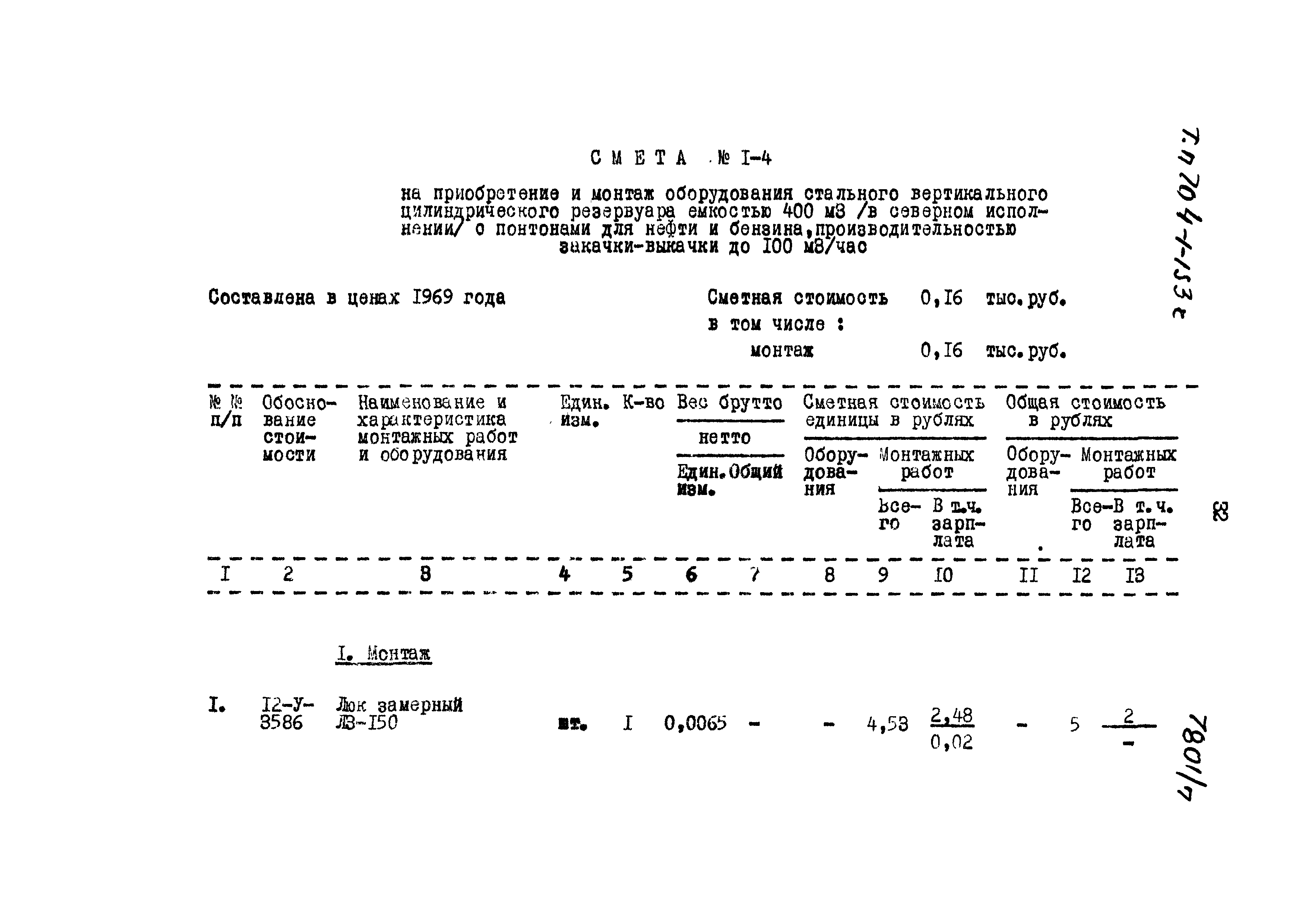
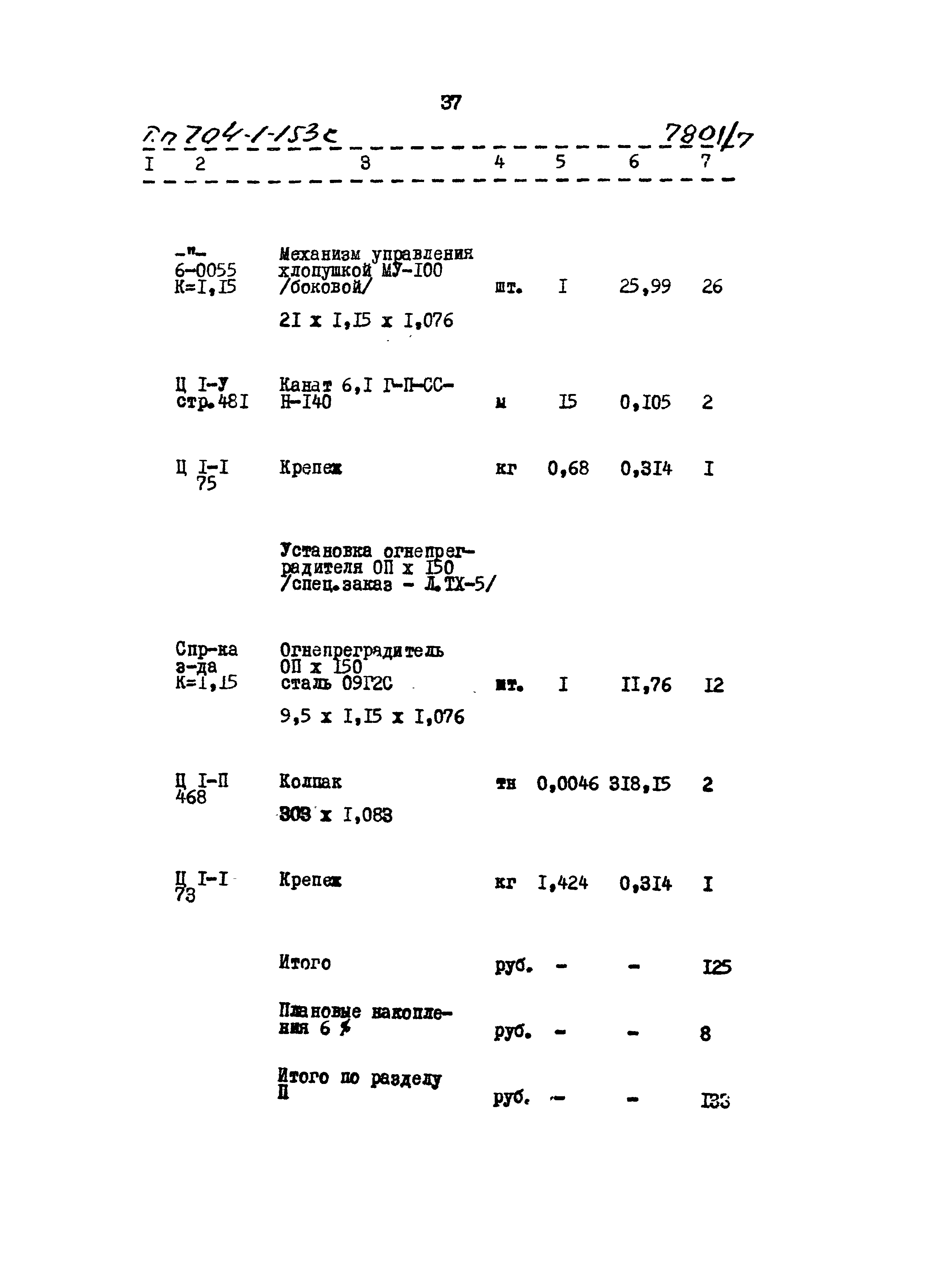
| Оглавление: | Пояснительная записка Объектная смета №1 на резервуар для нефти и бензина с понтоном при ветровой нагрузке до 100 кг/кв. м производительностью закачки-выкачке 100 куб. м/час Локальная смета №1-1. Основание и фундаменты Локальная смета №1-2. Конструкции резервуара Локальная смета №1-3. Конструкций понтона Локальная смета №1-4. Оборудование резервуара Локальная смета №1-5. КИП и автоматика Локальная смета №1-6. Молниезащита Локальная смета №1-7. Молниеотводы Объектная смета №2 на резервуар для нефти и бензина с понтоном при ветровой нагрузке более 100 кг/кв. м производительностью закачки-выкачки 100 куб. м/час Локальная смета №2-1. Основание и фундаменты Объектная смета № 3 на резервуар для нефти и бензина при ветровой нагрузке до 100 кг/кв. м производительностью закачки-выкачки 100 - 140 куб. м/час Локальная смета №3-1. Оборудование резервуара Объектная смета №4 на резервуар для нефти и бензина при ветровой нагрузке до 100 кг/кв. м производительностью закачки-выкачки 100 - 140 куб. м/час Объектная смета №5 на резервуар для светлых нефтепродуктов без понтона при ветровой нагрузке до 100 кг/кв. м производительностью закачки-выкачки 100 - 290 куб. м/час Локальная смета №5-2. КИП и автоматика Локальная смета №5-3. Молниезащита Локальная смета №5-4. Узел управления подогревателями Локальная смета №5-1. Оборудование резервуара Объектная смета №6 на резервуар для светлых нефтепродуктов при ветровой нагрузке более 100 кг/кв. м производительностью закачки-выкачки 100 - 290 куб. м/час Объектная смета №7 на резервуар при ветровой нагрузке до 101 кг/кв. м производительностью закачки-выкачки 290 - 450 куб. м/час Локальная смета №7-1. Оборудование резервуара Объектная смета №8 на резервуар для темных нефтепродуктов при ветровой нагрузке более 100 кг/кв. м производительностью закачки-выкачки 290 - 450 куб. м/час Объектная смета №9 на строительство резервуара для темных нефтепродуктов при ветровой нагрузке до 100 кг/м? производительностью закачки-выкачки 100-290 м?/час Локальная смета №9-2. КИП резервуара Локальная смета №9-1. Оборудование резервуара Локальная смета №9-3. Узел управления подогревателями Локальная смета №9-4. Теплоизоляция резервуара Объектная смета №10 на резервуары для темных нефтепродуктов при ветровой нагрузке более 100 кг/кв. м производительностью закачки-выкачки 100 - 290 куб. м/час Объектная смета №11 на резервуар для темных нефтепродуктов при ветровой нагрузке до 100 кг/кв. м производительностью закачки-выкачки 290 - 450 куб. м/час Локальная смета №11-1. Оборудование резервуара Объектная смета №12 на резервуар для темных нефтепродуктов без понтона при ветровой нагрузке более 100 кг/кв. м производительностью 290 - 450 куб. м/час Выборка затрат труда, материалов, механизмов к полуфабрикатов к смете №2-1 на основании и фундаменты |
| Разработан: | Южгипронефтепровод Миннефтепрома СССР |
| Утверждён: | 21.03.1977 Миннефтепром (Minnefteprom ) |



































































































































































