Скачать Пособие по проектированию зданий холодильников (в развитие главы СНиП 2.11.02-87 Холодильники)Дата актуализации: 01.01.2021
Пособие по проектированию зданий холодильников (в развитие главы СНиП 2.11.02-87 "Холодильники")| Статус: | справочные материалы, мп, тпр | | Название рус.: | Пособие по проектированию зданий холодильников (в развитие главы СНиП 2.11.02-87 "Холодильники") | | Дата добавления в базу: | 01.09.2013 | | Дата актуализации: | 01.01.2021 | | Область применения: | Пособие содержит основные требования к объемно-планировочным и конструктивным решениям зданий холодильников различного назначения, методику расчета теплоизоляции и пароизоляции ограждающих конструкций, замене и усилению теплоизоляции, надзору в процессе эксплуатации холодильников.
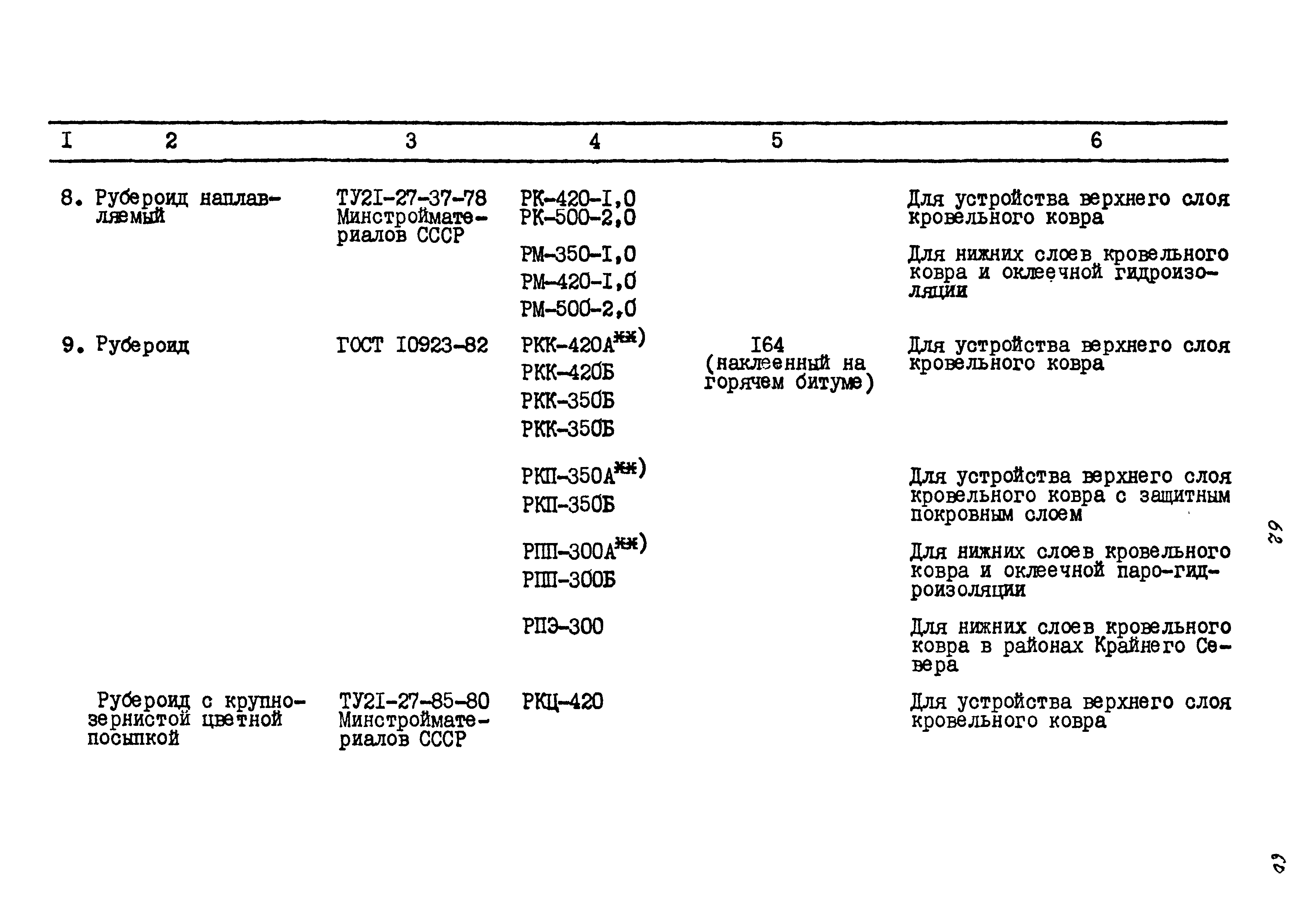
Пособие предназначено для инженерно-технических работников, осуществляющих проектирование, строительство и эксплуатацию холодильников | | Оглавление: | 1. Общие положения 2. Объемно-планировочные решения 3. Конструктивные решения зданий холодильников 3.1. Требования к материалам строительных конструкций 3.2. Несущие конструкции 3.3. Ограждающие конструкции 3.4. Холодильники из легких металлических конструкций 3.5. Особенности проектирования холодильников в сейсмических районах 4. Противопожарные требования 5. Тепло- и пароизоляция ограждающих конструкций 5.1. Общие положения по проектированию теплоизоляции и пароизоляции ограждающих конструкций 5.2. Теплоизоляционные материалы 5.3. Паро-гидроизоляционные материалы 6. Теплотехнический расчет ограждающих конструкций 6.1. Определение требуемого сопротивления теплопередаче 6.2. Определение сопротивления паропроницанию пароизоляционных слоев ограждающих конструкций 7. Защита грунтов оснований зданий холодильников от морозного пучения 7.1. Общие положения 7.2. Система электрического обогрева грунта 7.3. Определение тепловой мощности участка электрообогрева 7.4. Электротехнический расчет системы электрообогрева 7.5. Требования к монтажу системы электрообогрева 7.6. Эксплуатация системы обогрева грунта 7.7. Программа электрических испытаний системы электрообогрева 7.8. Устройство проветриваемого подполья 7.9. Теплотехнический расчет проветриваемого подполья 8. Эксплуатация строительных конструкций зданий холодильника 8.1. Общие положения 8.2. Надзор за состоянием строительных конструкций 8.3. Надзор за теплоизолированными строительными конструкциями 8.4. Допустимый уровень снижения теплозащитных свойств ограждающих конструкций 8.5. Определение фактических теплозащитных свойств ограждений 8.6. Рекомендации по восстановлению теплозащитных свойств ограждающих конструкций Приложение 1. Значение максимальной упругости водяного пара (Е, гПа) для различных температур воздуха град. С, при нормальном барометрическом давлении Приложение 2. Коэффициенты поглощения солнечной радиации материалом наружной поверхности ограждающих конструкций Приложение 3. Табл. 1 (к табл. 2 СНиП 2.11.02-87) Рекомендуемая толщина теплоизоляции наружных стен охлаждаемых помещений, обеспечивающая требуемое сопротивление теплопередаче Табл. 2 (к табл. 3 СНиП 2.11.02-87) Рекомендуемая толщина теплоизоляции покрытий охлаждаемых помещений, обеспечивающая требуемое сопротивление теплопередаче Табл. 3 (к табл. 5 СНиП 2.11.02-87) Рекомендуемая толщина теплоизоляции внутренних стен и перегородок, отделяющих охлаждаемые помещения от неохлаждаемых и неотапливаемых, обеспечивающая требуемое сопротивление теплопередаче Табл. 4 (к табл. 4 СНиП 2.11.02-87) Рекомендуемая толщина теплоизоляции внутренних стен, перегородок и междуэтажных перекрытий охлаждаемых помещений, обеспечивающая требуемое сопротивление теплопередаче Табл. 5 (к табл. 6 СНиП 2.11.02-87) Рекомендуемая толщина теплоизоляции полов на обогреваемых грунтах, обеспечивающая требуемое сопротивление теплопередаче Табл. 6 (к табл. 7 СНиП 2.11.02-87) Рекомендуемая толщина теплоизоляции перекрытий над проветриваемыми подпольями Приложение 4. Примеры расчета требуемого сопротивления паропроницанию пароизоляционных слоев ограждающих конструкций здания холодильника Приложение 5. Типы пароизоляции Приложение 6. Температурно-влажностный режим охлаждаемых помещений различного назначения Приложение 7. Пример расчета допустимого снижения теплозащитных свойств наружных ограждений холодильника Приложение 8. Расчет участка электрообогрева с греющим кабелем Приложение 9. Расчет секции электрообогрева конструкции пола в зоне теплопроводных включений Приложение 10. Основные расчетные величины физических показателей строительных материалов Приложение 11. Расчетные значения упругости водяного пара наружного воздуха Приложение 12. Схематическая карта СССР для определения среднегодового потока солнечной радиации на горизонтальную поверхность Приложение 13. Примеры расчета экономически целесообразного сопротивления теплопередаче Приложение 14. Пример теплотехнического расчета проветриваемого подполья здания холодильника Приложение 15. Расчетные значения теплофизических характеристик талых и мерзлых грунтов Приложение 16. Количество незамерзшей воды в мерзлых грунтах Приложение 17. Технические характеристики изолированных дверей для холодильных камер | | Разработан: | ЦНИИпромзданий
| | Утверждён: | ЦНИИпромзданий (TsNIIpromzdaniy ) Гипрохолод
| | Нормативные ссылки: | |
                                                                                                                                                                                                              
|