Скачать Типовой проект 704-1-252с.92 Альбом 2. Конструкции металлическиеДата актуализации: 01.01.2021
|
| Обозначение: | Типовой проект 704-1-252с.92 |
| Обозначение англ: | 704-1-252с.92 |
| Статус: | не определен законодательством |
| Название рус.: | Альбом 2. Конструкции металлические |
| Дата добавления в базу: | 01.09.2013 |
| Дата актуализации: | 01.01.2021 |
| Дата введения: | 13.10.1992 |
| Дата окончания срока действия: | 30.06.2003 |
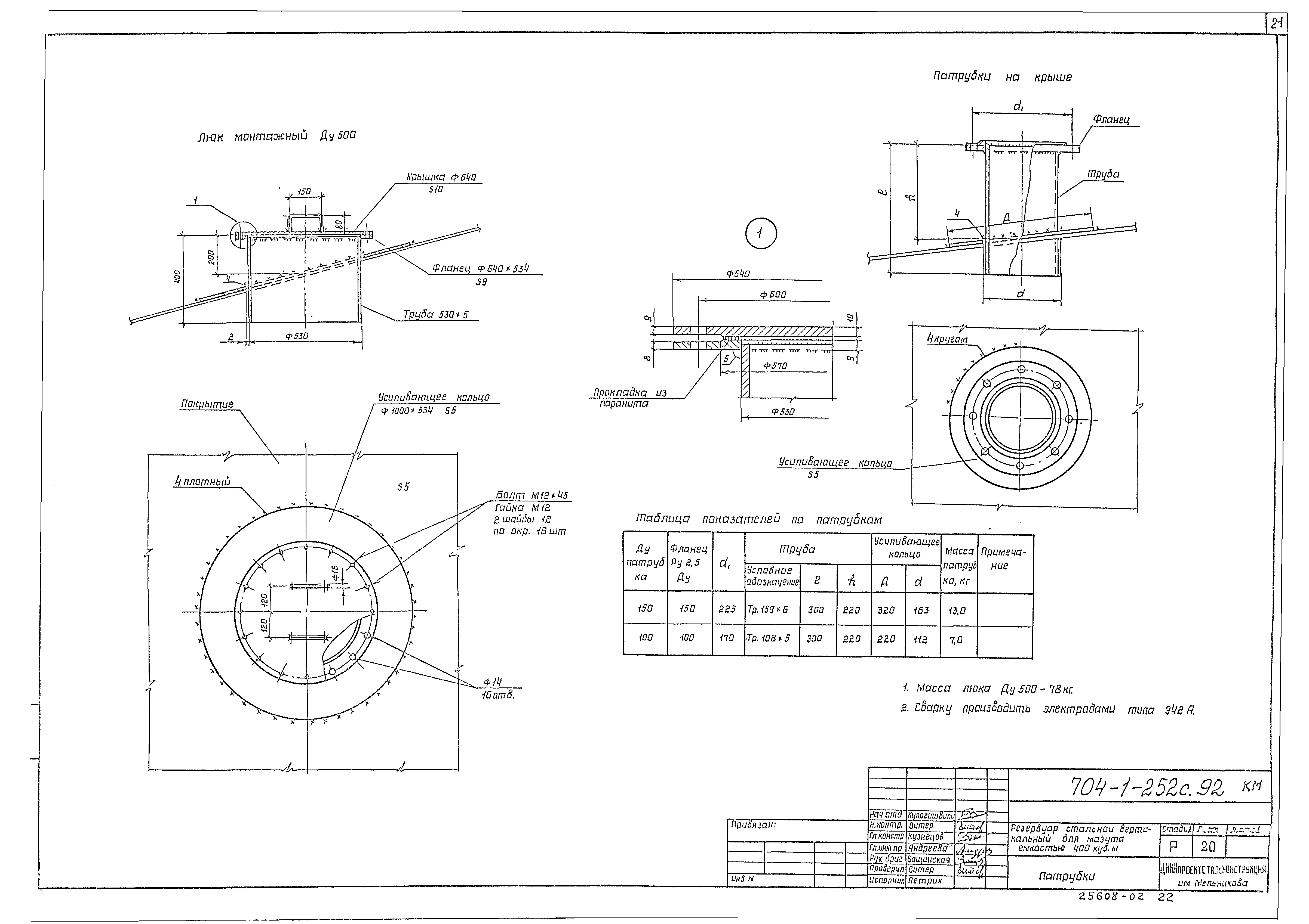
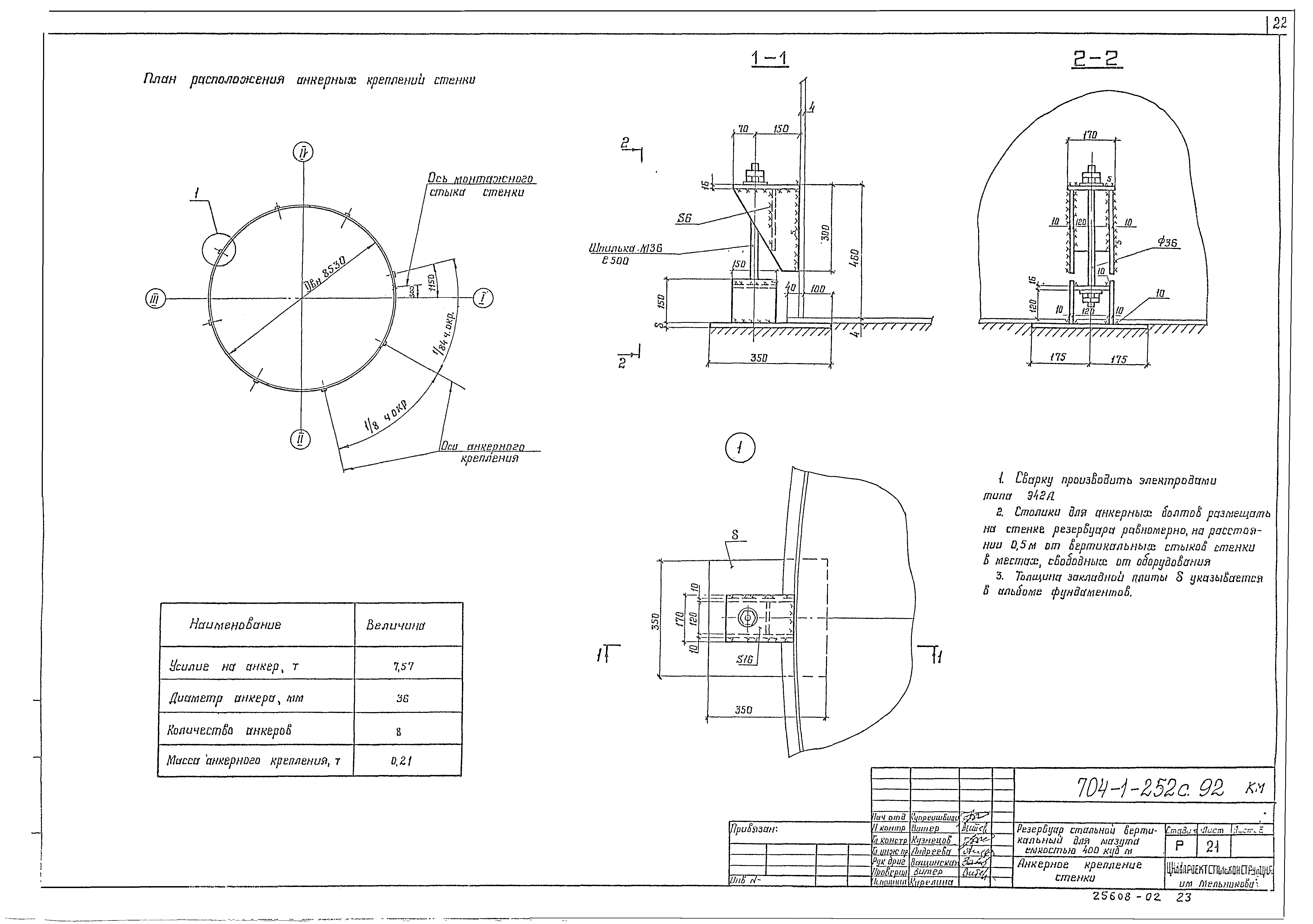
| Оглавление: | ТП 704-1-252с.92 КМ Общие данные (начало) ТП 704-1-252с.92 КМ Общие данные (продолжение) ТП 704-1-252с.92 КМ Общие данные (окончание) ТП 704-1-252с.92 КМ Техническая спецификация стали (начало) ТП 704-1-252с.92 КМ Техническая спецификация стали (окончание) ТП 704-1-252с.92 КМ Ведомость металлоконструкций по видам профилей ТП 704-1-252с.92 КМ Общий вид ТП 704-1-252с.92 КМ Стенка ТП 704-1-252с.92 КМ Днище ТП 704-1-252с.92 КМ Крыша ТП 704-1-252с.92 КМ Площадки и ограждение на крыше ТП 704-1-252с.92 КМ Схема расположения оборудования ТП 704-1-252с.92 КМ Люк-лаз Ду500 в 1 поясе стенки ТП 704-1-252с.92 КМ Патрубки ТП 704-1-252с.92 КМ Люк световой Ду500. Патрубок замерного люка Лу150 ТП 704-1-252с.92 КМ Патрубки ТП 704-1-252с.92 КМ Анкерное крепление стенки ТП 704-1-252с.92 КМ Исходные данные для проектирования основания и фундаментов |
| Разработан: | ЦНИИпроектстальконструкция |
| Утверждён: | 13.10.1992 Сантехниипроект (35) |
| Издан: | ГП ЦПП (1996 г. ) |























