Скачать Типовой проект 901-2-192.91 Альбом 4. Чертежи задания заводу изготовителю на шкафы управления Ш

Дата актуализации: 01.01.2021

Типовой проект 901-2-192.91

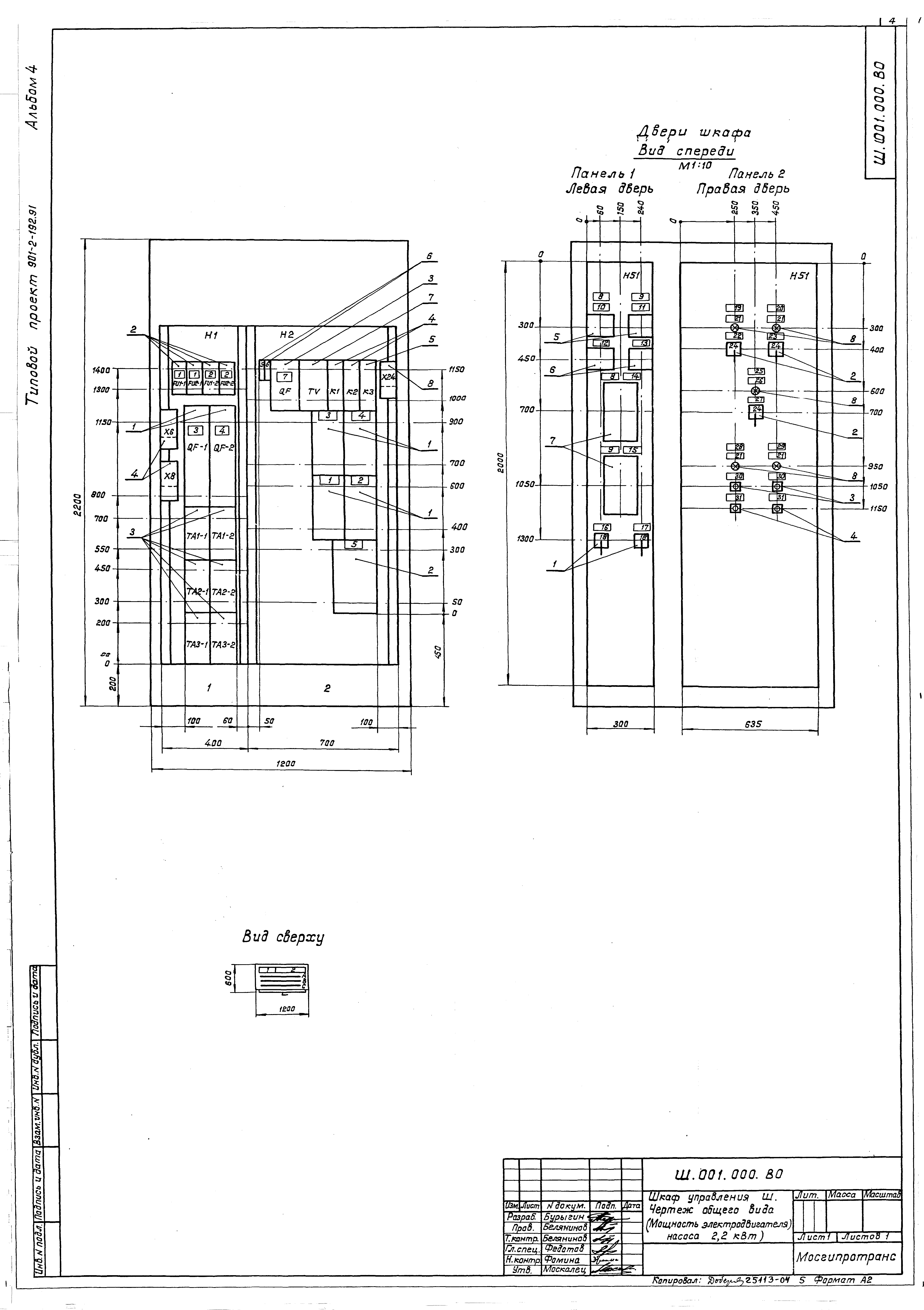
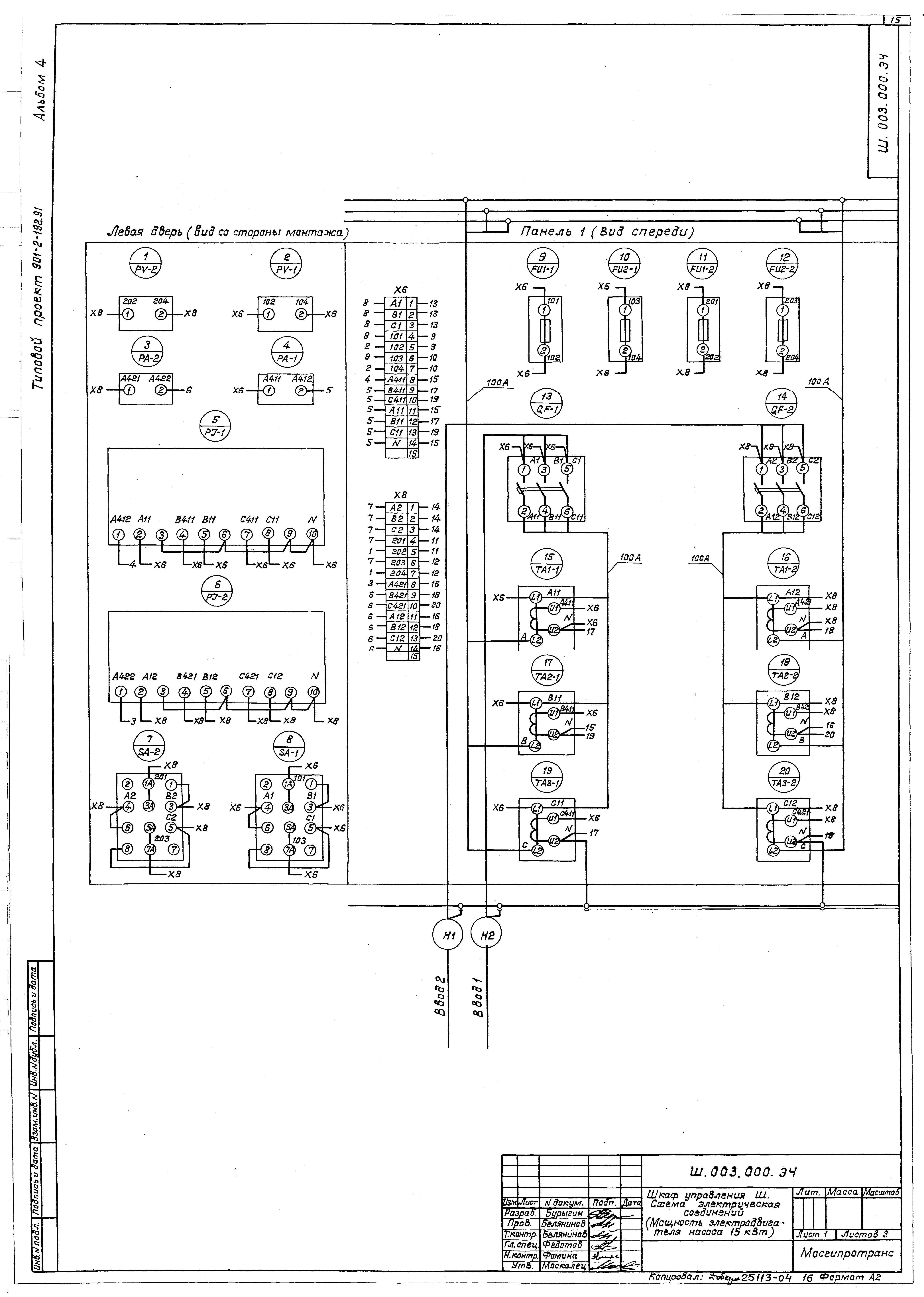
Альбом 4. Чертежи задания заводу изготовителю на шкафы управления Ш

Обозначение: Типовой проект 901-2-192.91
Обозначение англ: 901-2-192.91
Статус:не определен законодательством
Название рус.:Альбом 4. Чертежи задания заводу изготовителю на шкафы управления Ш
Дата добавления в базу:01.09.2013
Дата актуализации:01.01.2021
Дата введения:03.07.1991
Дата окончания срока действия:30.06.2003
Разработан: Проектно-изыскательский институт Мосгипротранс
Утверждён:03.07.1991 Министерство транспортного строительства СССР (USSR Ministry of Transport Construction СВ-588)
Заменяет собой:
Типовой проект 901-2-192.91Типовой проект 901-2-192.91Типовой проект 901-2-192.91Типовой проект 901-2-192.91Типовой проект 901-2-192.91Типовой проект 901-2-192.91Типовой проект 901-2-192.91Типовой проект 901-2-192.91Типовой проект 901-2-192.91Типовой проект 901-2-192.91Типовой проект 901-2-192.91Типовой проект 901-2-192.91Типовой проект 901-2-192.91Типовой проект 901-2-192.91Типовой проект 901-2-192.91Типовой проект 901-2-192.91Типовой проект 901-2-192.91Типовой проект 901-2-192.91