Скачать 14.0063 Железобетонные вибрированные стойки повышенной прочности ВЛ 10 кВ со штыревыми изоляторами. Рабочие чертежиДата актуализации: 01.01.2021
|
| Обозначение: | 14.0063 |
| Обозначение англ: | 14.0063 |
| Статус: | не определен законодательством |
| Название рус.: | Железобетонные вибрированные стойки повышенной прочности ВЛ 10 кВ со штыревыми изоляторами. Рабочие чертежи |
| Дата добавления в базу: | 01.09.2013 |
| Дата актуализации: | 01.01.2021 |
| Дата введения: | 15.06.1995 |
| Дата окончания срока действия: | 30.06.2003 |
| Область применения: | В проекте разработаны варианты армирования стоек сталью пятого и шестого классов, отличающейся достаточно высокой эффективностью. Эти варианты армирования имеют наиболее широкую область применения в неагрессивных и слабоагрессивных средах |
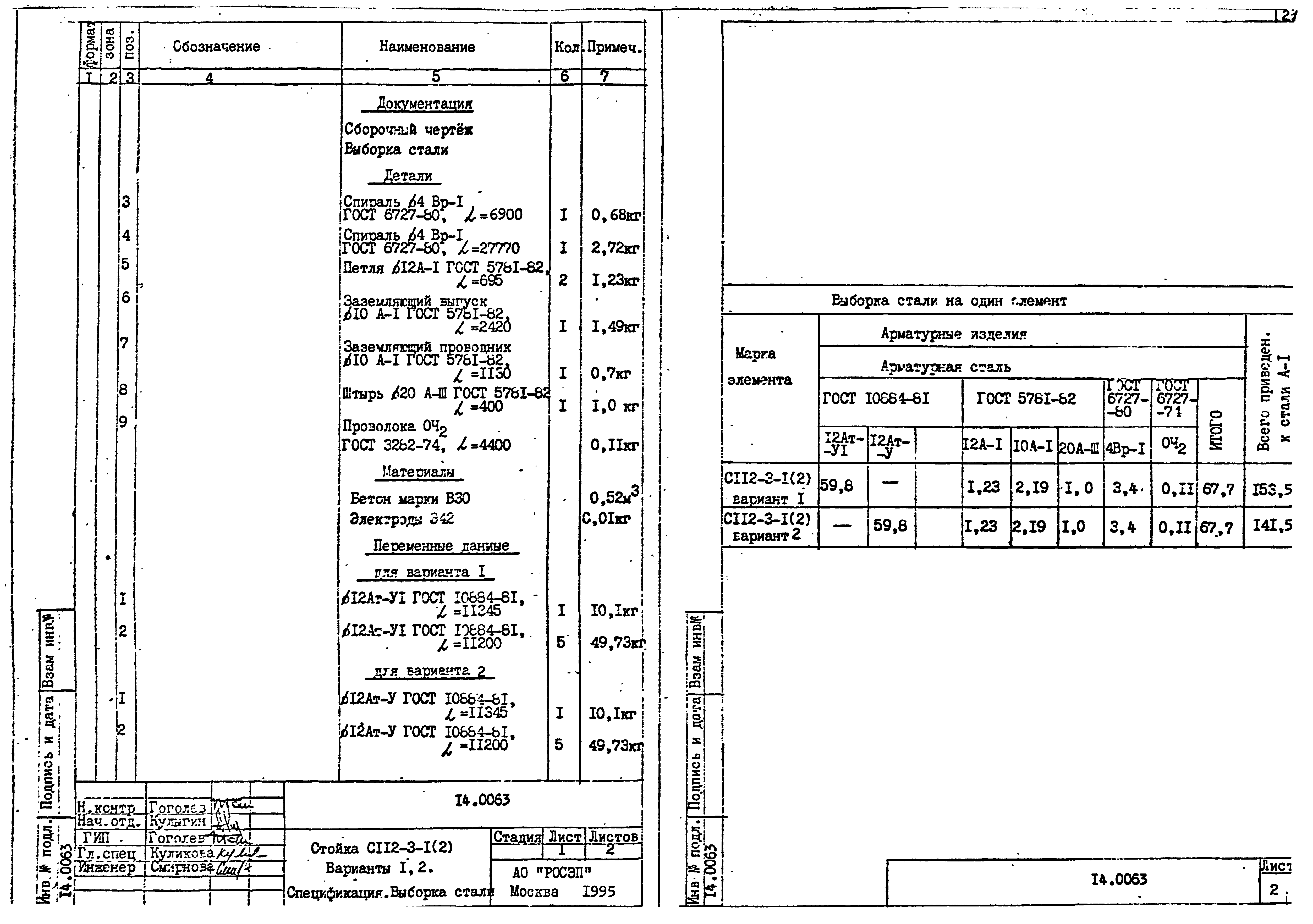
| Оглавление: | Пояснительная записка 1. Введение 2. Конструктивные исполнения стоек 3. Расчетные параметры стоек 4. Технико-экономические показатели стоек Чертежи 1. Поперечное армирование спирали 2. Поперечное армирование сетки |
| Разработан: | РОСЭП |
| Утверждён: | 15.06.1995 РАО ЕЭС России (UES of Russia RAO 11-02) |




































