Скачать Инструкция по капитальному ремонту тепловых сетейДата актуализации: 01.01.2021 |
| Статус: | отменен в рф |
| Название рус.: | Инструкция по капитальному ремонту тепловых сетей |
| Дата добавления в базу: | 01.09.2013 |
| Дата актуализации: | 01.01.2021 |
| Дата введения: | 20.04.1985 |
| Дата окончания срока действия: | 25.06.2020 |
| Область применения: | Приведены основные технические требования и краткая технология проведения работ при капитальном ремонте подземных тепловых сетей. Инструкция предназначена для инженерно-технических работников теплоэнергетических предприятий при проведении капитального ремонта подземных теплопроводов. |
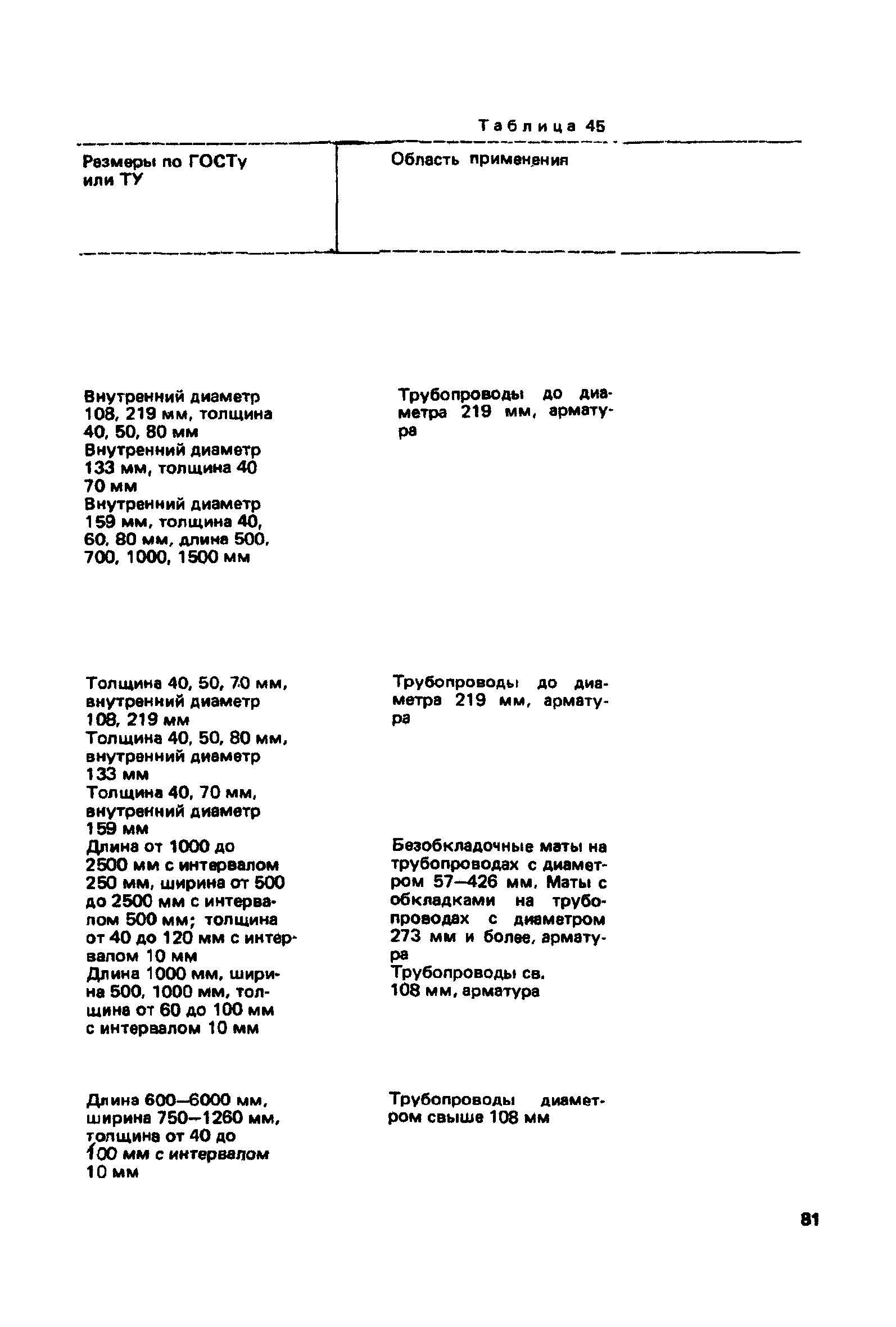
| Оглавление: | 1. Общая часть 2. Организация ремонтных работ 3. Земляные работы Вскрытие подземных тепловых сетей Крепление траншей Водоотведение Устройство оснований Обратная засыпка траншей Контроль качества земляных работ 4. Восстановление строительных конструкций Восстановление железобетонных конструкций Гидроизоляция строительных конструкций Бетонные работы Производство работ по кирпичной кладке контроль качества работ по восстановлению строительных конструкций 5. Замена металлических трубопроводов Выбор труб для тепловых сетей Отбраковка и восстановление труб Изготовление и монтаж трубопроводов Сварочные работы Защита трубопроводов от наружной коррозии Контроль качества монтажно-сварочных работ 6. Замена теплоизоляционных конструкций Основные требования к выбору и монтажу тепловой изоляции Изоляция трубопроводов волокнистыми материалами и изделиями Тепловая изоляция трубопроводов бесканальной прокладки Покровно-защитные материалы Замена тепловой изоляции без вскрытия каналов Контроль качества теплоизоляционных работ Приложение 1. Формы актов на ремонтные работы Приложение 2. Нормы расхода материалов Приложение 3. Потребность в ручных и измерительных инструментах Приложение 4. Сборные железобетонные каналы |
| Разработан: | Академия коммунального хозяйства им. К.Д. Памфилова |
| Утверждён: | 20.04.1985 Минжилкомхоз РСФСР (Russian Federation Minzhilkomkhoz 220) |
| Издан: | Стройиздат (1988 г. ) |
| Нормативные ссылки: |
|
















































































































































