Скачать Типовой проект 902-9-11 Альбом IV. Электротехническая часть. Связь и сигнализацияДата актуализации: 01.01.2021
|
| Обозначение: | Типовой проект 902-9-11 |
| Обозначение англ: | 902-9-11 |
| Статус: | не определен законодательством |
| Название рус.: | Альбом IV. Электротехническая часть. Связь и сигнализация |
| Дата добавления в базу: | 01.09.2013 |
| Дата актуализации: | 01.01.2021 |
| Дата введения: | 08.07.1981 |
| Дата окончания срока действия: | 30.06.2003 |
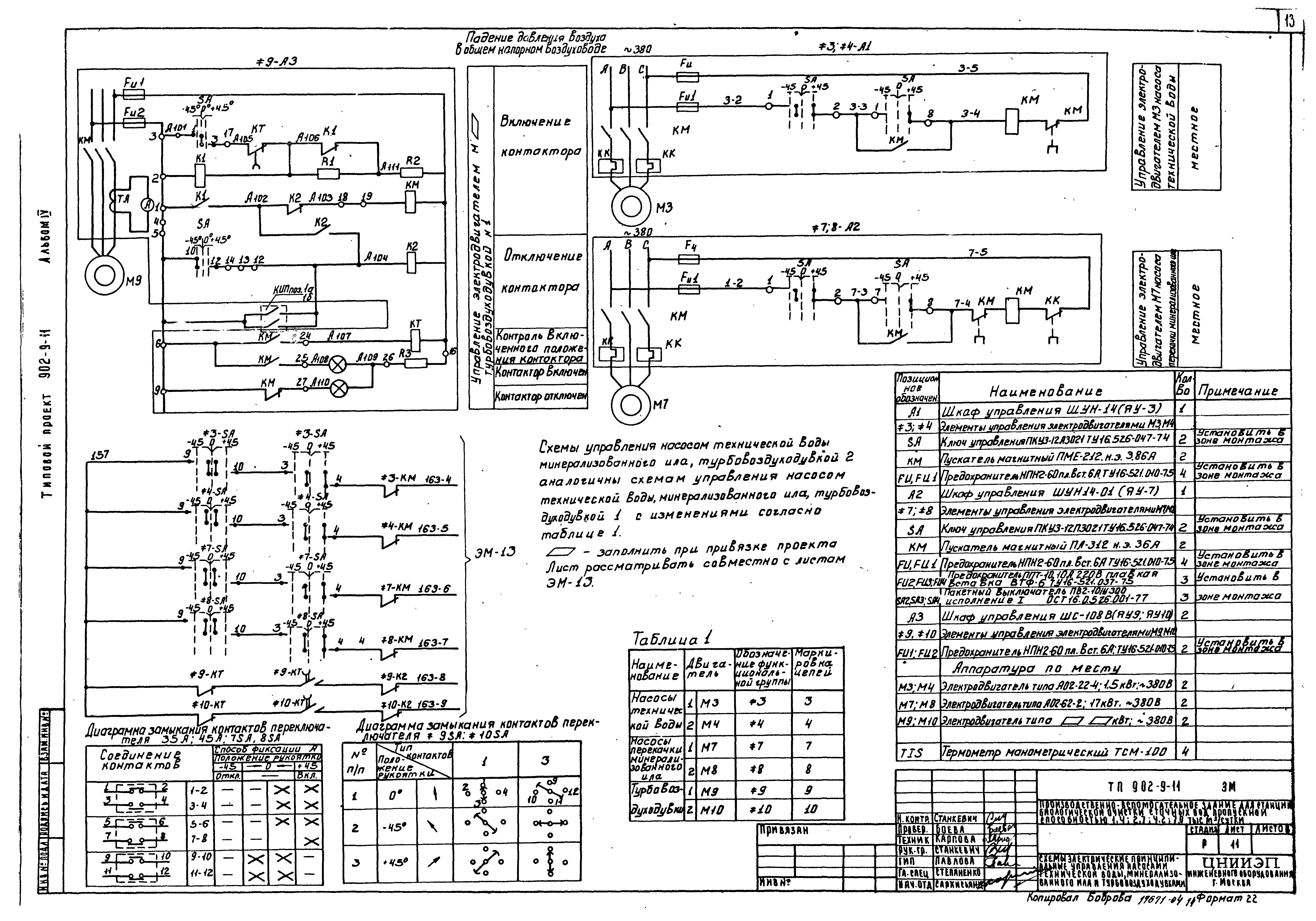
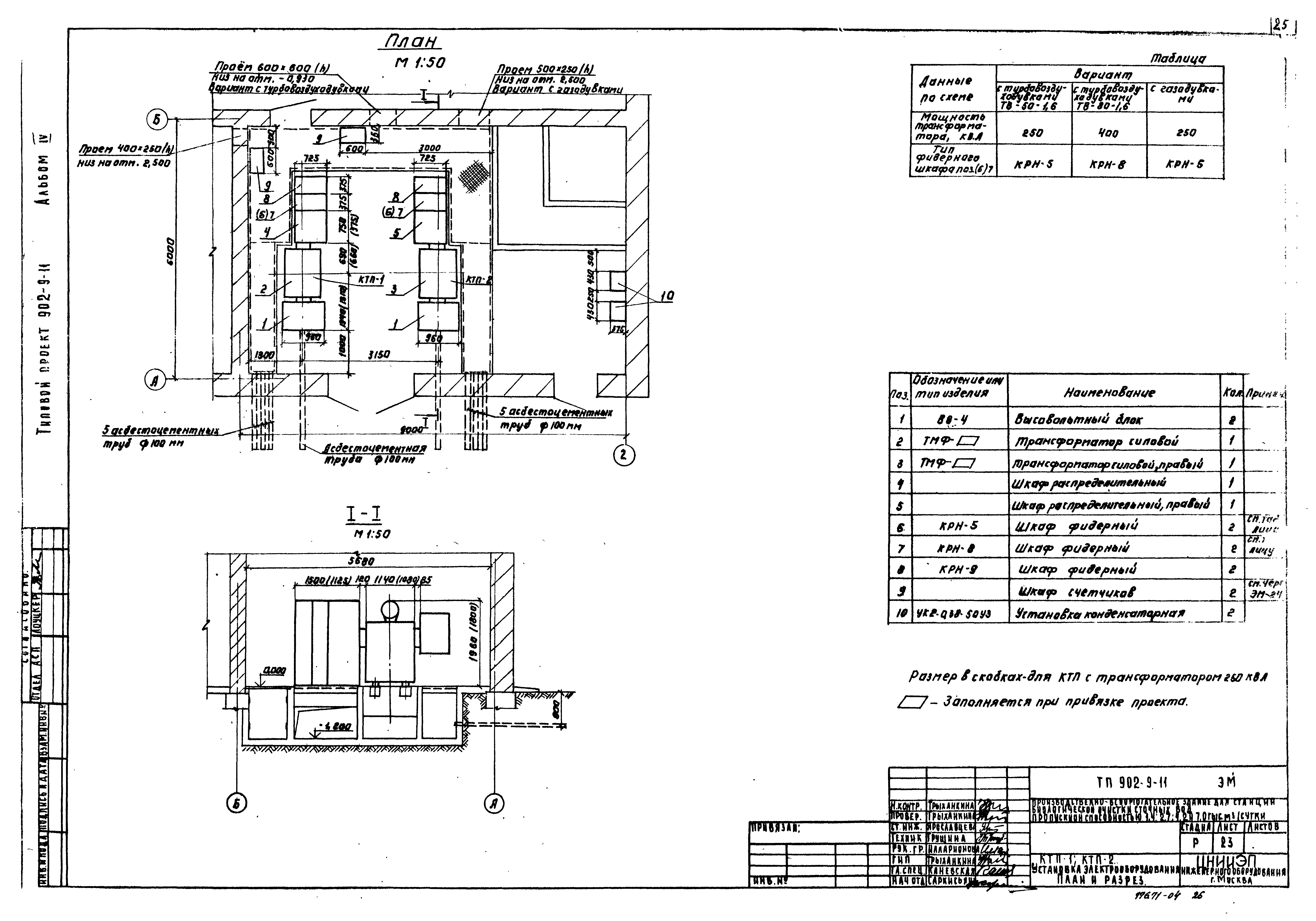
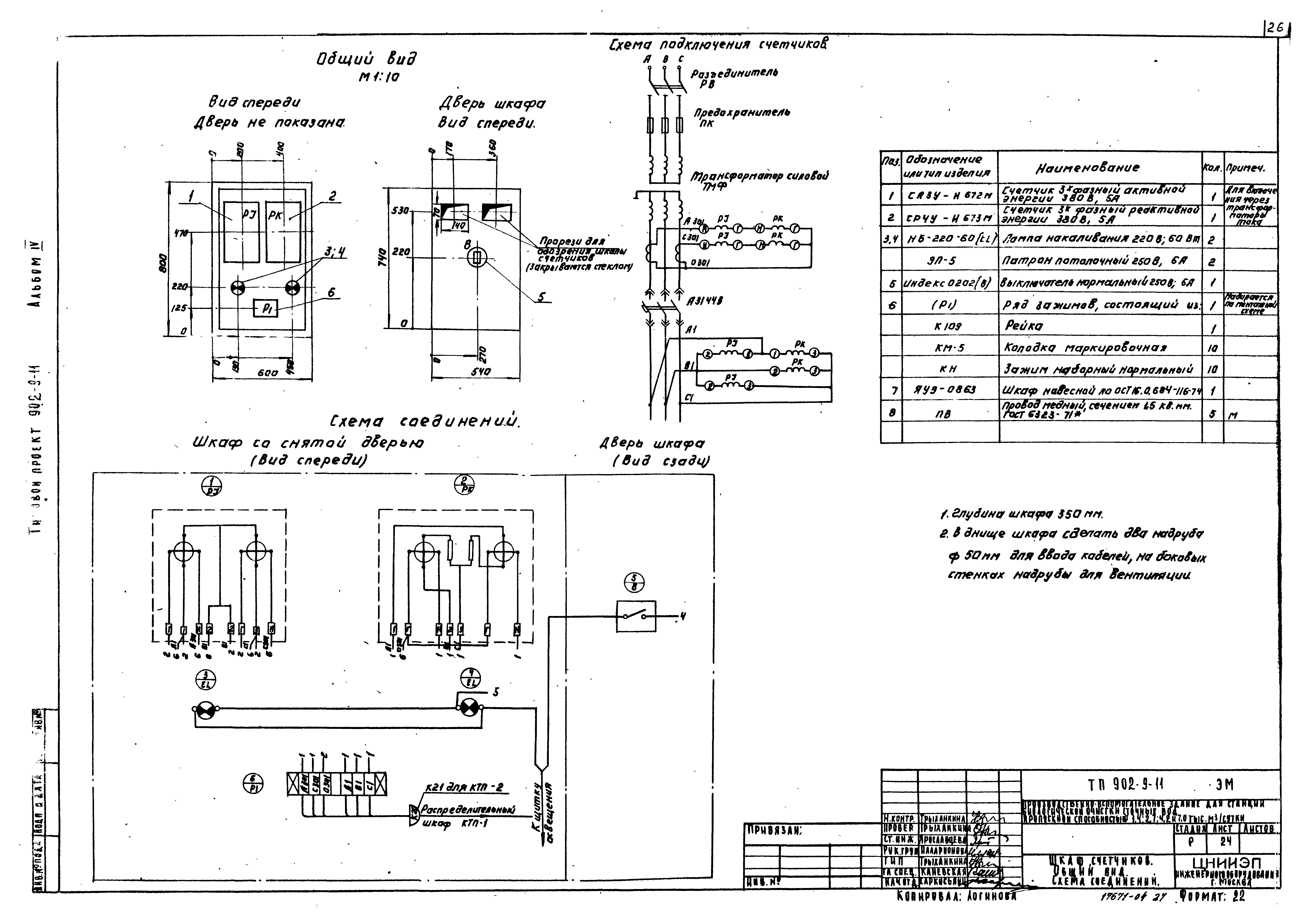
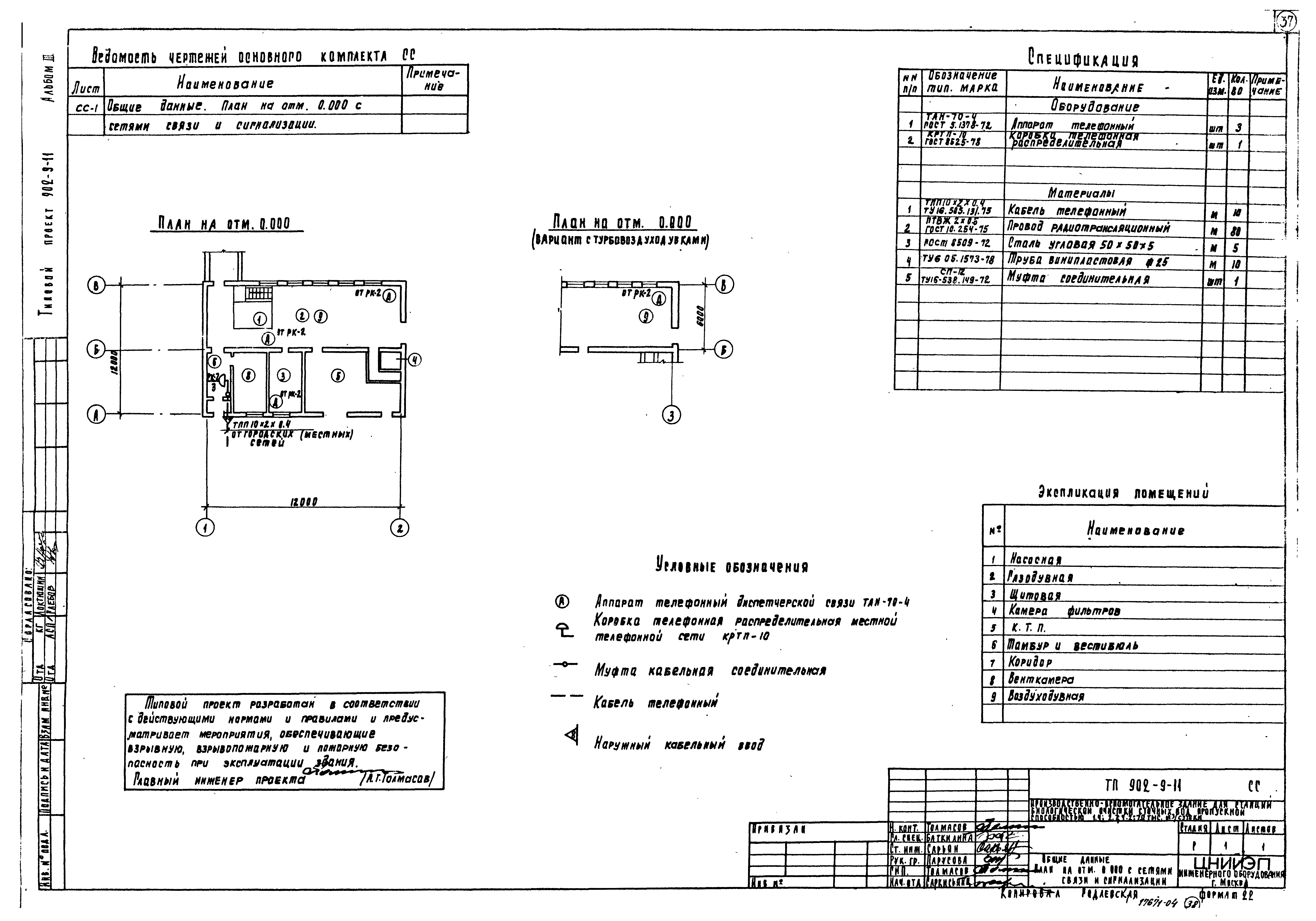
| Оглавление: | Содержание альбома Электротехническая часть Общие данные Ведомость электрооборудования и материалов Вариант с турбовоздуходувками ТВ-50-1.6 КТП-1, КТП-2. Принципиальная однолинейная схема Вариант с турбовоздуходувками ТВ-80-1.6 КТП-1, КТП-2. Принципиальная однолинейная схема Вариант с газодуходувками КТП-1, КТП-2. Принципиальная однолинейная схема Схема электрическая принципиальная питания электрооборудования Схемы электрические принципиальные управления насосами технической воды, минерализованного ила и турбовоздуходувками Схема электрическая принципиальная управления насосами хозбытовых стоков, дренажными насосами Схема электрическая принципиальная аварийной сигнализации Схема подключения электрооборудования Кабельный журнал Размещение электрооборудования и прокладка кабеля. План на отм. 0.00 и -3.600 Размещение электрооборудования и прокладка кабеля. План на отм. 0.00 КТП-1, КТП-2. Установка электрооборудования. План и разрез Шкаф счетчиков. Общий вид. Схема соединений КТП-1, КТП-2. Заземление. План Электроосвещение Электрическое освещение. План на отм. 0.000 и - 3.600 Задание заводу-изготовителю Вариант с турбовоздуходувками ТВ-50-1.6. Опросный лист для заказа КТП1. Армэлектрозавода Вариант с турбовоздуходувками ТВ-50-1.6. Опросный лист для заказа КТП2. Армэлектрозавода Вариант с турбовоздуходувками ТВ-80-1.6. Опросный лист для заказа КТП1. Армэлектрозавода Вариант с турбовоздуходувками ТВ-80-1.6. Опросный лист для заказа КТП2. Армэлектрозавода Вариант с газодуходувками. Опросный лист для заказа КТП1. Армэлектрозавода Вариант с газодуходувками. Опросный лист для заказа КТП2. Армэлектрозавода Автоматизация и КИП Общие данные. Схема подключения приборов технологического контроля Связь и сигнализация Общие данные. План на отм. 0.000 с сетями связи и сигнализации |
| Разработан: | ЦНИИЭП |
| Утверждён: | 20.02.1981 Госгражданстрой (Gosgrazhdanstroy 59) |
| Заменяет собой: |






































