Скачать Типовые проектные решения 903-1-0230.86 Альбом 1. Пояснительная записка. Тепломеханические решения. Газоснабжение. Мазутоснабжение. Электроснабжение. Конструкции железобетонныеДата актуализации: 01.01.2021
|
| Обозначение: | Типовые проектные решения 903-1-0230.86 |
| Обозначение англ: | 903-1-0230.86 |
| Статус: | справочные материалы, мп, тпр |
| Название рус.: | Альбом 1. Пояснительная записка. Тепломеханические решения. Газоснабжение. Мазутоснабжение. Электроснабжение. Конструкции железобетонные |
| Дата добавления в базу: | 01.09.2013 |
| Дата актуализации: | 01.01.2021 |
| Дата введения: | 01.03.1987 |
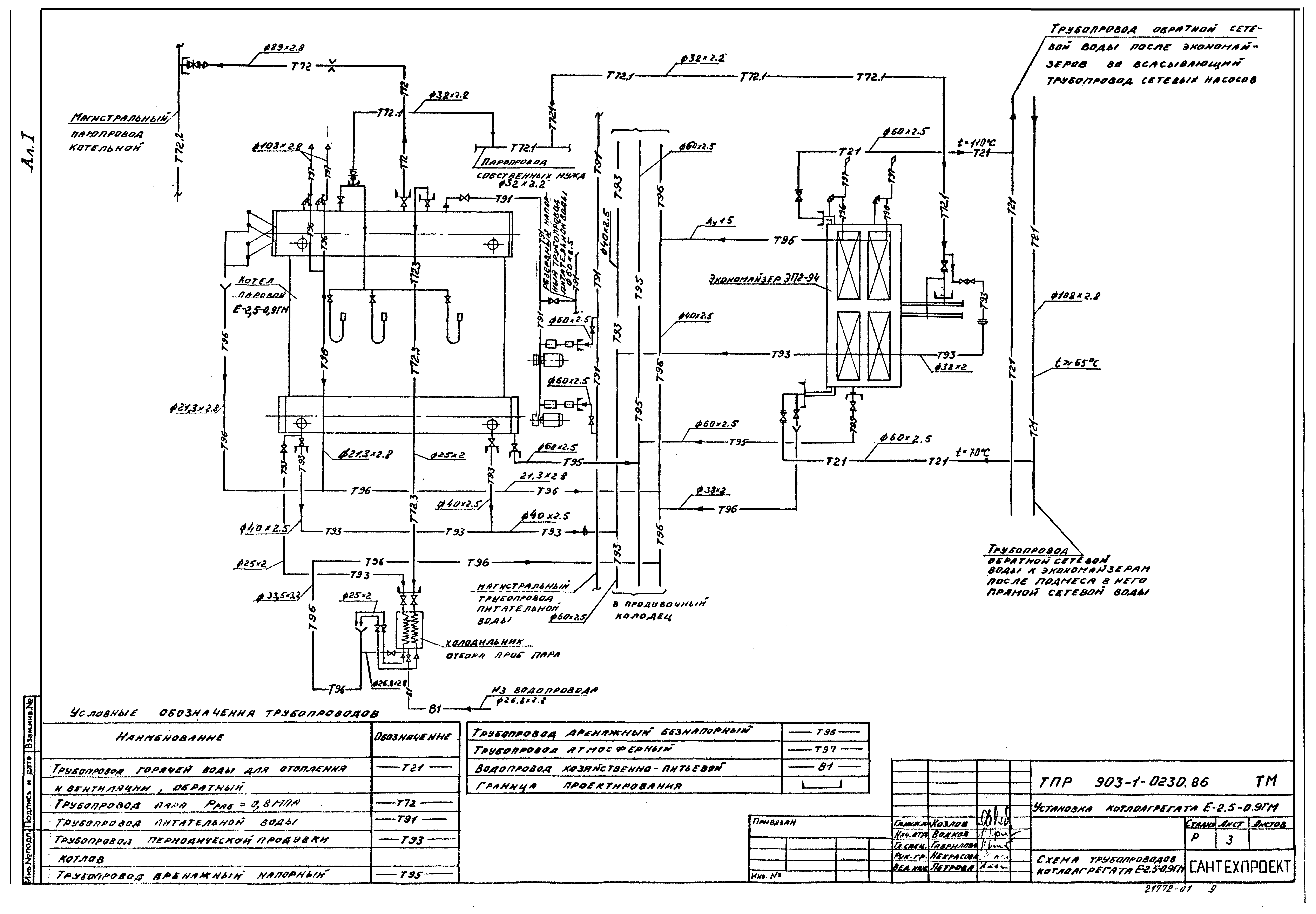
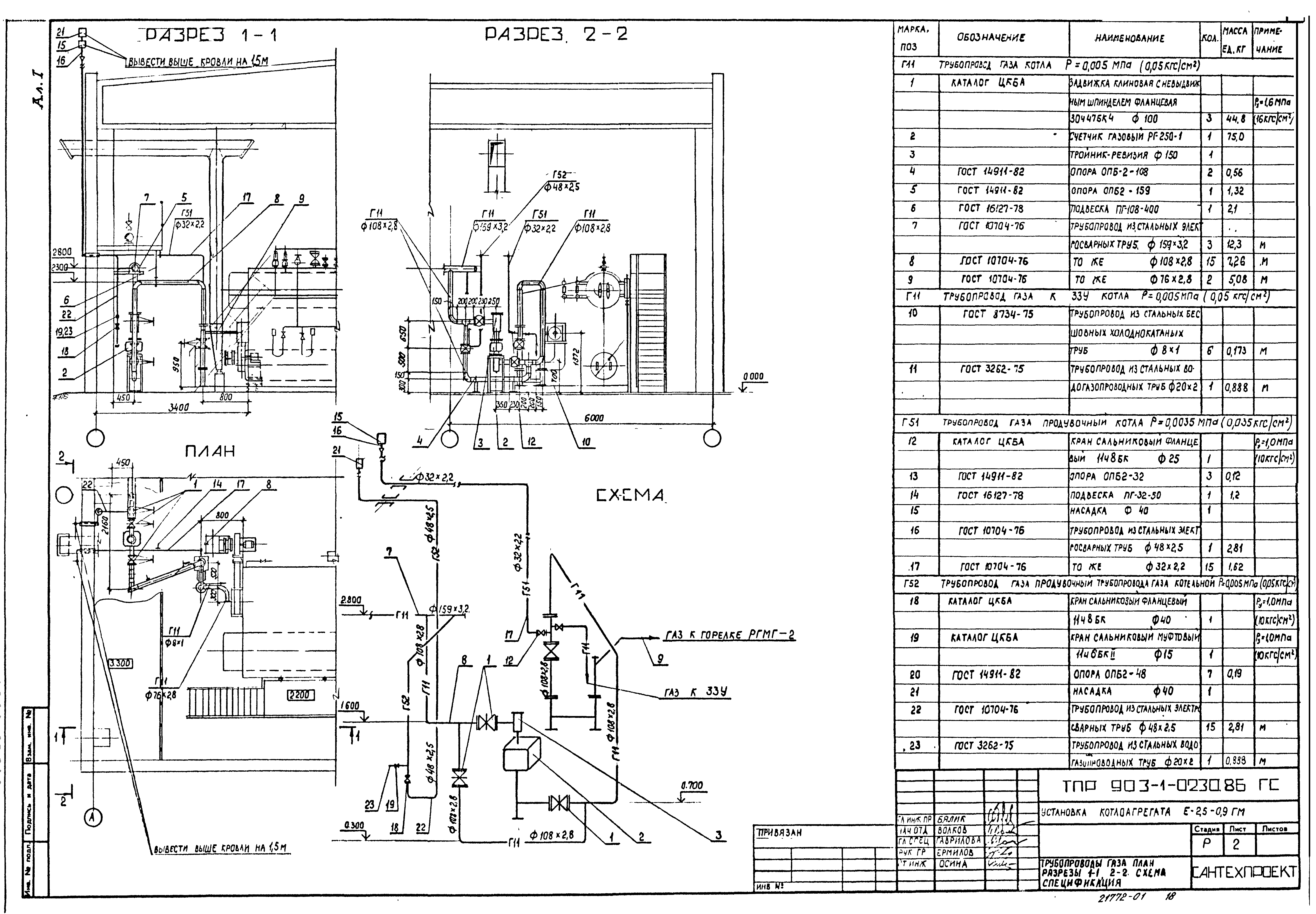
| Оглавление: | Пояснительная записка Тепломеханические решения (чертежи марки ТМ) Общие данные Компоновка котлоагрегата Е-2.5-0.9ГМ. Вид сверху. Разрезы 1-1, 2-2 Схема трубопроводов котлоагрегата Е-2.5-0.9ГМ Трубопроводы котлоагрегата Е-2.5-0.9ГМ Трубопроводы котлоагрегата Е-2.5-0.9ГМ. Спецификация Газоходы и воздуховоды котлоагрегата Е-2.5-0.9ГМ Газоходы и воздуховоды котлоагрегата Е-2.5-0.9ГМ. Спецификация. Детали Ведомость теплоизоляционных конструкций на оборудование и трубопроводы котлоагрегата Е-2.5-0.9ГМ Рекомендуемая совместная компоновка котлов ДКВР-2,5-13 и Е-2.5-0.9ГМ Изоляция коробов и газоходов прямоугольного сечения Газоснабжение (чертежи марки ГС) Общие данные Трубопроводы газа. План. Разрезы 1-1, 2-2. Схема. Спецификация Мазутоснабжение (чертежи марки МС) Общие данные Мазутопроводы к котлу Е-2.5-0.9ГМ Электротехническая часть (чертежи марки ЭМ, ЭО) Силовое электрооборудование Электроосвещение и заземление Строительная часть (чертежи марки КЖ) Общие данные Схема расположения канала и фундаментов под оборудование Фундаменты под дымосос ФОм1; ФОм2; ФОм3. Фундамент под котел Е-2.5-0.9ГМ ФОм4 |
| Разработан: | Сантехпроект Госстроя СССР |
| Утверждён: | 08.10.1986 Госстрой СССР (Государственный комитет Совета Министров СССР по делам строительства) (USSR Gosstroy 74) |
























