Скачать Типовые проектные решения 902-3-072.87 Альбом 1. Пояснительная записка. Компоновочные схемы. Сооружения подземной фильтрацииДата актуализации: 01.01.2021
|
| Обозначение: | Типовые проектные решения 902-3-072.87 |
| Обозначение англ: | 902-3-072.87 |
| Статус: | справочные материалы, мп, тпр |
| Название рус.: | Альбом 1. Пояснительная записка. Компоновочные схемы. Сооружения подземной фильтрации |
| Дата добавления в базу: | 01.09.2013 |
| Дата актуализации: | 01.01.2021 |
| Дата введения: | 01.04.1988 |
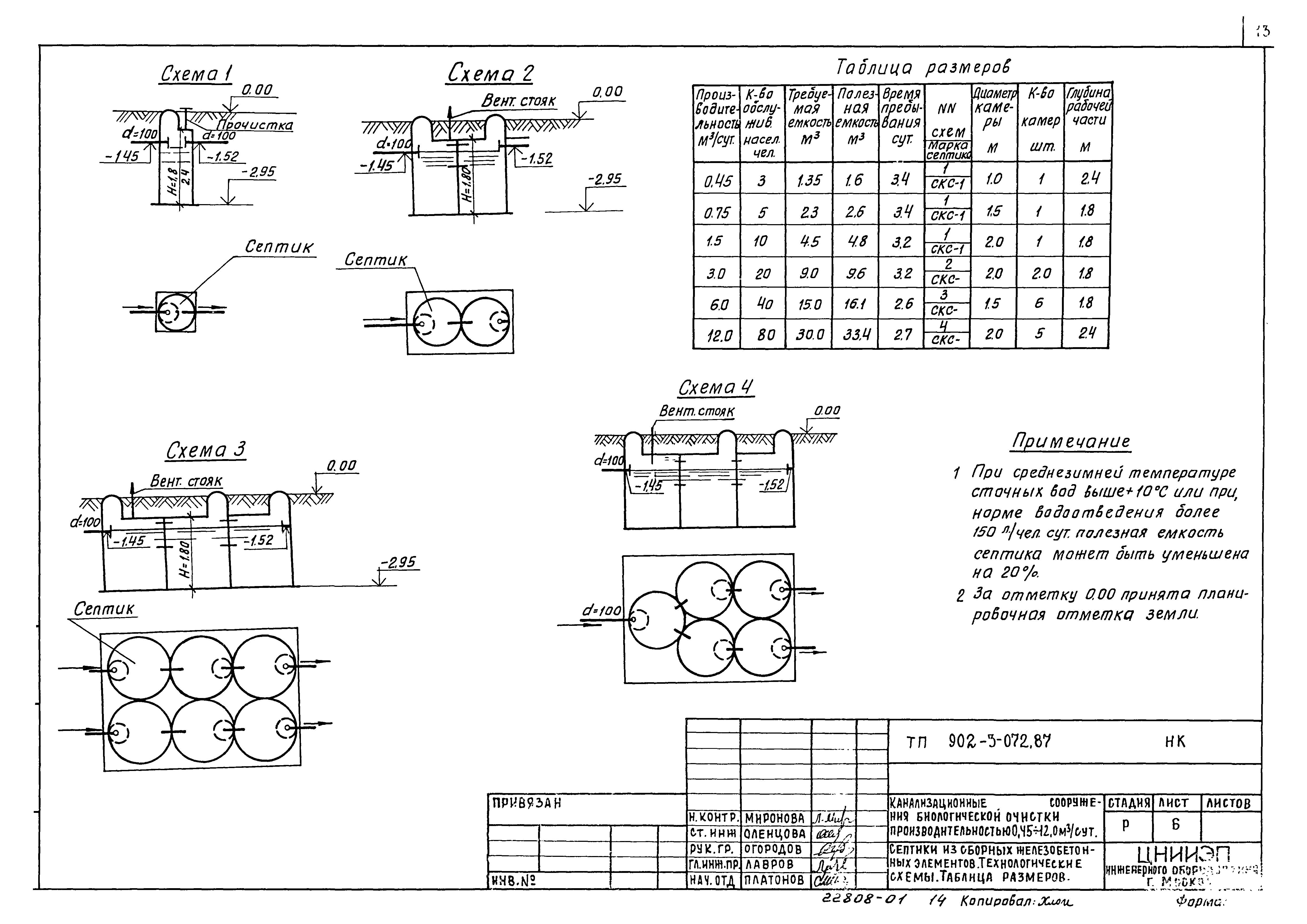
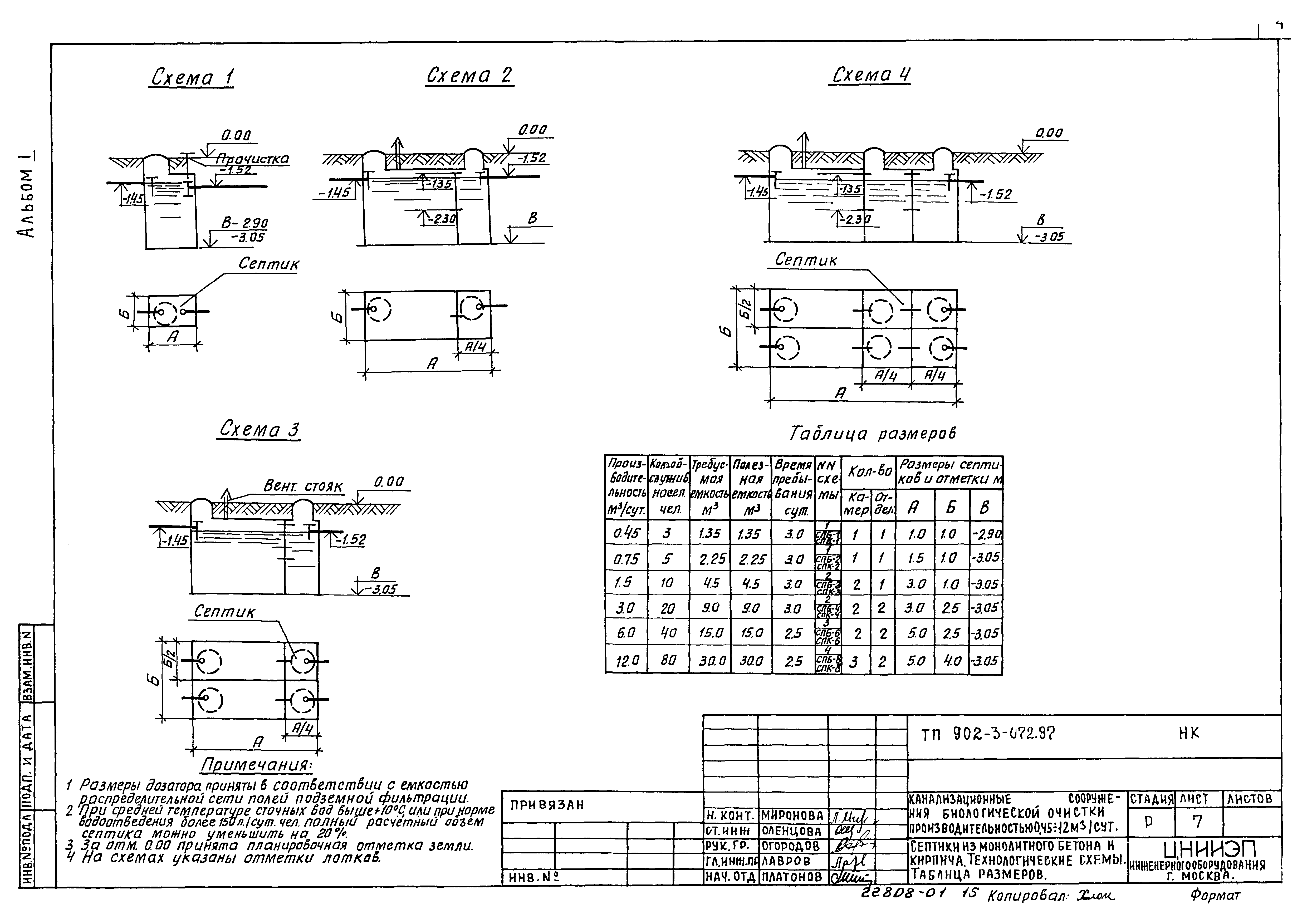
| Оглавление: | Общие данные Пояснительная записка Схемы компоновок сооружений. Септики и фильтрующие колодцы производительностью 0,45 - 0,75 куб м/сутки. Экспликация. Условные обозначения Схемы компоновок сооружений. Септики и поля подземной фильтрации производительностью 0,45 - 12,0 куб м /сутки Схемы компоновок сооружений. Септики и фильтрующие траншеи производительностью 0,45 - 1,5 куб м /сутки Схемы компоновок сооружений. Септики и фильтрующие траншеи производительностью 3,0 - 12,0 куб м /сутки Схемы компоновок сооружений. Септики и песчано - гравийные фильтры производительностью 0,45 - 12,0 куб м /сутки Септики из сборных железобетонных элементов. Технологические схемы. Таблица размеров Септики из монолитного бетона и кирпича. Технологические схемы. Таблица размеров Фильтрующие колодцы. Схемы. Таблица размеров. Спецификация Поля подземной фильтрации. Схема. Разрезы. Спецификация материалов Поля подземной фильтрации. Расчетные длины оросительных труб Поля подземной фильтрации. Технологические параметры Поля подземной фильтрации. Расчетные схемы Песчано - гравийные фильтры. Схемы. Размеры площадей Песчано - гравийные фильтры. План. Разрезы Песчано - гравийные фильтры. Технологические параметры Фильтрующие траншеи. Расчетные схемы Фильтрующие траншеи. Разрезы. Ведомость фасонных частей Фильтрующие траншеи. Технологические параметры |
| Разработан: | ЦНИИЭП инженерного оборудования |
| Утверждён: | 30.10.1987 Госгражданстрой (Gosgrazhdanstroy 333) |
| Заменяет собой: |
|


























