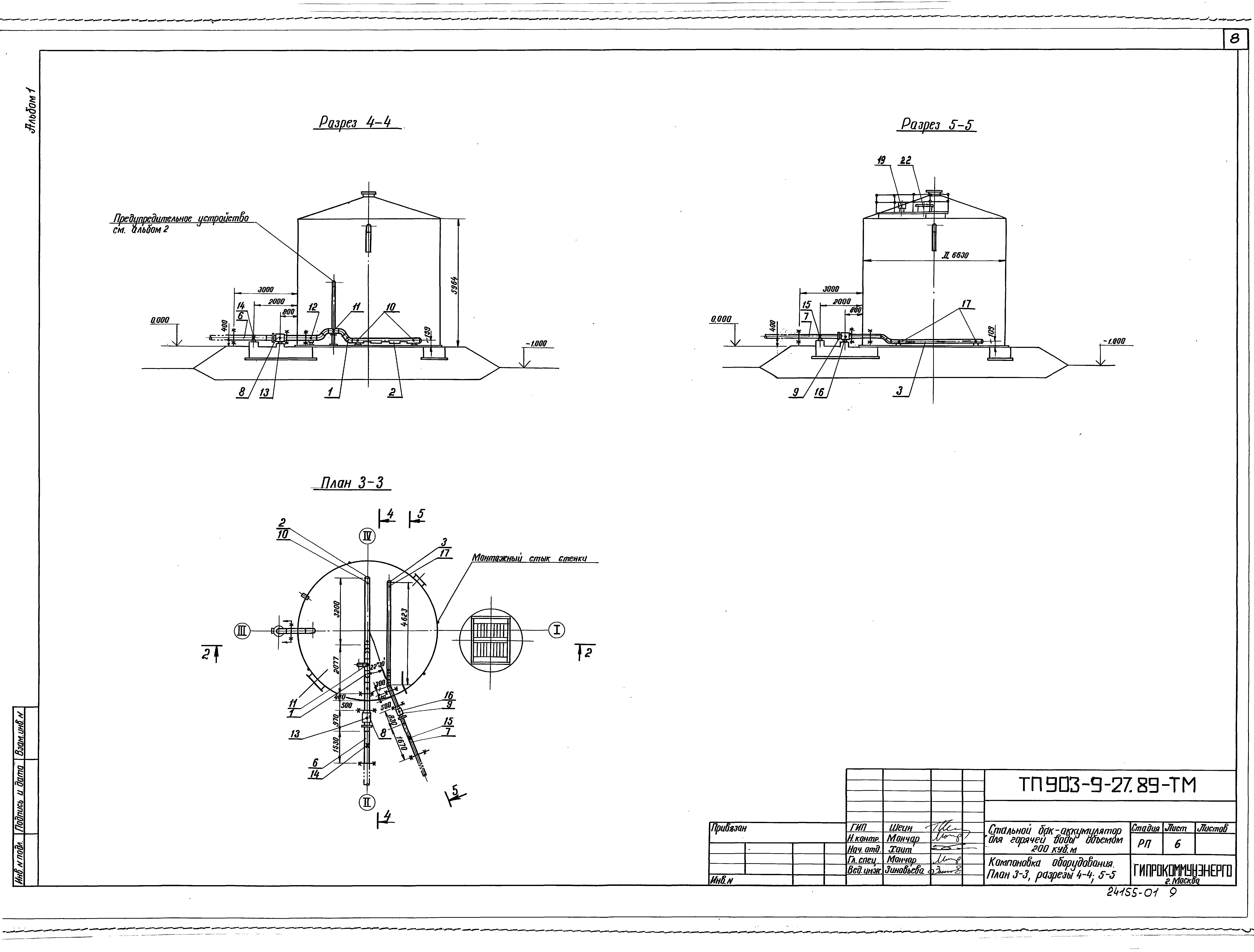
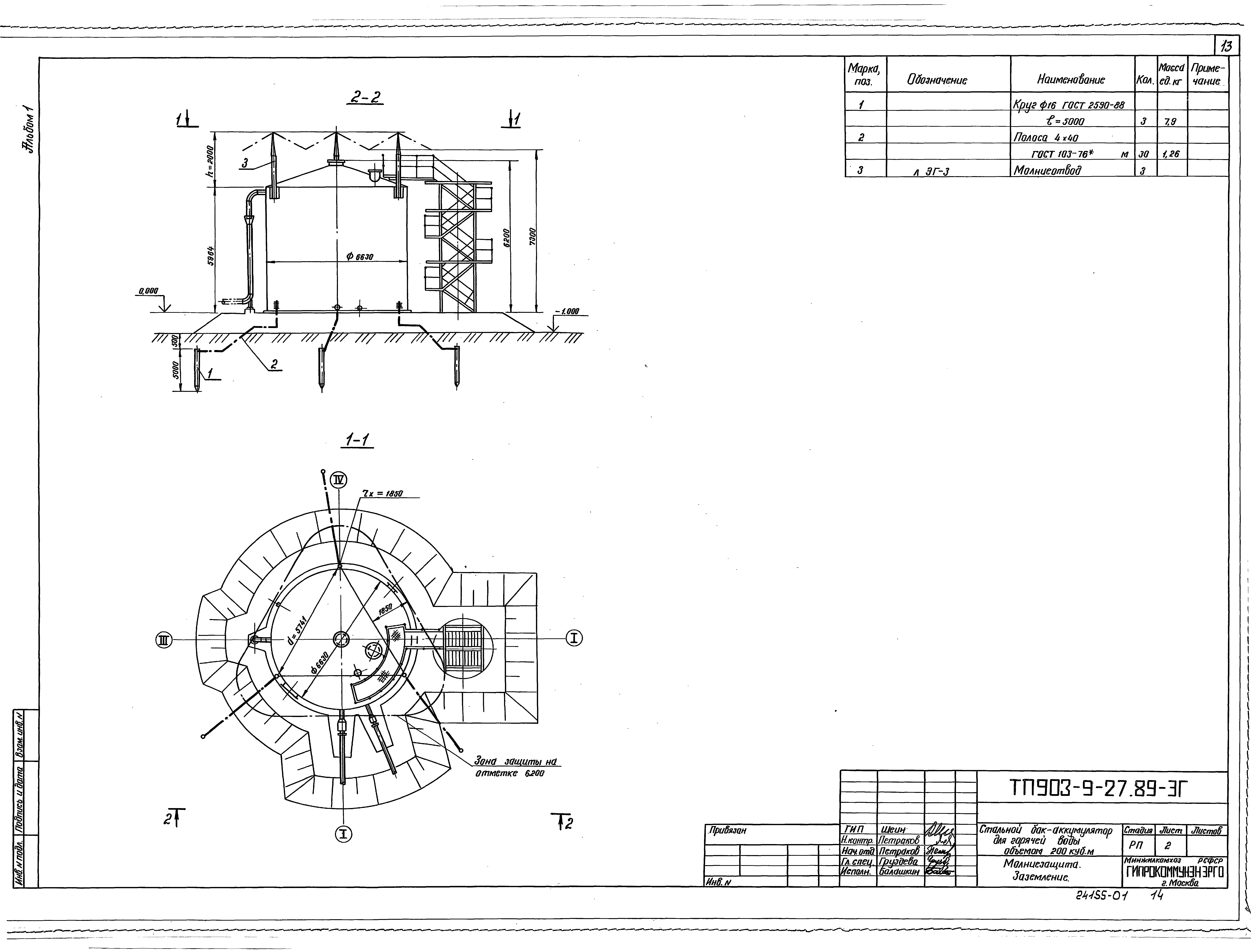
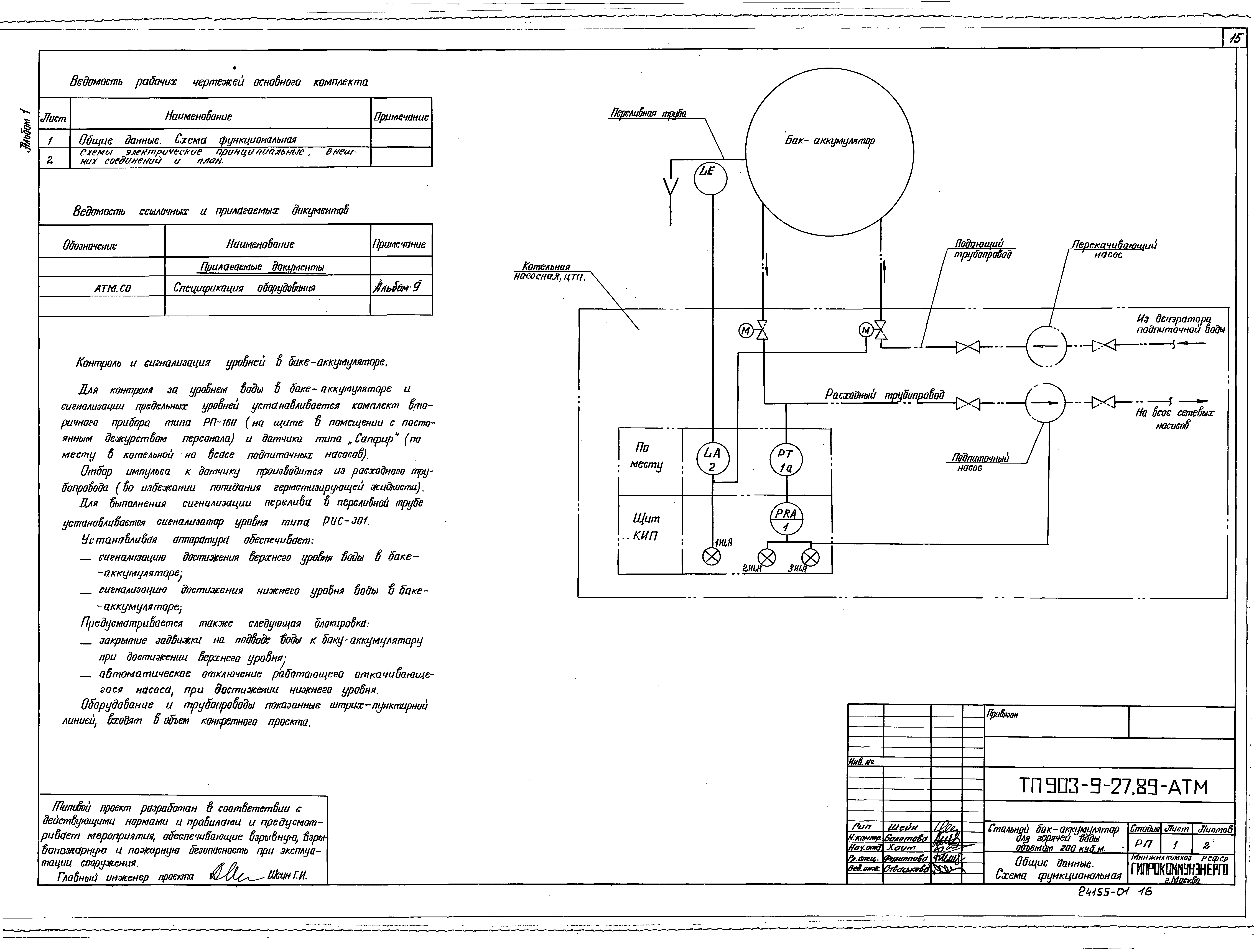
Скачать Типовой проект 903-9-27.89 Альбом 1. Техническое оборудование. Молниезащита. Контроль и сигнализация. Тепловая изоляция защитыДата актуализации: 01.01.2021 Типовой проект 903-9-27.89
Альбом 1. Техническое оборудование. Молниезащита. Контроль и сигнализация. Тепловая изоляция защиты| Обозначение: | Типовой проект 903-9-27.89 | | Обозначение англ: | 903-9-27.89 | | Статус: | не действует | | Название рус.: | Альбом 1. Техническое оборудование. Молниезащита. Контроль и сигнализация. Тепловая изоляция защиты | | Дата добавления в базу: | 01.09.2013 | | Дата актуализации: | 01.01.2021 | | Разработан: | Гипрокоммунэнерго
| | Утверждён: | 18.07.1988 Министерство жилищно-коммунального хозяйства РСФСР (201)
| | Издан: | ЦИТП Госстроя СССР (CITP, Gosstroy (USSR) 1990 г. )
|
                  
|