Скачать Альбом ПП 16-19 Унифицированные водомерные узлы со счетчиками диаметром 50 - 150 мм с фильтрами очистки водыДата актуализации: 01.01.2021
|
| Обозначение: | Альбом ПП 16-19 |
| Обозначение англ: | ПП 16-19 |
| Статус: | не определен законодательством |
| Название рус.: | Унифицированные водомерные узлы со счетчиками диаметром 50 - 150 мм с фильтрами очистки воды |
| Дата добавления в базу: | 01.09.2013 |
| Дата актуализации: | 01.01.2021 |
| Дата введения: | 16.06.1998 |
| Дата окончания срока действия: | 30.06.2003 |
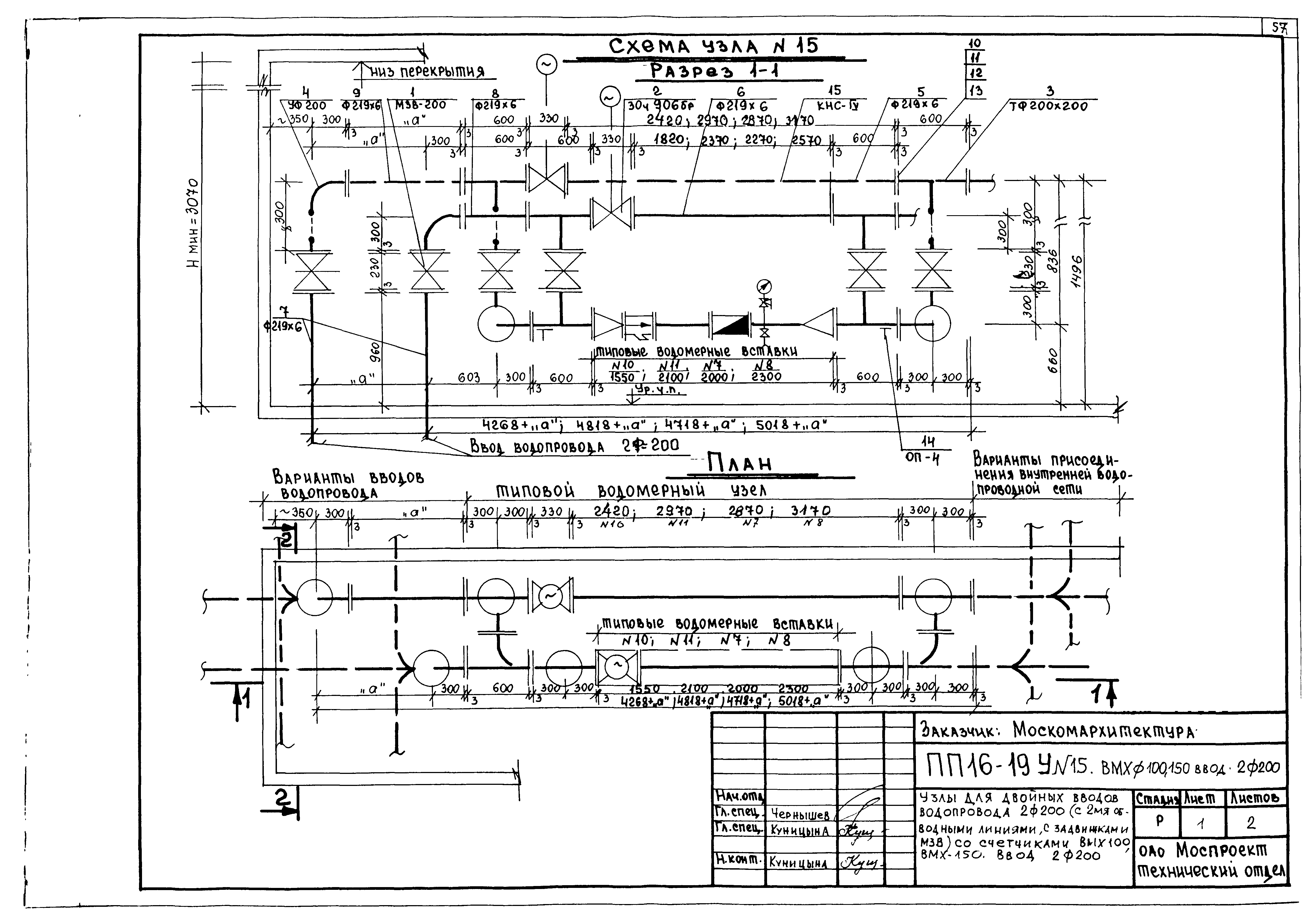
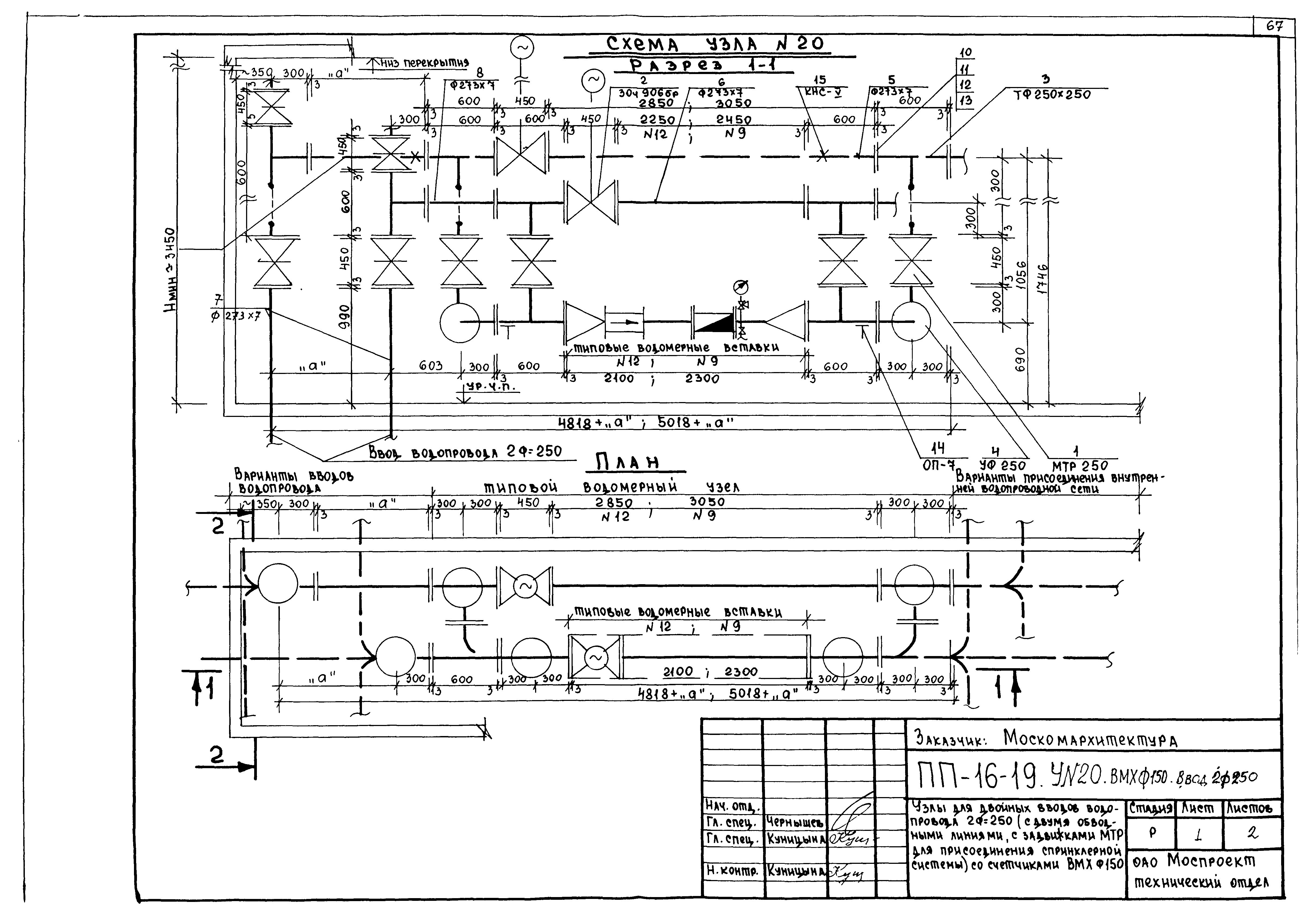
| Оглавление: | Содержание Пояснительная записка Типовые водомерные вставки Минимальные водомерные вставки № 1 - 5 со счетчиками ВМХ-50, ВМХ-65, фильтрами ФМФ - 50, 65, стальными переходами ввод диаметром 50, 100, 150 мм Спецификация на минимальные водомерные вставки № 1, 2, 3, 4, 5 со счетчиками ВМХ-50, 65 и фильтрами ФМФ - 50, 65, стальными переходами ввод диаметром 50, 100, 150 мм Минимальные водомерные вставки № 6, 7, 8, 9, 10 со счетчиками ВМХ-80, ВМХ-100 и фильтрами ФМФ - 80, 100, стальными переходами. Ввод диаметром 80, 100, 150, 200 мм Спецификация на минимальные водомерные вставки № 6, 7, 8, 9, 10 со счетчиками ВМХ-80, 100 и фильтрами ФМФ - 80, 100, стальными переходами. Ввод диаметром 80, 100, 150, 200 мм Минимальные водомерные вставки № 11, 12 со счетчиком ВМХ - 150, фильтром ФМФ 150, стальными переходами. Ввод диаметром 200, 250 мм Спецификация на минимальные водомерные вставки № 11, 12 со счетчиком ВМХ - 150, фильтром ФМФ 150, стальными переходами. Ввод диаметром 200, 250 мм Унифицированные водомерные вставки № 1 - 5 со счетчиком ВМХ - 50, 65 и фильтрами ФМФ 50, 65, со стальными переходами. Ввод диаметром 50, 100, 150 мм Спецификация на унифицированные водомерные вставки № 1 - 5 со счетчиком ВМХ - 50, 65 и фильтрами ФМФ 50, 65, со стальными переходами. Ввод диаметром 50, 100, 150 мм Унифицированные водомерные вставки № 6, 7, 8, 9, 10 со счетчиками ВМХ 80, 100, фильтрами ФМФ 80, 100, стальными переходами. Ввод диаметром 80, 100, 150, 200 мм Спецификация на унифицированные водомерные вставки № 6, 7, 8, 9, 10 со счетчиками ВМХ 80, 100, фильтрами ФМФ 80, 100, стальными переходами. Ввод диаметром 80, 100, 150, 200 мм Унифицированные водомерные вставки № 11, 12 со счетчиком ВМХ-150, фильтром ФМФ 150, стальными переходами. Ввод диаметром 200, 250 мм Спецификация на унифицированные водомерные вставки № 11, 12 со счетчиком ВМХ-150, фильтром ФМФ 150, стальными переходами. Ввод диаметром 200, 250 мм Минимальные водомерные вставки № 1, 2, 3, 4, 5 со счетчиками ВМХ 65, 80 фильтрами ФМФ 65, 80, чугунными переходами. Ввод диаметром 80, 100, 150 мм Спецификация на минимальные водомерные вставки № 1, 2, 3, 4, 5 со счетчиками ВМХ 65, 80 фильтрами ФМФ 65, 80, чугунными переходами. Ввод диаметром 80, 100, 150 мм Минимальные водомерные вставки № 6, 7, 8, 9 со счетчиками ВМХ 100, 150 фильтром ФМФ 100, 150, чугунными переходами. Ввод диаметром 150, 200, 250 мм Спецификация на минимальные водомерные вставки № 6, 7, 8, 9 со счетчиками ВМХ 100, 150 фильтром ФМФ 100, 150, чугунными переходами. Ввод диаметром 150, 200, 250 мм Унифицированные водомерные вставки № 1, 2, 3, 4, 5 со счетчиками ВМХ 65, 80 фильтрами ФМФ 65, 80, чугунными переходами. Ввод диаметром 80, 100, 150 мм Спецификация на унифицированные водомерные вставки № 1, 2, 3, 4, 5, 6 со счетчиками ВМХ 65, 80, 100 фильтрами ФМФ 65, 80, 100 с чугунными переходами. Ввод диаметром 80, 100, 150 мм Унифицированные водомерные вставки № 6, 7 со счетчиком ВМХ 100, 150, фильтром ФМФ 100, 150, чугунными переходами. Ввод диаметром 150, 200, 250 мм Спецификация на унифицированные водомерные вставки № 7, 8, 9 со счетчиками ВМХ 100, 150, фильтрами ФМФ 100, 150, с чугунными переходами. Ввод диаметром 150, 200, 250 мм Схемы водомерных узлов Схема водомерного узла № 1 для ввода водопровода диаметром 50 мм с обводной линией с задвижкой МЗВ-50 со счетчиком ВМХ-50 и фильтром ФМФ50 Схема водомерного узла № 2 для ввода водопровода диаметром 100 мм с обводной линией с задвижкой МЗВ-100 со счетчиком воды ВМХ-50, 65, 80, фильтром ФМФ 50, 65, 80 Схема водомерного узла № 3 для ввода водопровода диаметром 150 мм с обводной линией с задвижкой МЗВ-150 со счетчиком ВМХ-50, 65, 80, 100 с фильтром ФМФ 50, 65, 80, 100 мм Схема водомерного узла № 4 для ввода водопровода диаметром 200 мм с обводной линией с задвижкой МЗВ 200 и 30 и 90 бр с электроприводом со счетчиком ВМХ 100, 150 и фильтром ФМФ 100, 150 Схема водомерного узла № 5 для двойных вводов водопровода двойного диаметра 100 мм с обводной линией с задвижками МЗВ 100 (вариант с электрозадвижкой 30ч 906 бр) со счетчиками ВМХ 50, 65, 80 Схема водомерного узла № 6 для двойных вводов двойного диаметра 150 мм с обводной линией с задвижками МЗВ 150 (вариант задвижки с электроприводом 30ч 906 бр) со счетчиками ВМХ 50, 65, 80, 100 Схема водомерного узла № 7 для двойных вводов двойного диаметра 200 мм с обводной линией с задвижками МЗВ 200 (вариант задвижки с электроприводом 30ч 906 бр) со счетчиком ВМХ 100, 150 Схема водомерного узла №8 для двойных вводов водопровода двойного диаметра 100 (с обводной линией, с задвижками МЗВ) со счетчиками ВМХ 50, 65, 80 Схема водомерного узла №9 для двойных вводов водопровода двойного диаметра 150 (с обводной линией, с задвижками МЗВ) со счетчиками ВМХ 50, 65, 80, 100 Схема водомерного узла №10 для двойных вводов водопровода двойного диаметра 200 (с обводной линией, с задвижками МЗВ) со счетчиками ВМХ 100, 150 Спецификация на водомерный узел №10 для двойных вводов водопровода двойного диаметра 200 (с обводной линией, с задвижками МЗВ) со счетчиками ВМХ 100, 150 Схема водомерного узла №11 для двойных вводов водопровода двойного диаметра 150 (с обводной линией, с задвижками МЗВ для присоединения спринклерной системы) со счетчиками ВМХ 50, 65, 80, 100 Схема водомерного узла №12 для двойных вводов водопровода двойного диаметра 200 (с обводной линией, с задвижками МЗВ для присоединения спринклерной системы) со счетчиками ВМХ- 100, ВМХ-150 Схема водомерного узла №13 для двойных вводов водопровода двойного диаметра 100 (с двумя обводными линиями, задвижками МЗВ) со счетчиками ВМХ 50, 65, 80 Спецификация на водомерный узел №13 для двойных вводов водопровода двойного диаметра 100 (с двумя обводными линиями, задвижками МЗВ) со счетчиками ВМХ 50, 65, 80 Схема водомерного узла №14 для двойных вводов водопровода двойного диаметра 150 (с двумя обводными линиями, с задвижками МЗВ) со счетчиками ВМХ 50, 65, 80, 100 Спецификация на водомерные узел №14 для двойных вводов водопровода двойного диаметра 150 (с двумя обводными линиями, с задвижками МЗВ) со счетчиками ВМХ 50, 65, 80, 100 Схема водомерного узла №15 для двойных вводов водопровода двойного диаметра 200 (с двумя обводными линиями, с задвижками МЗВ) со счетчиками ВМХ 100, 150 и спецификация Схема водомерного узла №16 для двойных вводов водопровода двойного диаметра 250 (с двумя обводными линиями, с задвижками МТР) со счетчиками ВМХ 150 Спецификация на водомерный узел №16 для двойных вводов водопровода двойного диаметра 250 (с двумя обводными линиями, с задвижками МТР) со счетчиками ВМХ 150 Схема водомерного узла №17 для двойных вводов водопровода двойного диаметра 100 (с двумя обводными линиями, с задвижками спринклерной системы) со счетчиками ВМХ 65, 80 Спецификация на водомерный узел №17 для двойных вводов водопровода двойного диаметра 100 (с двумя обводными линиями, с задвижками спринклерной системы) со счетчиками ВМХ 65, 80 Схема водомерного узла №18 для двойных вводов водопровода двойного диаметра 150 (с двумя обводными линиями, с задвижками спринклерной системы) со счетчиками ВМХ 65, 80, 100 Спецификация на водомерный узел №18 для двойных вводов водопровода двойного диаметра 150 (с двумя обводными линиями, с задвижками спринклерной системы) со счетчиками ВМХ 65, 80, 100 Схема водомерного узла №19 для двойных вводов водопровода двойного диаметра 200 (с двумя обводными линиями, с задвижками МЗВ для присоединения спринклерной системы) со счетчиками ВМХ 100, 150 Спецификация на водомерный узел №19 для двойных вводов водопровода двойного диаметра 200 (с двумя обводными линиями, с задвижками МЗВ для присоединения спринклерной системы) со счетчиками ВМХ 100, 150 Схема водомерного узла №20 для двойных вводов водопровода двойного диаметра 250 (с двумя обводными линиями, с задвижками МТР для присоединения спринклерной системы) со счетчиками ВМХ 150 Спецификация на водомерный узел №20 для двойных вводов водопровода двойного диаметра 250 (с двумя обводными линиями, с задвижками МТР для присоединения спринклерной системы) со счетчиками ВМХ 150 Изделия и узлы Установка опор для водомерных узлов с задвижкой Прилагаемые материалы Опоры марок ОП-1; ОП-2 Опоры марок ОП-3; ОП-4 Опоры марок ОП-5; ОП-6; ОП-9 Опоры марок ОП-7; ОП-8 Опоры направляющие КНС-1; КНС-Х - сборочный чертеж Опоры направляющие КНС-1; КНС-Х - спецификация Кронштейны КР-1 - КРVI Кронштейны КР-VII - КРX спецификация |
| Разработан: | ОАО Моспроект |
| Утверждён: | 16.06.1998 Москомархитектура (Moskomarkhitektura ) |













































































