Скачать Серия 4.900-10 Выпуск 1. Трубы и их соединенияДата актуализации: 01.01.2021
|
| Обозначение: | Серия 4.900-10 |
| Обозначение англ: | Series 4.900-10 |
| Статус: | не действует |
| Название рус.: | Выпуск 1. Трубы и их соединения |
| Дата добавления в базу: | 01.09.2013 |
| Дата актуализации: | 01.01.2021 |
| Дата окончания срока действия: | 01.03.1996 |
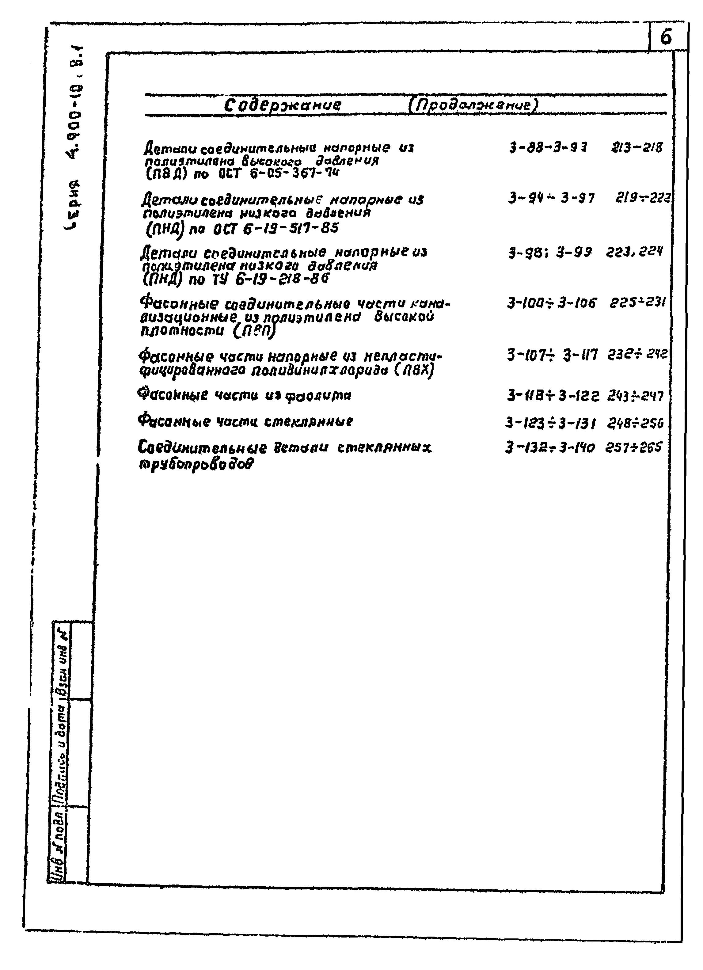
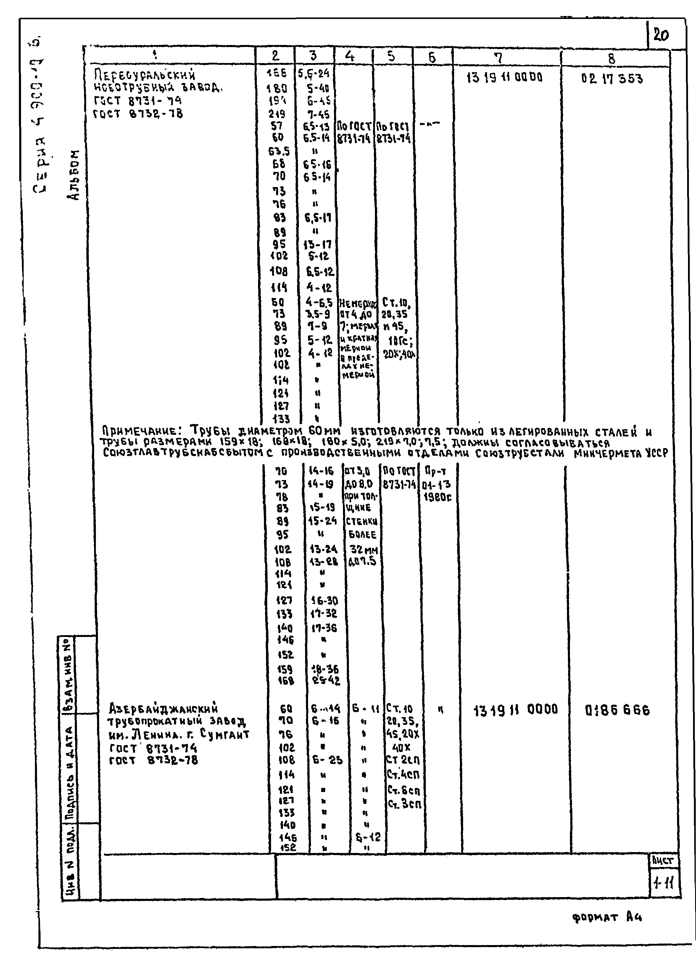
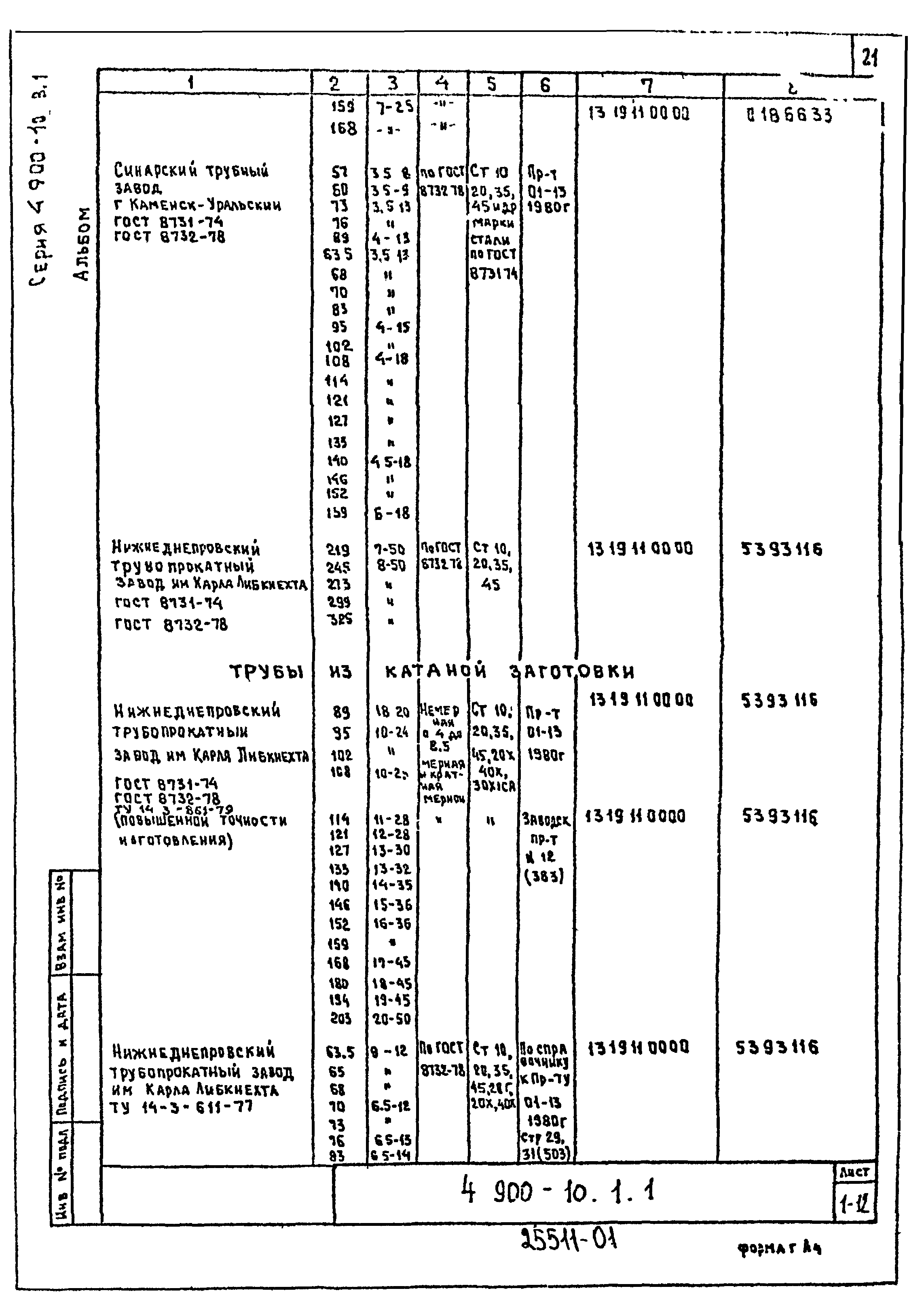
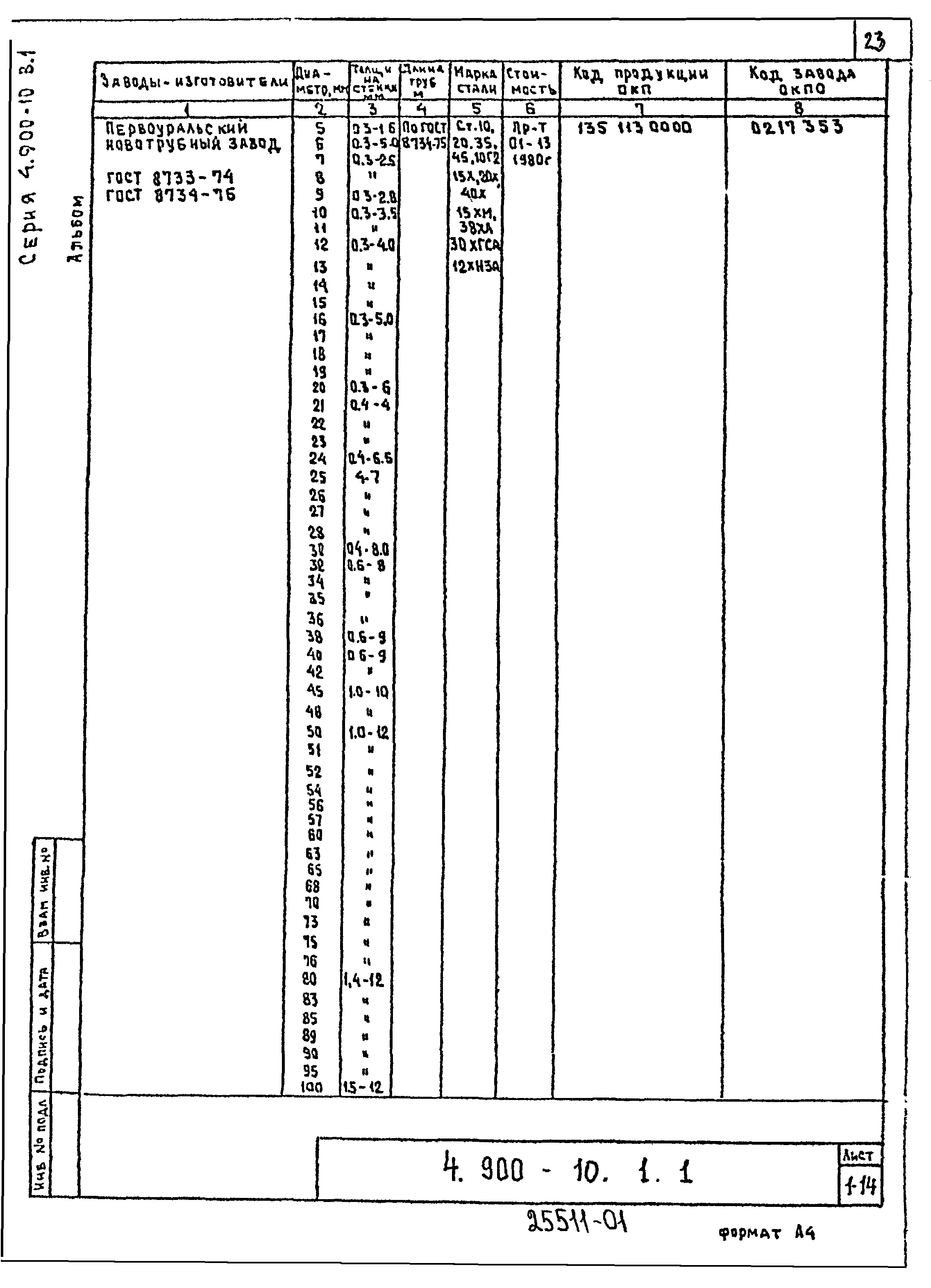
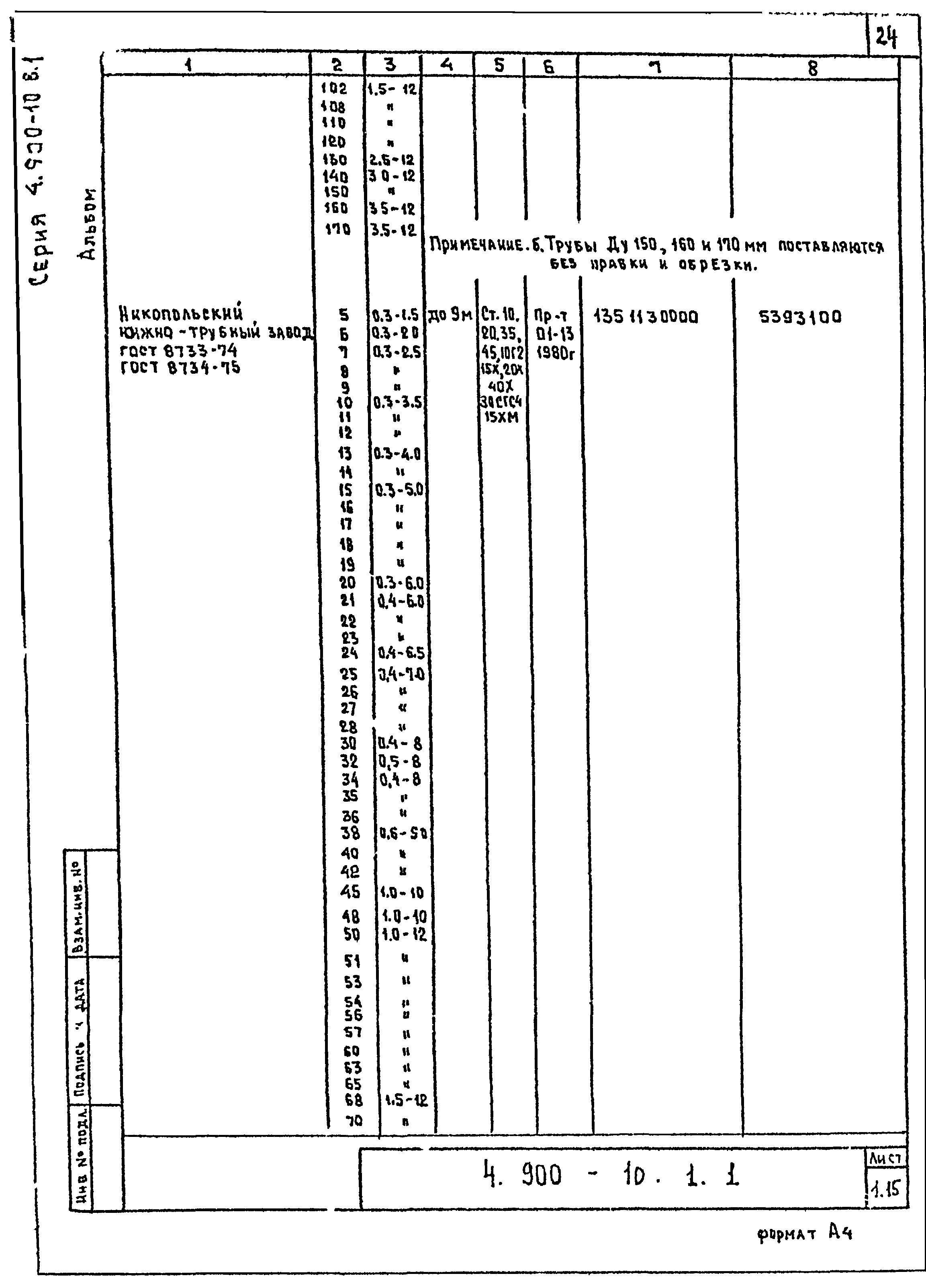
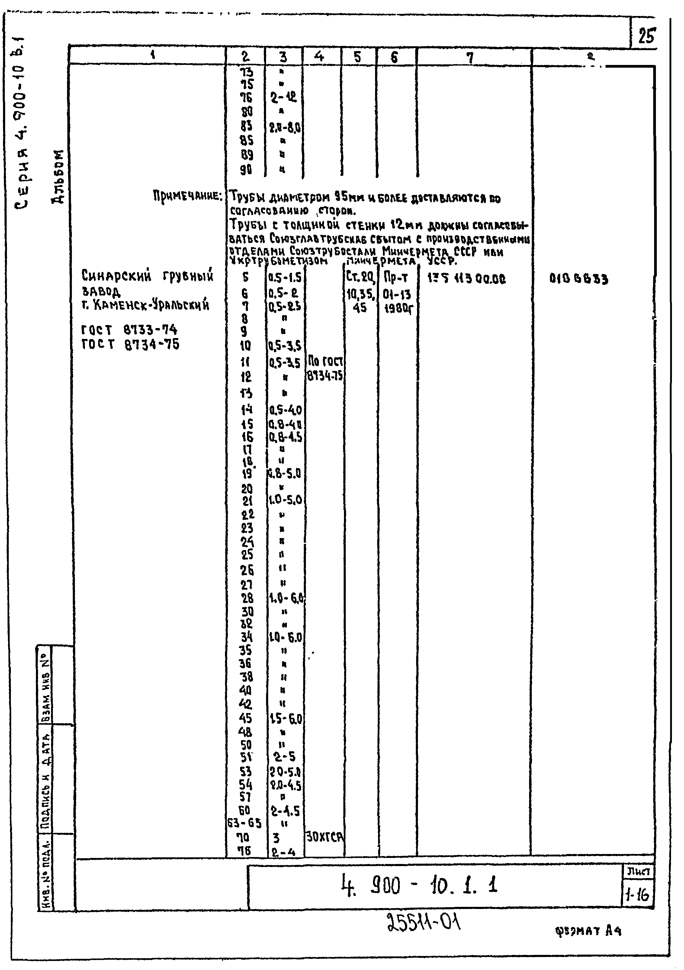
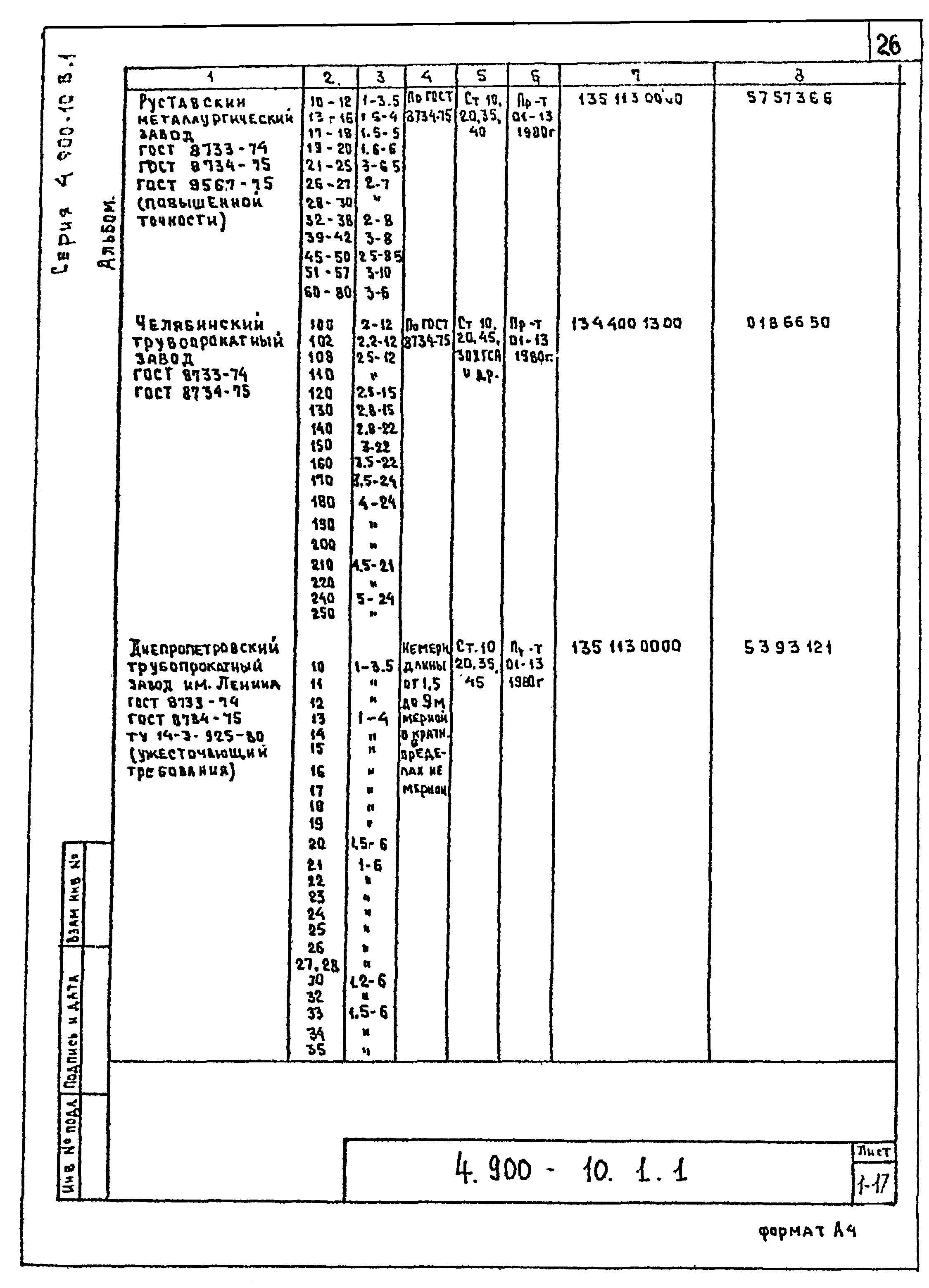
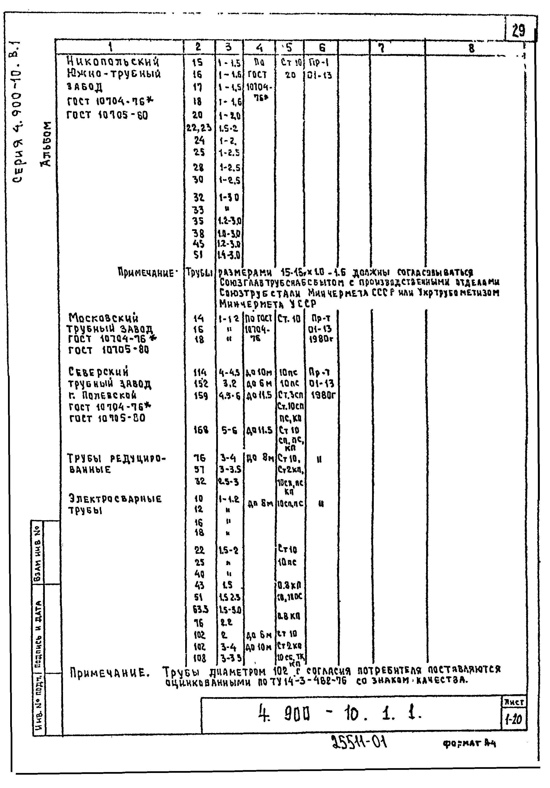
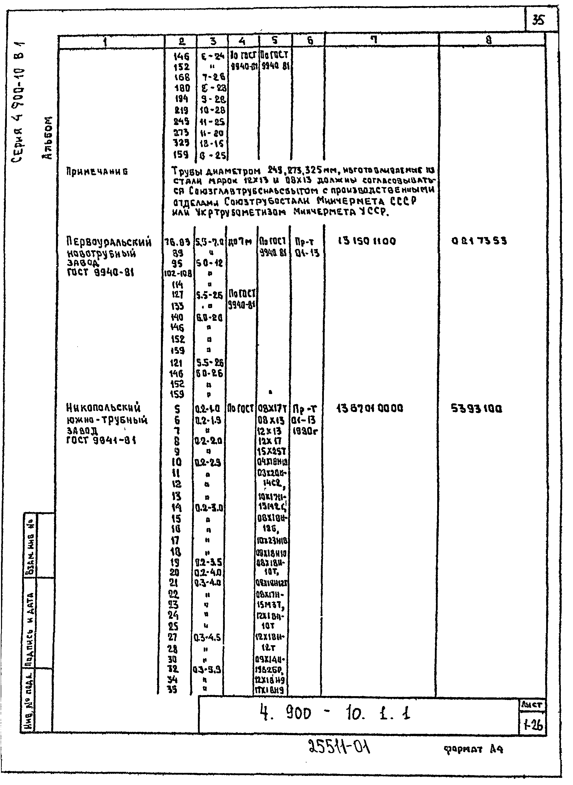
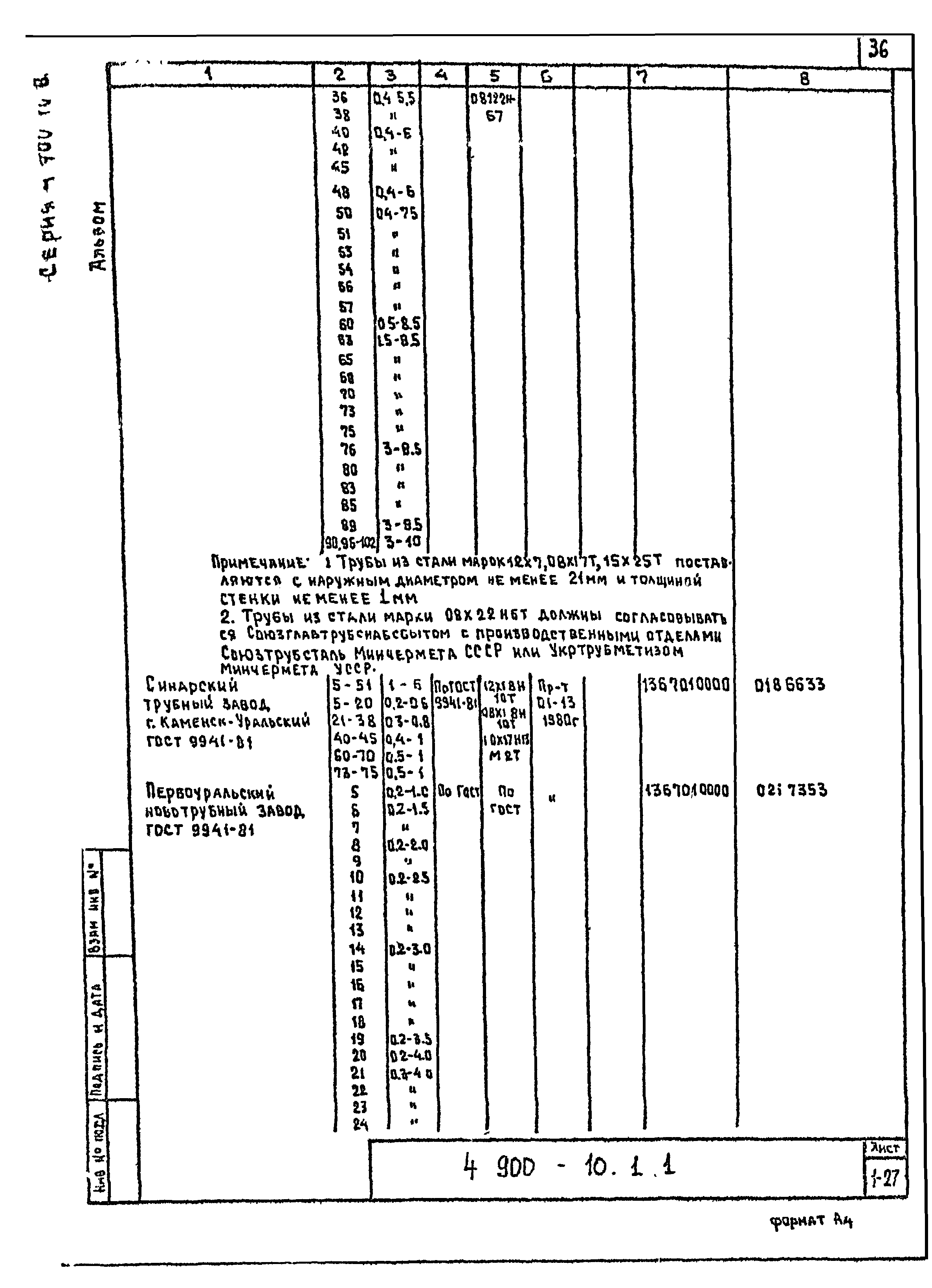
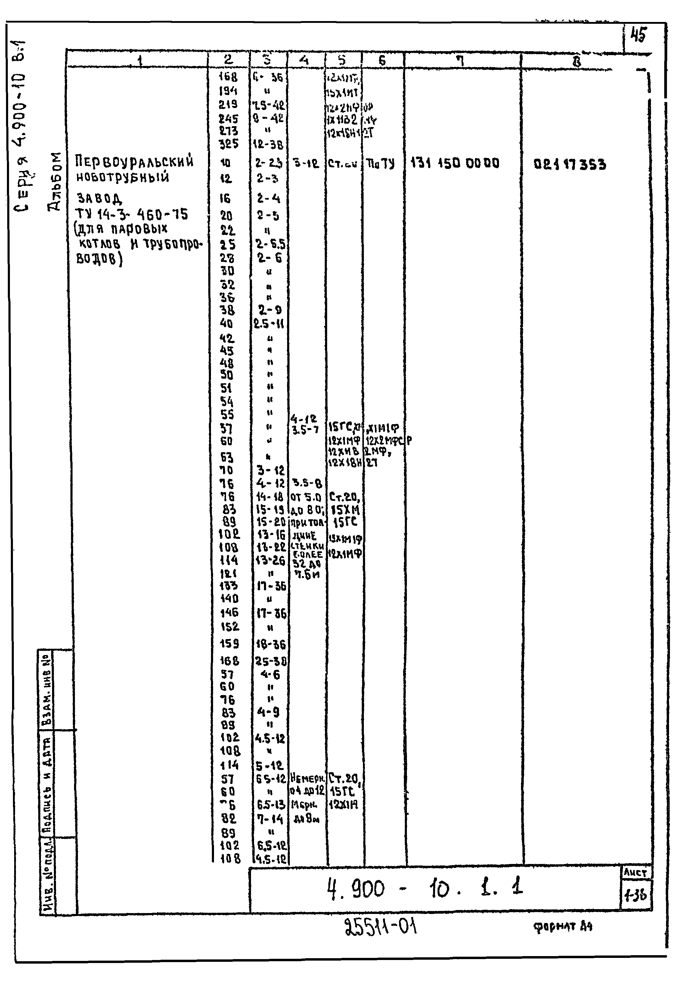
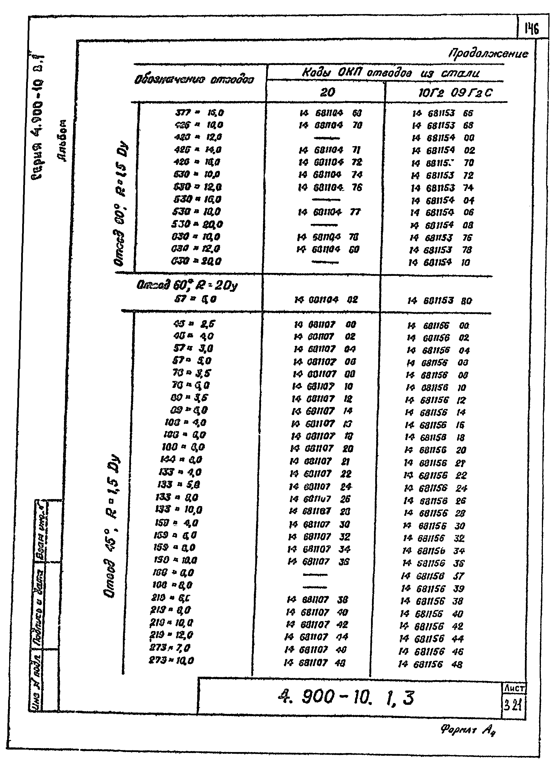
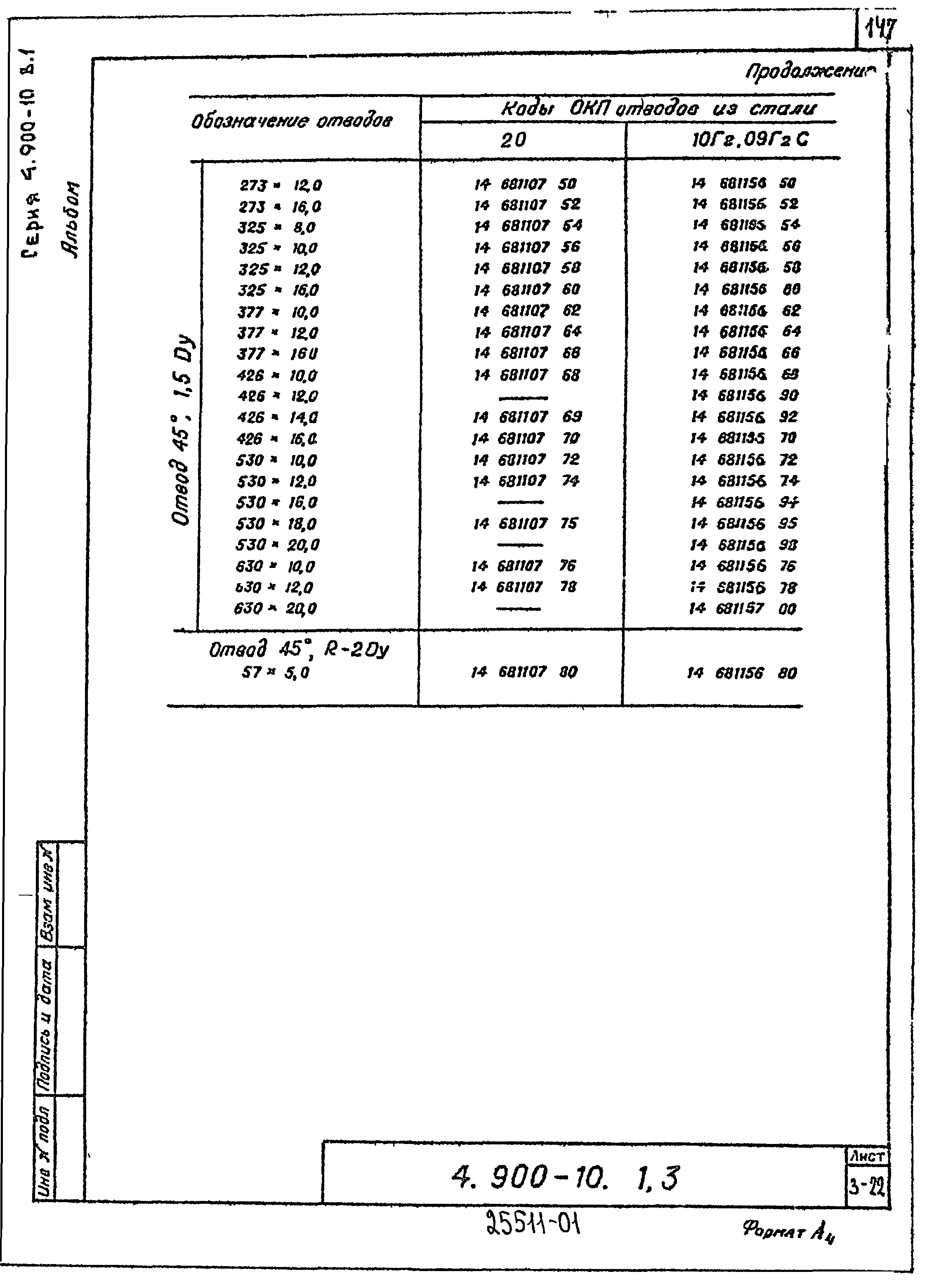
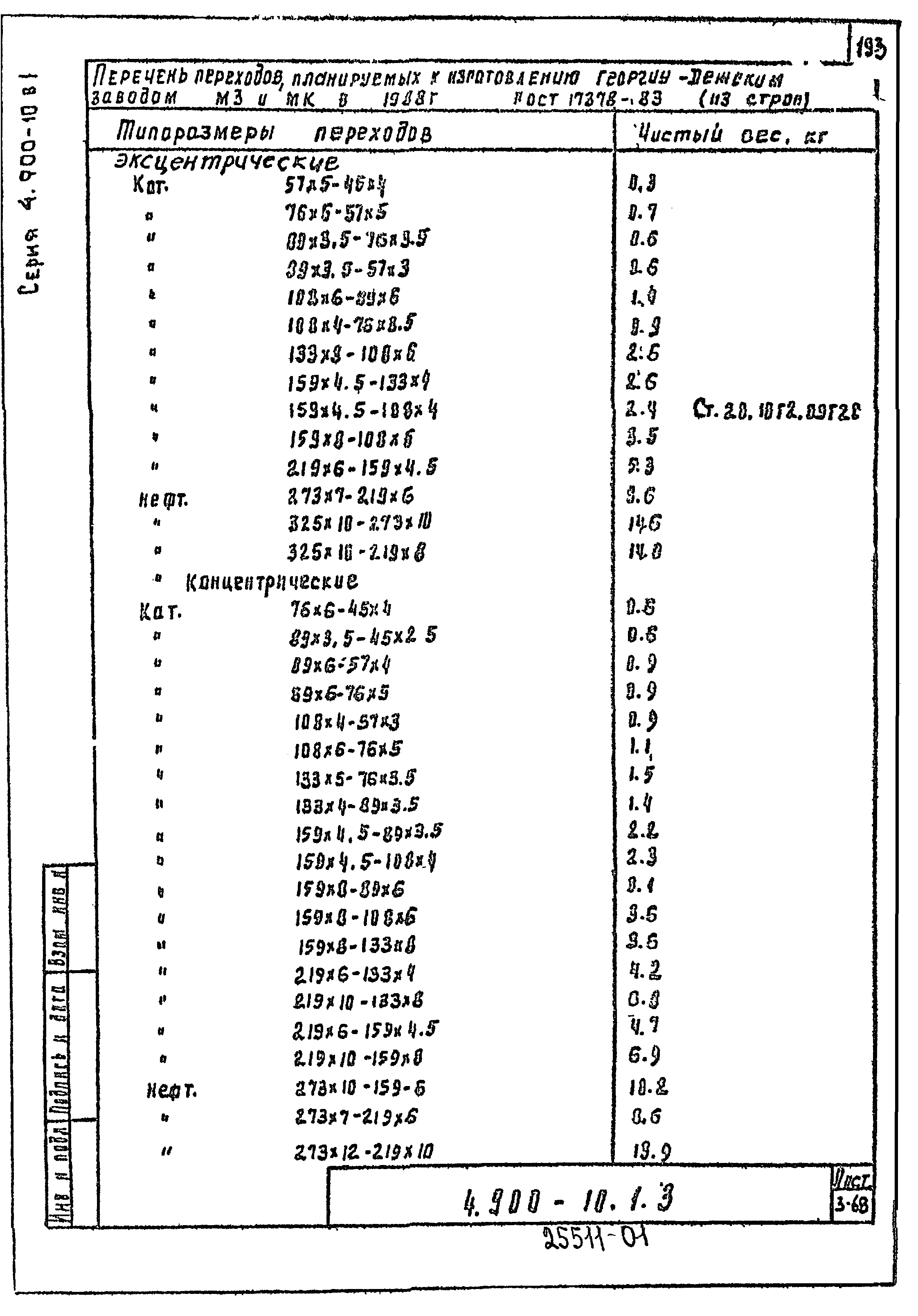
| Оглавление: | Пояснительная записка Раздел 1. Трубы металлические Сортамент стальных сварных труб, рекомендуемых для трубопроводов водоснабжения и канализации Стальные сварные трубы, выпускаемые по номенклатурному каталогу продукции Минчермета СCСР, рекомендуемые для трубопроводов водоснабжения и канализации Теоретическая масса 1м труб кг, при толщине стенки, мм по ГОСТ 10704-76* Трубы чугунные напорные, изготавливаемые методом центробежного и полунепрерывного литья, ГОСТ 9583-75 Заводы-изготовители стальных труб Заводы-изготовители чугунных труб Заводы-изготовители бурильных геологоразведочных труб и муфт к ним Заводы-изготовители обсадных труб и муфт к ним Заводы-изготовители утяжеленных буровых труб Заводы-изготовители обсадных и колонковых труб для геологоразведочного бурения и ниппелей к ним Заводы-изготовители труб, поставляемых по согласованию Раздел 2. Трубы неметаллические Трубы железобетонные напорные виброгидропрессованные по ГОСТ 12586.0-83 Трубы железобетонные безнапорные по ГОСТ 64820-79 Трубы железобетонные напорные виброгидропрессованные диаметром 500 - 1500мм Заводы-изготовители труб железобетонных напорных Заводы-изготовители труб железобетонных безнапорных Трубы асбестоцементные напорные по ГОСТ 539-80 Трубы асбестоцементные для безнапорных трубопроводов по ГОСТ 1839-80 Трубы керамические канализационные по ГОСТ 286-82 Трубы керамические фильтрующие по ТУ 21-28-47-84 Трубы керамические дренажные по ГОСТ 8411-74 Трубы из полиэтилена низкого давления (ПНД) и высокого давления (ПВД) ГОСТ 18599-83 Трубы канализационные из полиэтилена низкого давления (ПНД по ГОСТ 226893-77) Трубы напорные из непластифицированного поливинилхлорида (ПВХ) по ТУ 6-19-231-83 Трубы канализационные из непластифицированного поливинилхлорида (ПВХ) по ТУ 6-19-307-86 Трубы фаолитовые по ТУ 6-05-1170-76 Трубы из фторопласта по ТУ 6-05-987-74 Трубы стеклопластиковые химически стойкие по ТУ 6-19-287-85 Трубы стеклянные для надземных трубопроводов по ГОСТ 8894-86 Раздел 3. Фасонные части для труб Детали трубопроводов стальные бесшовные приварные на Ру 10 МПа (100кгс/кв. см) по ГОСТ 17378-83*. Переходы Детали трубопроводов из углеродистой стали сварные гнутые. Ду до 500 мм на Ру до 10 МПа (100 кгс/кв. см) по ОСТ 36-44-81. Переходы сварные Детали трубопроводов Ду до 500 1400 мм сварные из углеродистой стали на Ру2.5 МПа (25 кгс/кв. см) по ОСТ 36-22-77. Переходы концентрические и эксцентрические Детали трубопроводов стальные бесшовные, приварные на Ру10 МПа (100 кгс/кв. см) по ГОСТ 17373-85. Отводы крутоизогнутые Детали трубопроводов Ду500-1400мм сварные из углеродистой стали на Ру2.5 МПа (25 кгс/кв. см) по ОСТ 36-21-77. Отводы секционные Р = 1.5 Ду под углом 30, 45, 60 Детали трубопроводов из углеродистой стали сварные гнутые Ду до 500 мм на Ру до 10 МПа (100 кгс/кв. см) ОСТ 36-43-81. Отводы сварные Детали трубопроводов Ду 500-1400мм сварные из углеродистой стали на Ру2.5 МПа (25 кгс/кв. см) по ОСТ 36-20-77. Отводы штампосварные Детали трубопроводов из углеродистой стали сварные и гнутые Ду до 500 мм на Ру до 10 МПа (100 кгс/кв. см) по ОСТ 36-42-81. Отводы гнутые Детали трубопроводов стальные бесшовные приварные на Ру10 МПа (100 кгс/кв. см) по ГОСТ 17376-83. Тройники Детали трубопроводов Ду500-1400мм сварные из углеродистой стали на Ру2.5 МПа (25 кгс/кв. см) по ОСТ 36-23-77. Тройники штампование Детали трубопроводов Ду500-1400мм сварные из углеродистой стали на Ру2.5 МПа (25 кгс/кв. см) ОСТ 36-24-77. Тройники сварные Детали трубопроводов из углеродистой стали сварные и гнутые Ду до 500мм на Ру до 10 МПа (100 кгс/кв. см) ОСТ 36-45-81. Ответвления Детали трубопроводов из углеродистой стали сварные и гнутые Ду до 500мм на Ру до 10 МПа (100 кгс/кв. см) по ОСТ 36-46-81. Тройники сварные Фланцы стальные плоские приварные на Ру от 0.1 до 2.5 МПа (от 1 до 25 кгс/кв. см) Детали трубопроводов стальные бесшовные приварные на Ру10 МПа (100 кгс/кв. см) по ГОСТ 14379-83*. Заглушки эллиптические Детали трубопроводов Ду 500-1400мм сварные из углеродистой стали на Ру2.5 МПа (25 кгс/кв. см) по ОСТ 36-25-77. Заглушка эллиптические Детали трубопроводов из углеродистой стали сварные гнутые Ду до 500мм на Ру до 10 МПа (100 кгс/кв. см) ОСТ 36-47-81. Заглушки плоские Детали трубопроводов из углеродистой стали сварные гнутые Ду до 500мм на Ру до 10 МПа (100 кгс/кв. см) ОСТ 36-48-81. Заглушки ребристые Перечень стальных фасонных частей изготавливаемых заводами в 1988 г Трубы железобетонные напорные виброгидропрессованные диаметром 500 - 1600 мм. Стальные вставки Соединительные части для железобетонных труб со стальным сердечником диаметром 250 - 600 мм Муфты асбестоцементные напорные по ГОСТ 539-80 Муфты и соединительные детали чугунные для асбестоцементных напорных труб по ГОСТ 17584-12 Узлы соединений асбестоцементных труб чугунными фасонными частями Муфты асбестоцементные безнапорные ГОСТ 1839-80 Детали соединительные напорные из полиэтилена высокого давления (ПВД) по ОСТ 6-05-367-74 Детали соединительные напорные из полиэтилена низкого давления (ПНД) по ОСТ 6-19-517-85 Детали соединительные напорные из полиэтилена низкого давления (ПНД) по ТУ 6-19-218-86 Фасонные соединительные части канализационные из полиэтилена высокой плотности (ПВП) Фасонные части напорные из непластифицированного поливинилхлорида (ПВХ) Фасонные части из фаолита Фасонные части стеклянные Соединительные детали стеклянных трубопроводов |
| Разработан: | Союзводоканалпроект |
| Утверждён: | 01.12.1987 Главпроект Госстроя СССР (6/4-4303) |









































































































































































































































































