Скачать Серия 4.900-10 Выпуск 5. Оборудование водопроводных и канализационных сооруженийДата актуализации: 01.01.2021
|
| Обозначение: | Серия 4.900-10 |
| Обозначение англ: | Series 4.900-10 |
| Статус: | не действует |
| Название рус.: | Выпуск 5. Оборудование водопроводных и канализационных сооружений |
| Дата добавления в базу: | 01.09.2013 |
| Дата актуализации: | 01.01.2021 |
| Дата окончания срока действия: | 01.03.1996 |
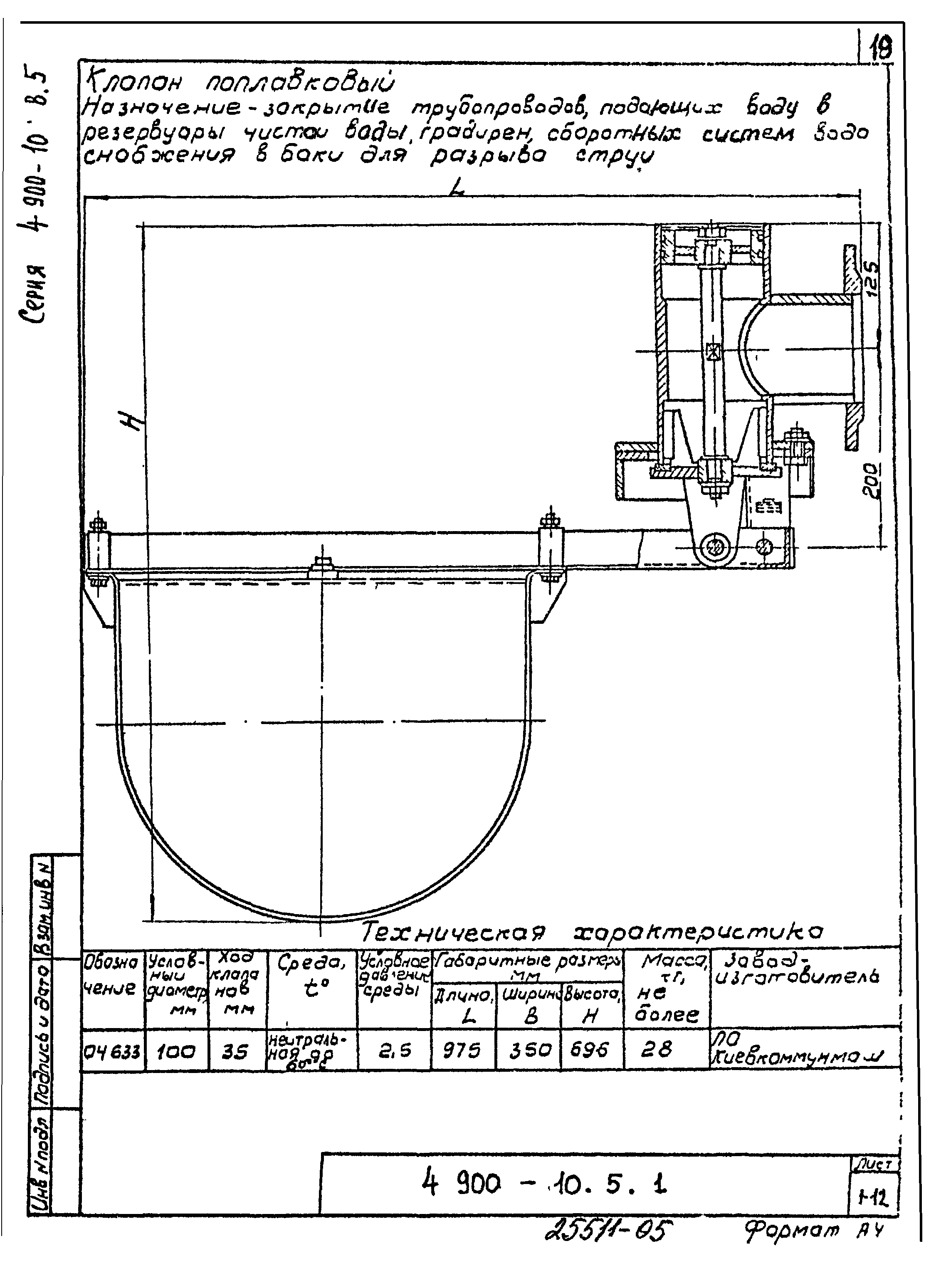
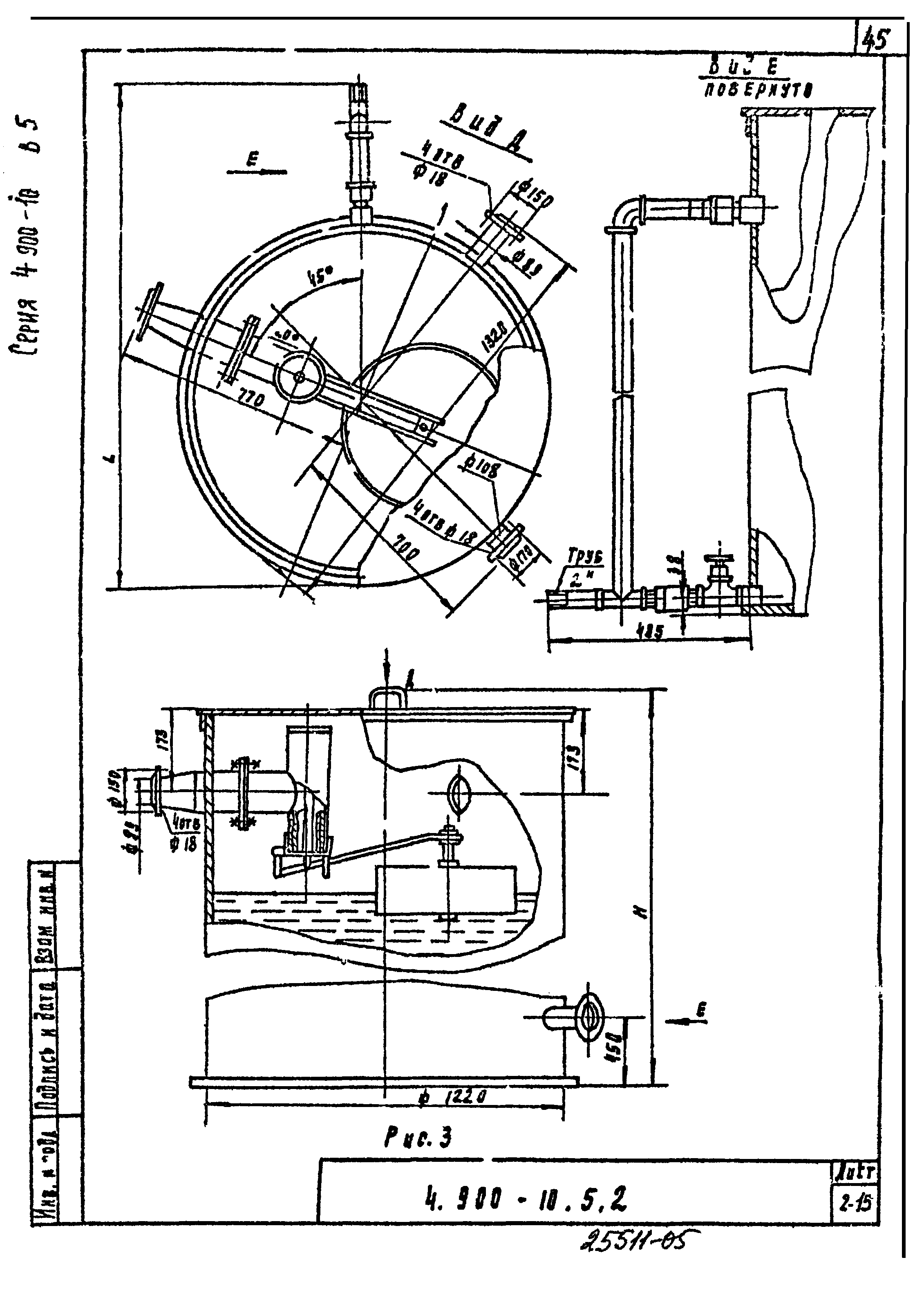
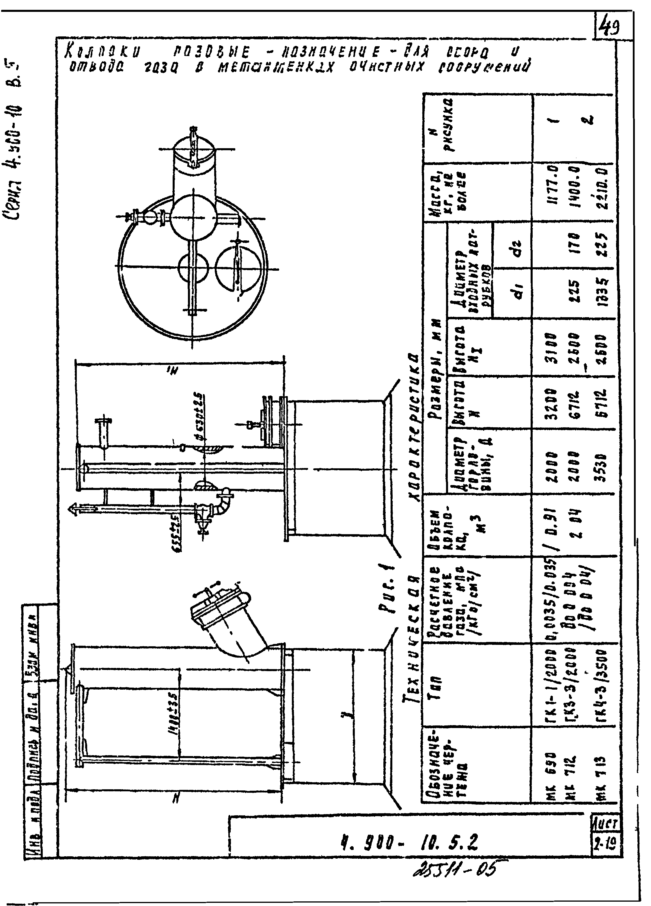
| Оглавление: | 4.900-10.5 Пояснительная записка 4.900-10.5.1 Раздел 1. Оборудование водопроводных сооружений 4.900-10.5.1 Устройство для предупреждения гидравлического упора в водоводах 4.900-10.5.1 Узлы и детали для выпуска и защемления воздуха с использованием стандартных однодисковых обратных клапанов 4.900-10.5.1 Гаситель гидравлического удара автоматический 4.900-10.5.1 Оголовки колодцев 4.900-10.5.1 Оборудование резервуаров 4.900-10.5.1 Устройство для подготовки и транспортировки материалов, погружаемых в фильтрованные сооружения 4.900-10.5.1 Вакуумные установки с водокольцевыми насосами чугунные 4.900-10.5.1 Водомерное устройство трубчатых сооружений оросительных систем 4.900-10.5.2 Раздел 2. Оборудование канализационных сооружений 4.900-10.5.2 Решетка механизированная вертикальная РМВ 600х800 4.900-10.5.2 Решетка механизированная вертикальная РМВ 350/650 4.900-10.5.2 Решетки-дробилки РД 4.900-10.5.2 Круглая решетка дробилка КРД-40 4.900-10.5.2 Приемные камеры канализационные очистных сооружений при напорном поступлении сточных вод 4.900-10.5.2 Тонкослойный отстойник для очистки стоков от взвешенных частиц и нефтепродуктов 4.900-10.5.2 Напорные баки емкостью 8,16,20 куб. м для флотаторов 4.900-10.5.2 Баки разрыва струи 4.900-10.5.2 Гидравлический классификатор 4.900-10.5.2 Эжектор для бескомпрессорного насыщения воды воздухом для флотационных установок Ру0, 6МПа Ду 60,100 4.900-10.5.2 Колпаки газовые 4.900-10.5.2 Бак перелива 4.900-10.5.2 Контейнер для отходов известигашения 4.900-10.5.2 Детали и узлы рассеивающих выпусков сточных вод 4.900-10.5.2 Брызгалки (сопла) для гашения пены в аэротенках 4.900-10.5.2 Колодцы с гидравлическим затвором 4.900-10.5.2 Узлы и детали сооружений хвостового хозяйства и золошламонакопителей 4.900-10.5.2 Клапан данного впуска 4.900-10.5.2 Токоприемник кольцевой взрывозащищенный 4.900-10.5.2 Устройство для удаления плавающих веществ во взрывозащищенном исполнении для радиальных первичных отстойников диаметров 24,30 и 40м 4.900-10.5.3 Раздел 3. Общее оборудование водопроводных и канализационных сооружений 4.900-10.5.3 Труба и сопла вентуры 4.900-10.5.3 Гидроэлеваторы 4.900-10.5.3 Нестандартизированное оборудование станций очистки природных и сточных вод 4.900-10.5.3 Поплавковые дозаторы водопроводных очистных сооружений 4.900-10.5.3 Дозаторы известкового молока 4.900-10.5.3 Питатель (дозировка реагента) 4.900-10.5.3 Детали ввода растворов реагентов в трубопроводы 4.900-10.5.3 Эжектор водокислотный 4.900-10.5.3 Эжектор (крепкого раствора соли) 4.900-10.5.3 Полимеризатор 4.900-10.5.3 Сатуратор 4.900-10.5.3 Тележка для отходов извести 4.900-10.5.3 Шибер реечный 4.900-10.5.3 Испарители хлора 4.900-10.5.3 Подставка для хранения баллонов 4.900-10.5.3 Подставка под рабочие баллоны 4.900-10.5.3 Тележка для перевозки баллонов 4.900-10.5.3 Футляр для поврежденных баллонов 4.900-10.5.3 Холодильник для воздуха 4.900-10.5.3 Грязевики для хлора 4.900-10.5.3 Масловодоотделитель 4.900-10.5.3 Подвеска (транспортирование тары с хлором) 4.900-10.5.3 Нейтрализатор 4.900-10.5.3 Захваты 4.900-10.5.3 Установка путевого переключателя на весах 4.900-10.5.3 Укладка подземных безнапорных трубопроводов 4.900-10.5.3 Компенсаторы сальниковые 4.900-10.5.3 Упоры для наружных напорных трубопроводов водопровода и канализации 4.900-10.5.3 Затворы |
| Разработан: | Союзводоканалпроект |
| Утверждён: | 01.12.1987 Главпроект Госстроя СССР (6/4-4303) |



























































































































































