Скачать ОСТ 1 31537-80 Винты с плоско-выпуклой головкой. Конструкция и размерыДата актуализации: 01.01.2021 ОСТ 1 31537-80
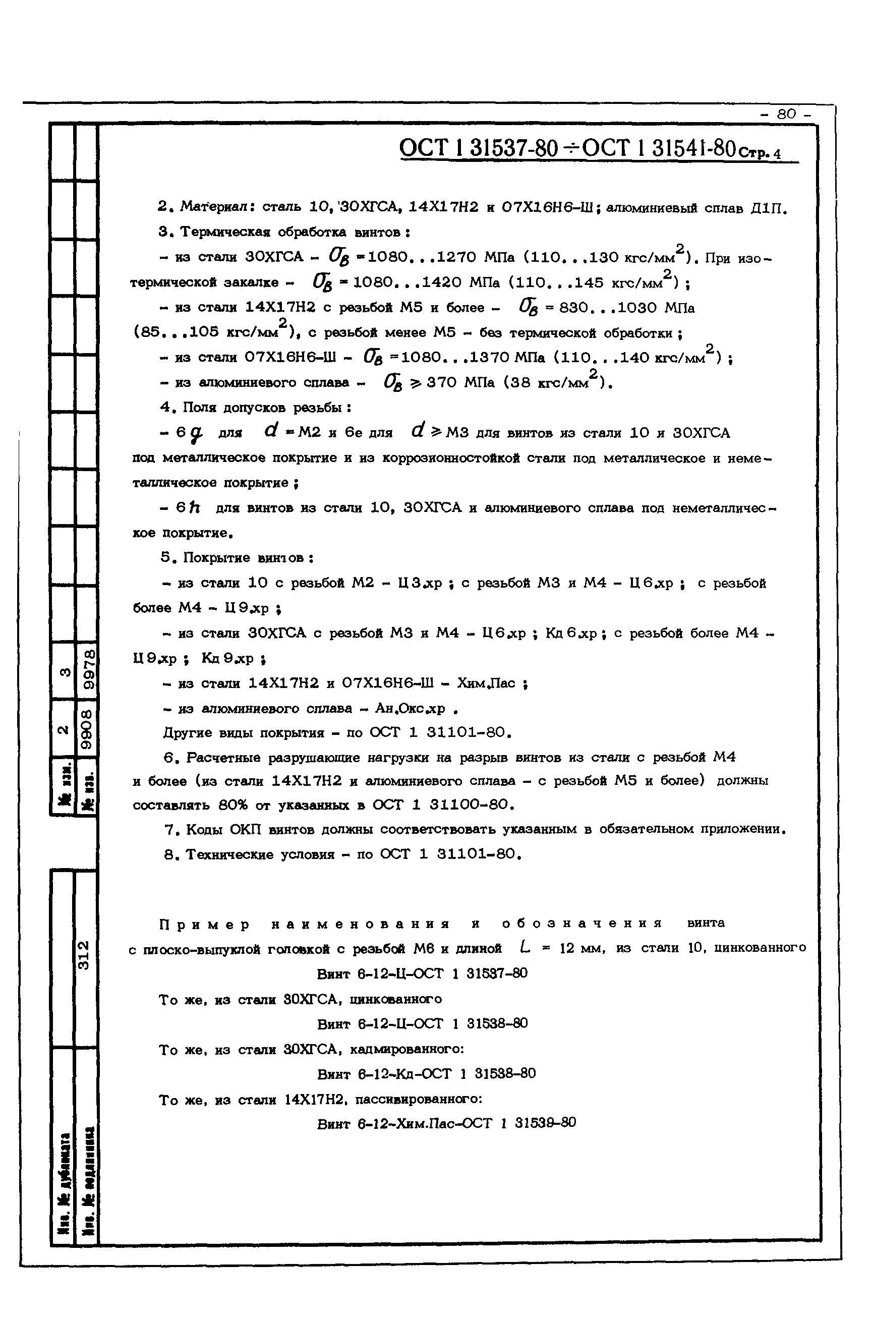
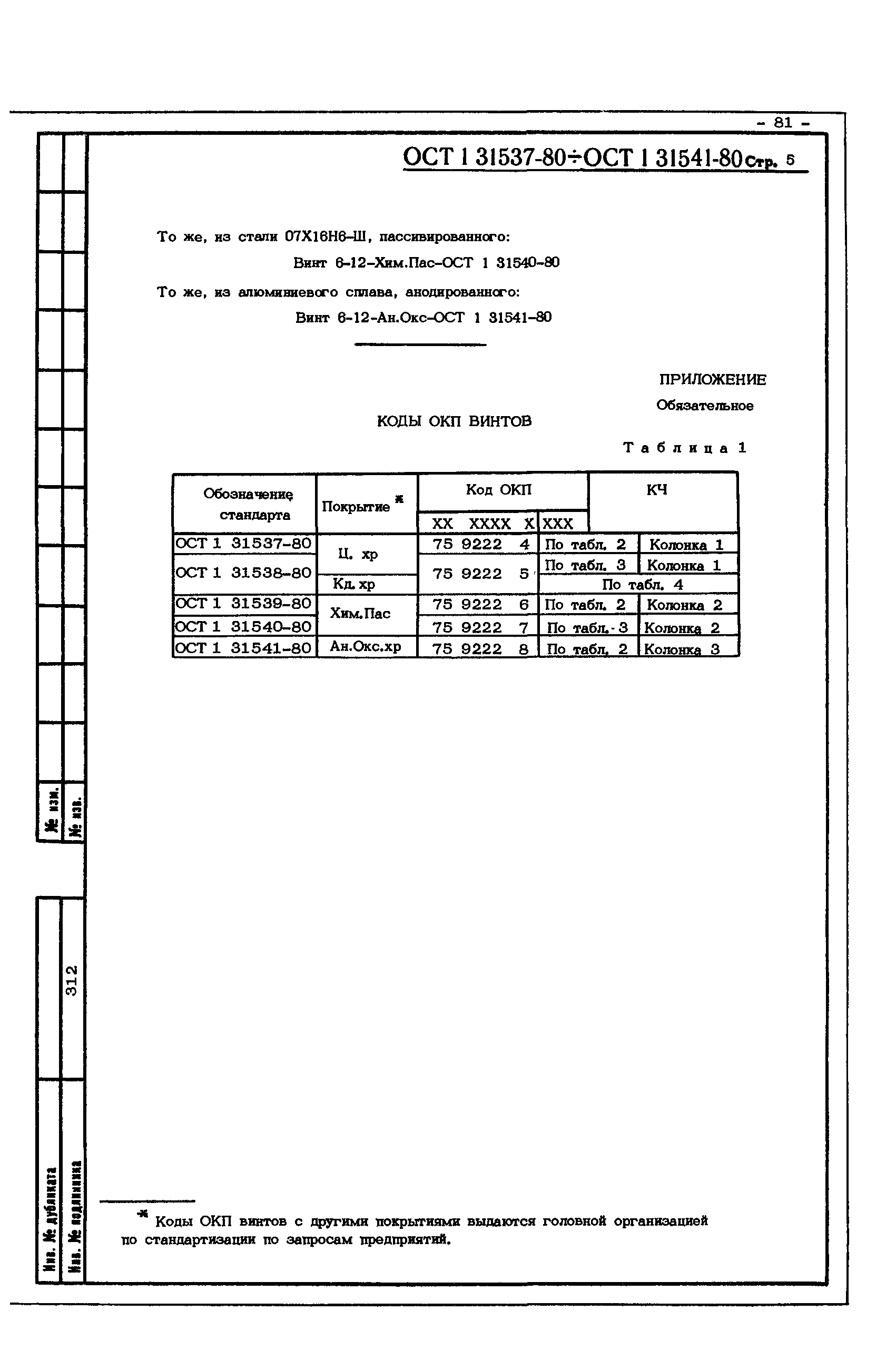
Винты с плоско-выпуклой головкой. Конструкция и размеры| Обозначение: | ОСТ 1 31537-80 | | Обозначение англ: | 31537-80 | | Статус: | действует | | Название рус.: | Винты с плоско-выпуклой головкой. Конструкция и размеры | | Дата добавления в базу: | 01.09.2013 | | Дата актуализации: | 01.01.2021 | | Дата введения: | 01.01.1982 | | Оглавление: | Приложение Коды ОКП винтов | | Утверждён: | 30.10.1980 Министерство (Ministry 087-16)
| | Заменяет собой: | - Нормаль 3172А
- Нормаль 3174А
- Нормаль 3175А
- Нормаль 3178А
- Нормаль 3205А
|
        
|