Скачать Типовой проект 902-3-11 Альбом 4. Аэрируемые биопруды производительностью 1400 куб. м/сутки при БПК полн. - 150 мг/лДата актуализации: 01.01.2021
|
| Обозначение: | Типовой проект 902-3-11 |
| Обозначение англ: | 902-3-11 |
| Статус: | не определен законодательством |
| Название рус.: | Альбом 4. Аэрируемые биопруды производительностью 1400 куб. м/сутки при БПК полн. - 150 мг/л |
| Дата добавления в базу: | 01.09.2013 |
| Дата актуализации: | 01.01.2021 |
| Дата введения: | 01.01.1981 |
| Дата окончания срока действия: | 30.06.2003 |
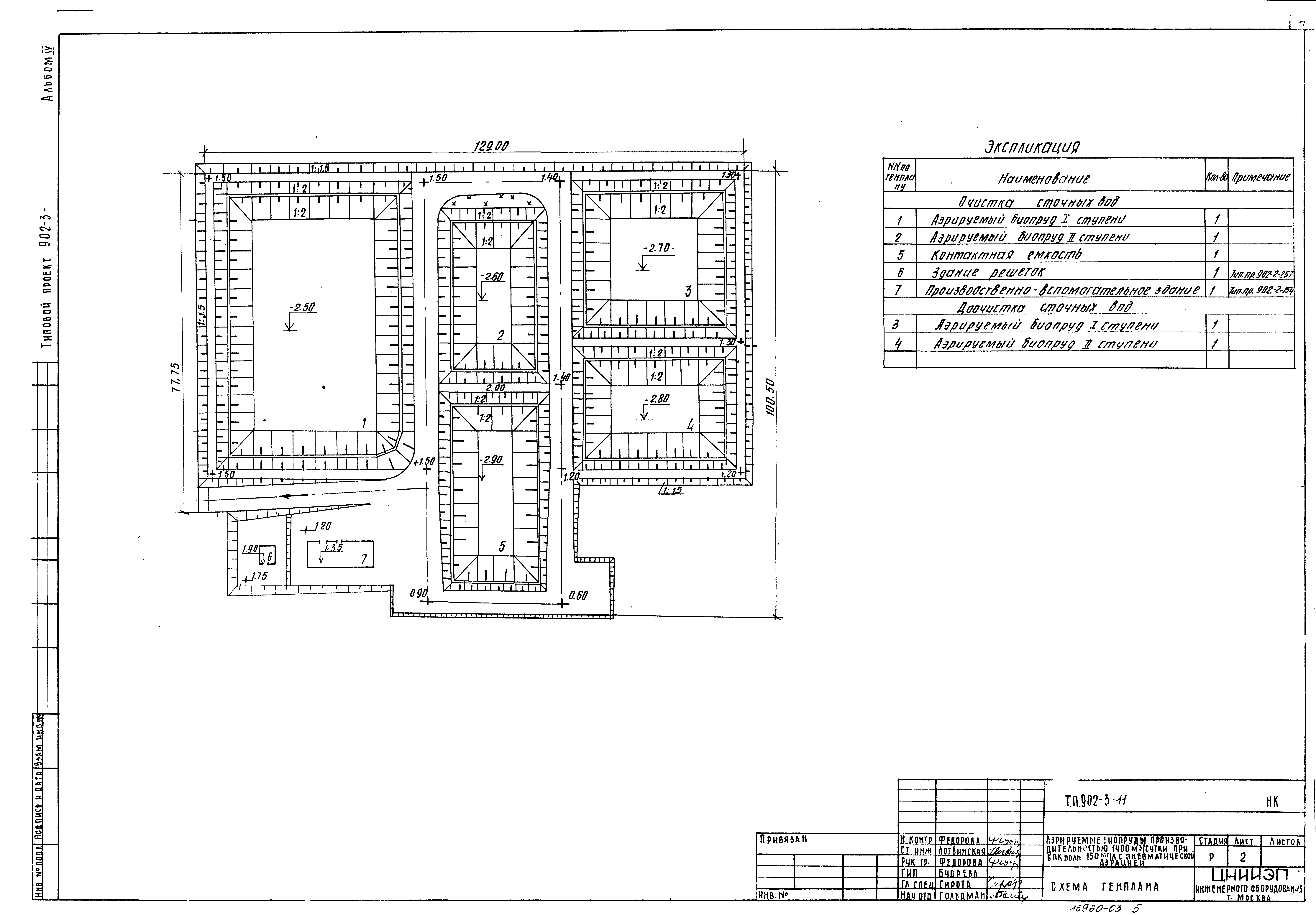
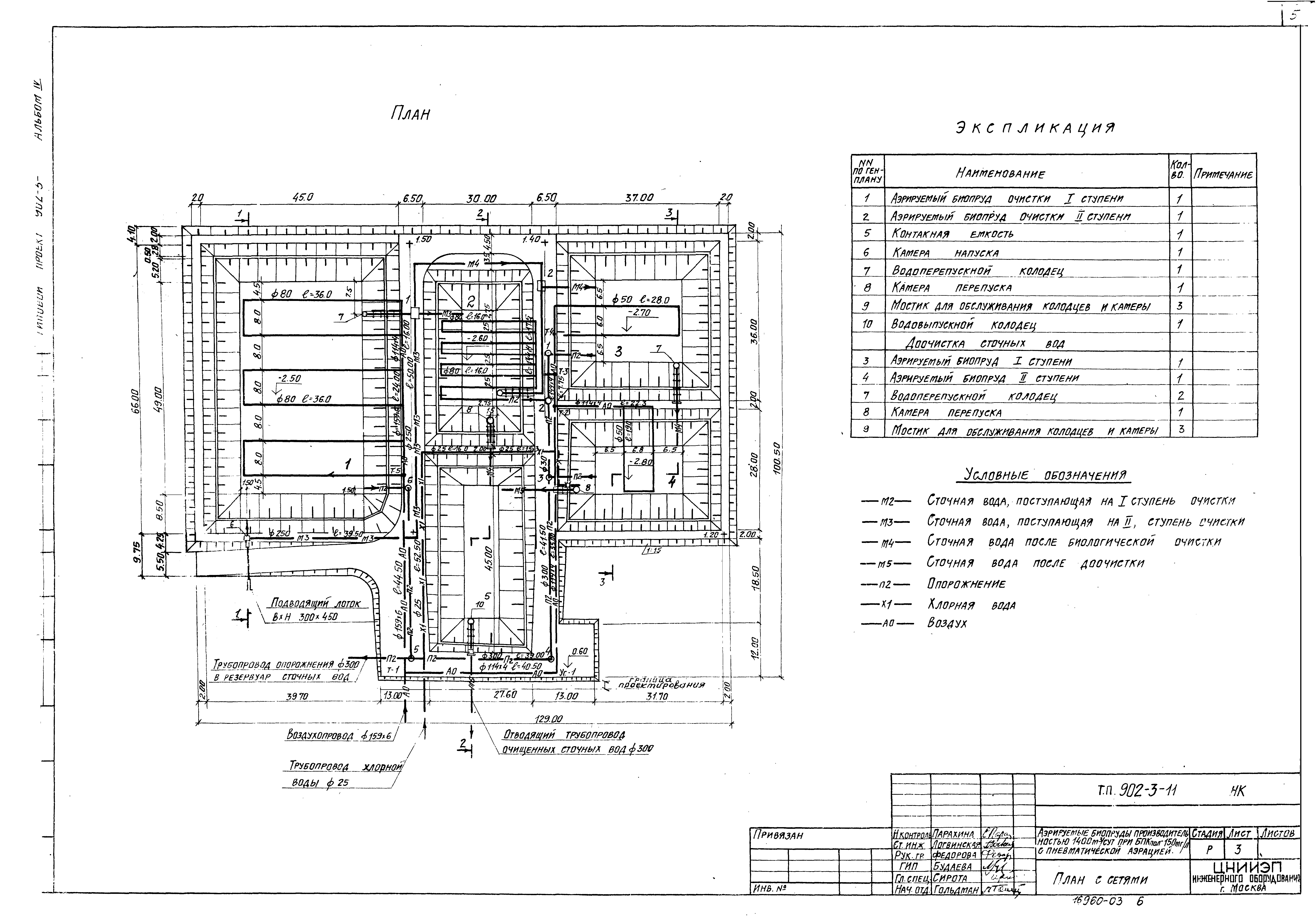
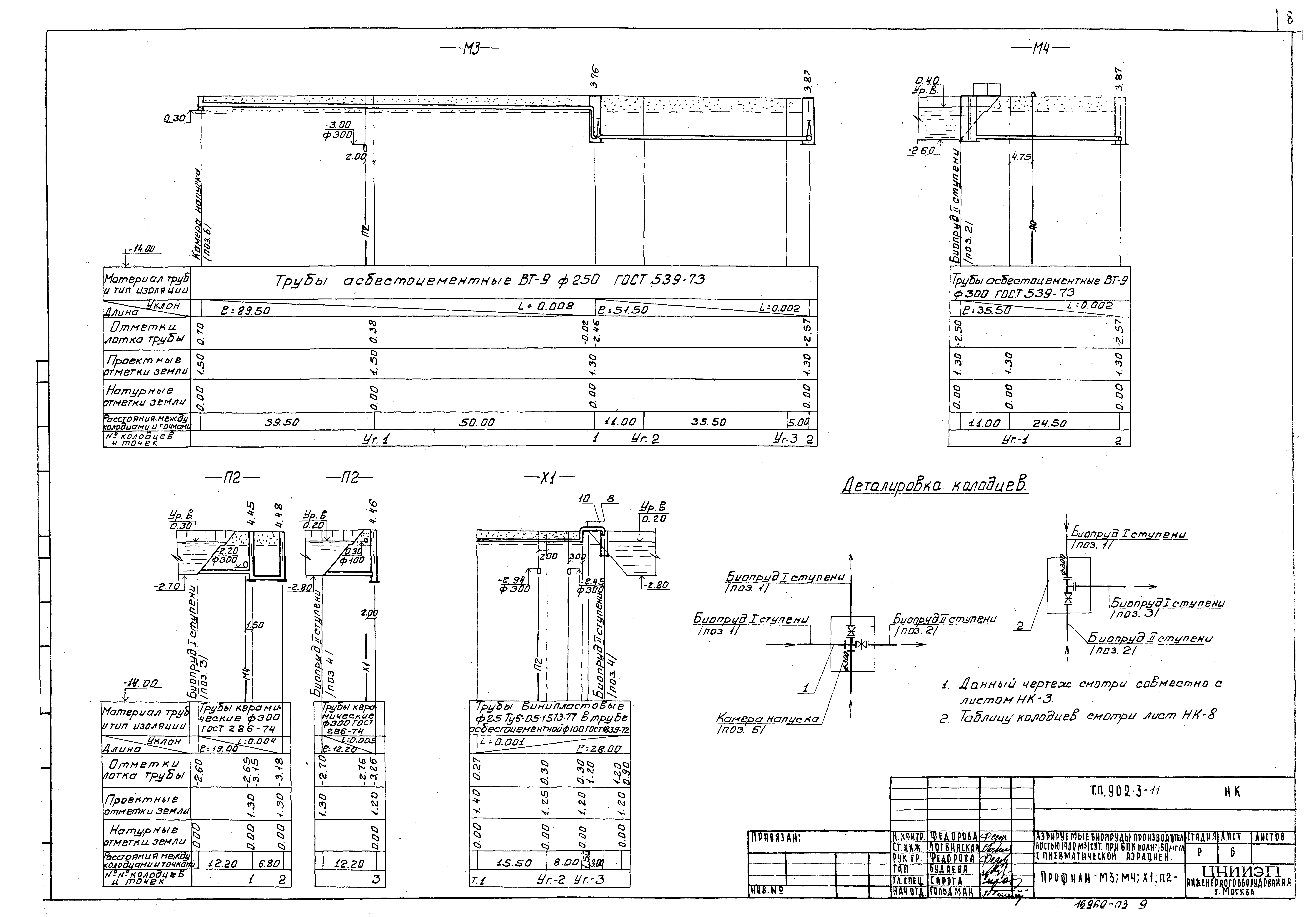
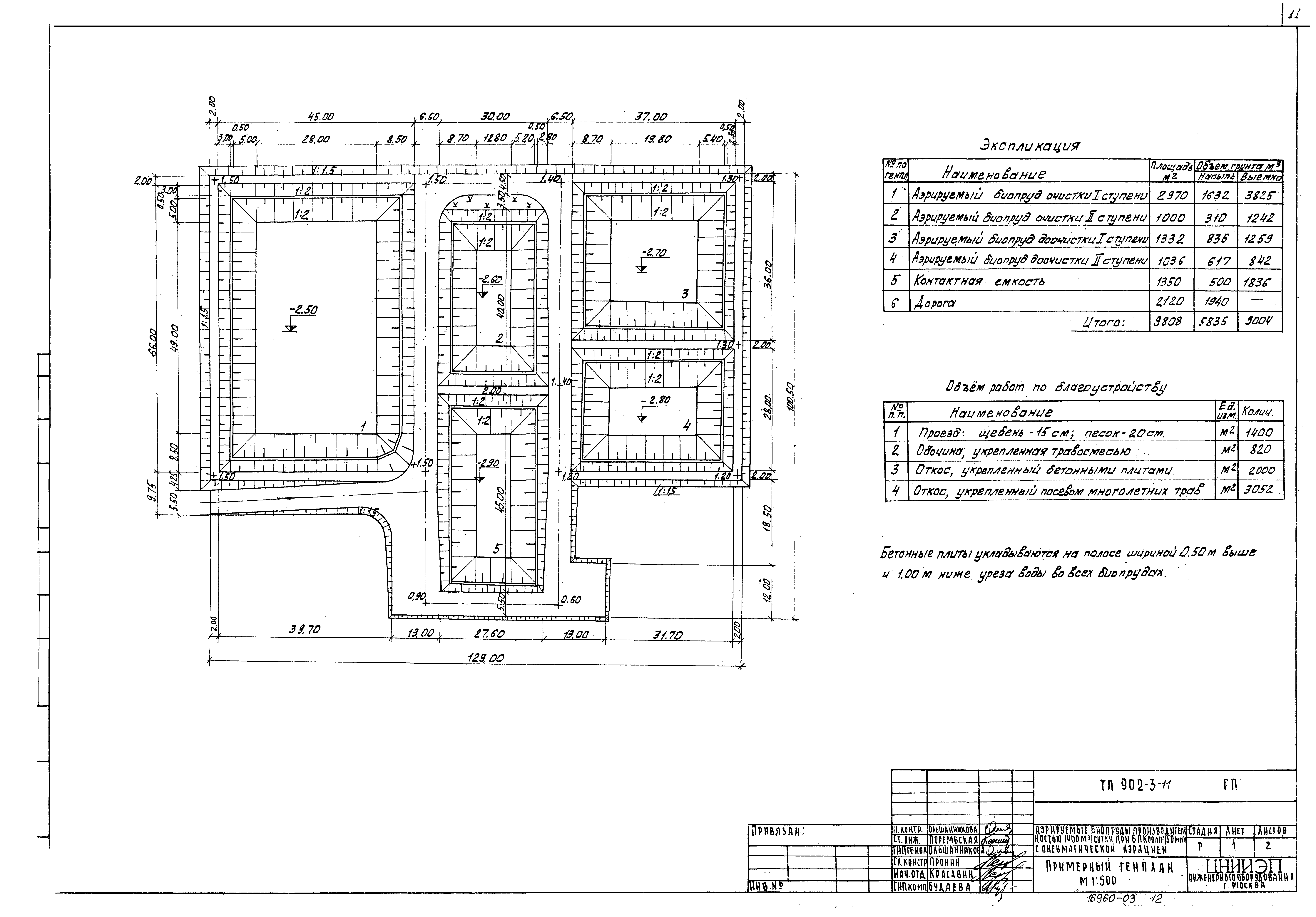
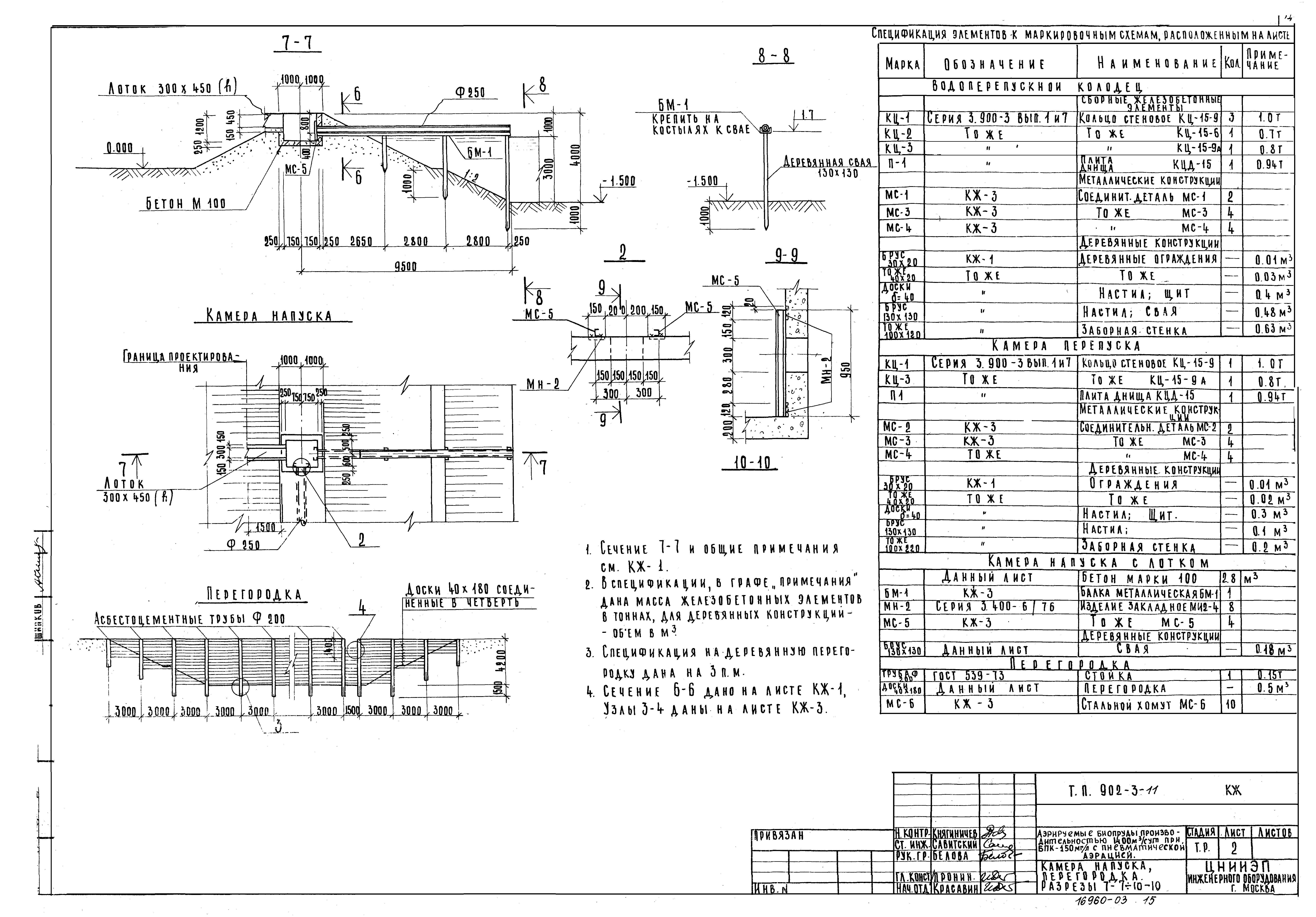
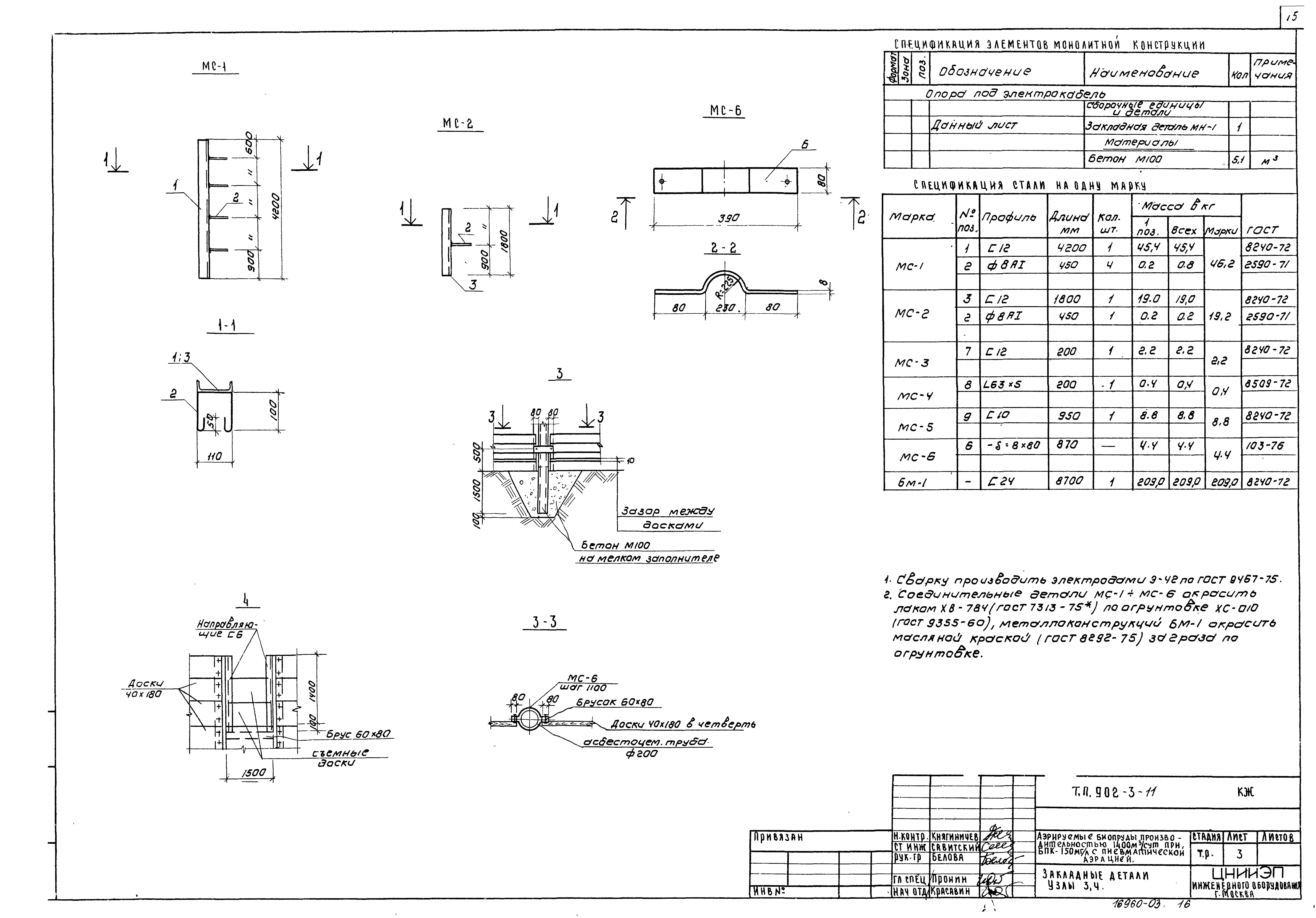
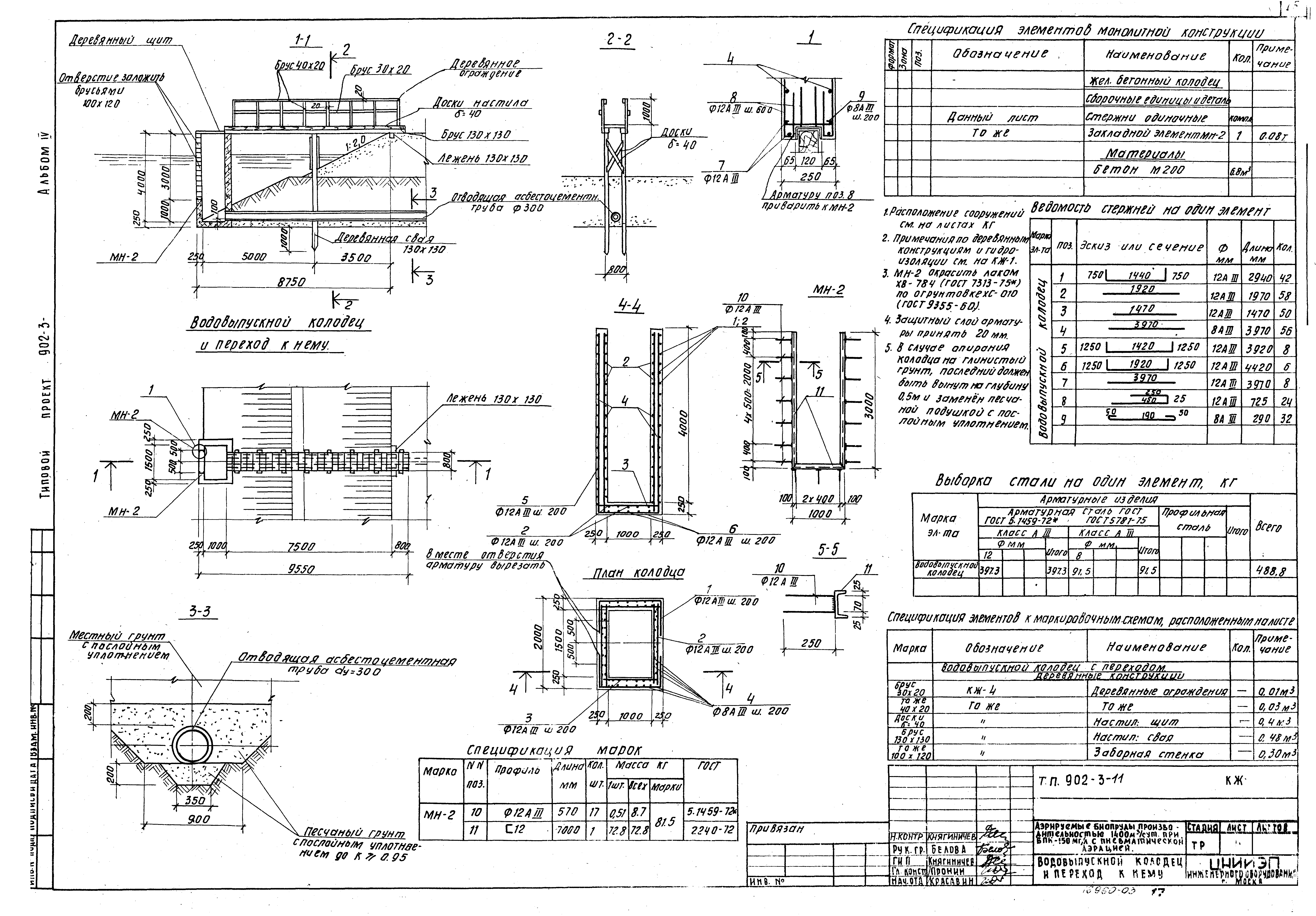
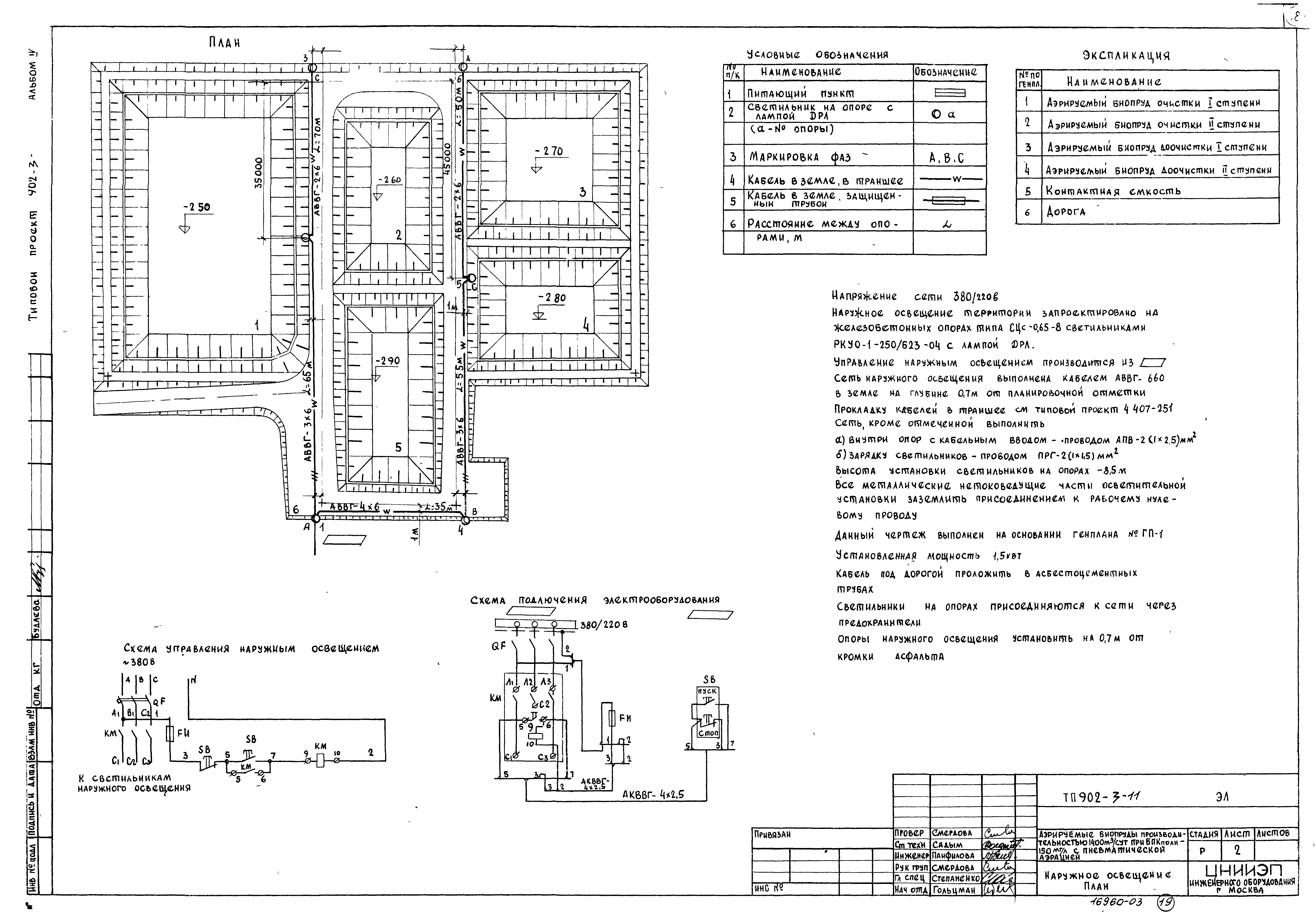
| Оглавление: | Содержание альбома Технологическая часть НК-1 Общие данные НК-2 Схема генплана НК-3 План с сетями НК-4 Разрезы 1-1, 2-2, 3-3 НК-5 Профили П2, Х1 НК-6 Профили М4, П2, М3, Х1 НК-7 Профили А0. Спецификация НК-8 Таблица колодцев Архитектурно-строительная часть ГП-1 Примерный генплан ГП-2 Раскладка плит. Разрезы 1-1, 2-2, 3-3 Конструкции железобетонные КЖ-1 Водоперепускной колодец и камера перепуска с переходом КЖ-2 Камера напуска, перегородка. Разрезы 7-7…10-10 КЖ-3 Закладные детали. Узлы 3 и 4 КЖ-4 Водовыпускной колодец и переход к нему Электротехническая часть ЭЛ-1 Общие данные ЭЛ-2 Наружное освещение. План |
| Разработан: | ЦНИИЭП |
| Утверждён: | 11.03.1980 Госгражданстрой (Gosgrazhdanstroy 75) |



















