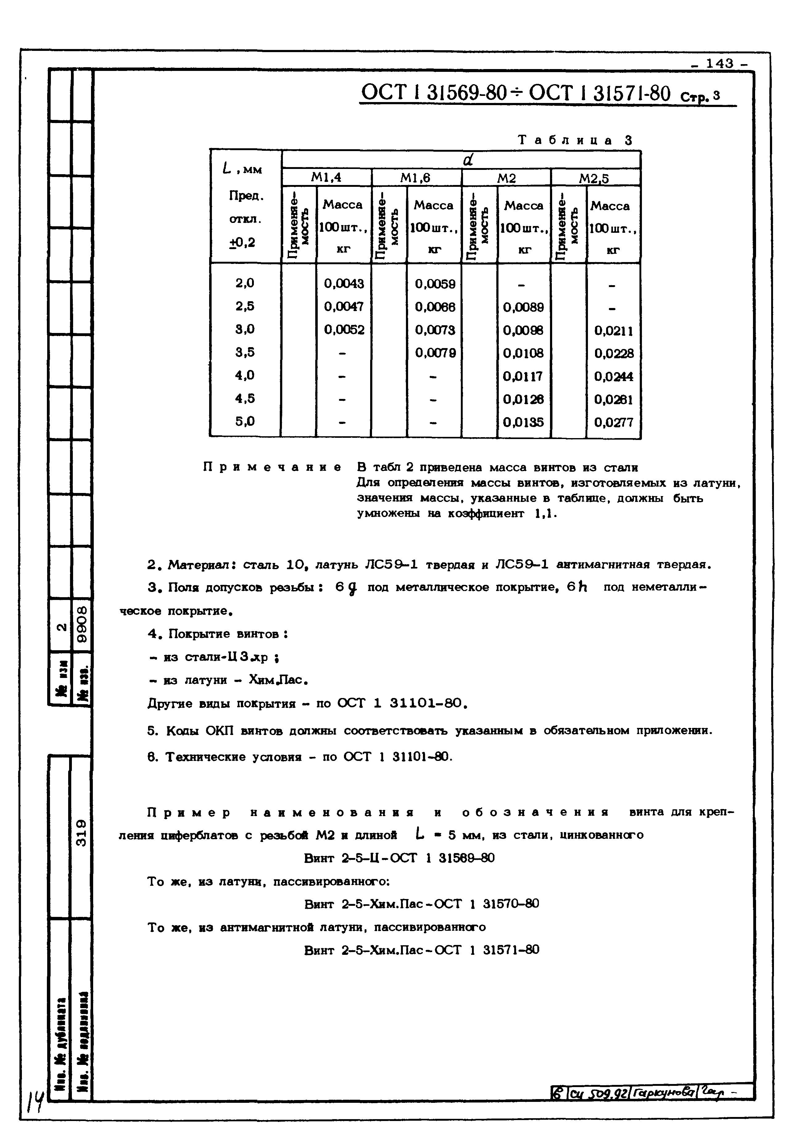
Скачать ОСТ 1 31569-80 Винты для крепления циферблатов. Конструкция и размерыДата актуализации: 01.01.2021 ОСТ 1 31569-80
Винты для крепления циферблатов. Конструкция и размеры| Обозначение: | ОСТ 1 31569-80 | | Обозначение англ: | 31569-80 | | Статус: | действует | | Название рус.: | Винты для крепления циферблатов. Конструкция и размеры | | Дата добавления в базу: | 01.09.2013 | | Дата актуализации: | 01.01.2021 | | Дата введения: | 01.01.1982 | | Оглавление: | Приложение Коды ОКП винтов | | Утверждён: | 30.10.1980 Министерство (Ministry 087-16)
| | Заменяет собой: | - Нормаль 3214А
- Нормаль 3215А
- Нормаль 3215А ант.
|
   
|