Скачать Типовые проектные решения 904-02-16.85 Альбом 1. Кондиционер прямоточный с одной секцией воздухонагревателя первого подогрева и воздухонагревателем второго подогрева. Электрическая система регулирования (КТЦ2-10…КТЦ2-250)Дата актуализации: 01.01.2021
|
| Обозначение: | Типовые проектные решения 904-02-16.85 |
| Обозначение англ: | 904-02-16.85 |
| Статус: | справочные материалы, мп, тпр |
| Название рус.: | Альбом 1. Кондиционер прямоточный с одной секцией воздухонагревателя первого подогрева и воздухонагревателем второго подогрева. Электрическая система регулирования (КТЦ2-10…КТЦ2-250) |
| Дата добавления в базу: | 01.09.2013 |
| Дата актуализации: | 01.01.2021 |
| Дата введения: | 12.06.1986 |
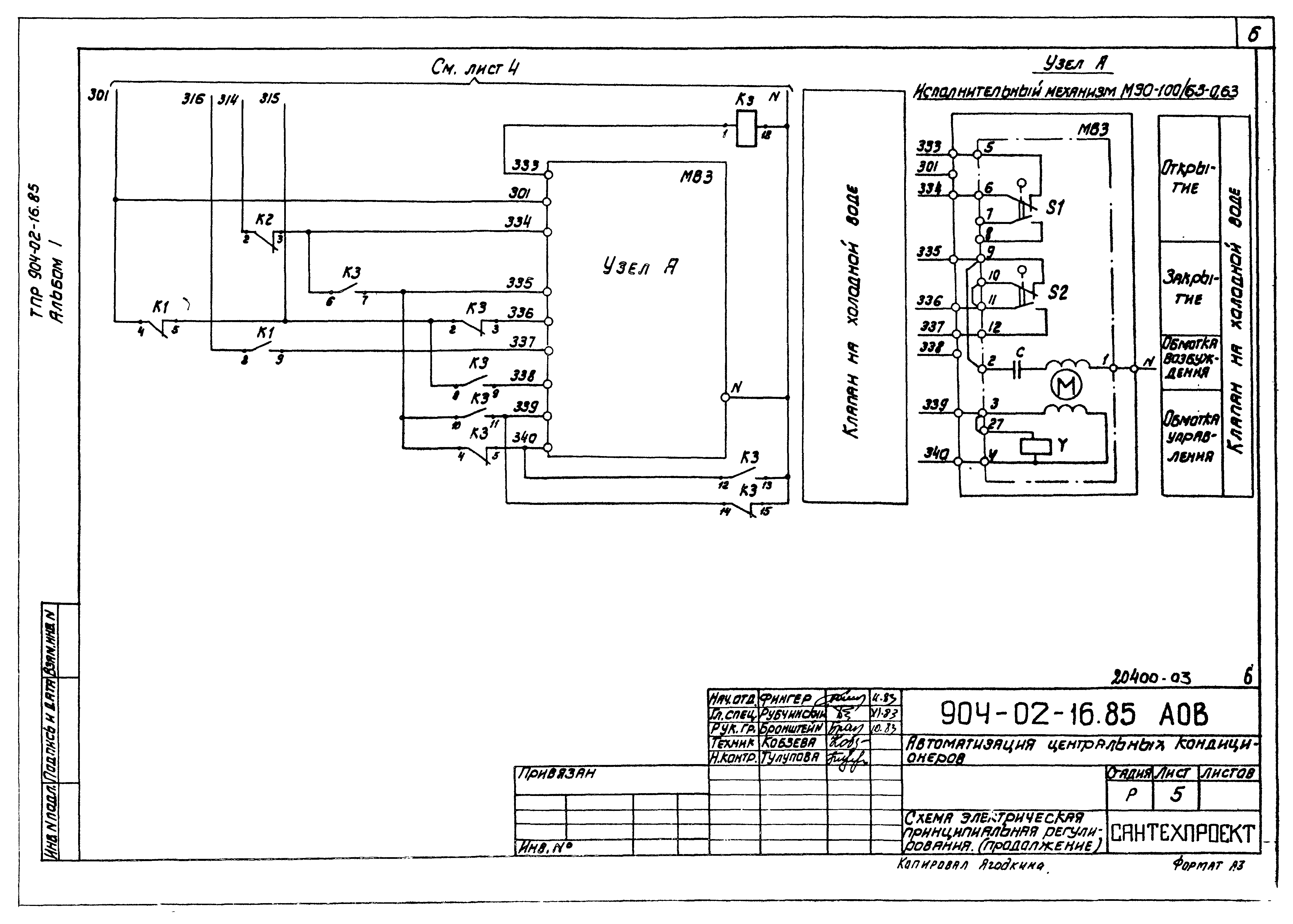
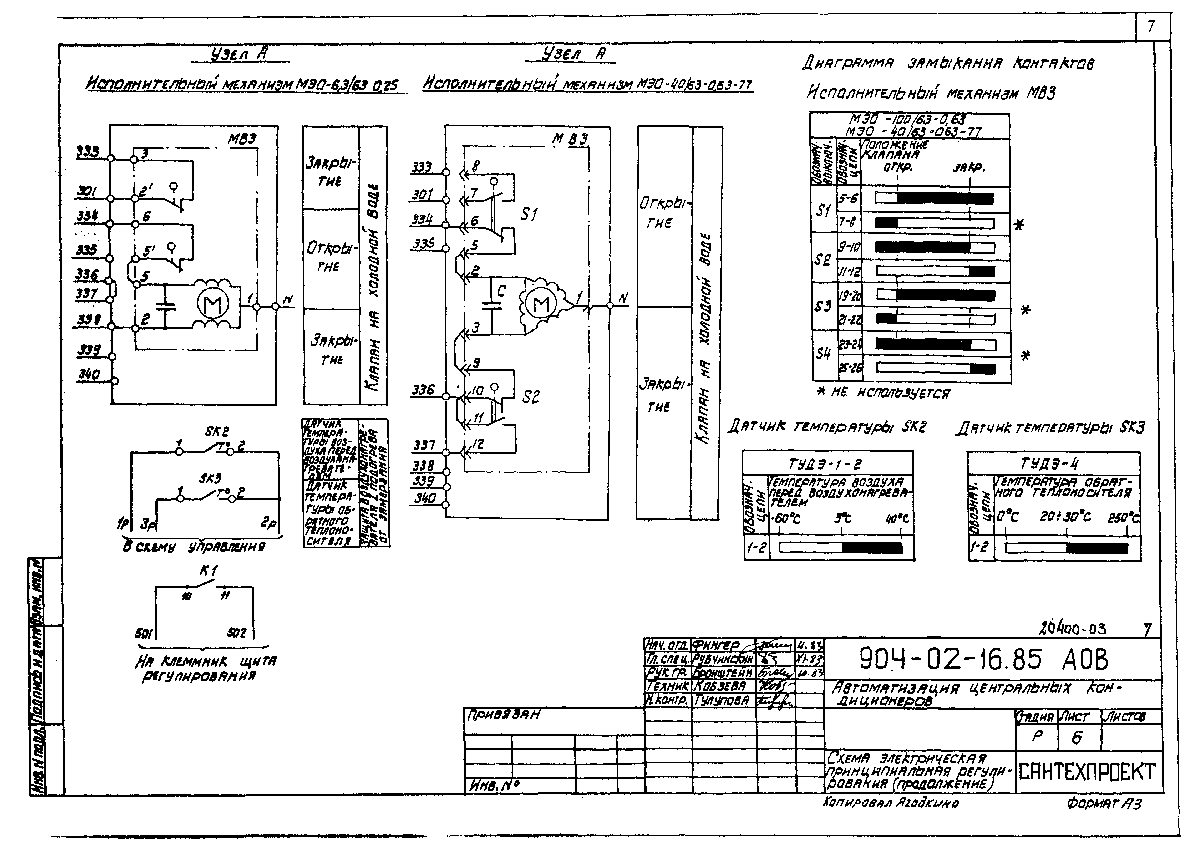
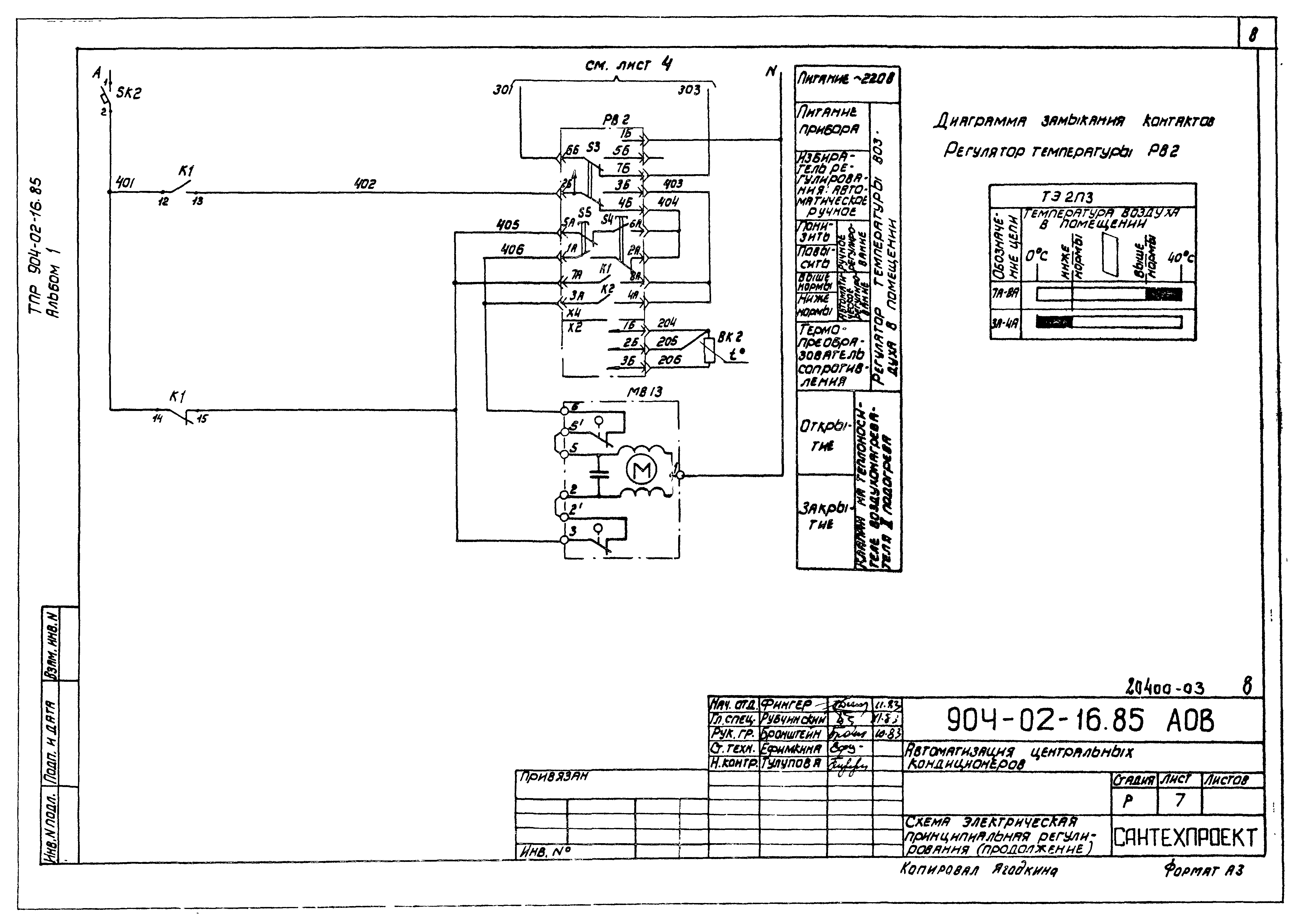
| Оглавление: | Общие данные Схема функциональная Схема электрическая принципиальная регулирования Щит ЩЗП1-1Д. Общий вид Щит ЩЗП1-1Д. Таблица соединений Щит ЩЗП1-1Д. Таблица подключений Схема подключения |
| Разработан: | Сантехпроект Госстроя СССР |
| Утверждён: | 12.06.1986 Главстройпроект Госстроя СССР (33) |



















