Скачать Типовые проектные решения 904-02-16.85 Альбом 14. Кондиционер с рециркуляцией, воздухонагревателем первого подогрева и двумя доводчиками. Электрическая система регулирования (КТЦ2-125…КТЦ2-250)Дата актуализации: 01.01.2021
|
| Обозначение: | Типовые проектные решения 904-02-16.85 |
| Обозначение англ: | 904-02-16.85 |
| Статус: | справочные материалы, мп, тпр |
| Название рус.: | Альбом 14. Кондиционер с рециркуляцией, воздухонагревателем первого подогрева и двумя доводчиками. Электрическая система регулирования (КТЦ2-125…КТЦ2-250) |
| Дата добавления в базу: | 01.09.2013 |
| Дата актуализации: | 01.01.2021 |
| Дата введения: | 12.06.1986 |
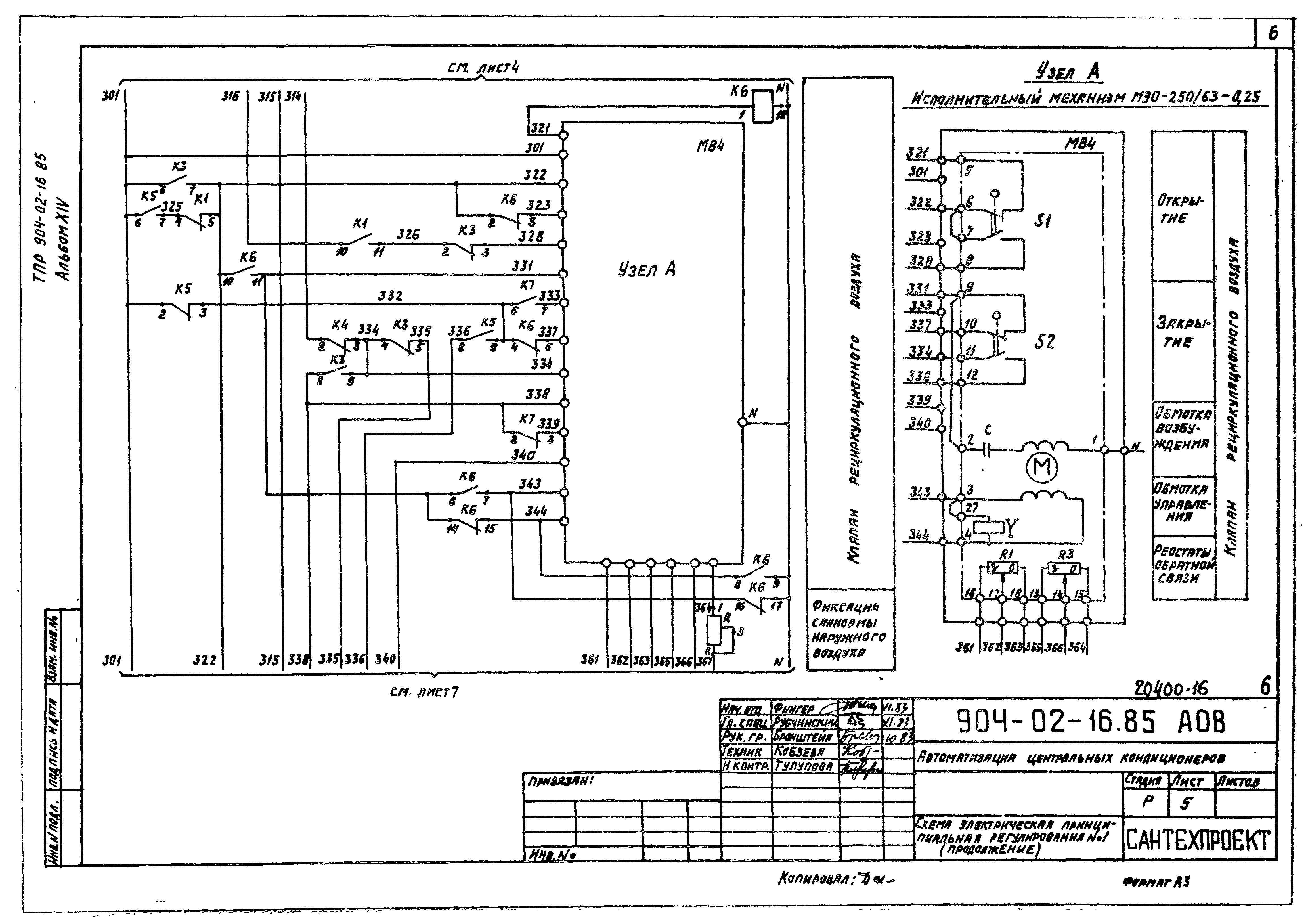
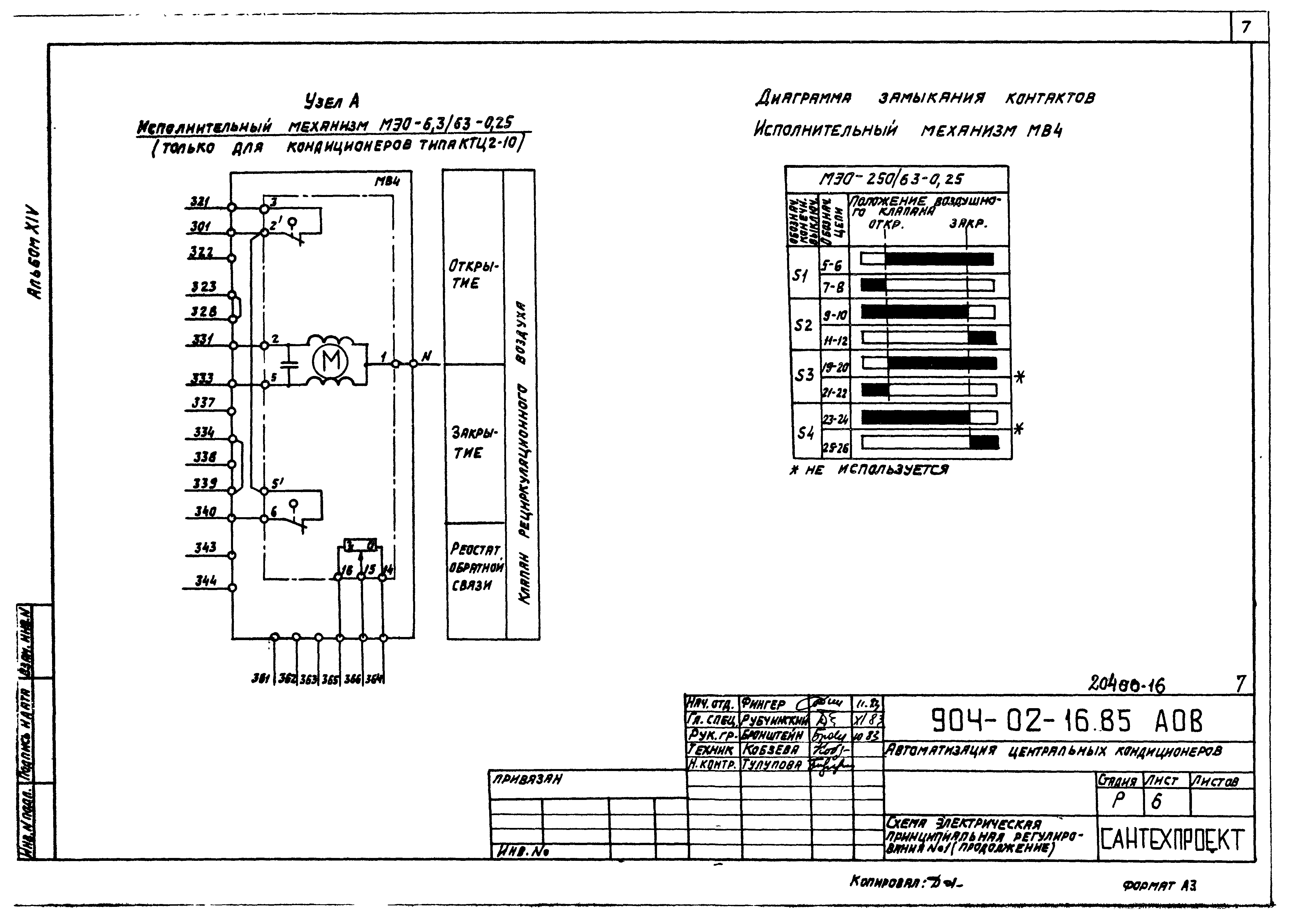
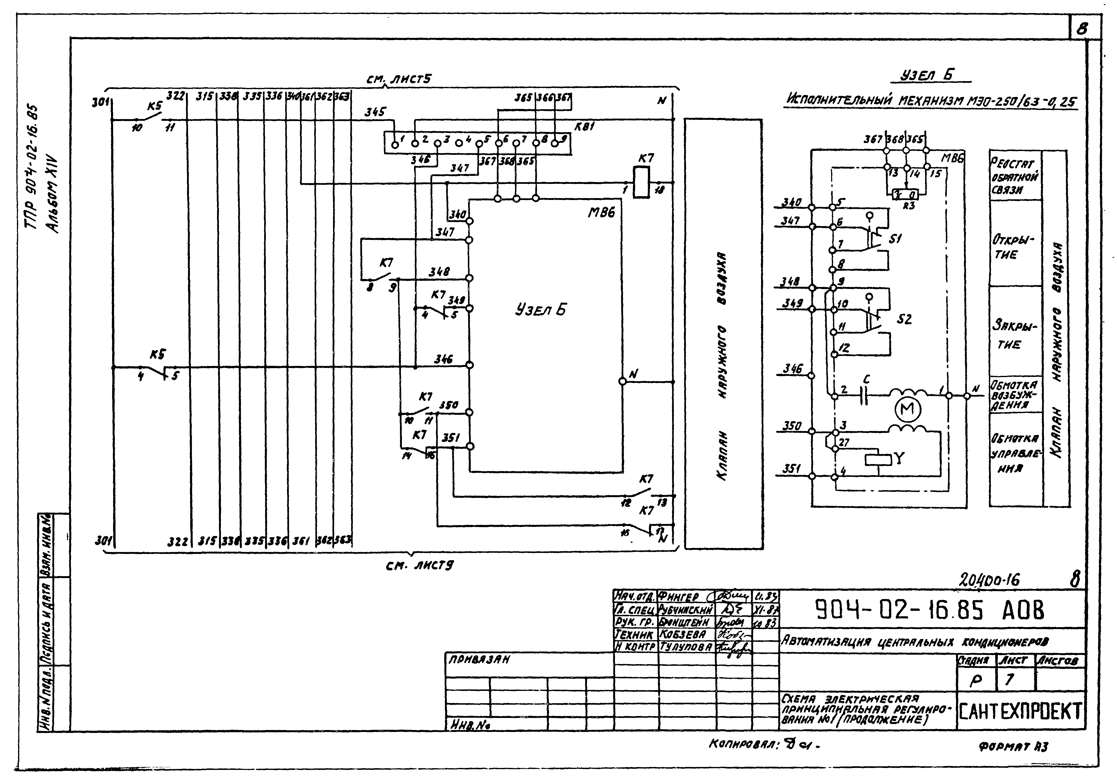
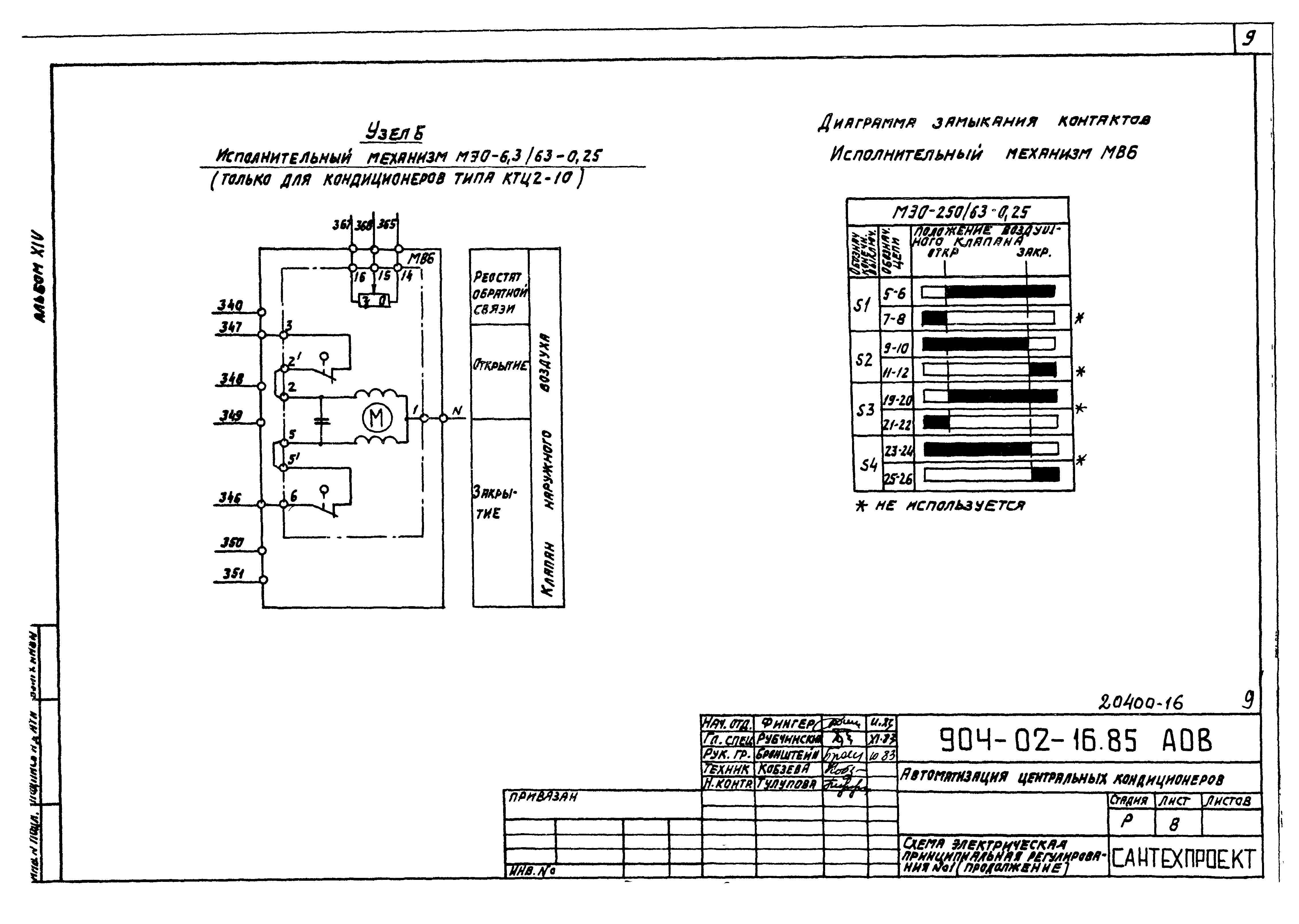
| Оглавление: | Общие данные Схема функциональная Схема электрическая принципиальная регулирования №1 Схема электрическая принципиальная регулирования №2 Щит Щ4Р1-0Д. Общий вид Щит Щ4Р1-0Д. Таблица соединений Щит Щ4Р1-0Д. Таблица подключения Щит ЩЗ-2Д. Общий вид Щит ЩЗ-2Д. Таблица соединений Щит ЩЗ-2Д. Таблица подключения Схема подключения №1 Схема подключения №1а Схема подключения №2 |
| Разработан: | Сантехпроект Госстроя СССР |
| Утверждён: | 12.06.1986 Главстройпроект Госстроя СССР (33) |






































