Скачать Типовой проект 902-2-425.86 Альбом 1. Технологическая часть, строительная часть, электрооборудование и автоматикаДата актуализации: 01.01.2021
|
| Обозначение: | Типовой проект 902-2-425.86 |
| Обозначение англ: | 902-2-425.86 |
| Статус: | не определен законодательством |
| Название рус.: | Альбом 1. Технологическая часть, строительная часть, электрооборудование и автоматика |
| Дата добавления в базу: | 01.09.2013 |
| Дата актуализации: | 01.01.2021 |
| Дата введения: | 14.07.1986 |
| Дата окончания срока действия: | 30.06.2003 |
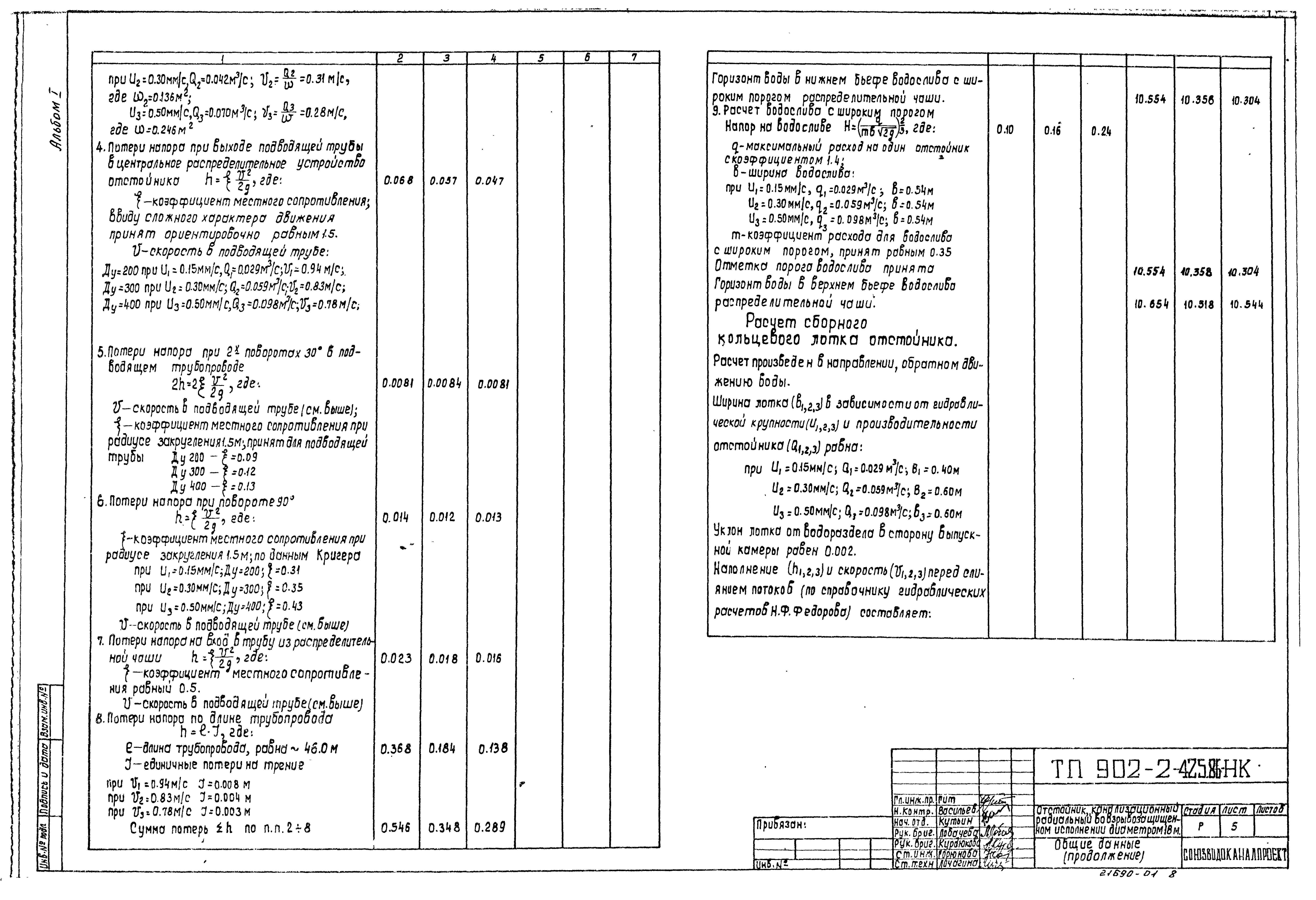
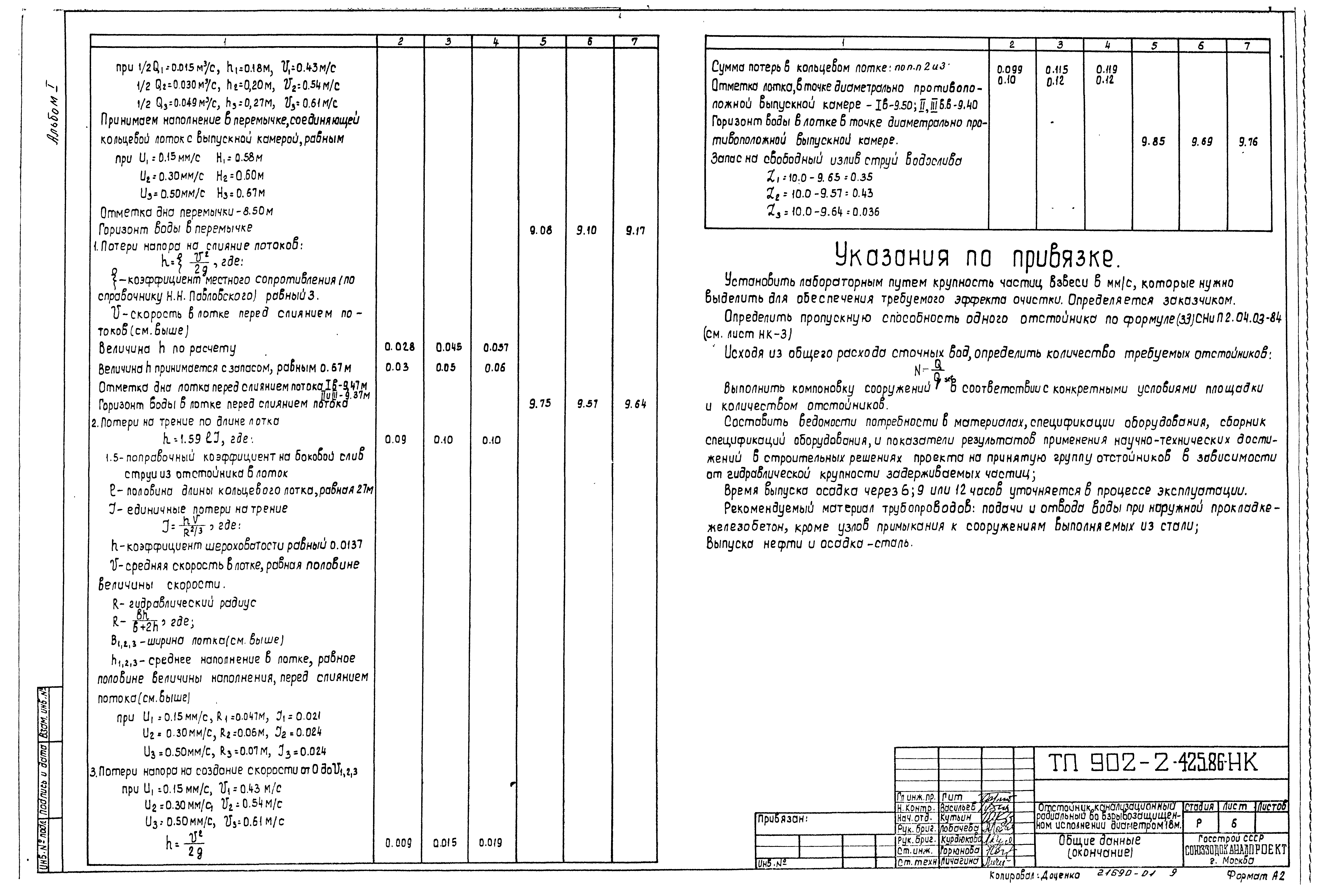
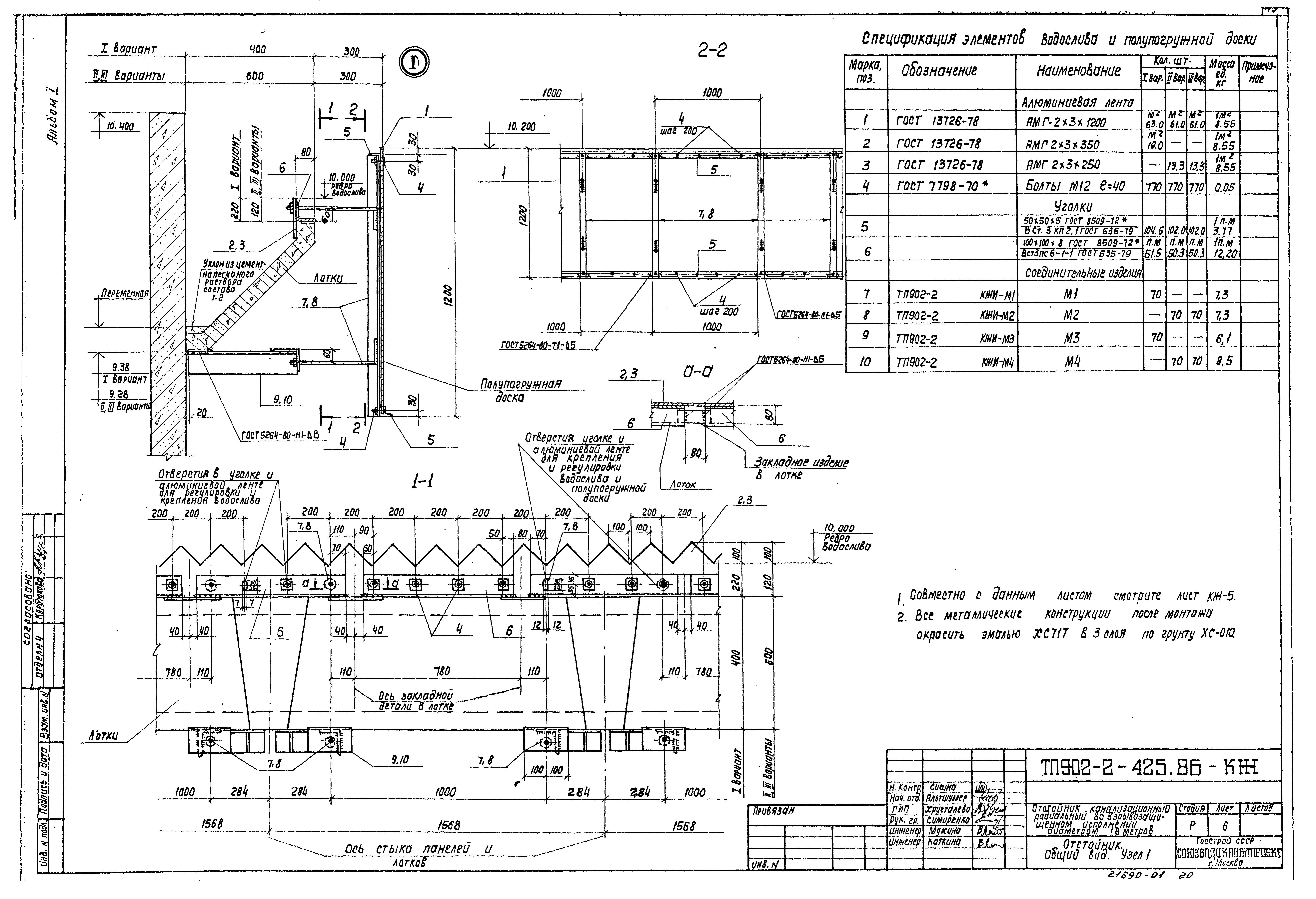
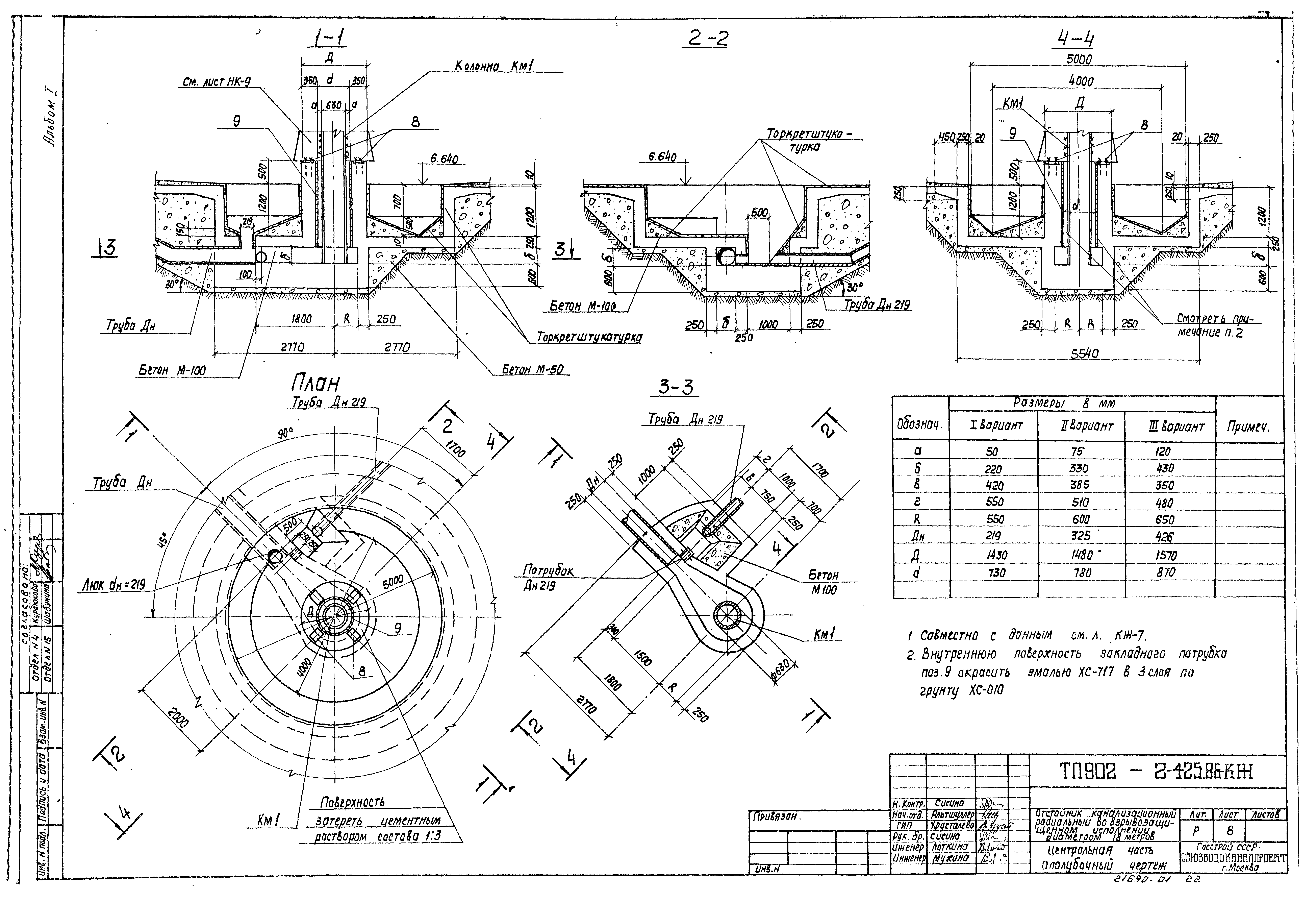
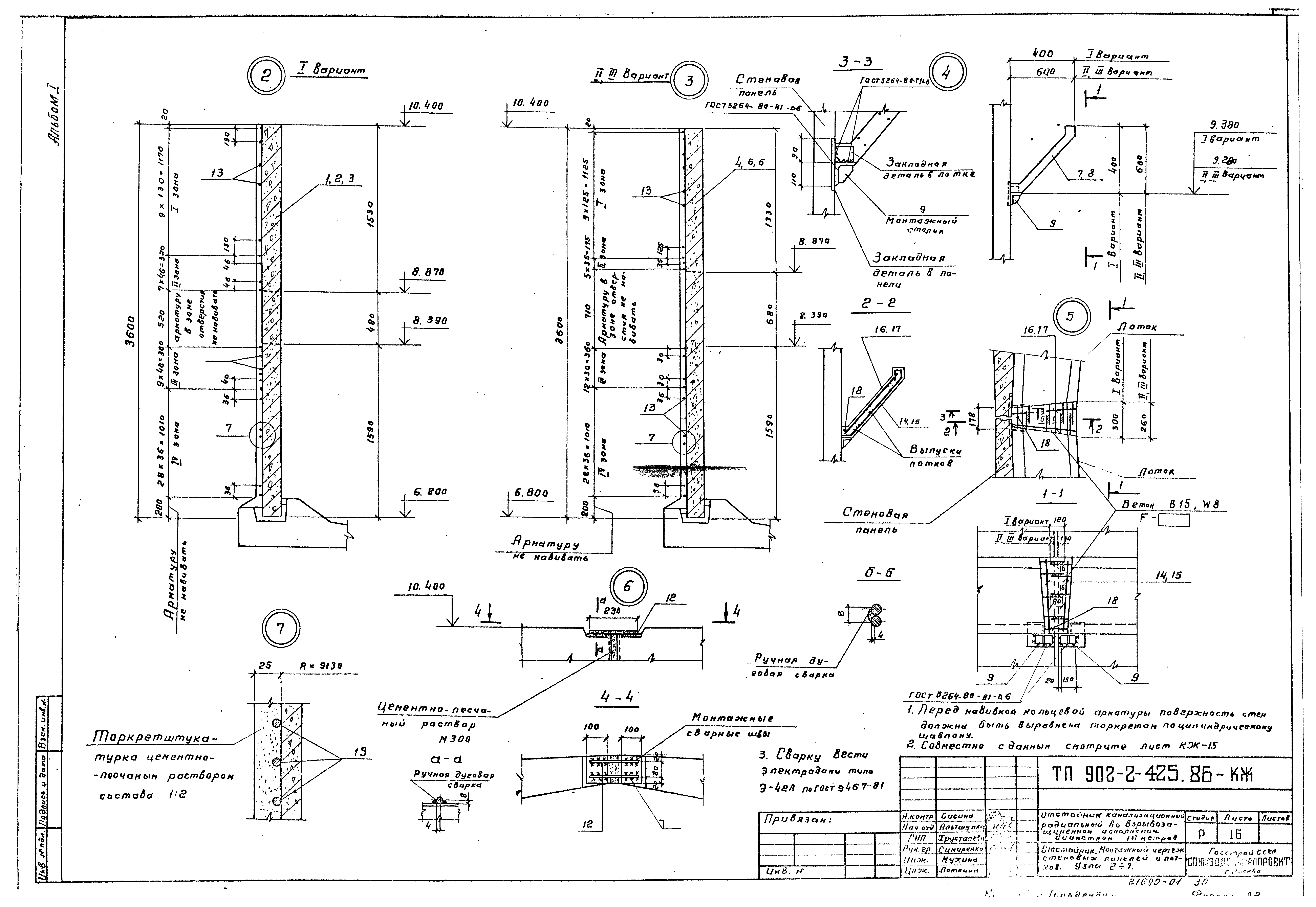
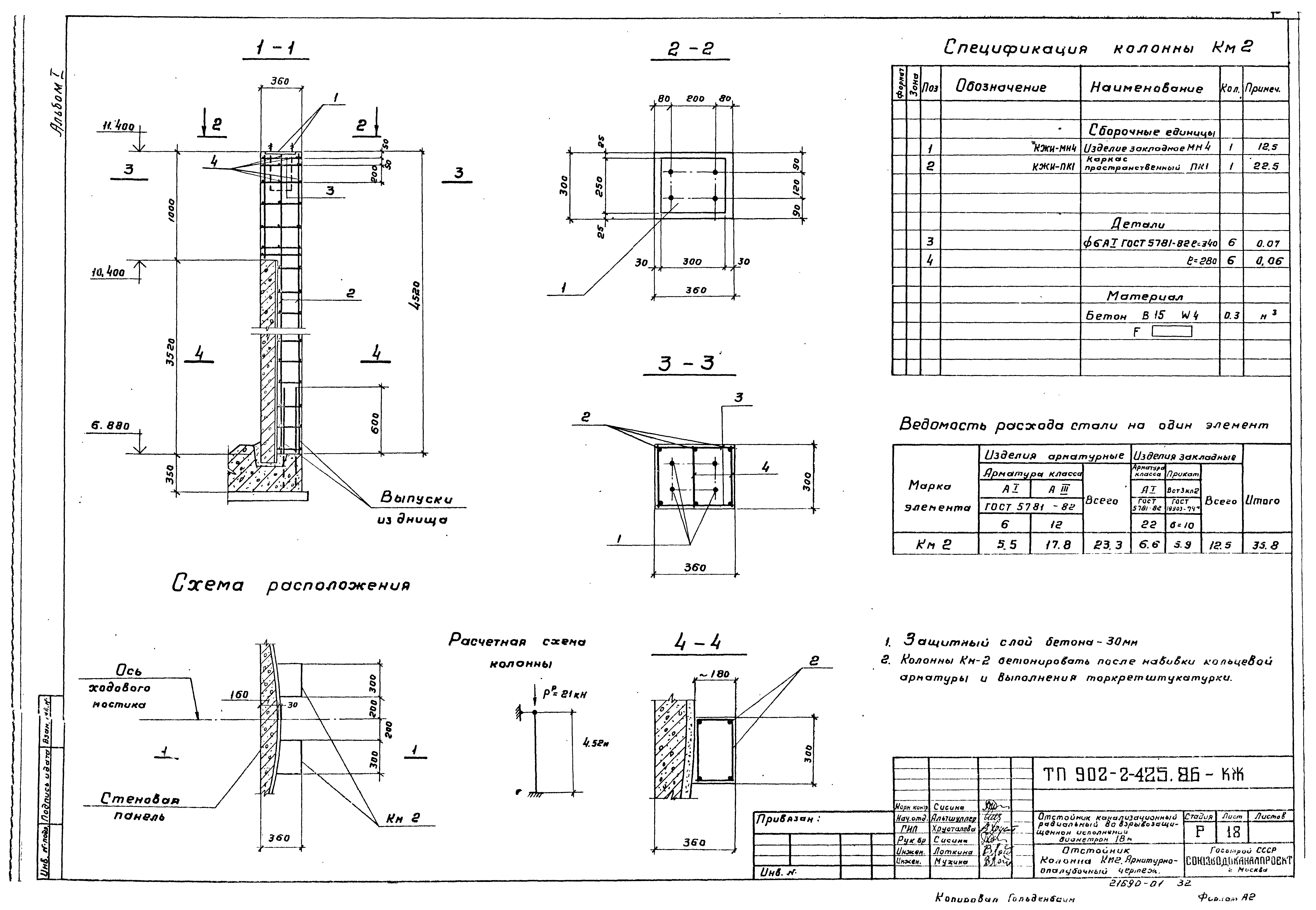
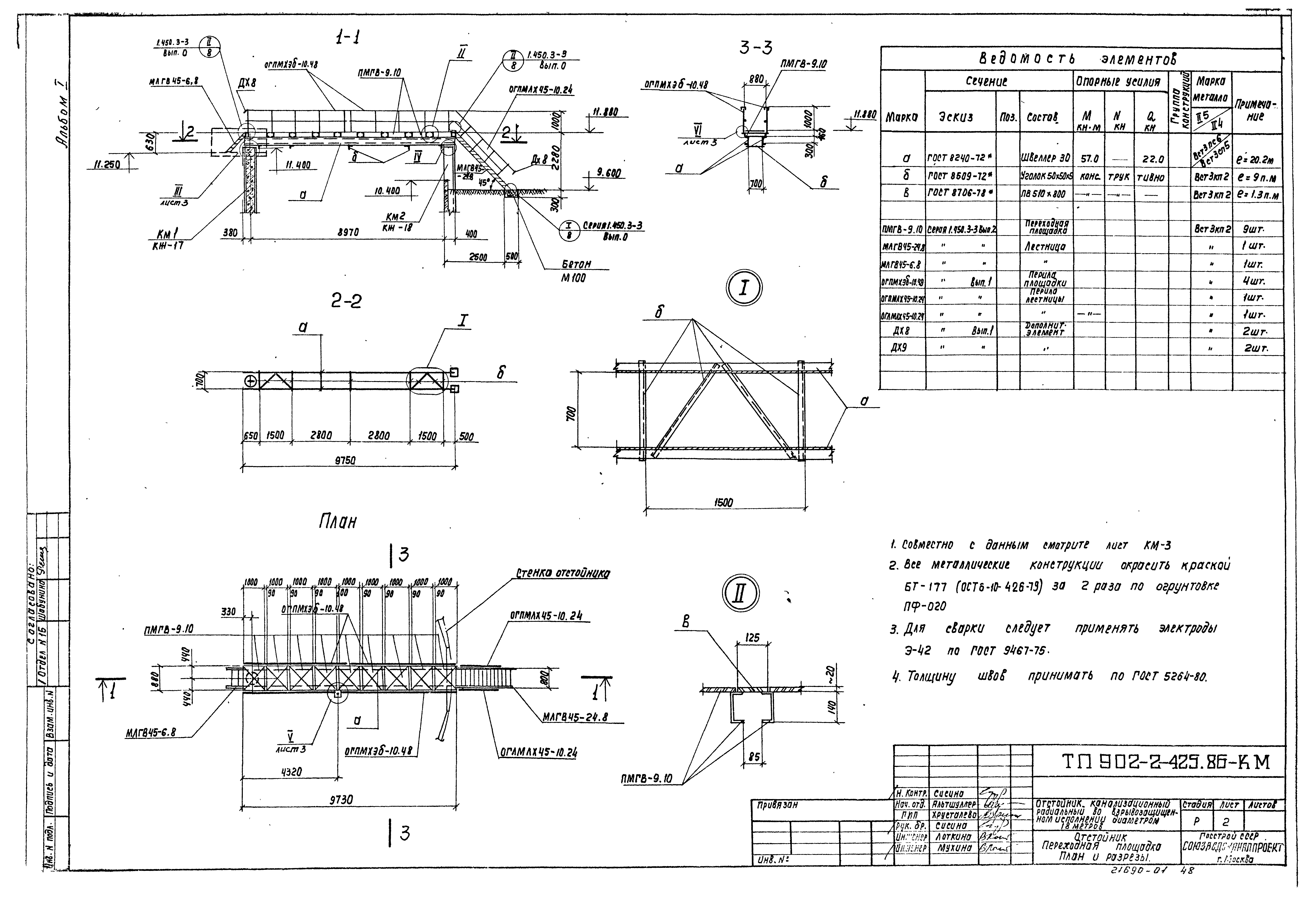
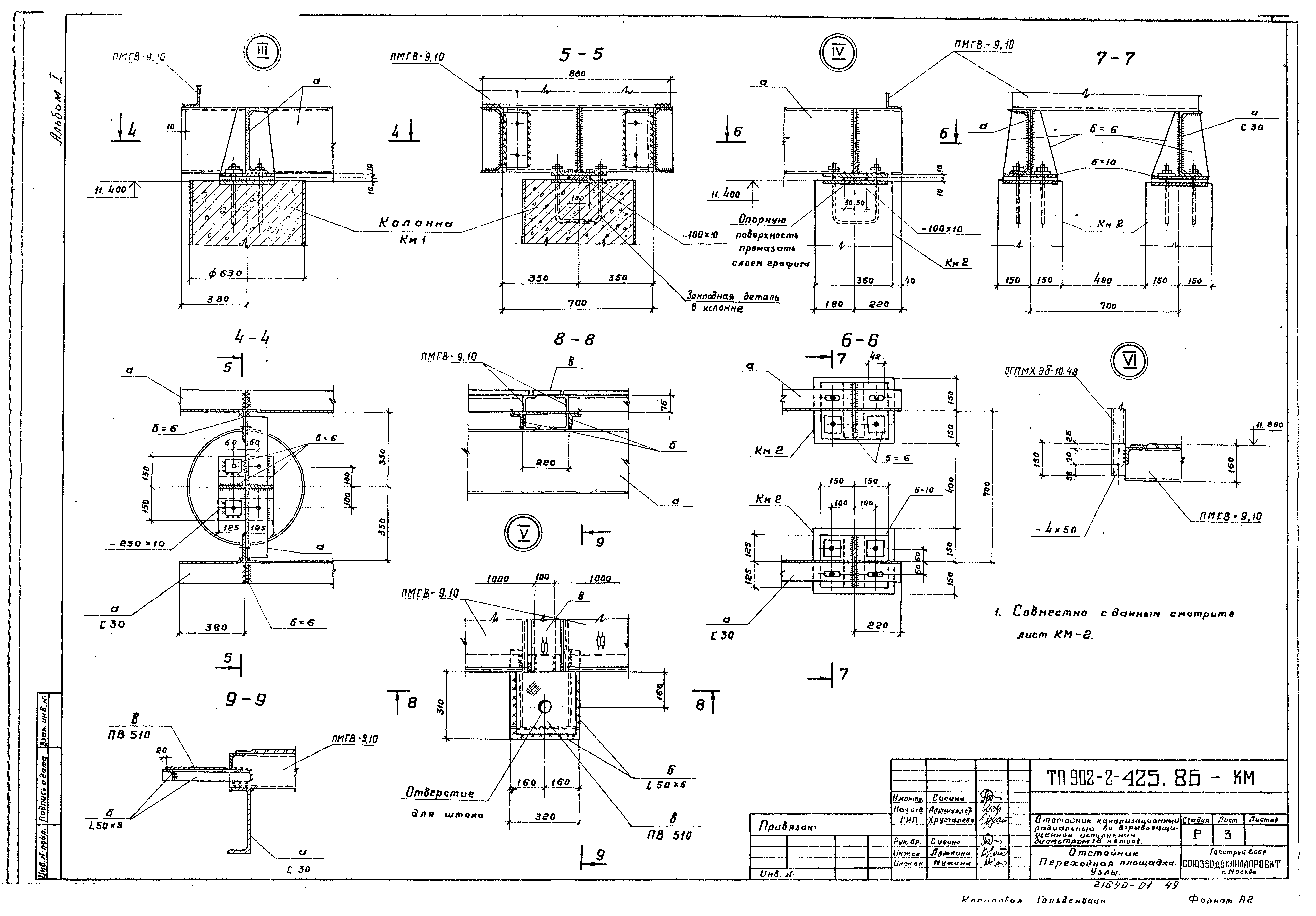
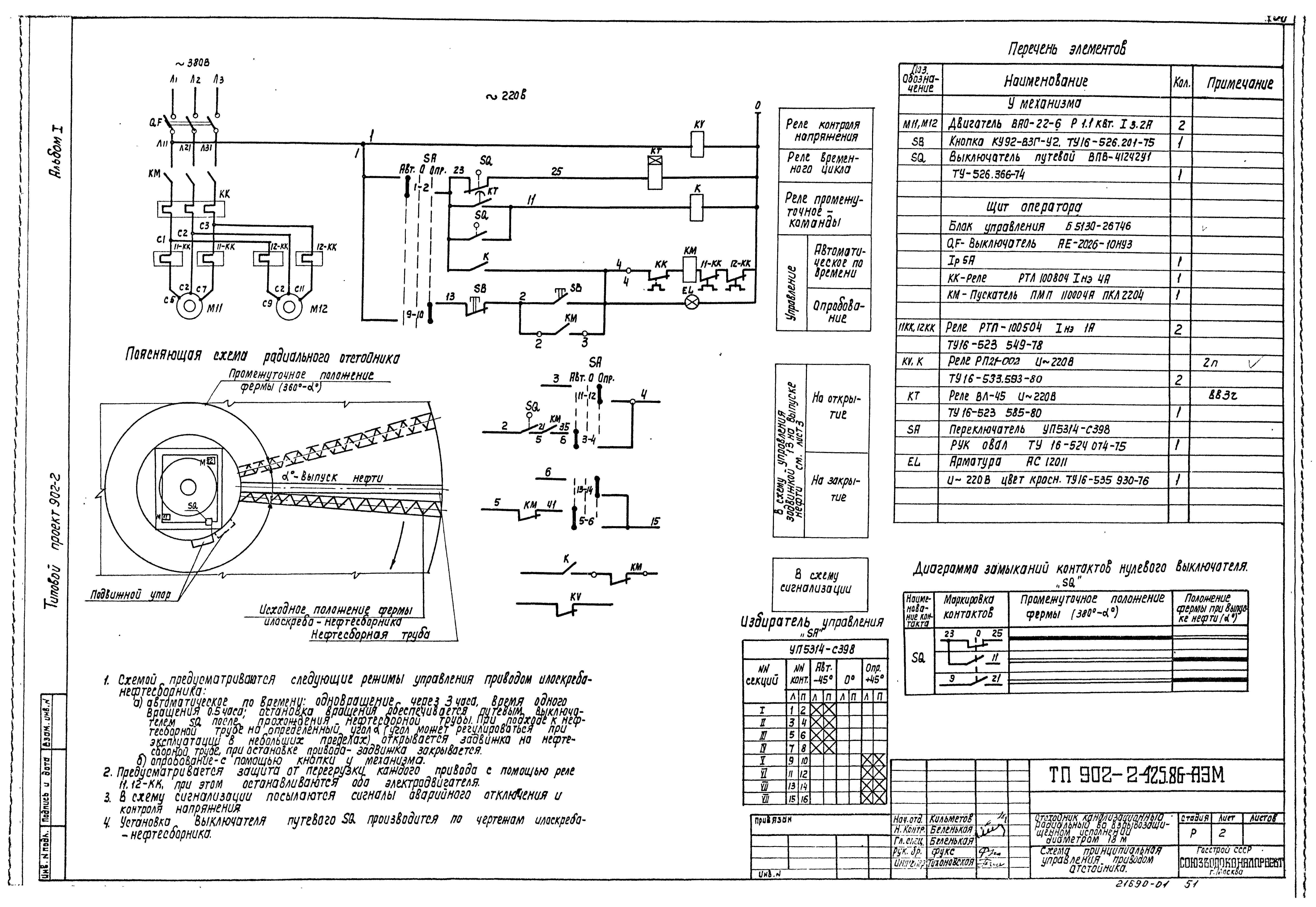
| Оглавление: | Содержание альбома Технологическая часть НК-1 Общие данные НК-7 Монтажный чертеж. Разрезы. Спецификация НК-8 Монтажный чертеж. План НК-9 Монтажный чертеж. Водораспределитель шайбовый НК-10 Колодцы для выпуска нефти и осадка. Разрезы. Спецификация НК-11 Распределительная чаша. Спецификация Строительная часть КЖ-1 Общие данные КЖ-5 Отстойник. Общий вид. План и сечение КЖ-6 Отстойник. Общий вид. Узел 1 КЖ-7 Отстойник. Днище Дм1. Опалубочный чертеж КЖ-8 Отстойник. Центральная часть. Опалубочный чертеж КЖ-9 Отстойник. Днище Дм1. Армирование КЖ-10 Отстойник. Центральная часть. Армирование. Сечения 1-1…3-3, 5-5, 6-6 КЖ-11 Отстойник. Центральная часть. Армирование. Планы по 7-7, 8-8; сечение 4-4 КЖ-12 Отстойник. Центральная часть. Армирование. Ведомость деталей. Спецификация (начало) КЖ-13 Отстойник. Центральная часть. Армирование. Ведомость деталей. КЖ-14 Отстойник. Центральная часть. Армирование. Ведомость деталей и спецификация (окончание) КЖ-15 Отстойник. Схема расположения стеновых панелей и лотков. План. Сечение 1-1. Узел 1 КЖ-16 Отстойник. Схема расположения панелей и лотков. Узлы 2…7 КЖ-17 Колонна КМ1. Опалубка и армирование КЖ-18 Колонна КМ2. Опалубка и армирование КЖ-19 Выпускная камера. Общий вид КЖ-20 Выпускная камера. Арматурно - опалубочный чертеж КЖ-21 Выпускная камера. Армирование. Спецификация и ведомость деталей КЖ-22 Распределительная чаша. Общий вид КЖ-23 Распределительная чаша. Армирование. Сечения КЖ-24 Распределительная чаша. Армирование. Спецификация и ведомость деталей КЖ-25 Нефтесборные колодцы К1 и К2. Общий вид КЖ-26 Нефтесборные колодцы. Арматурно - опалубочный чертеж. План и сечения КЖ-27 Нефтесборные колодцы. Арматурно - опалубочный чертеж. План и сечения КЖ-28 Колодец с гидравлическим затвором и колодец для выпуска осадка КЖ-29 Сборные камеры ОП1 и ОП2. Планы и сечения КЖ-30 Сборная камера ОП1. Армирование. План, сечение. Ведомость деталей КЖ-31 Сборная камера ОП2. Армирование. План, сечение. Ведомость деталей КЖ-31 Сборные камеры ОП1 и ОП2. Спецификации КМ-1 Общие данные КМ-2 Отстойник. Переходная площадка. План, разрезы КМ-3 Отстойник. Переходная площадка. Узлы Электрооборудование и автоматика АЭМ-1 Общие данные АЭМ-2 Схема принципиальная управления приводом отстойника АЭМ-3 Схема принципиальная управления задвижкой на выпуске нефти АЭМ-4 Схема принципиальная управления задвижкой на выпуске осадка АЭМ-5 Схема подключения электрооборудования АЭМ-6 Кабельный журнал АЭМ-7 Расположение электрооборудования и прокладка труб |
| Разработан: | Союзводоканалпроект |
| Утверждён: | 14.07.1986 Госстрой СССР (Государственный комитет Совета Министров СССР по делам строительства) (USSR Gosstroy 21) |























































