Скачать Типовой проект 902-2-427.86 Альбом 4. Строительные изделияДата актуализации: 01.01.2021
|
| Обозначение: | Типовой проект 902-2-427.86 |
| Обозначение англ: | 902-2-427.86 |
| Статус: | не определен законодательством |
| Название рус.: | Альбом 4. Строительные изделия |
| Дата добавления в базу: | 01.09.2013 |
| Дата актуализации: | 01.01.2021 |
| Дата введения: | 01.02.1987 |
| Дата окончания срока действия: | 30.06.2003 |
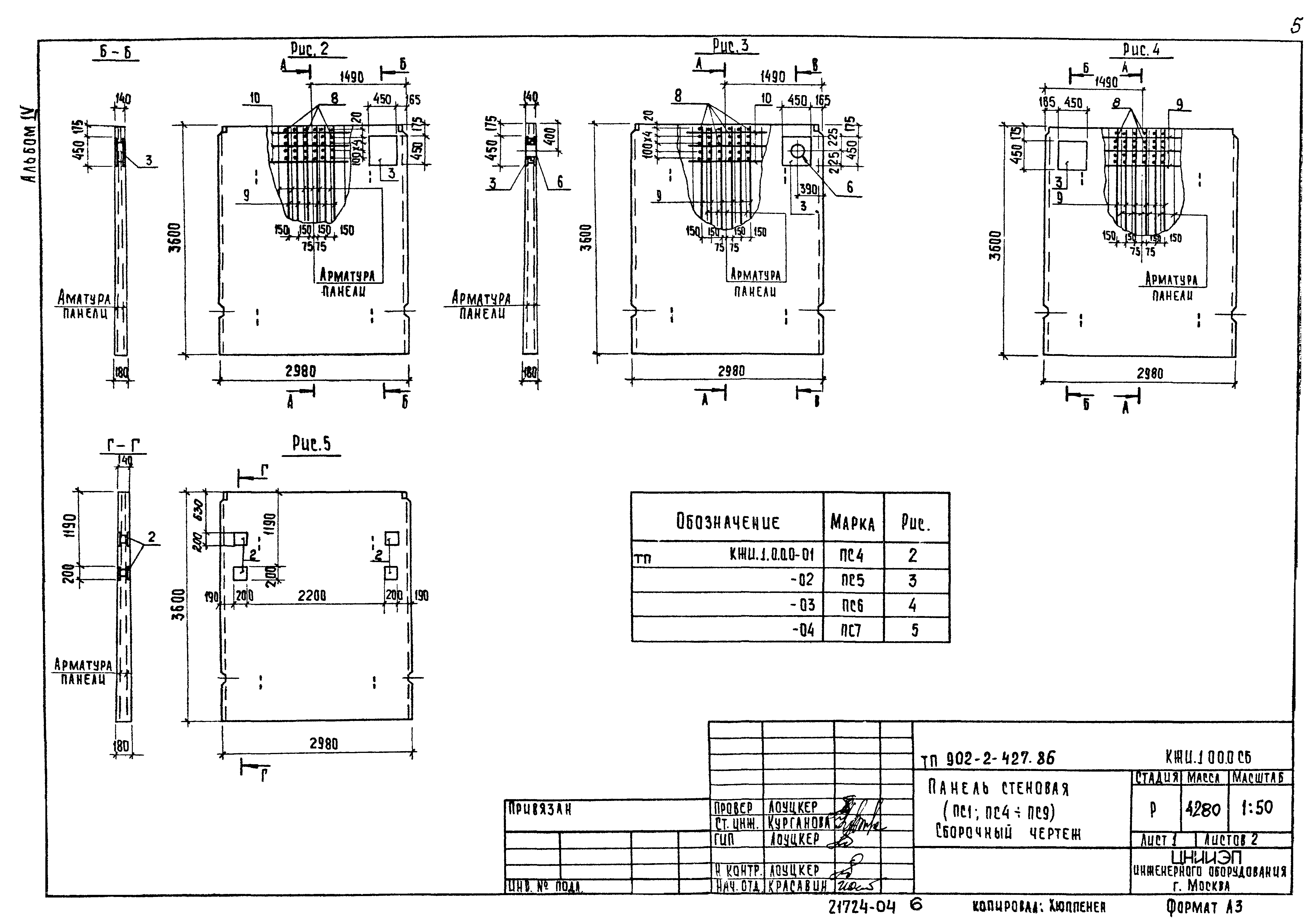
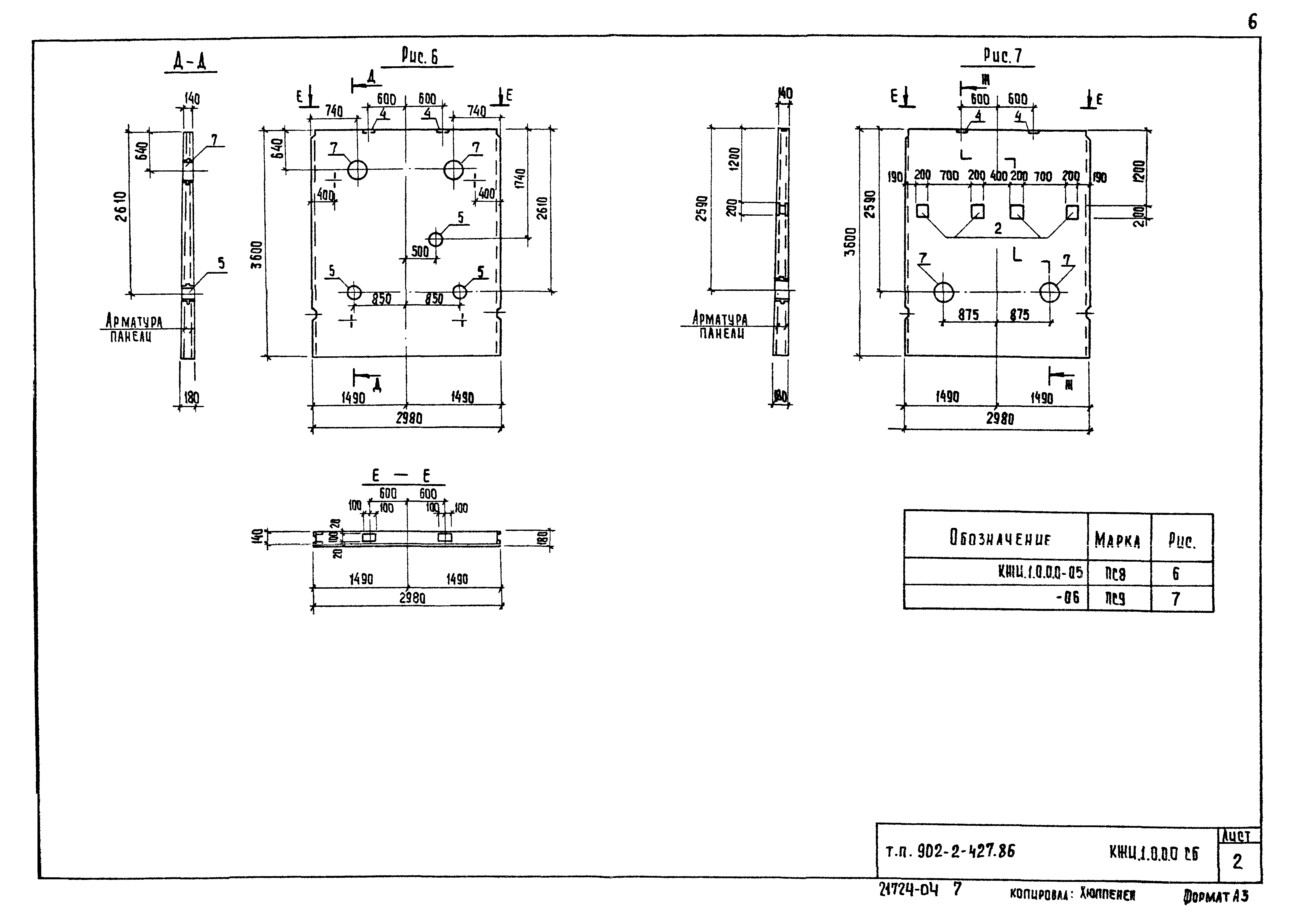
| Оглавление: | КЖИ.ТТ Технические требования КЖИ.1.0.0.0 Панель стеновая (ПС1, ПС4…ПС9) КЖИ.1.0.0.0 СБ Панель стеновая (ПС1, ПС4…ПС9). Сборочный чертеж КЖИ.1.0.0.0 ВМС Ведомость расхода стали на дополнительные закладные изделия на элемент, кг КЖИ.2.0.0.0 Панель стеновая (ПС2, ПС3) КЖИ.3.0.0.0 Панель стеновая ПС10 КЖИ.4.0.0.0 Плита (П1, П2) КЖИ.5.0.0.0 Балка Б1 КЖИ.6.0.0.0 Лоток ЛТ1 КЖИ.1.0.1.0 Изделие закладное МН2 КЖИ.1.0.2.0 Изделие закладное МН1 КЖИ.0.1.0.0 Щит струенаправляющий Щ1 КЖИ.0.2.0.0 Каркас пространственный КП1 КЖИ.0.2.1.0 Каркас плоский КР1 КЖИ.0.0.1.0 Сетка арматурная С1 КЖИ.0.0.2.0 Сетка арматурная С2 КЖИ.0.0.3.0 Сетка арматурная С3 КЖИ.0.0.4.0 Сетка арматурная С4 КЖИ.7.0.0.0 Водослив (В1, В2) КЖИ.0.0.8.0 Изделие закладное МН3 КЖИ.0.0.5.0 Изделие соединительное МС3 КЖИ.0.0.6.0 Изделие соединительное (МС8, МС9) КЖИ.8.0.0.0 Лоток металлический (ЛМ1, ЛМ2) |
| Разработан: | ЦНИИЭП |
| Утверждён: | 05.10.1986 Госгражданстрой (Gosgrazhdanstroy 280) |





















