Скачать Типовой проект 407-3-632.92 Альбом 3. Технологические картыДата актуализации: 01.01.2021
|
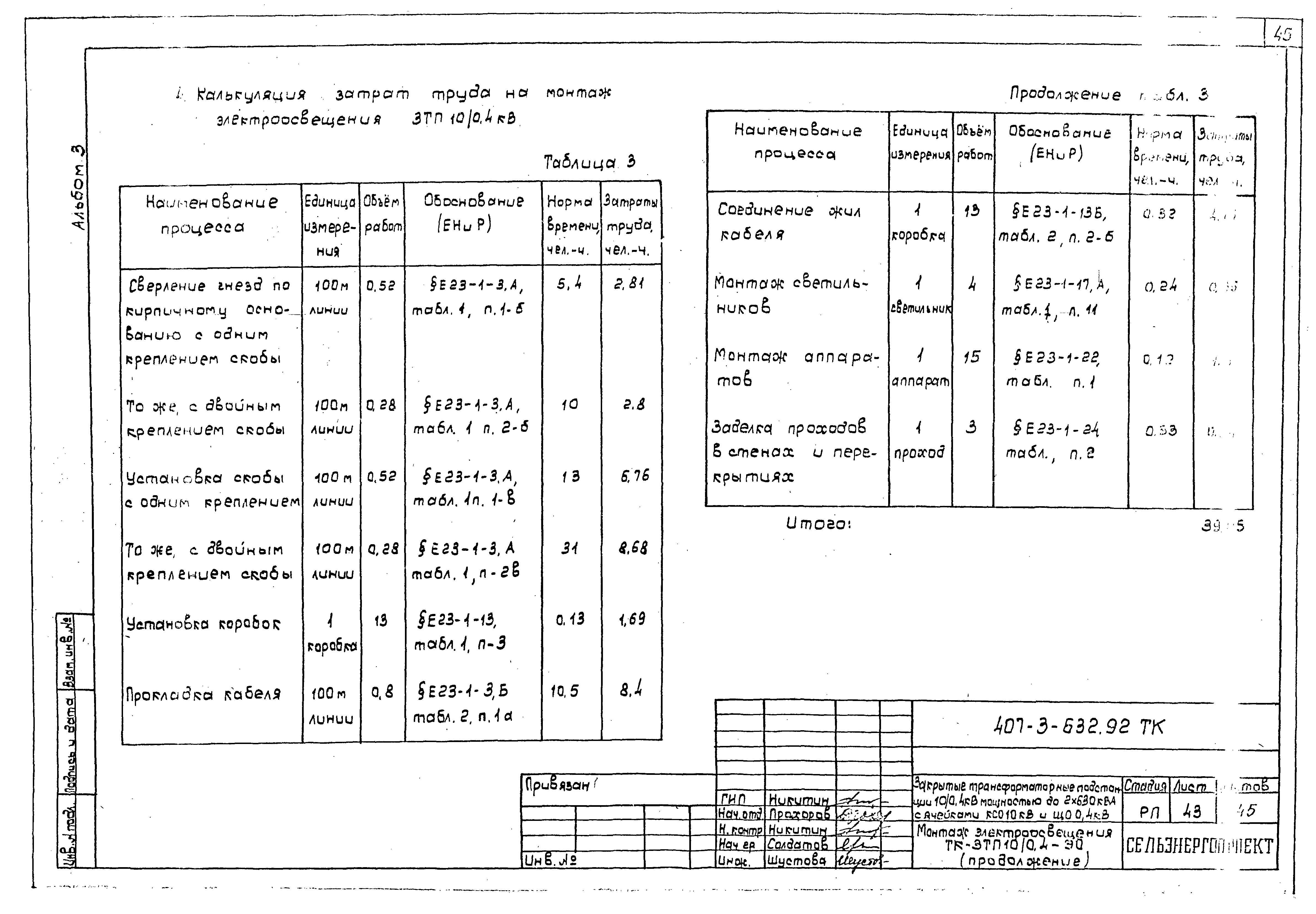
| Обозначение: | Типовой проект 407-3-632.92 |
| Обозначение англ: | 407-3-632.92 |
| Статус: | не определен законодательством |
| Название рус.: | Альбом 3. Технологические карты |
| Дата добавления в базу: | 01.09.2013 |
| Дата актуализации: | 01.01.2021 |
| Дата введения: | 01.01.1993 |
| Дата окончания срока действия: | 30.06.2003 |
| Разработан: | Сельэнергопроект |
| Утверждён: | 16.10.1992 Сельэнергопроект (29-П) |














































