Скачать Типовой проект 402-12-47 Альбом II. Задание заводу-изготовителю на изготовление нестандартного электрооборудованияДата актуализации: 01.01.2021 Типовой проект 402-12-47
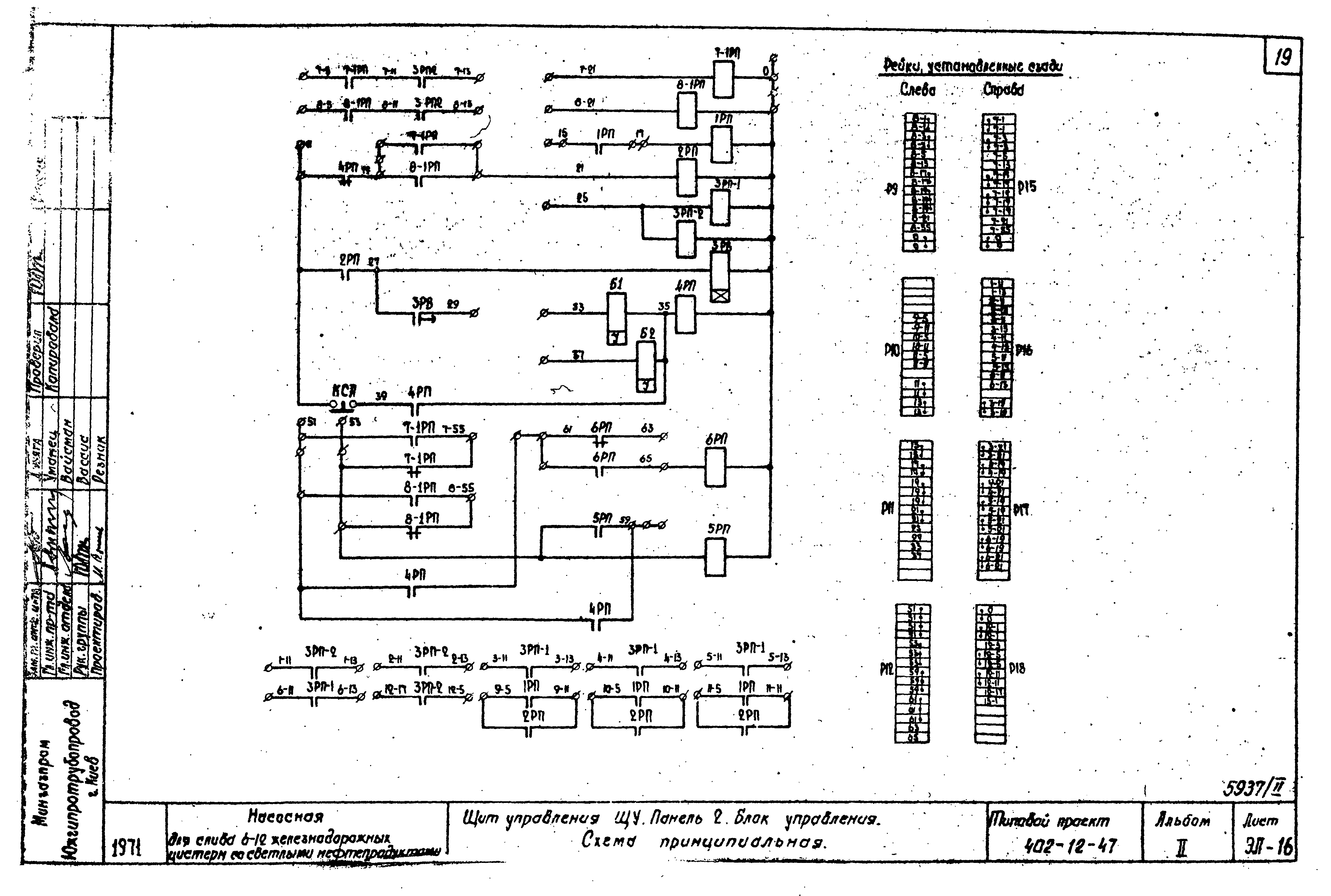
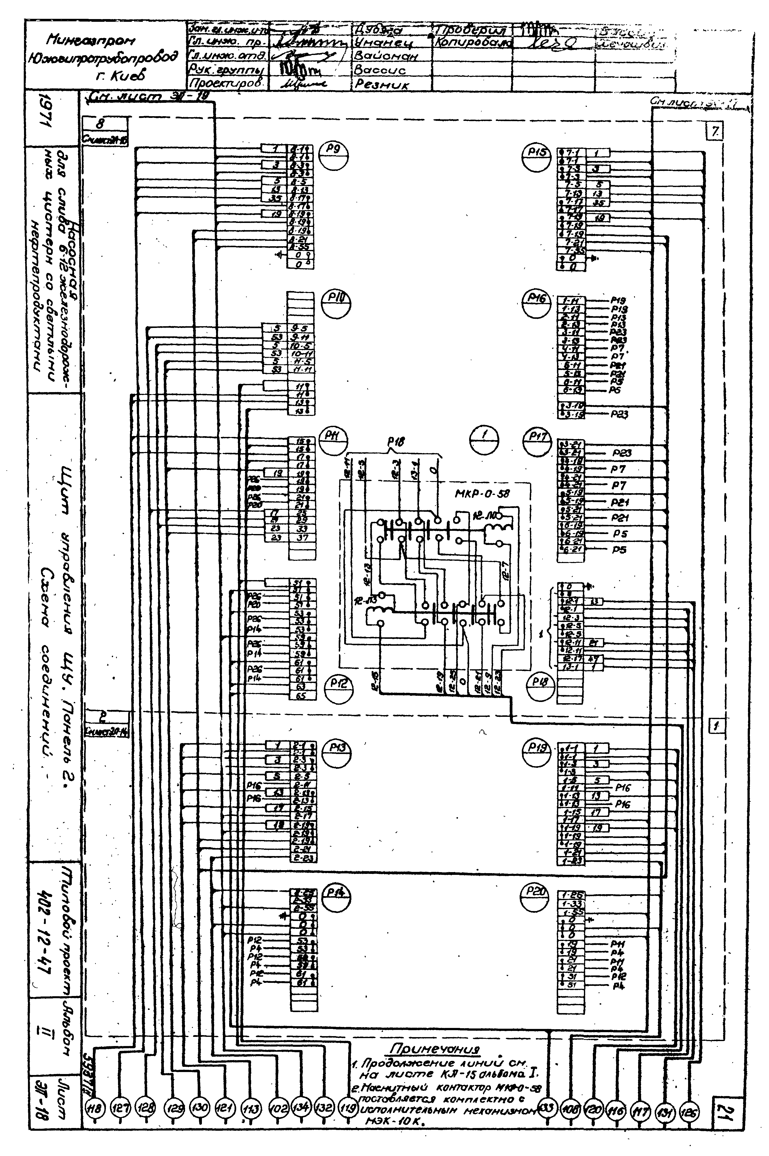
Альбом II. Задание заводу-изготовителю на изготовление нестандартного электрооборудования| Обозначение: | Типовой проект 402-12-47 | | Обозначение англ: | 402-12-47 | | Статус: | действует | | Название рус.: | Альбом II. Задание заводу-изготовителю на изготовление нестандартного электрооборудования | | Дата добавления в базу: | 01.09.2013 | | Дата актуализации: | 01.01.2021 | | Дата введения: | 12.10.1971 | | Разработан: | ЮжГипротрубопровод Мингазпрома
| | Утверждён: | 14.09.1971 Южгипротрубопровод (110/пр)
|
                         
|