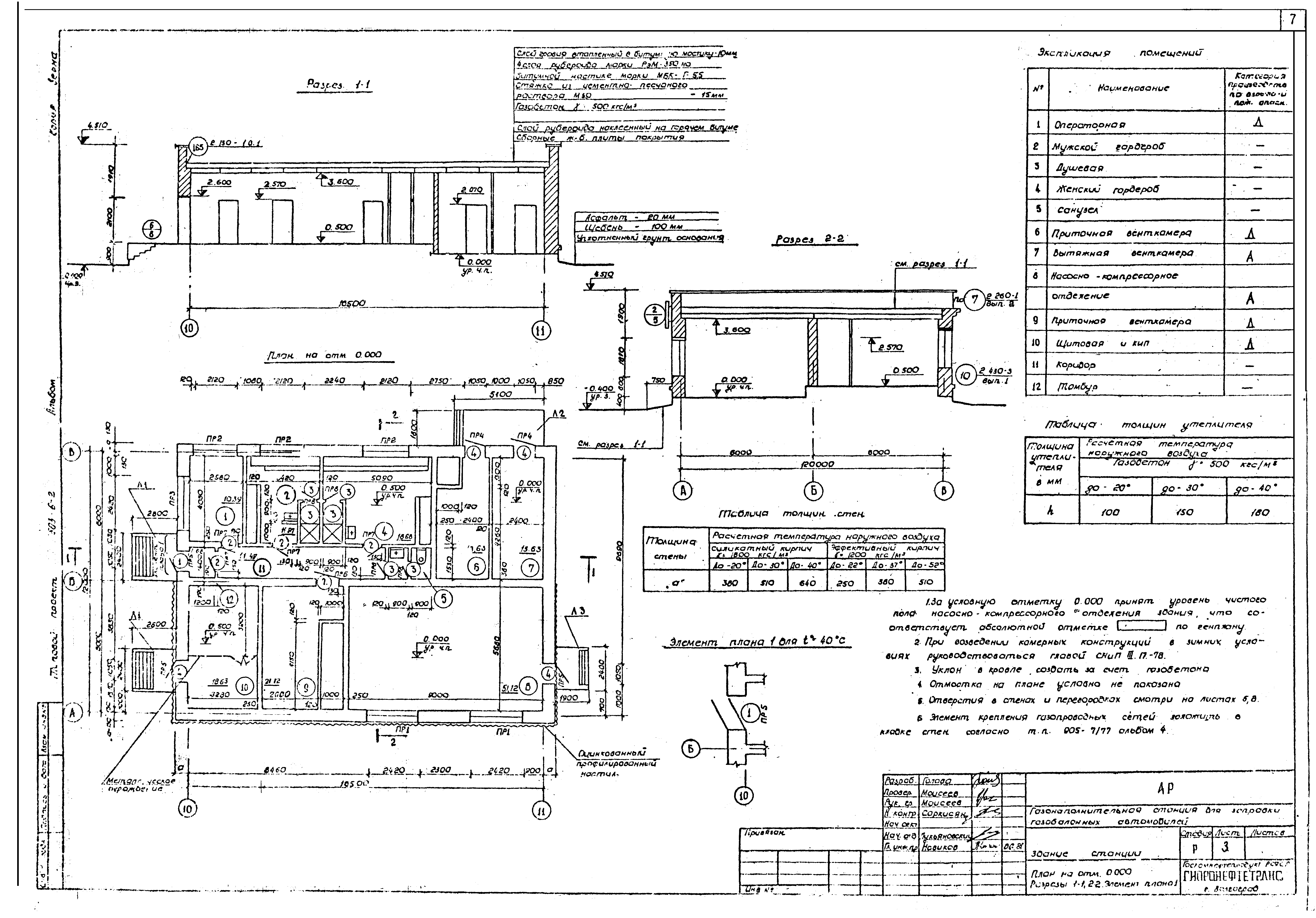
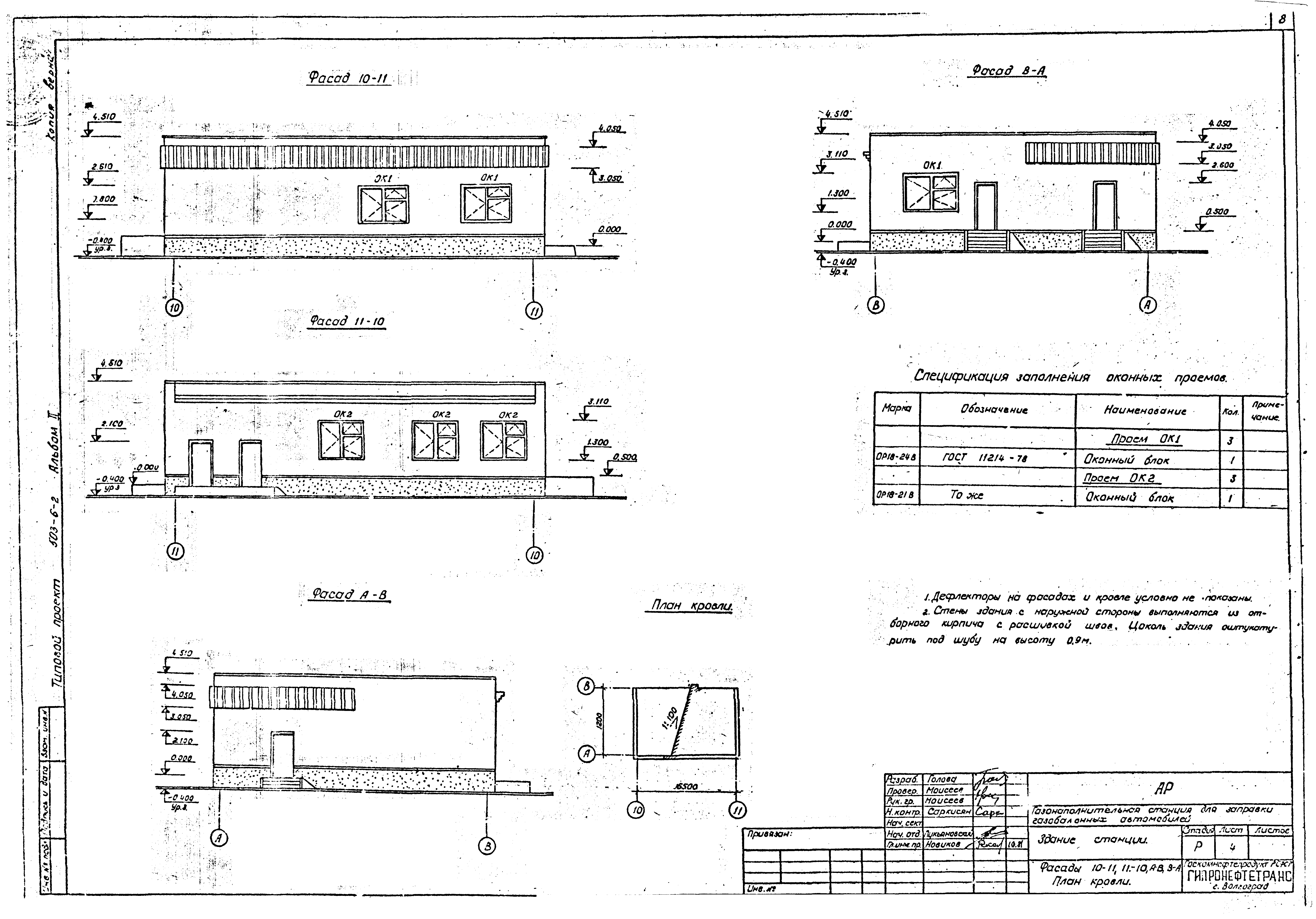
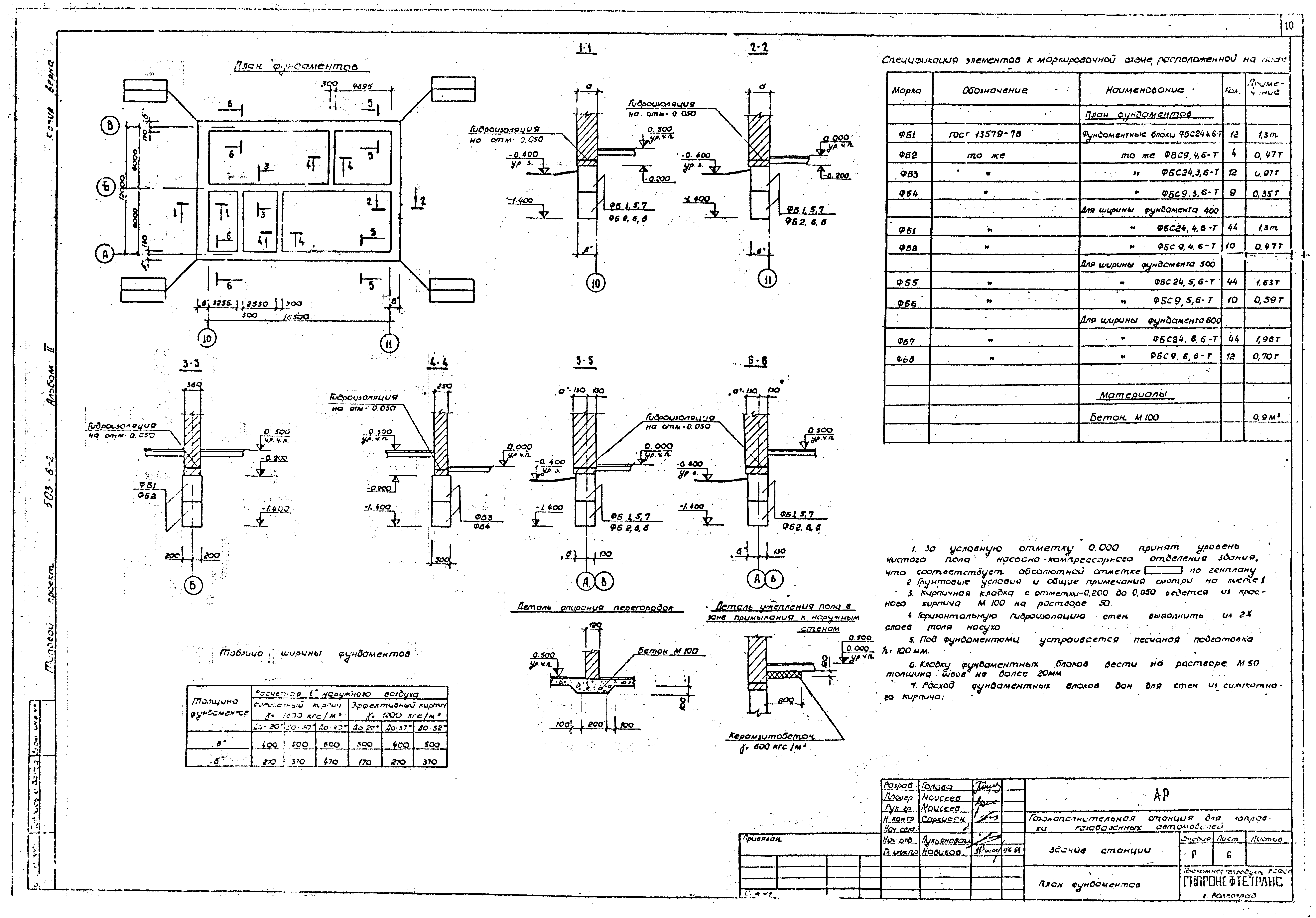
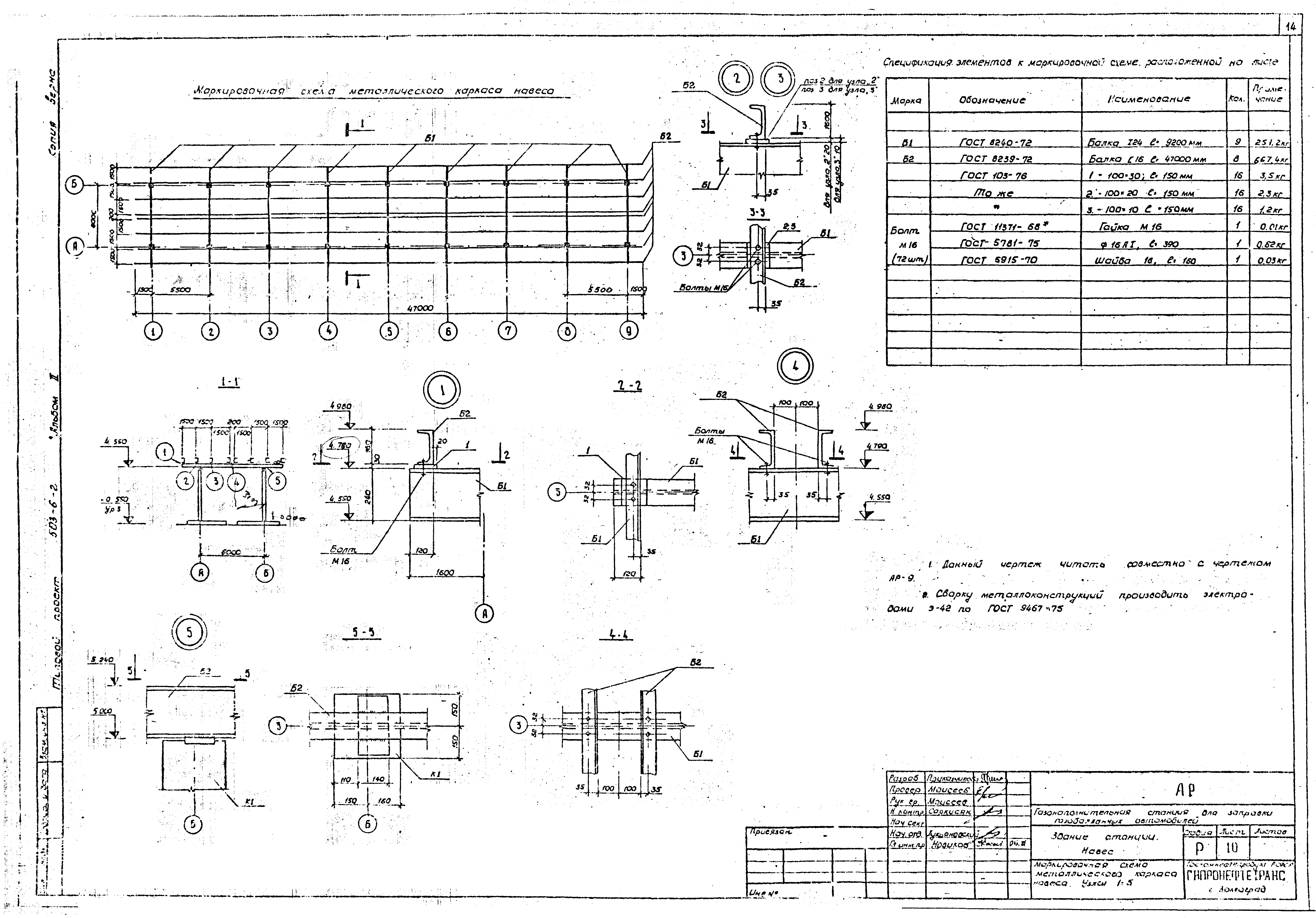
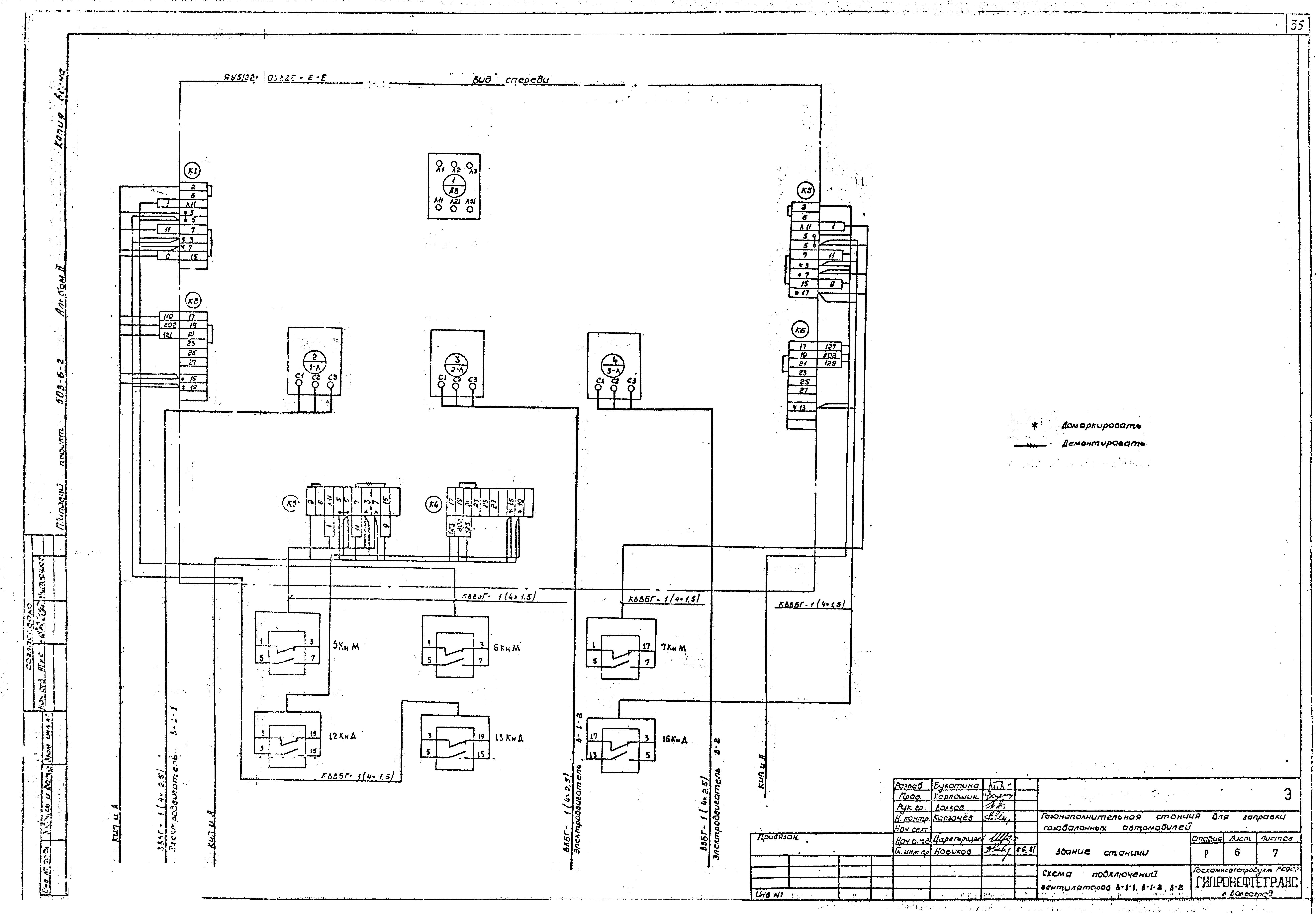
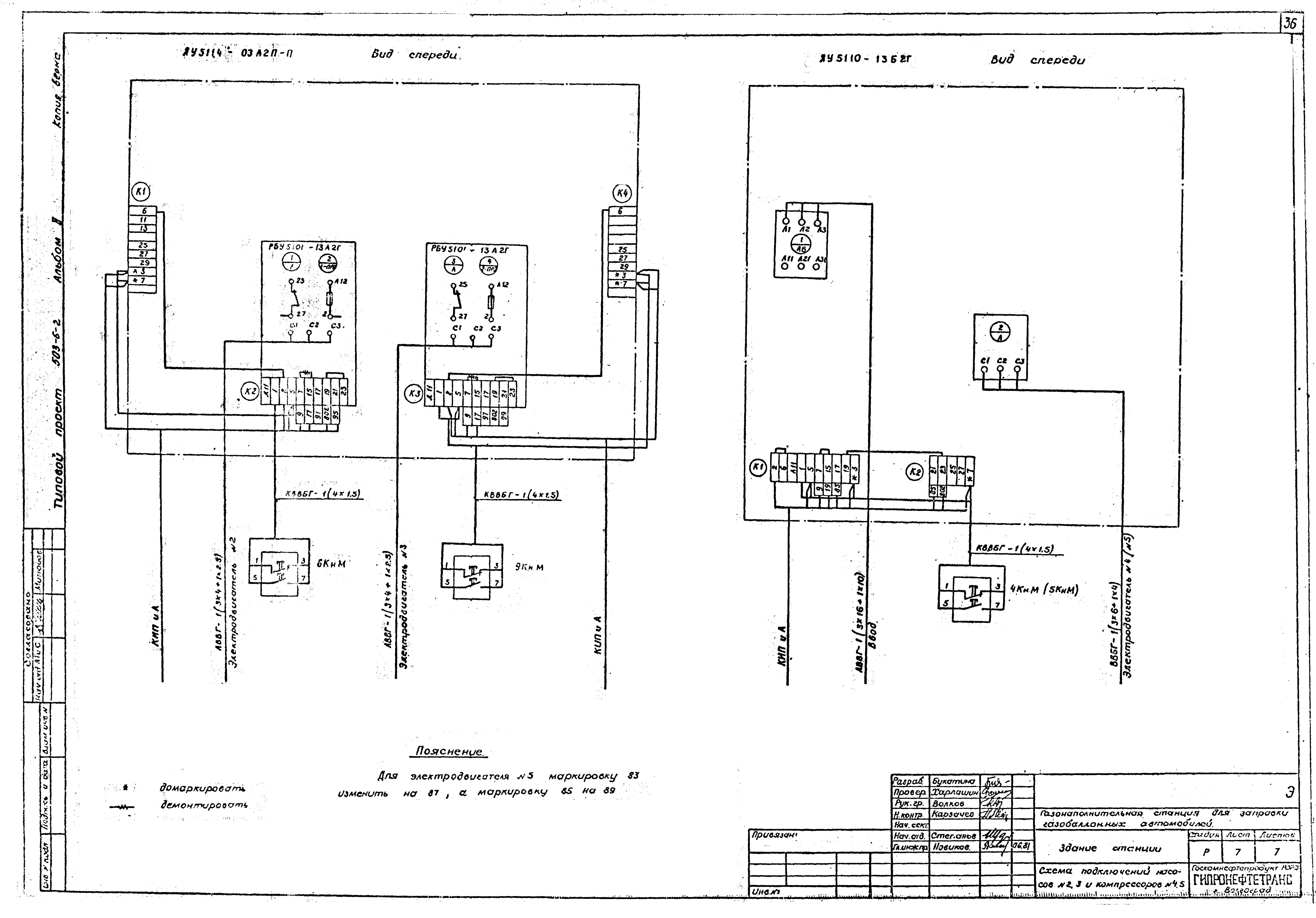
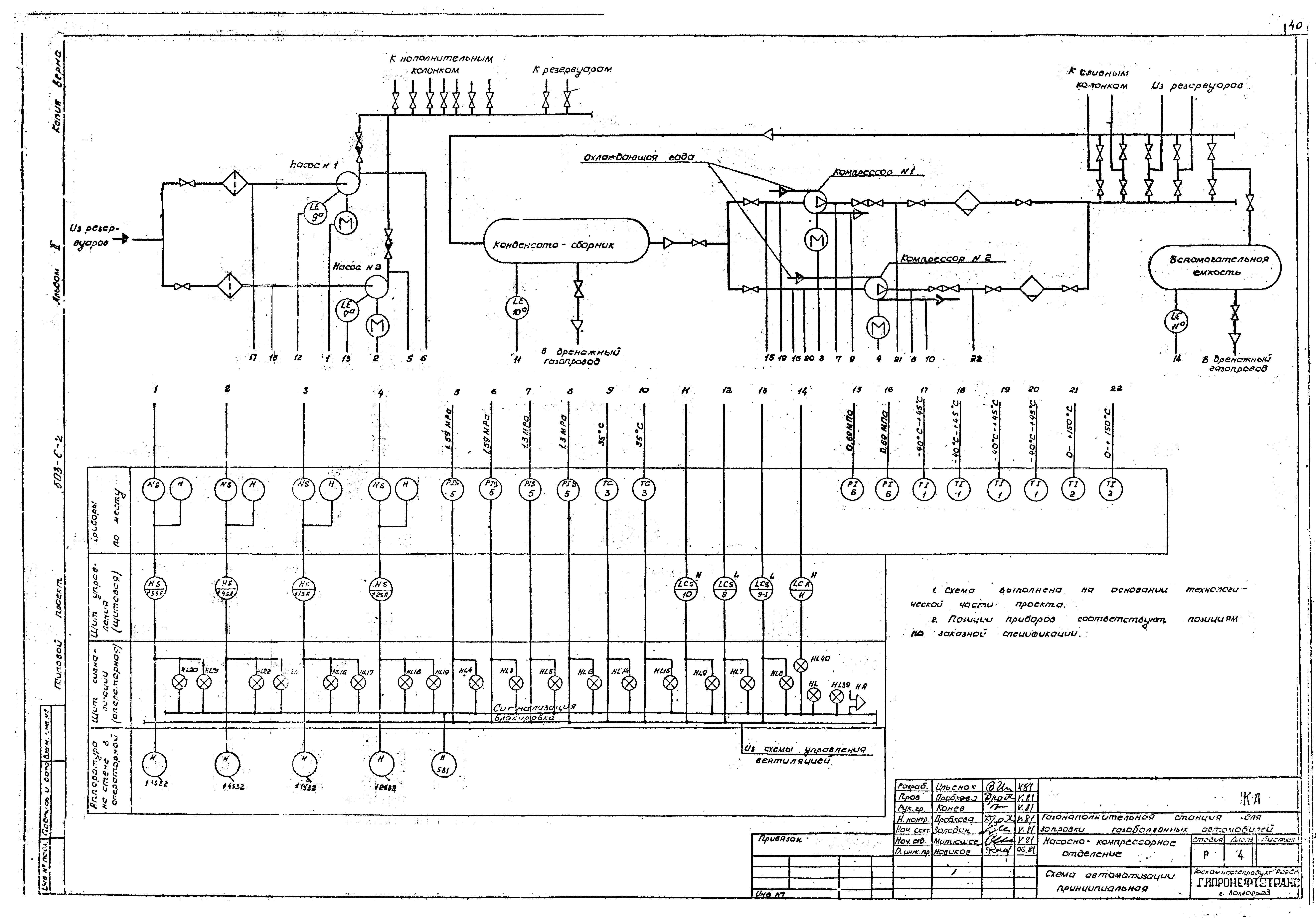
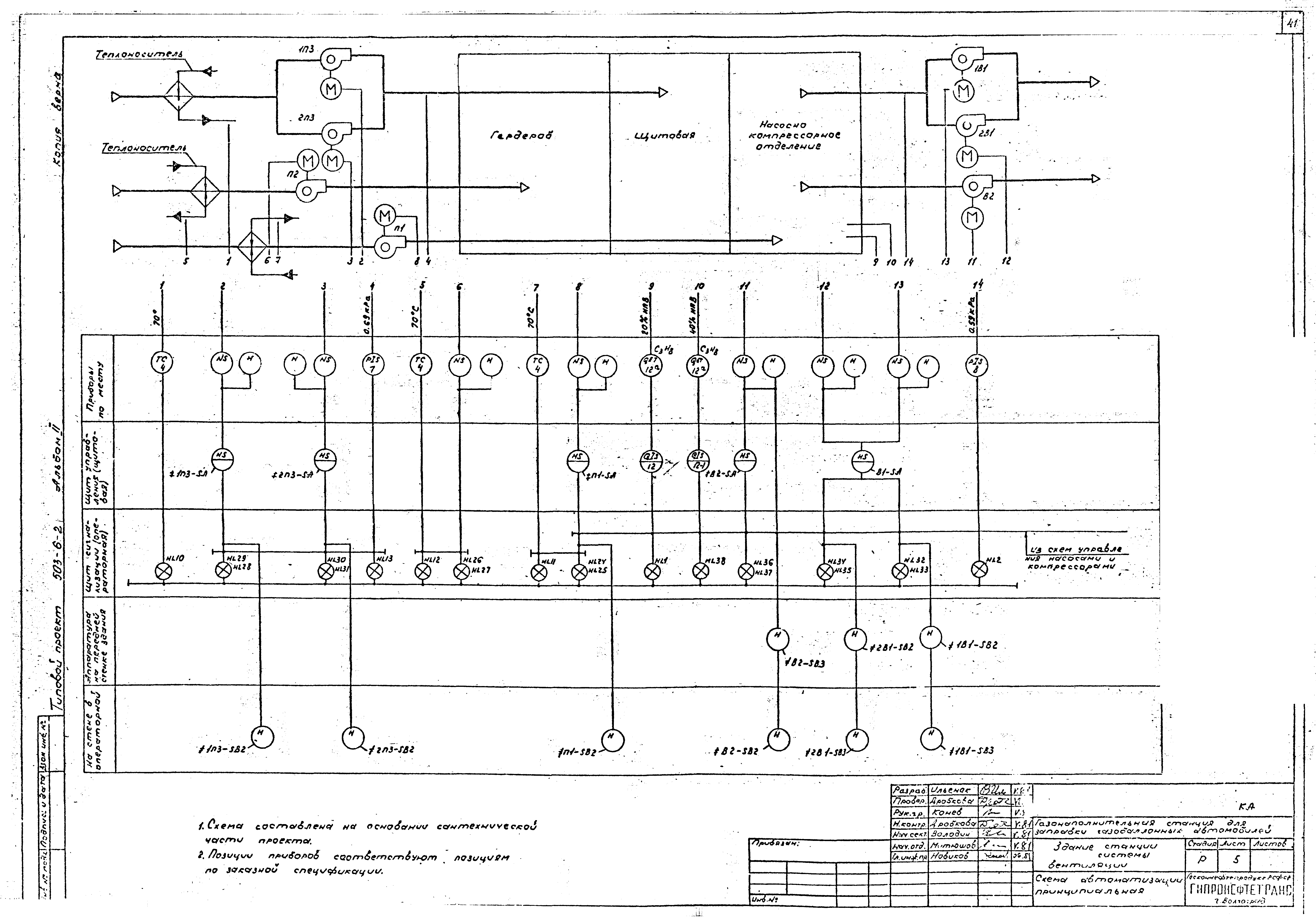
Скачать Типовой проект 503-6-2 Альбом II. Здание станции. Архитектурно-строительная, санитарно-техническая, электротехническая, КИП и А частиДата актуализации: 01.01.2021 Типовой проект 503-6-2
Альбом II. Здание станции. Архитектурно-строительная, санитарно-техническая, электротехническая, КИП и А части| Обозначение: | Типовой проект 503-6-2 | | Обозначение англ: | 503-6-2 | | Статус: | не определен законодательством | | Название рус.: | Альбом II. Здание станции. Архитектурно-строительная, санитарно-техническая, электротехническая, КИП и А части | | Дата добавления в базу: | 01.09.2013 | | Дата актуализации: | 01.01.2021 | | Дата введения: | 18.03.1981 | | Дата окончания срока действия: | 30.06.2003 | | Разработан: | Гипронефтетранс Госкомнефтепродуктов РСФСР
| | Утверждён: | 11.06.1980 Госстрой СССР (Государственный комитет Совета Министров СССР по делам строительства) (USSR Gosstroy 42)
|
                                                                     
|