Скачать Типовой проект 902-2-421.86 Альбом 2. Технологическая, строительная части, автоматизация, КИП. Спецификации оборудованияДата актуализации: 01.01.2021
|
| Обозначение: | Типовой проект 902-2-421.86 |
| Обозначение англ: | 902-2-421.86 |
| Статус: | не определен законодательством |
| Название рус.: | Альбом 2. Технологическая, строительная части, автоматизация, КИП. Спецификации оборудования |
| Дата добавления в базу: | 01.09.2013 |
| Дата актуализации: | 01.01.2021 |
| Дата введения: | 01.12.1986 |
| Дата окончания срока действия: | 30.06.2003 |
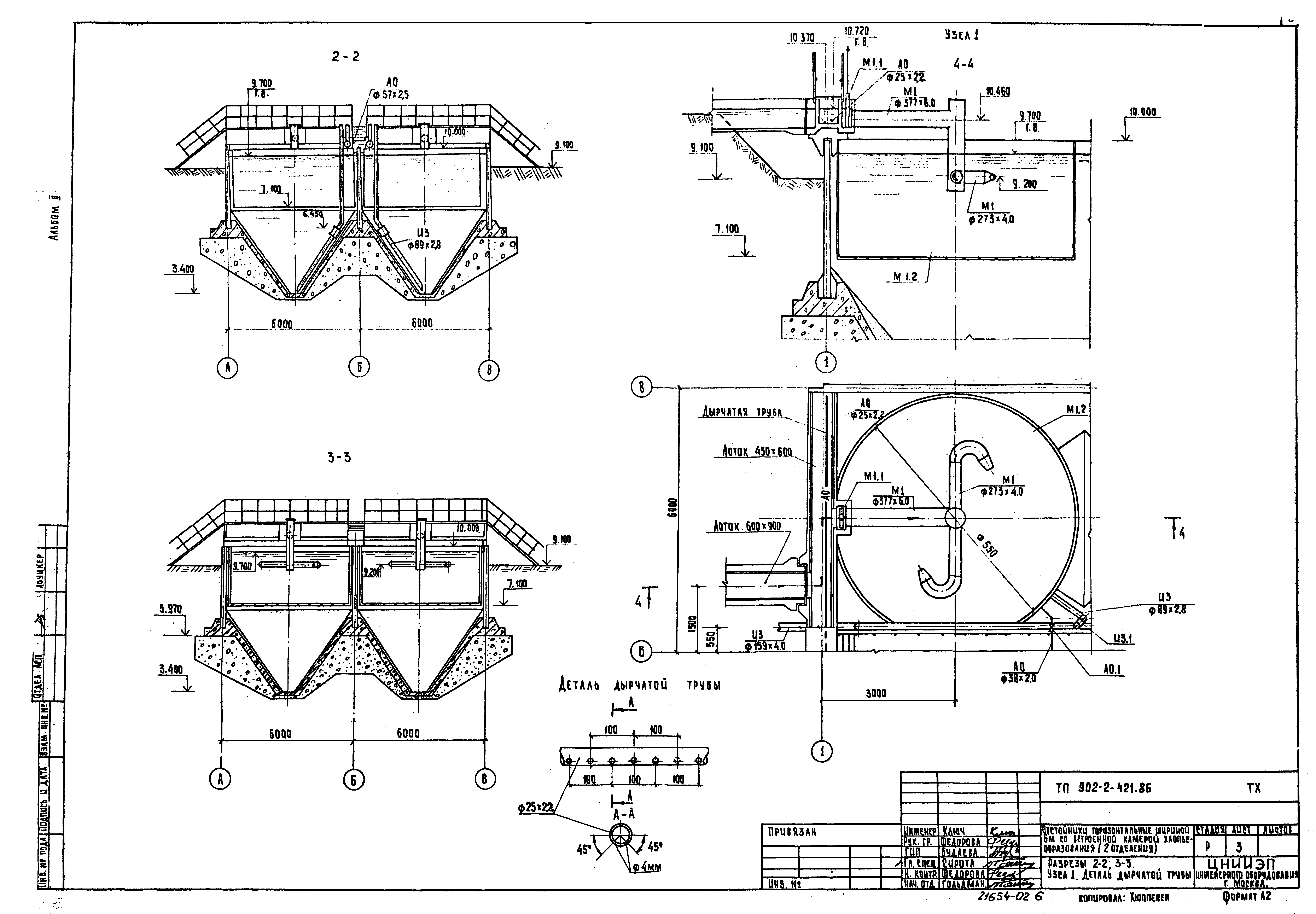
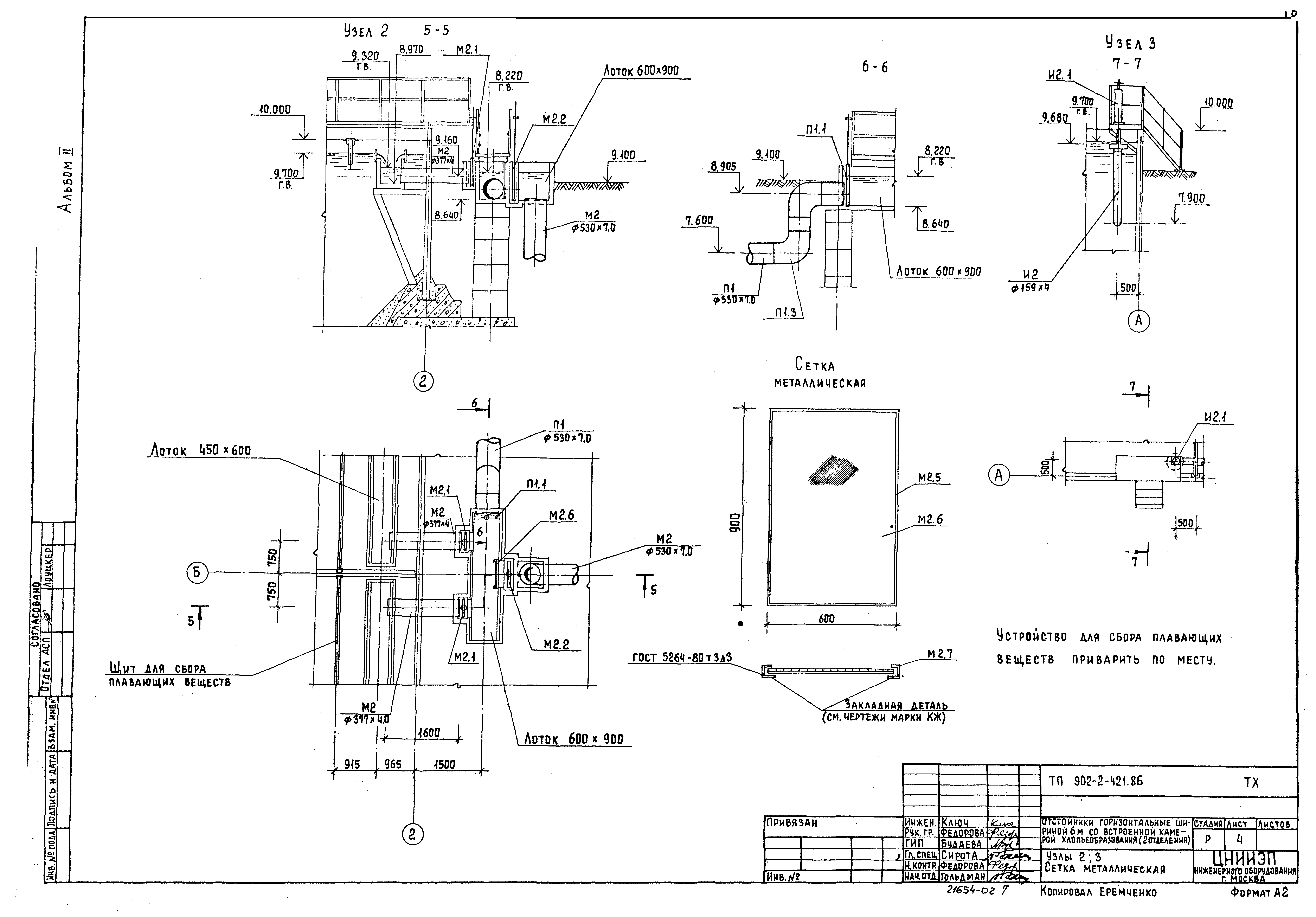
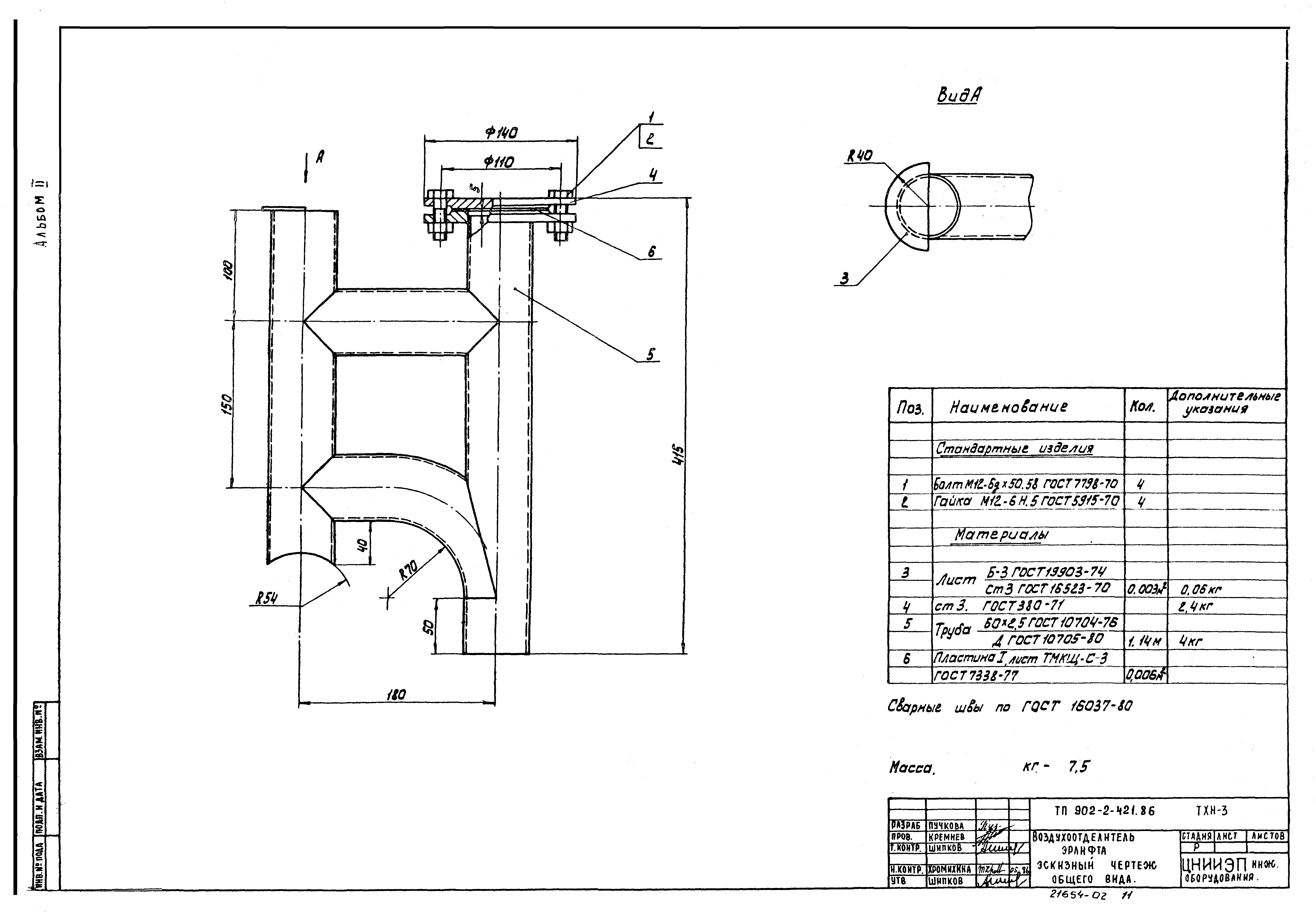
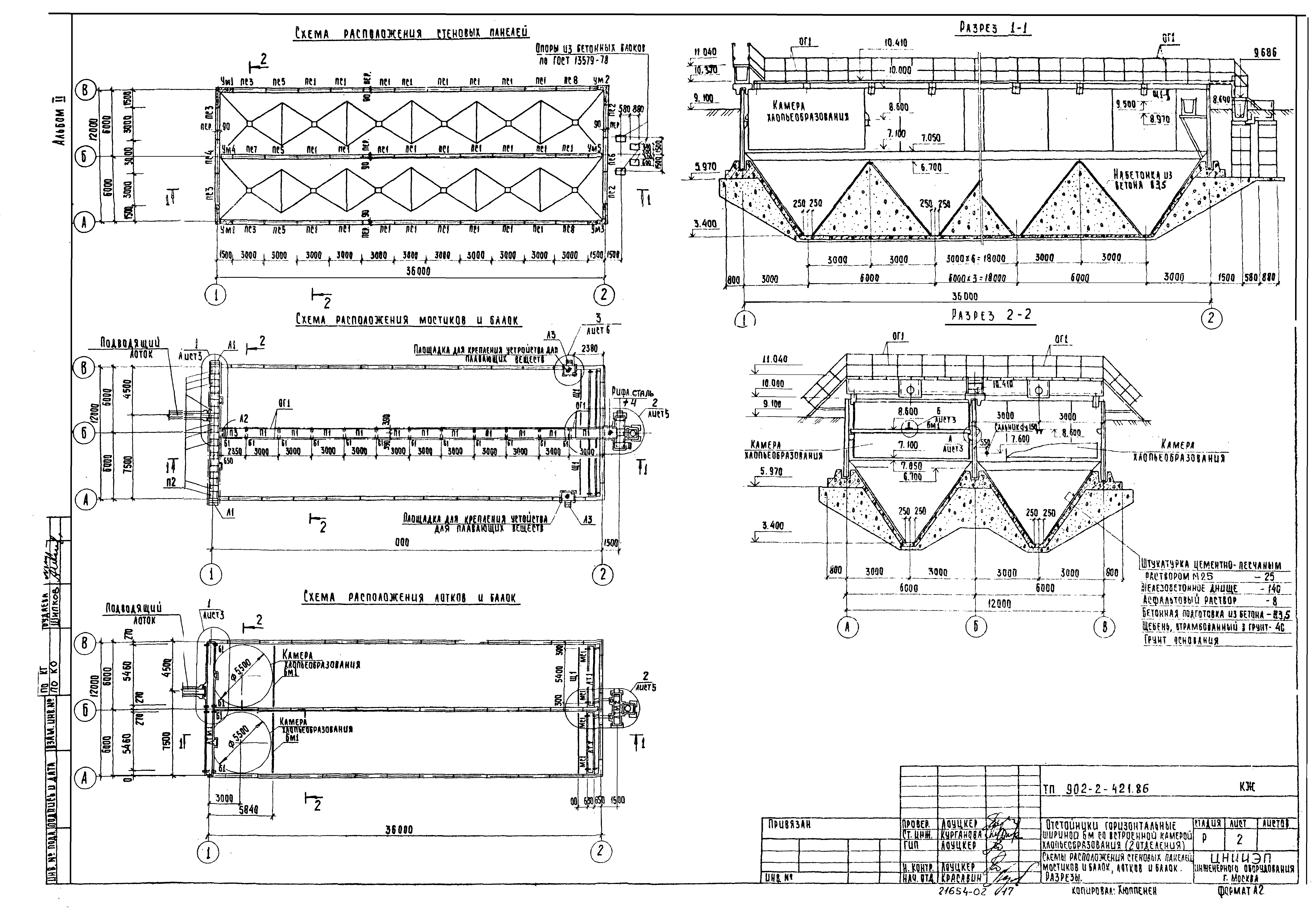
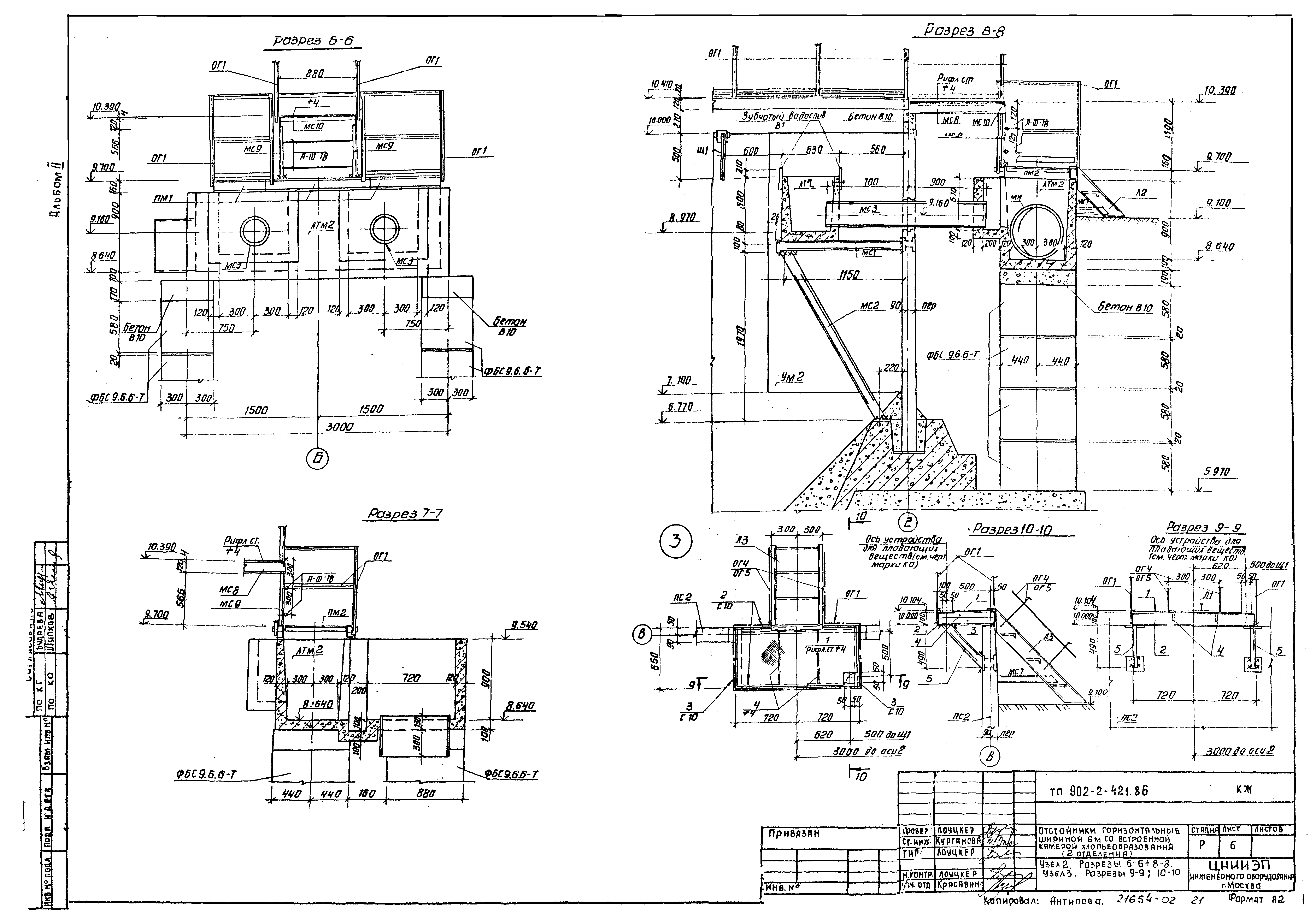
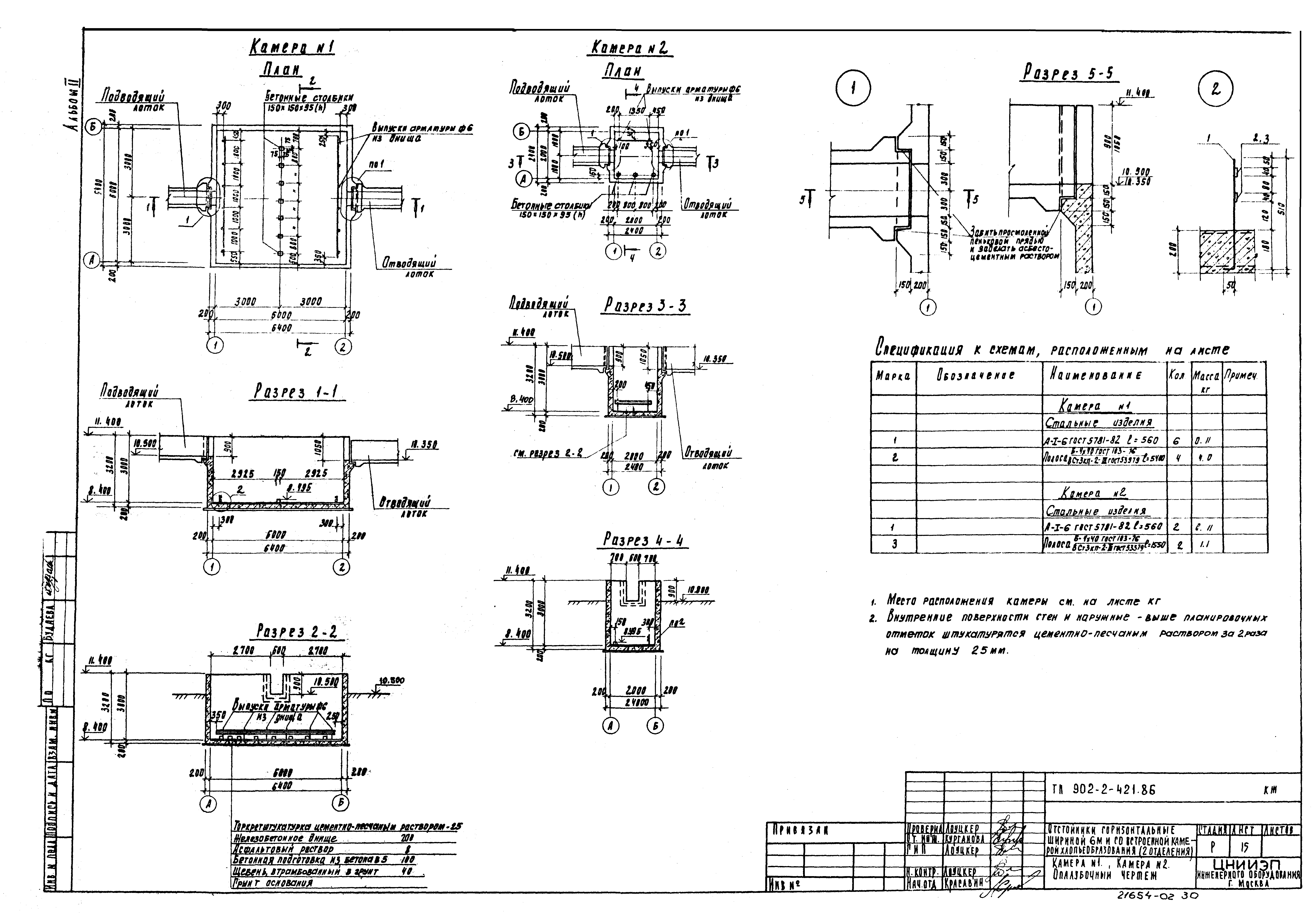
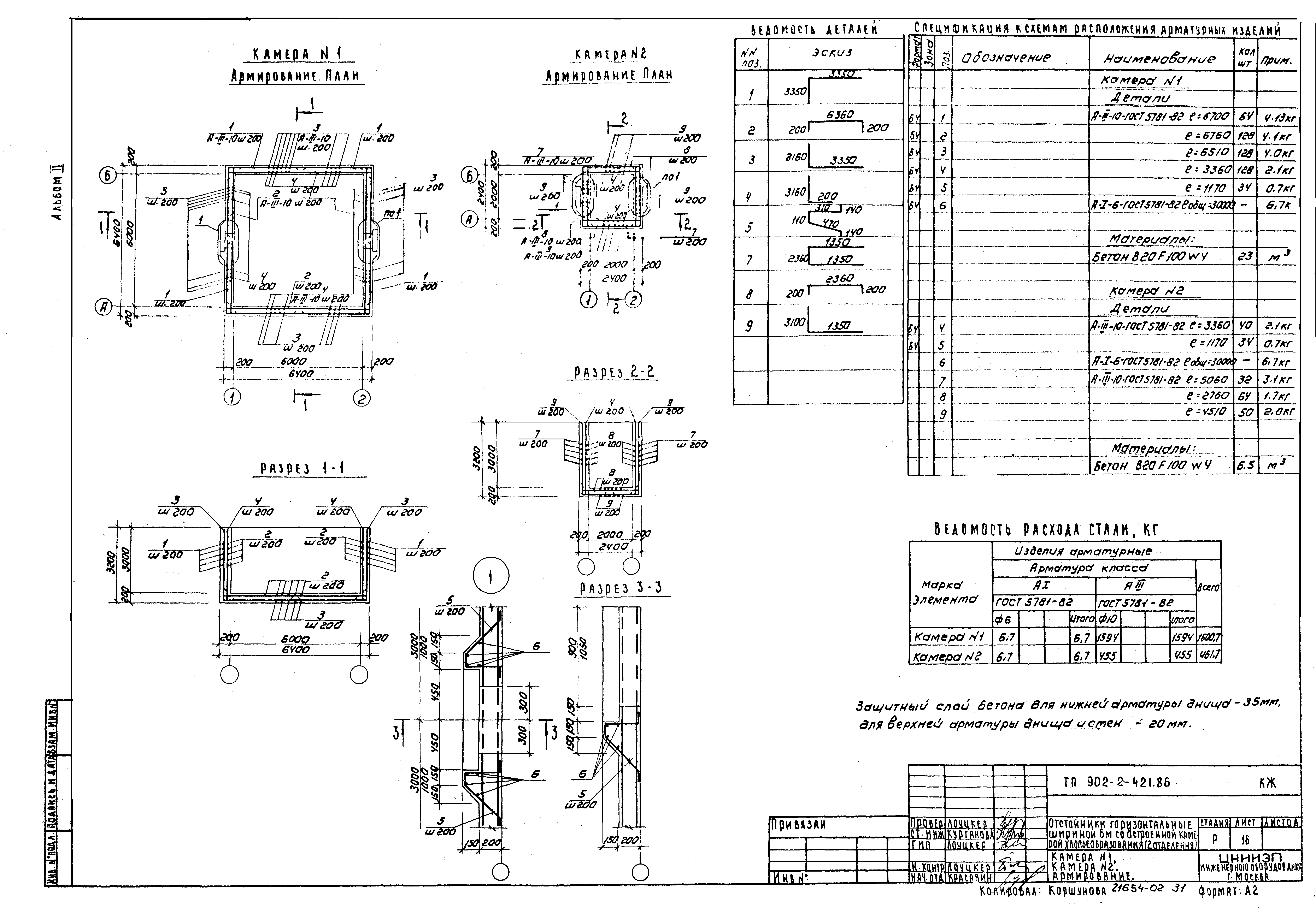
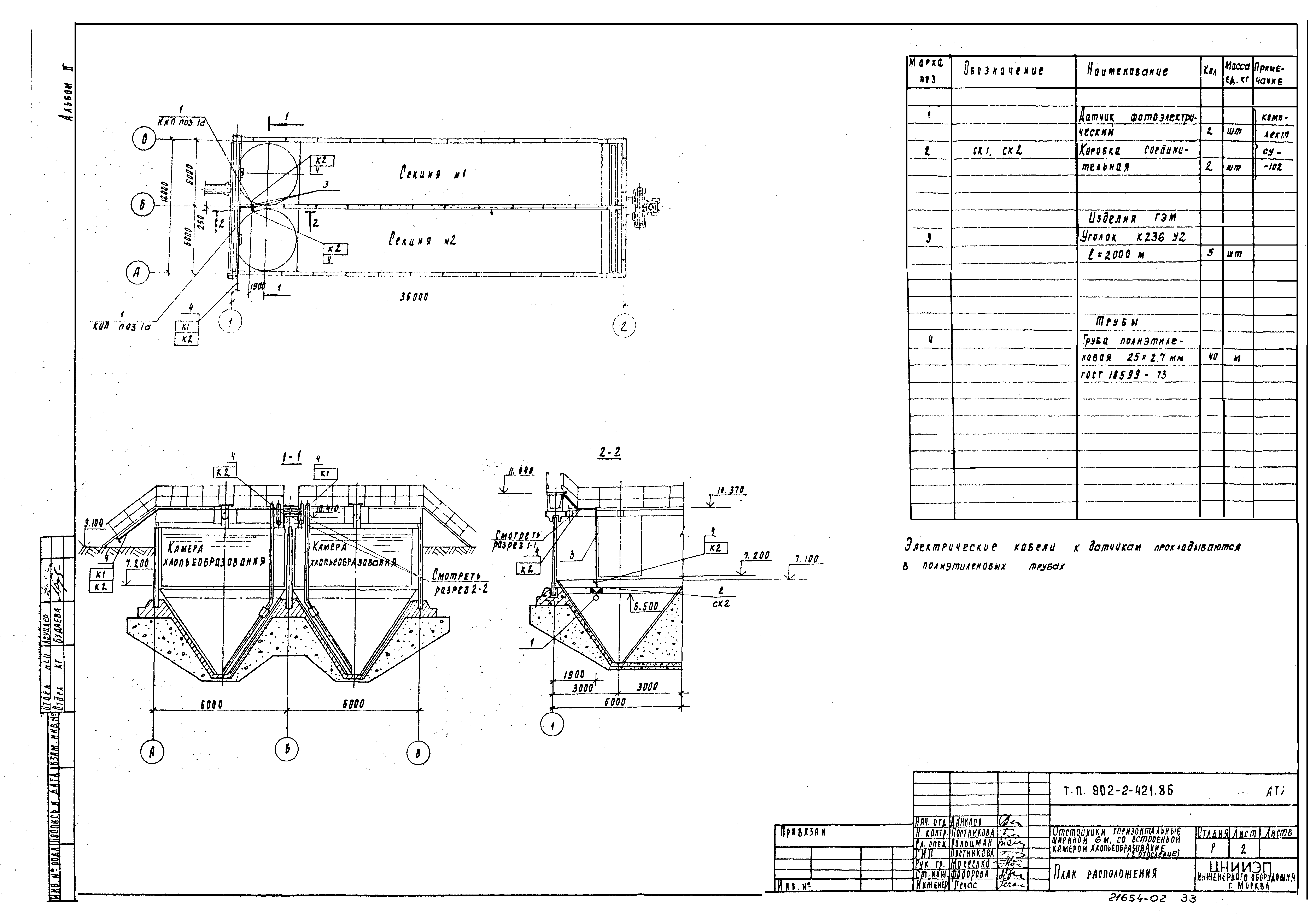
| Оглавление: | Содержание альбома Технологическая часть Общие данные План. Разрез 1-1 Разрезы 2-2, 3-3. Узел 1. Деталь дырчатой трубы Узлы 2, 3. Сетка металлическая Камеры смешения №1, 2. Планы. Разрезы 1-1, 2-2, 3-3, 4-4. Детали Камера хлопьеобразования. Эскизный чертеж общего вида Устройство для удаления плавающих веществ. Эскизный чертеж общего вида Воздухоотделитель эрлифта. Эскизный чертеж общего вида Форсунка эрлифта. Эскизный чертеж общего вида Спецификация оборудования Конструкции железобетонные Общие данные Схемы расположения стеновых панелей мостиков и балок, лотков и балок. Разрезы Узел 1. Узел 1. Разрезы 1-1…4-4 Узел 2. Разрез 5-5 Узел 2. Разрезы 6-6…8-8. Узел 3. Разрезы 9-9, 10-10 Спецификация к схемам расположения стеновых панелей, мостиков и лотков Днище. Опалубочный чертеж. Разрезы. Узлы Днище. Армирование Спецификация к схемам расположения арматурных изделий днища Монолитные участки стен. Монолитные участки лотков. Опалубочный чертеж Монолитные участки стен Ум1…Ум5. Армирование. Спецификация Монолитные участки стен. Армирование. Спецификация Монолитные участки лотков. Армирование. Спецификация Камера №1. Камера №2. Опалубочный чертеж Камера №1. Камера №2. Армирование Автоматизация, КИП Общие данные. Схема функциональная. Схема соединений внешних проводок План расположения Спецификация оборудования |
| Разработан: | ЦНИИЭП |
| Утверждён: | 05.11.1985 Госгражданстрой (Gosgrazhdanstroy 320) |


































