Скачать Типовой проект 407-3-640с.93 Альбом 1. Пояснительная записка. Электротехнические и строительные решения. Спецификации оборудованияДата актуализации: 01.01.2021
|
| Обозначение: | Типовой проект 407-3-640с.93 |
| Обозначение англ: | 407-3-640с.93 |
| Статус: | действует |
| Название рус.: | Альбом 1. Пояснительная записка. Электротехнические и строительные решения. Спецификации оборудования |
| Дата добавления в базу: | 01.09.2013 |
| Дата актуализации: | 01.01.2021 |
| Дата введения: | 01.01.1994 |
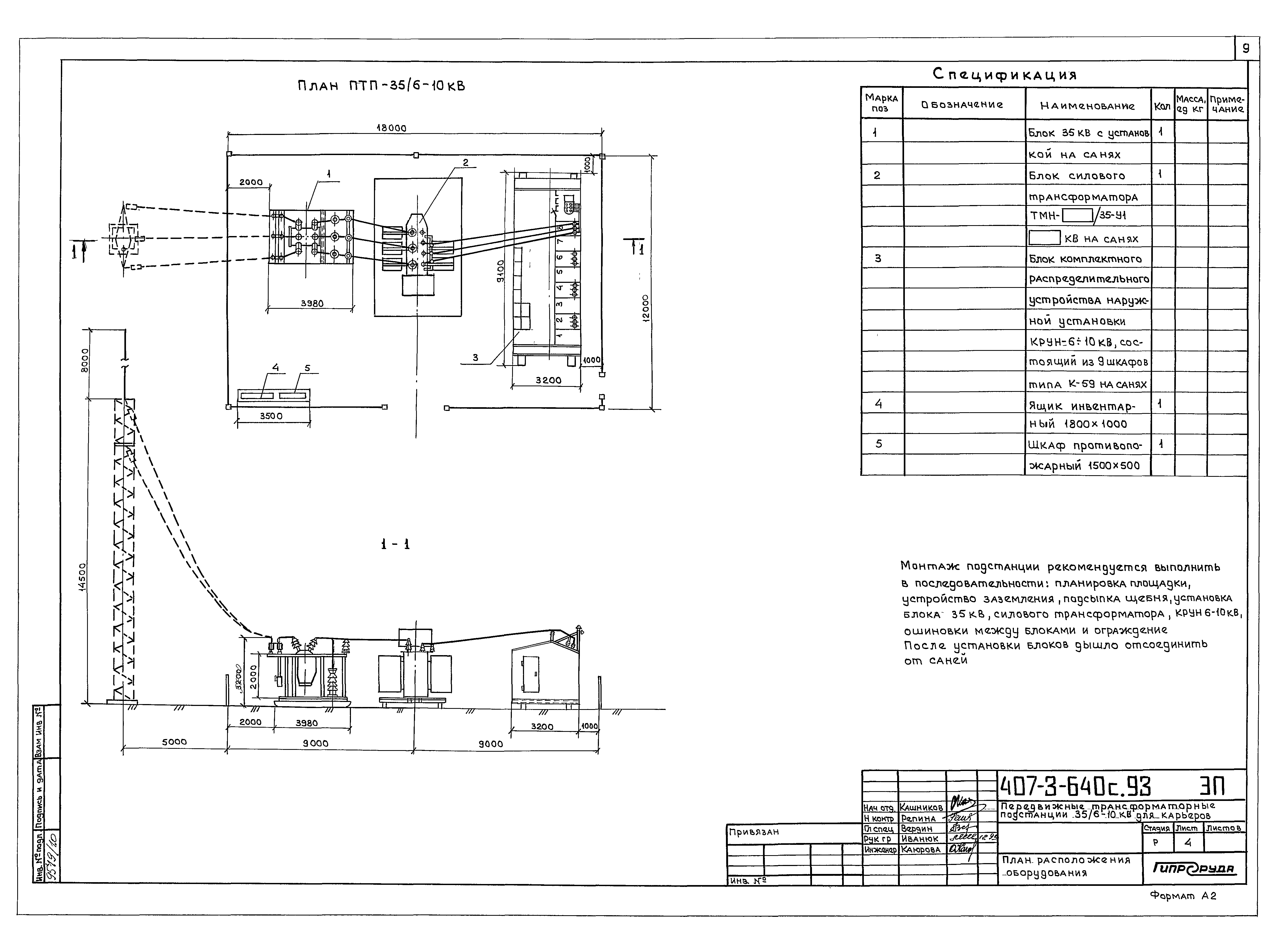
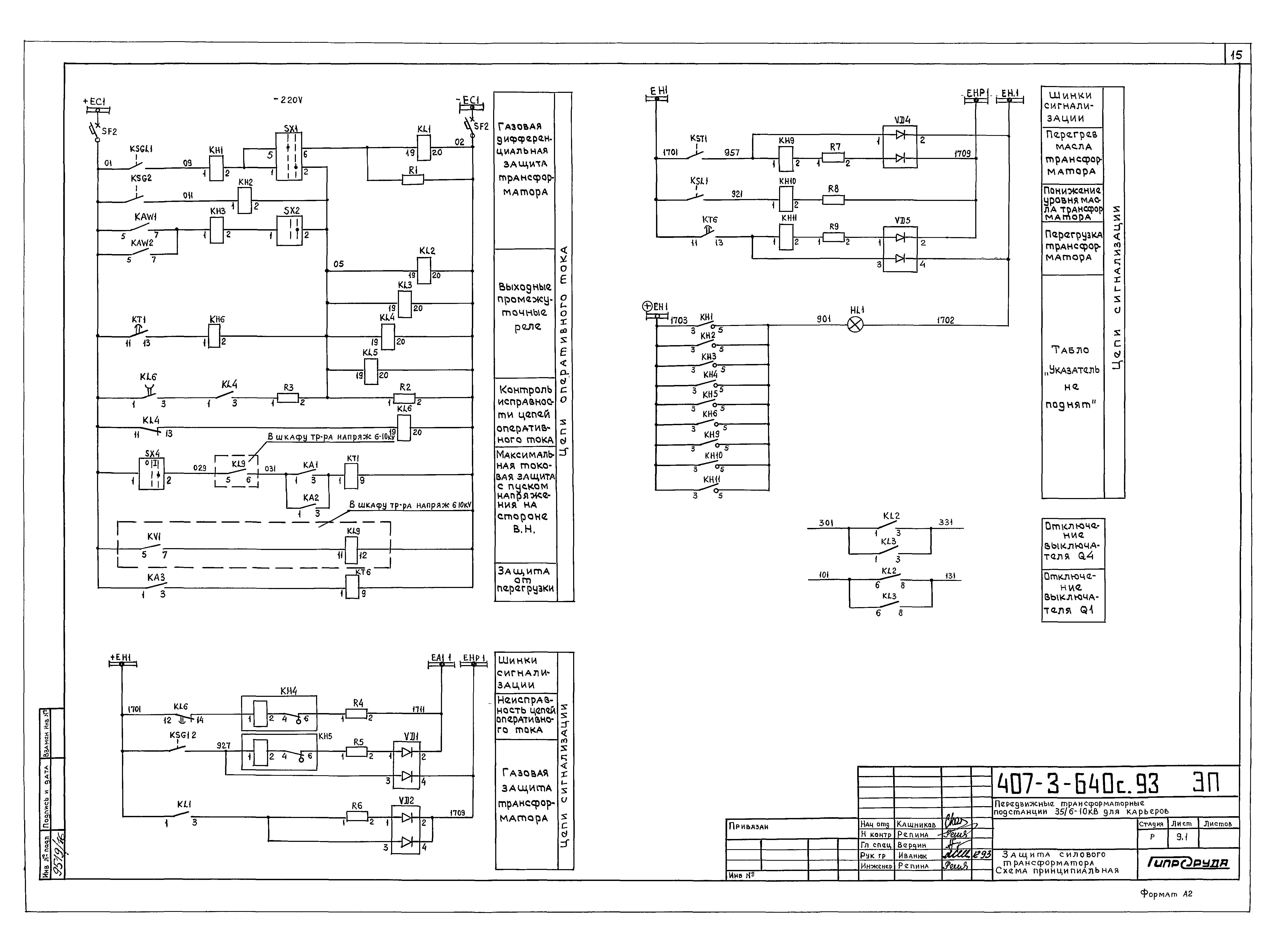
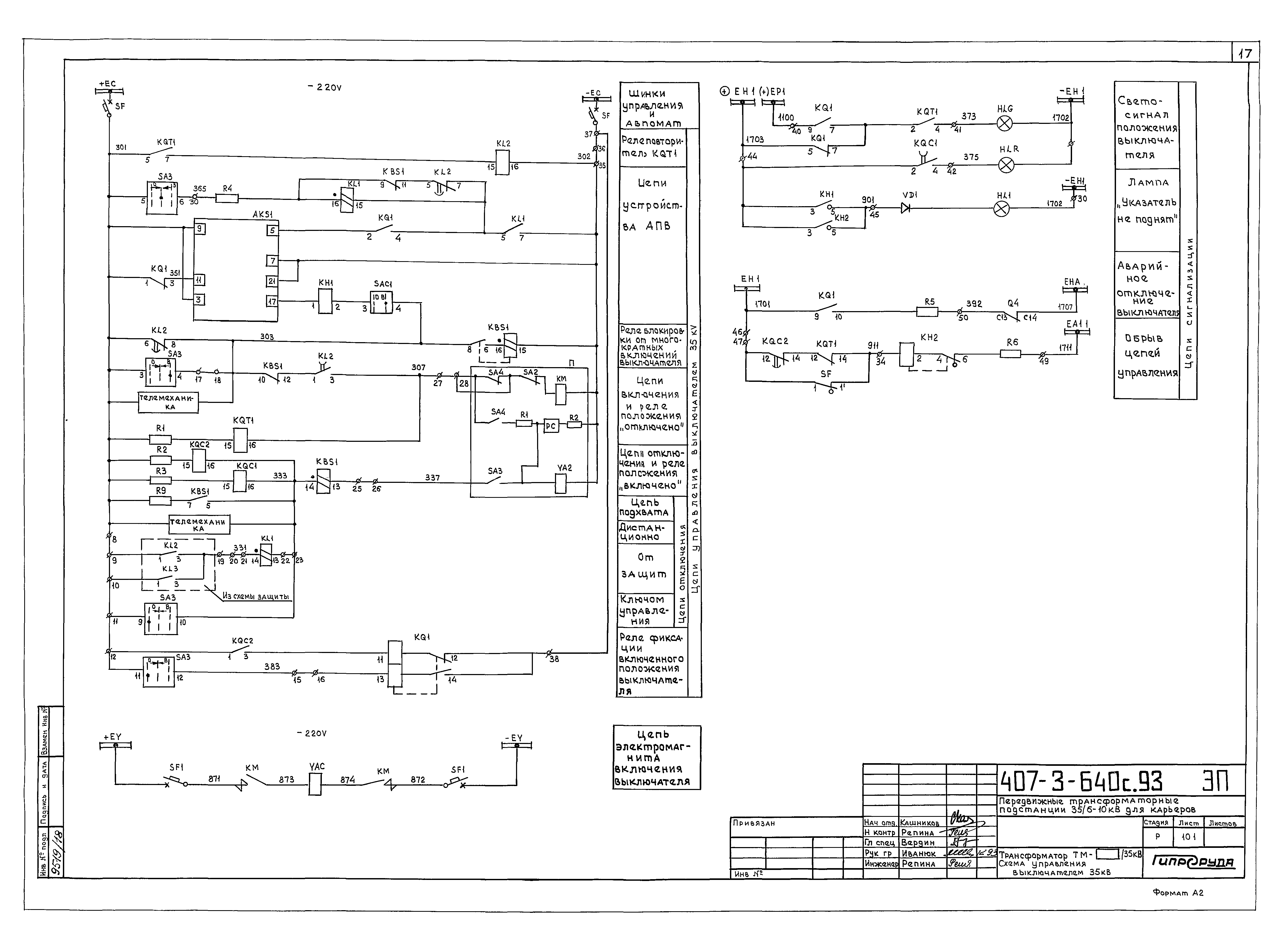
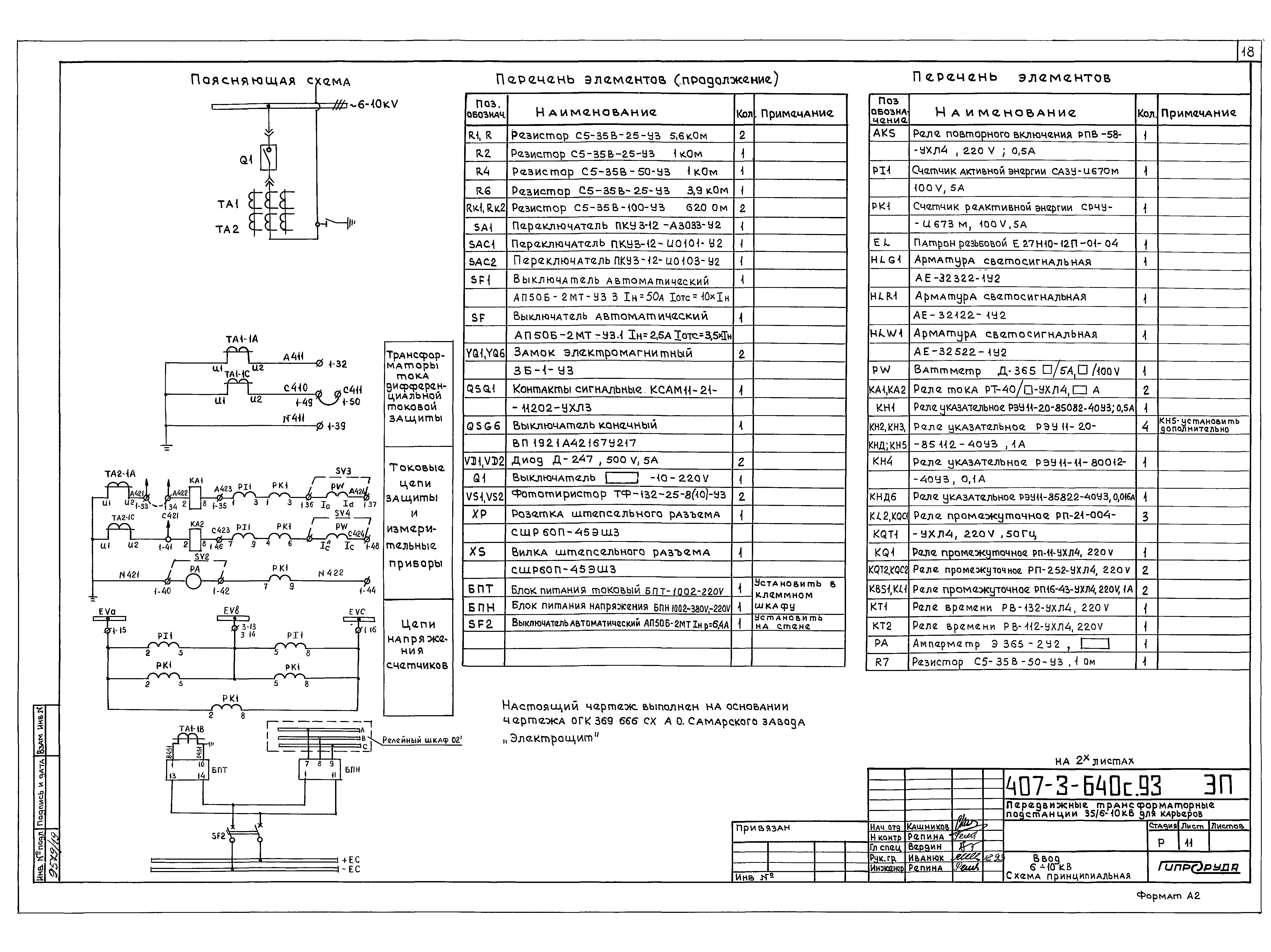
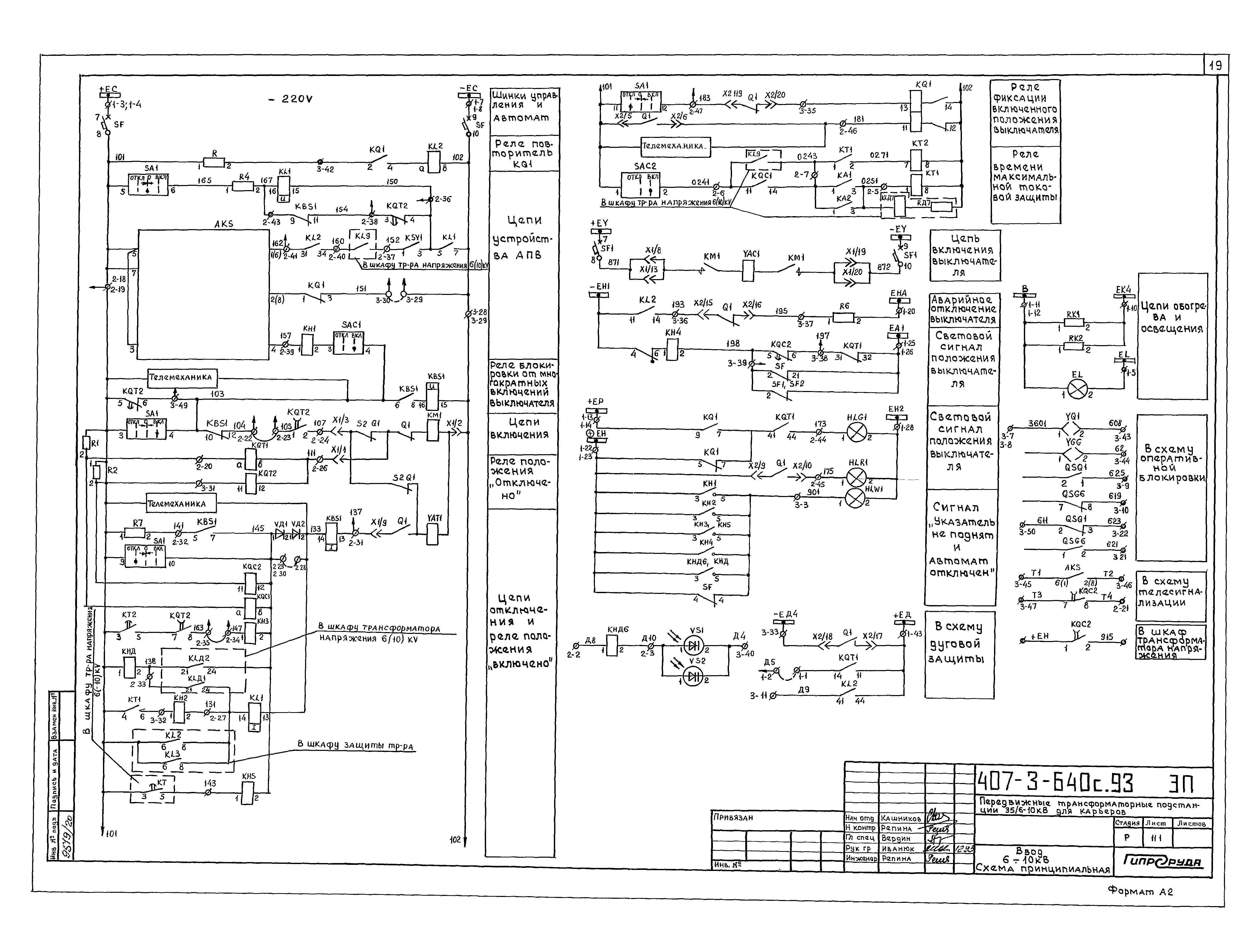
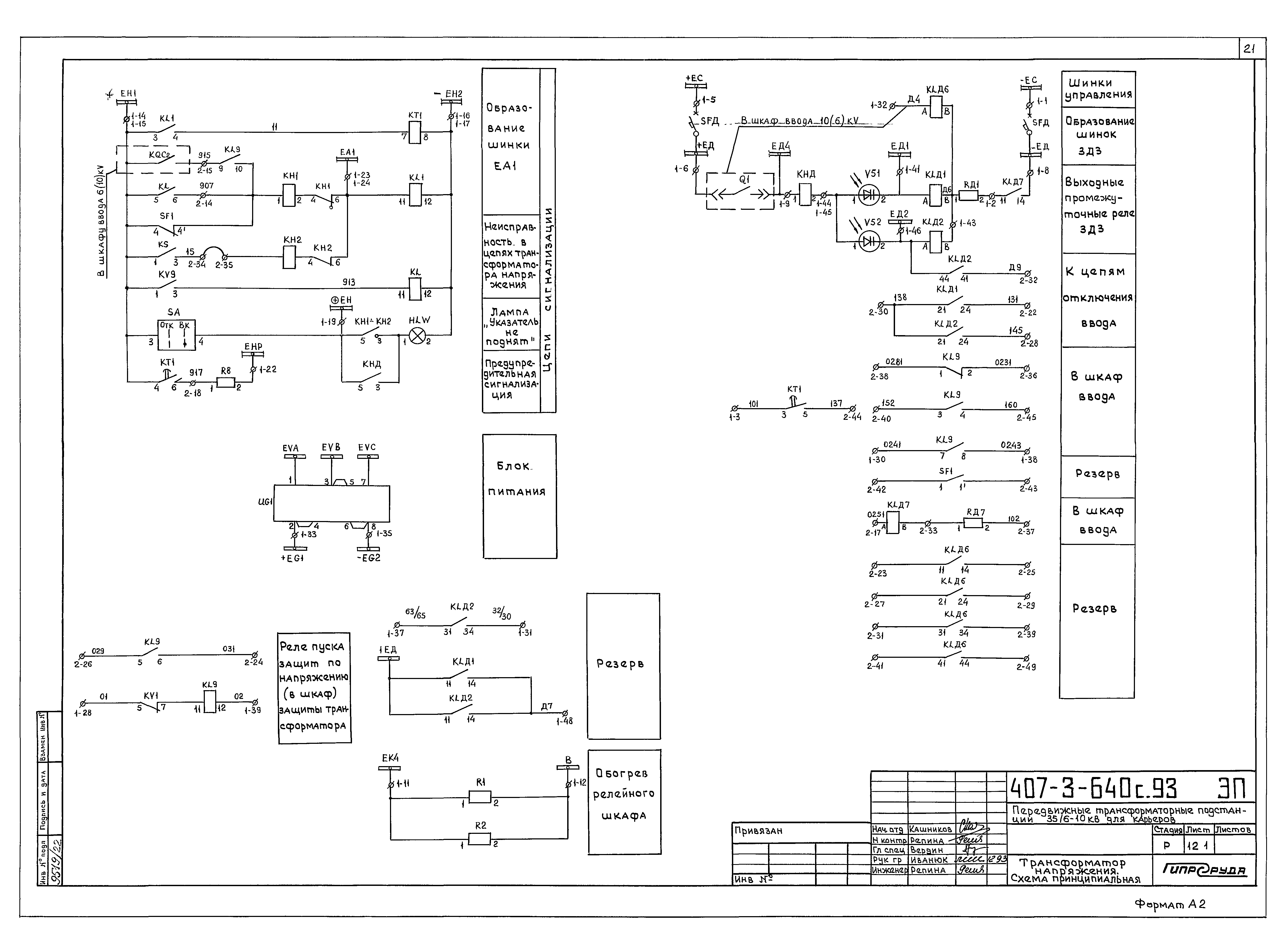
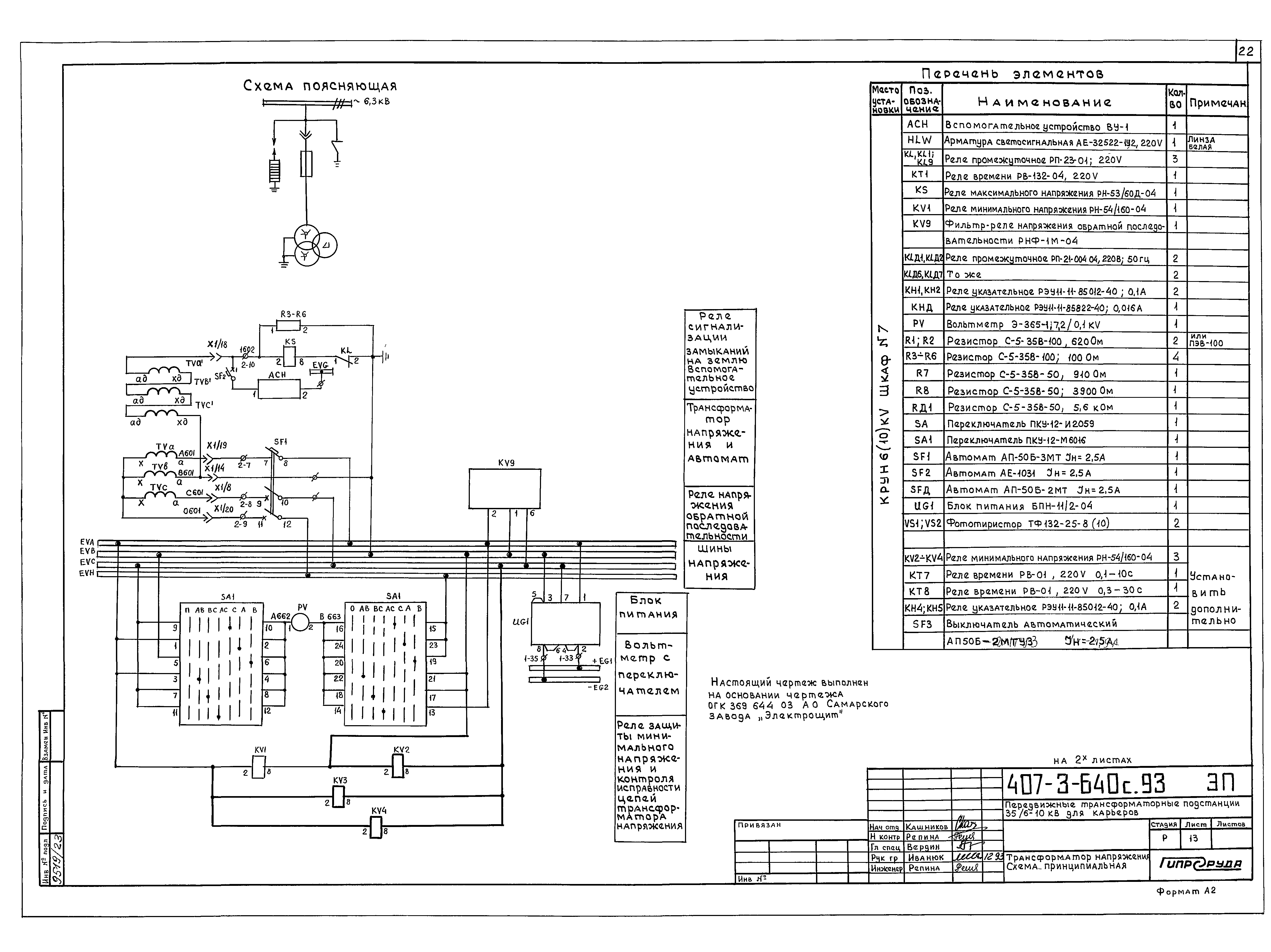
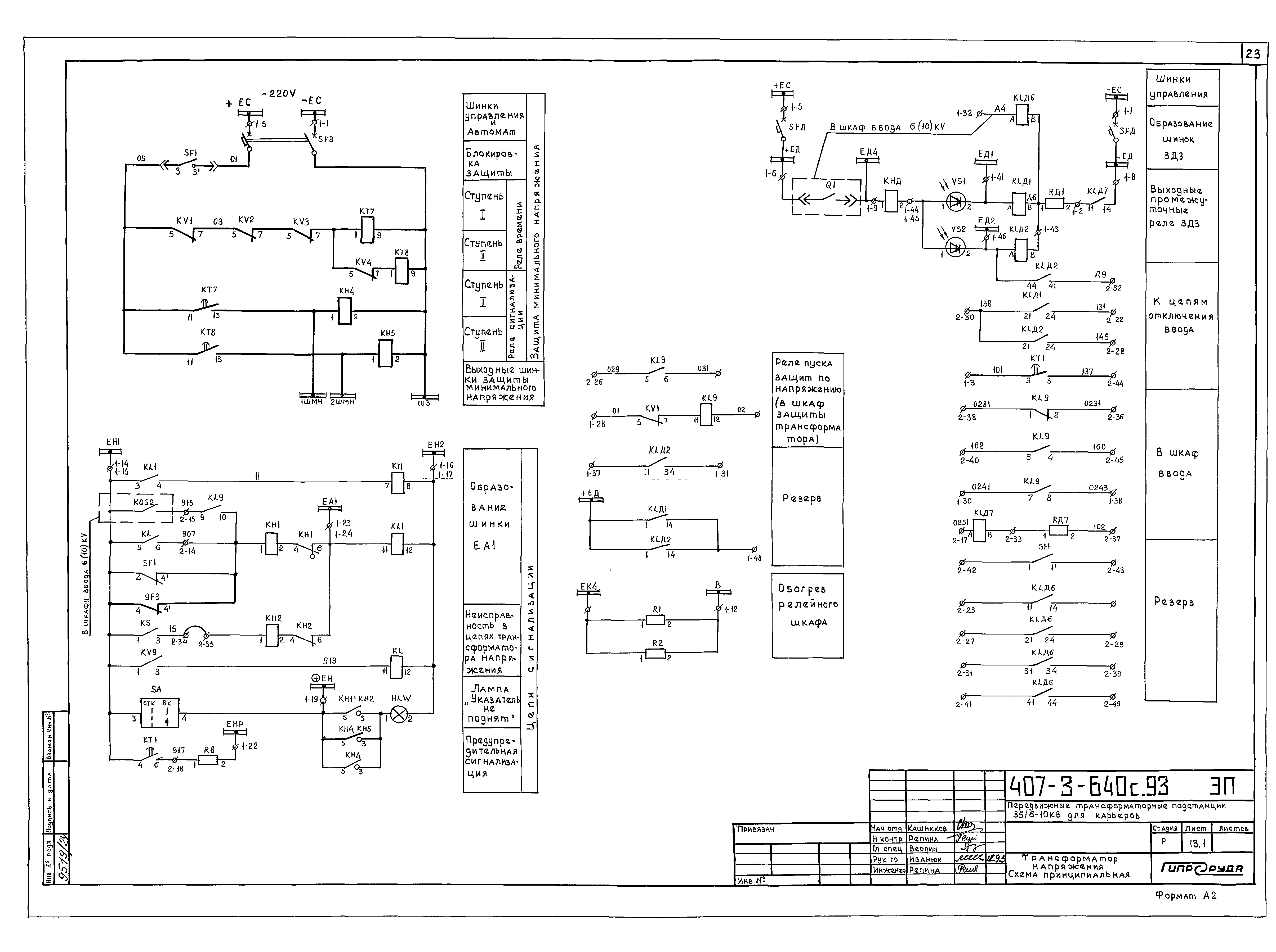
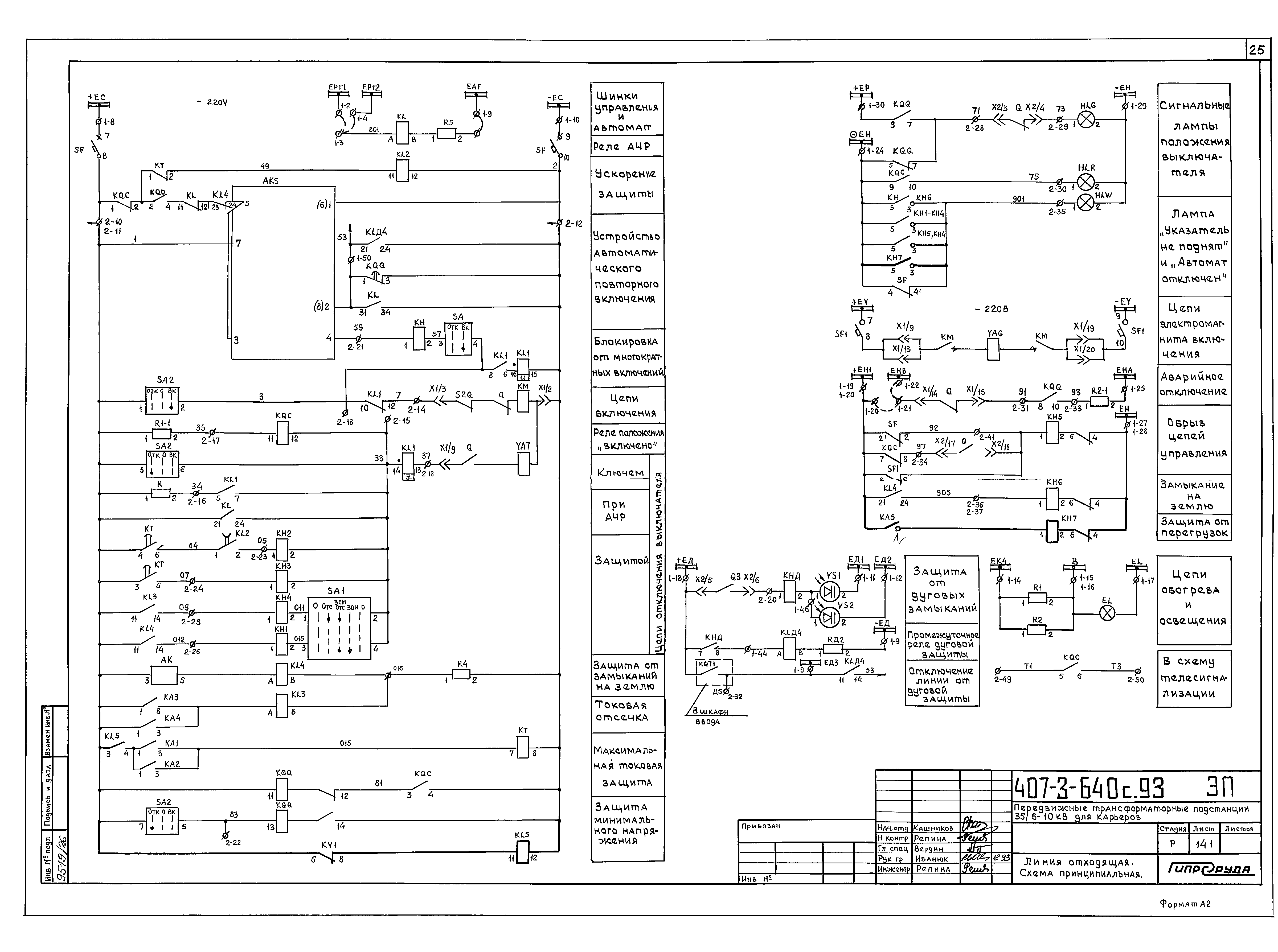
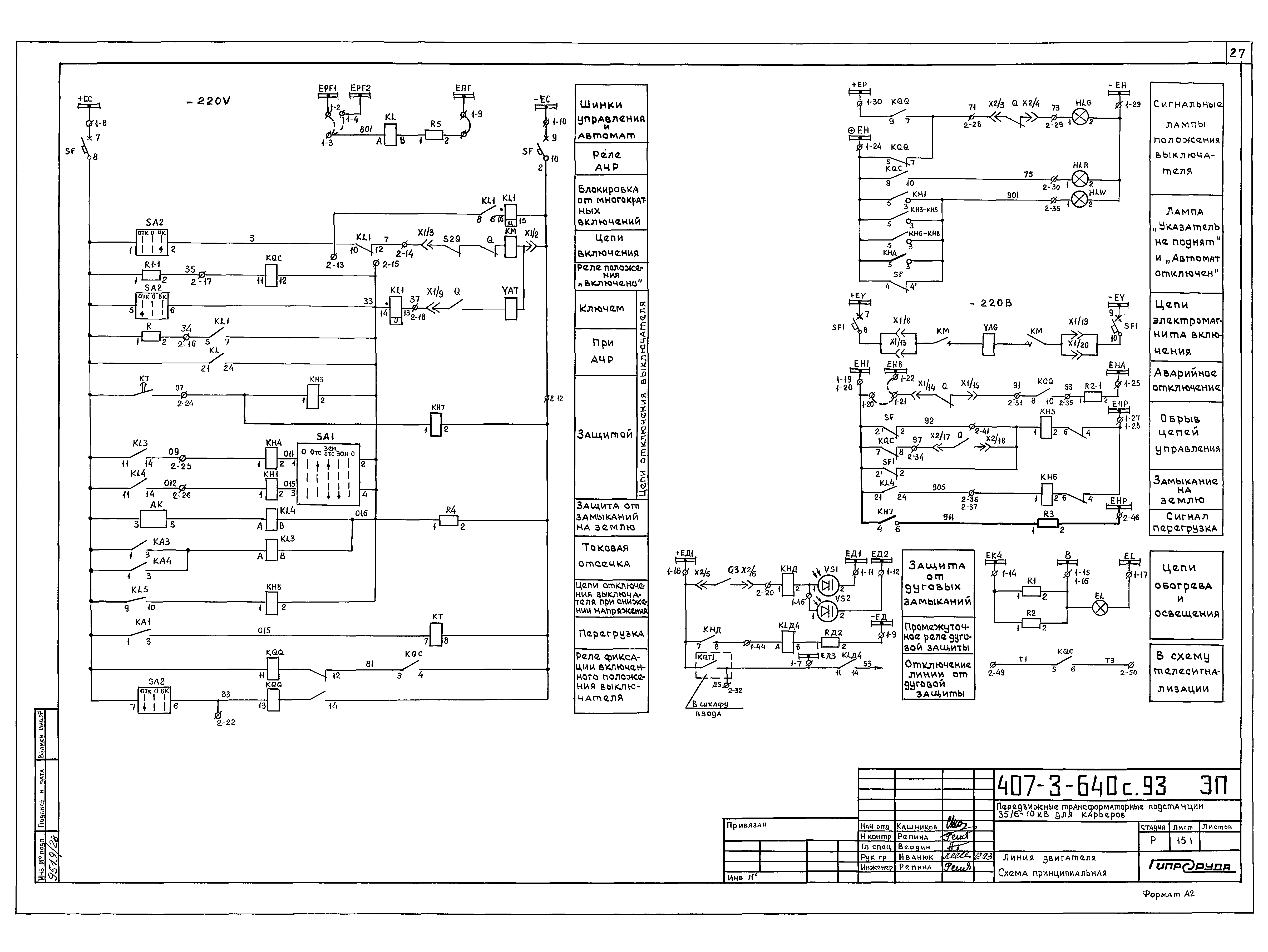
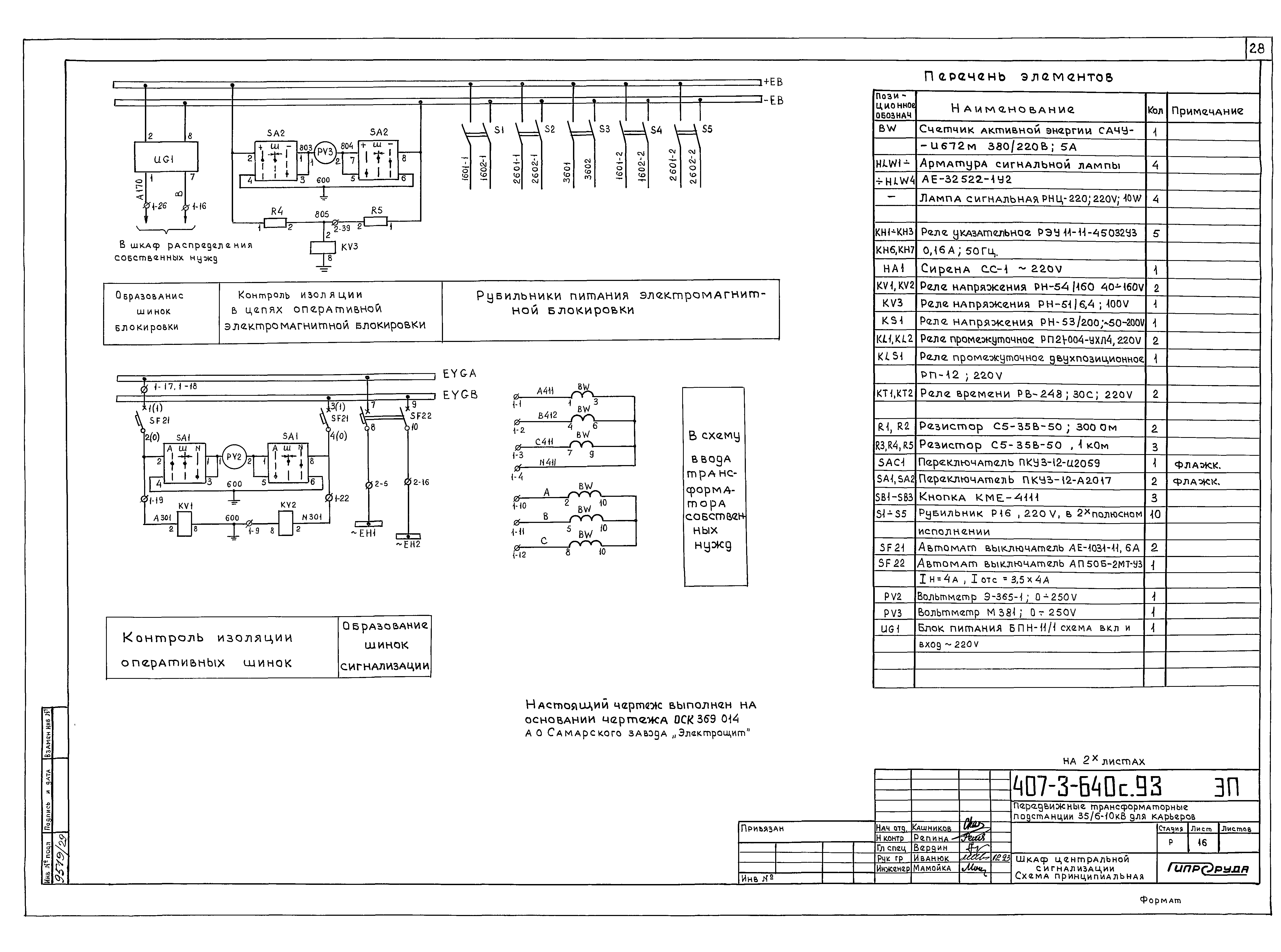
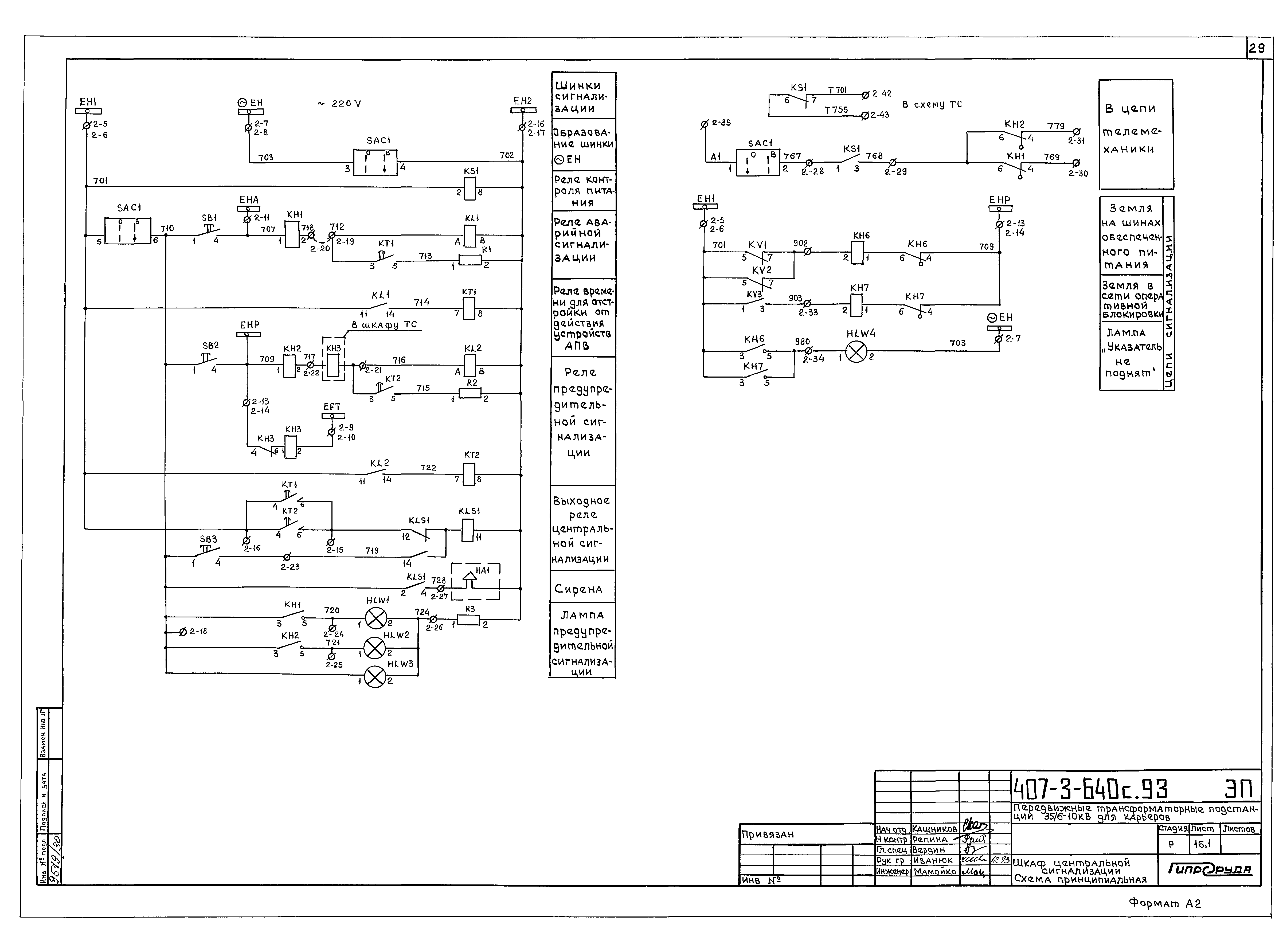
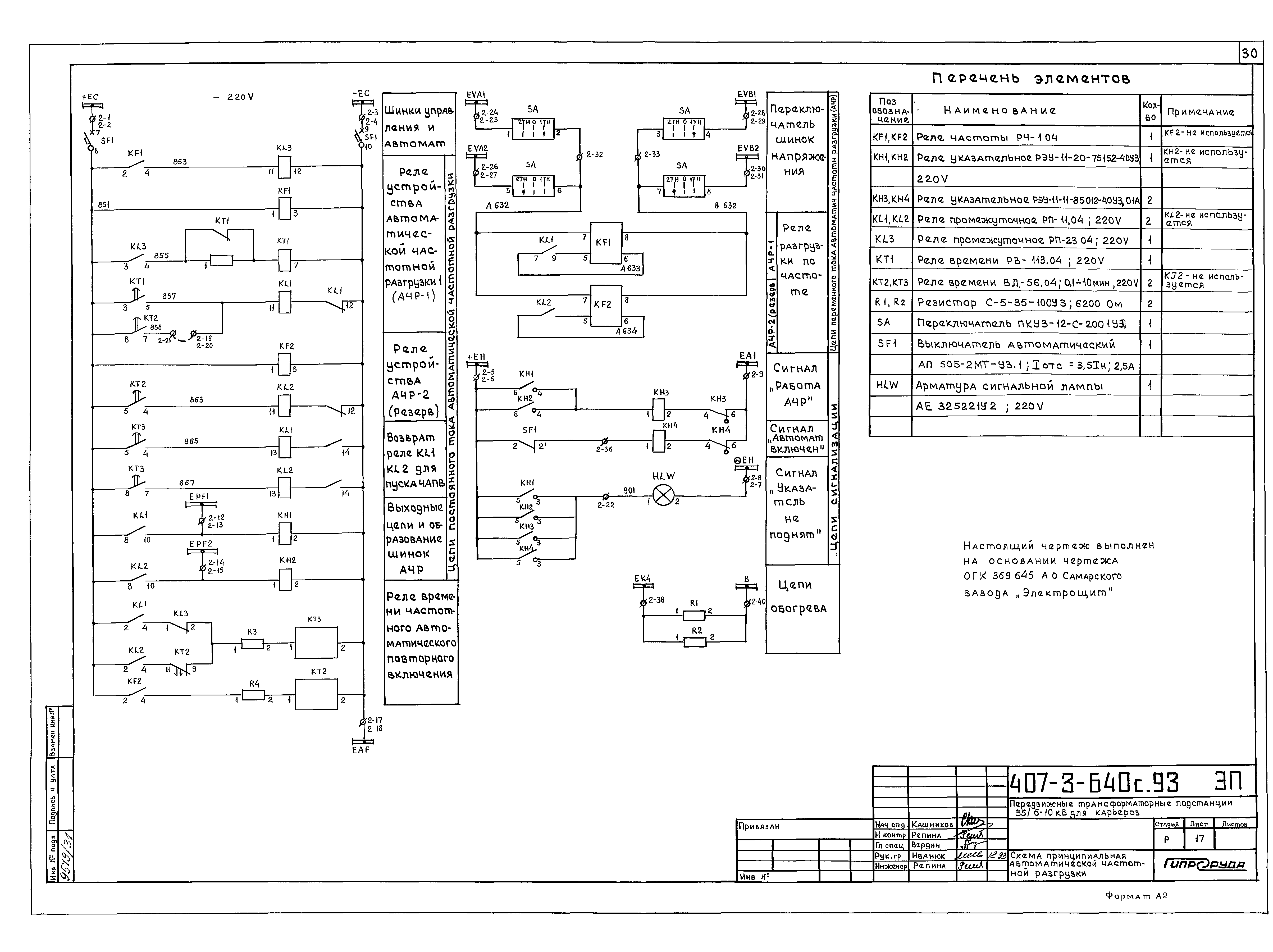
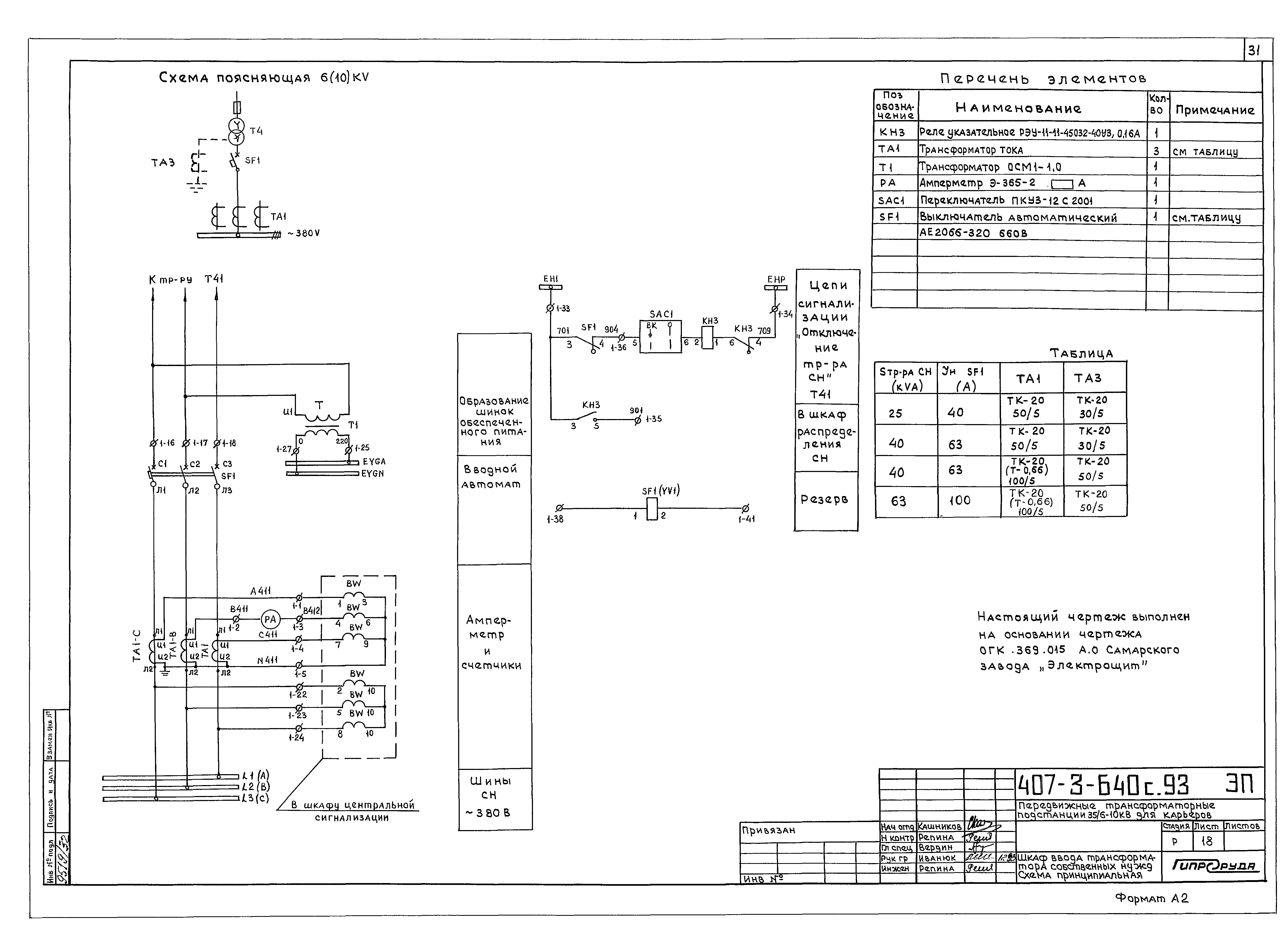
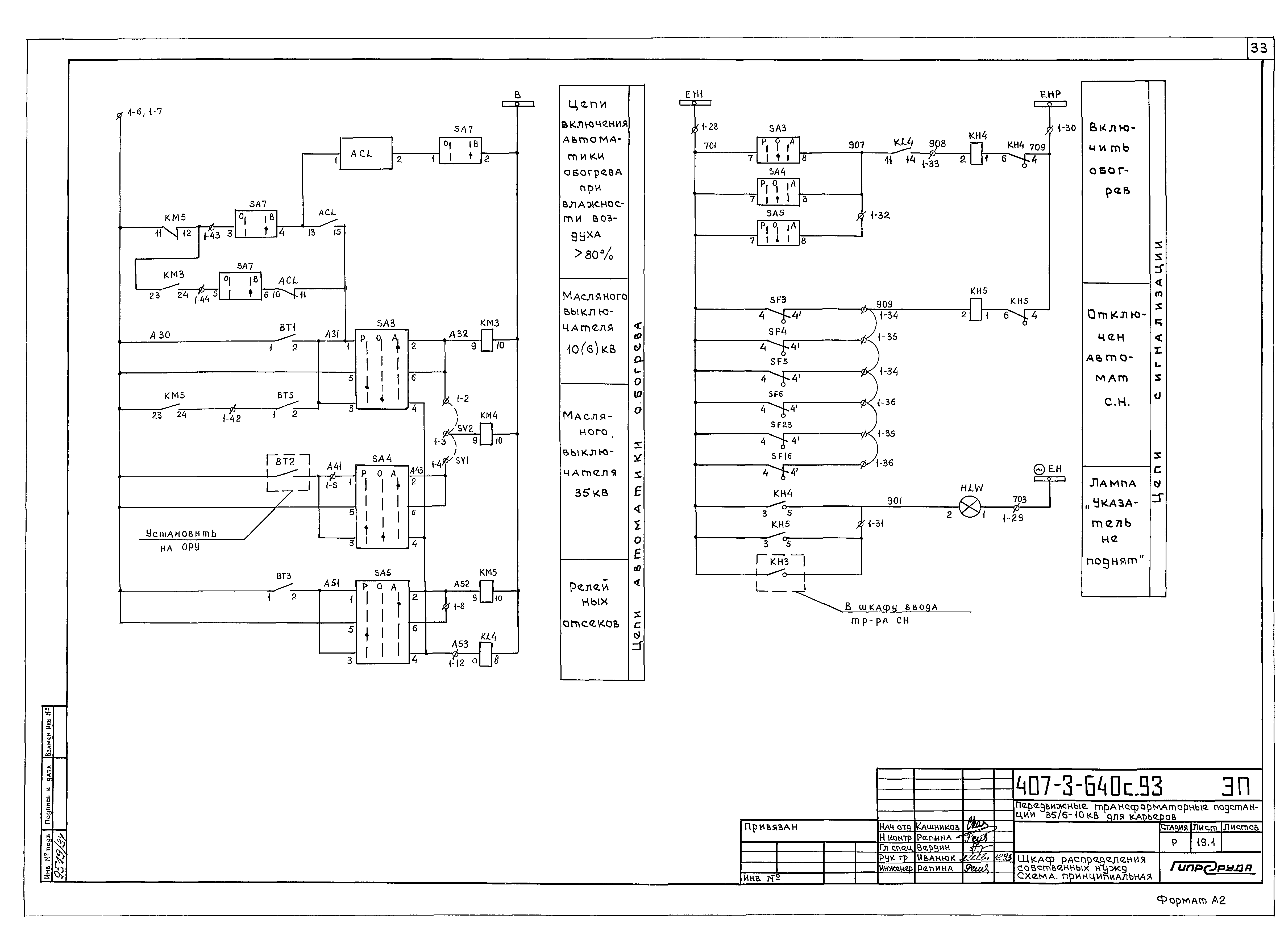
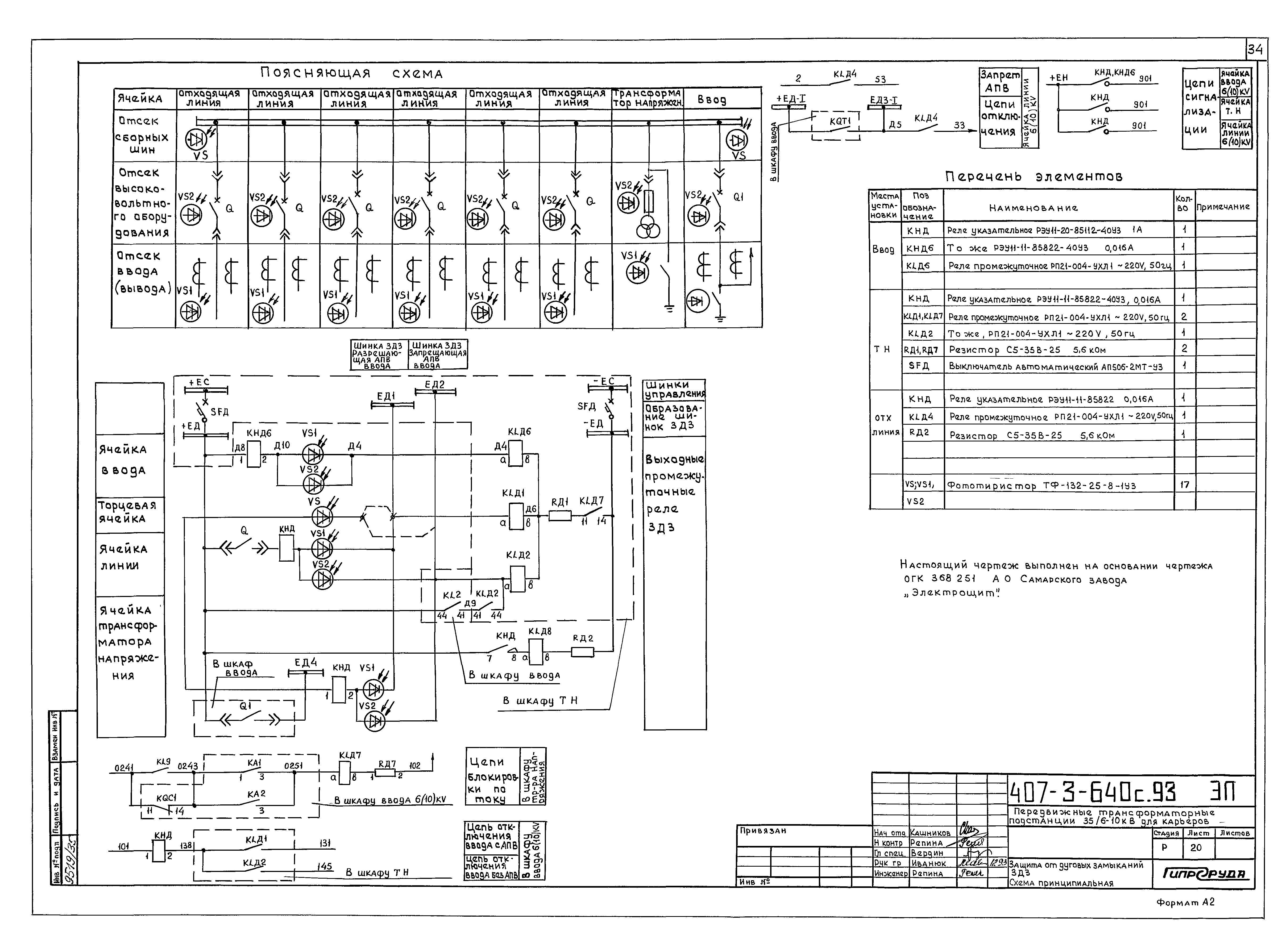
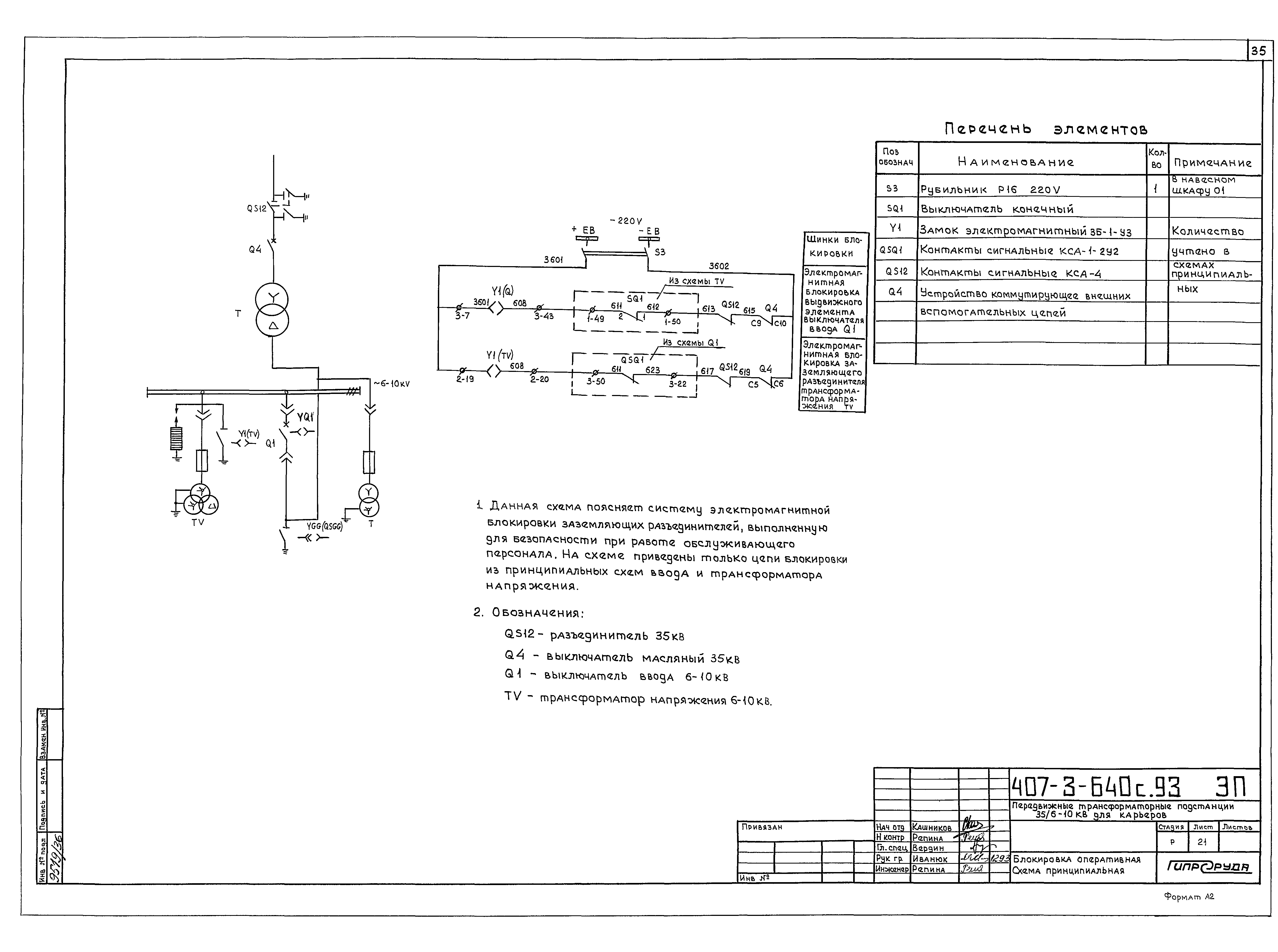
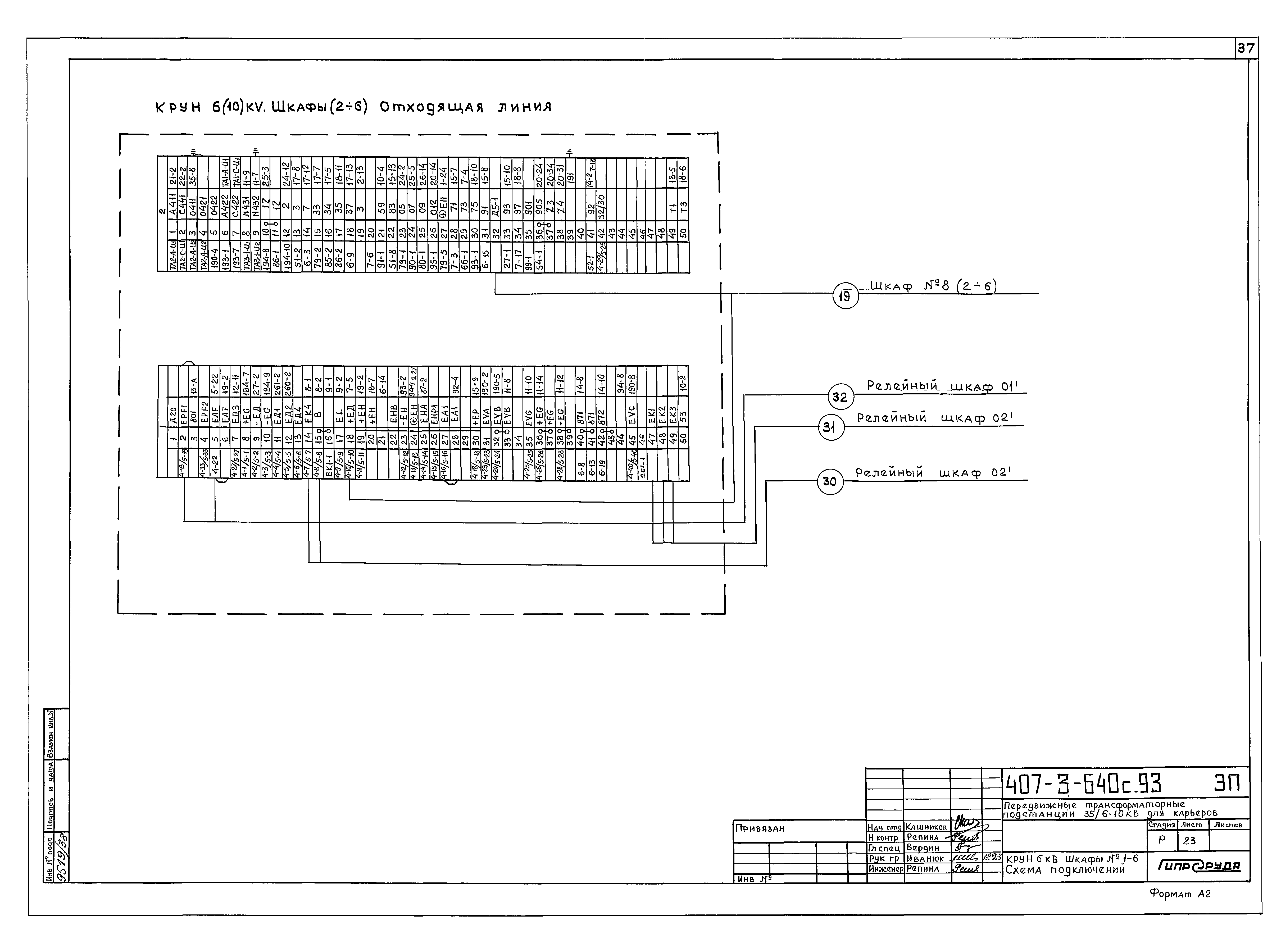
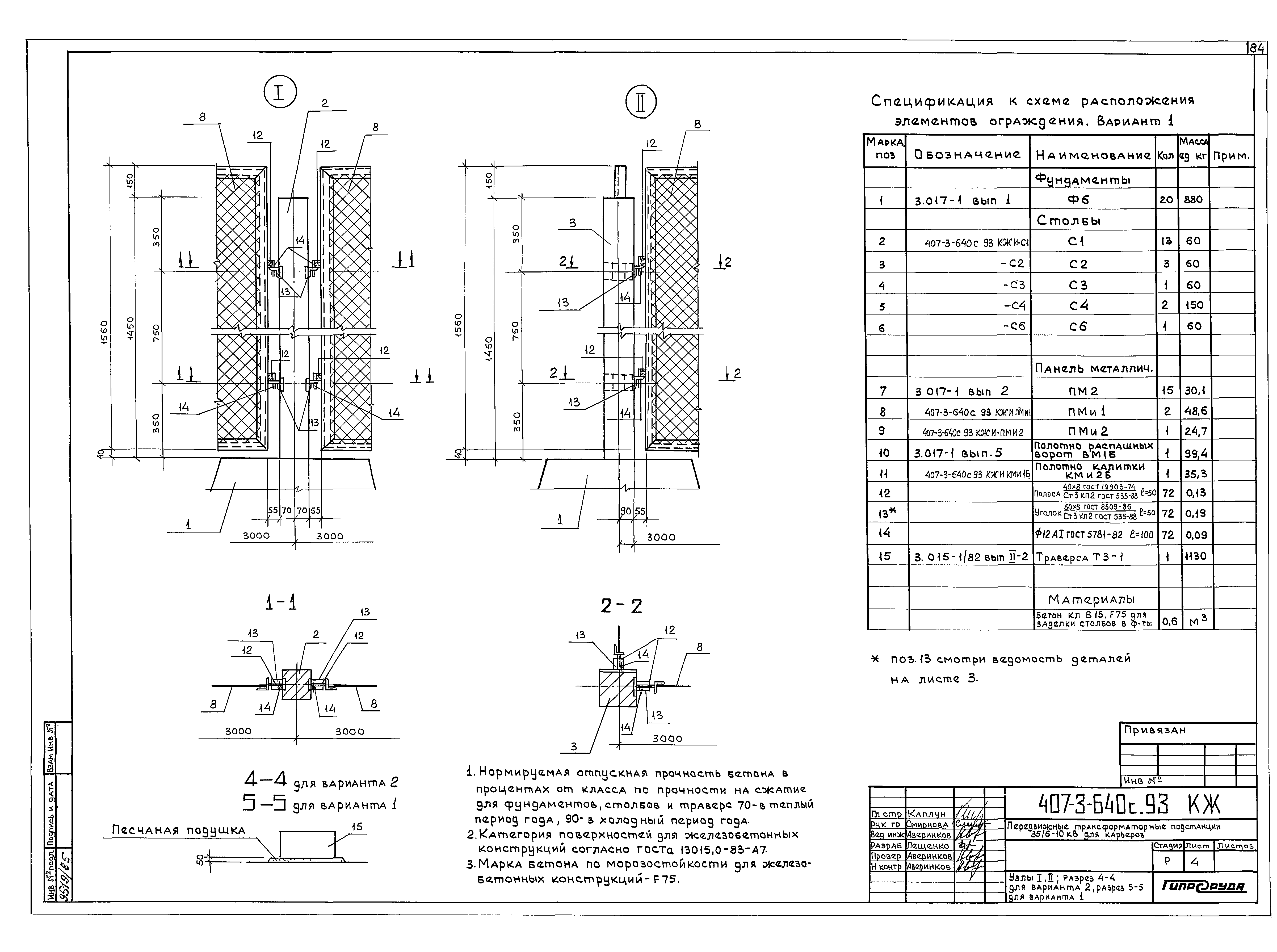
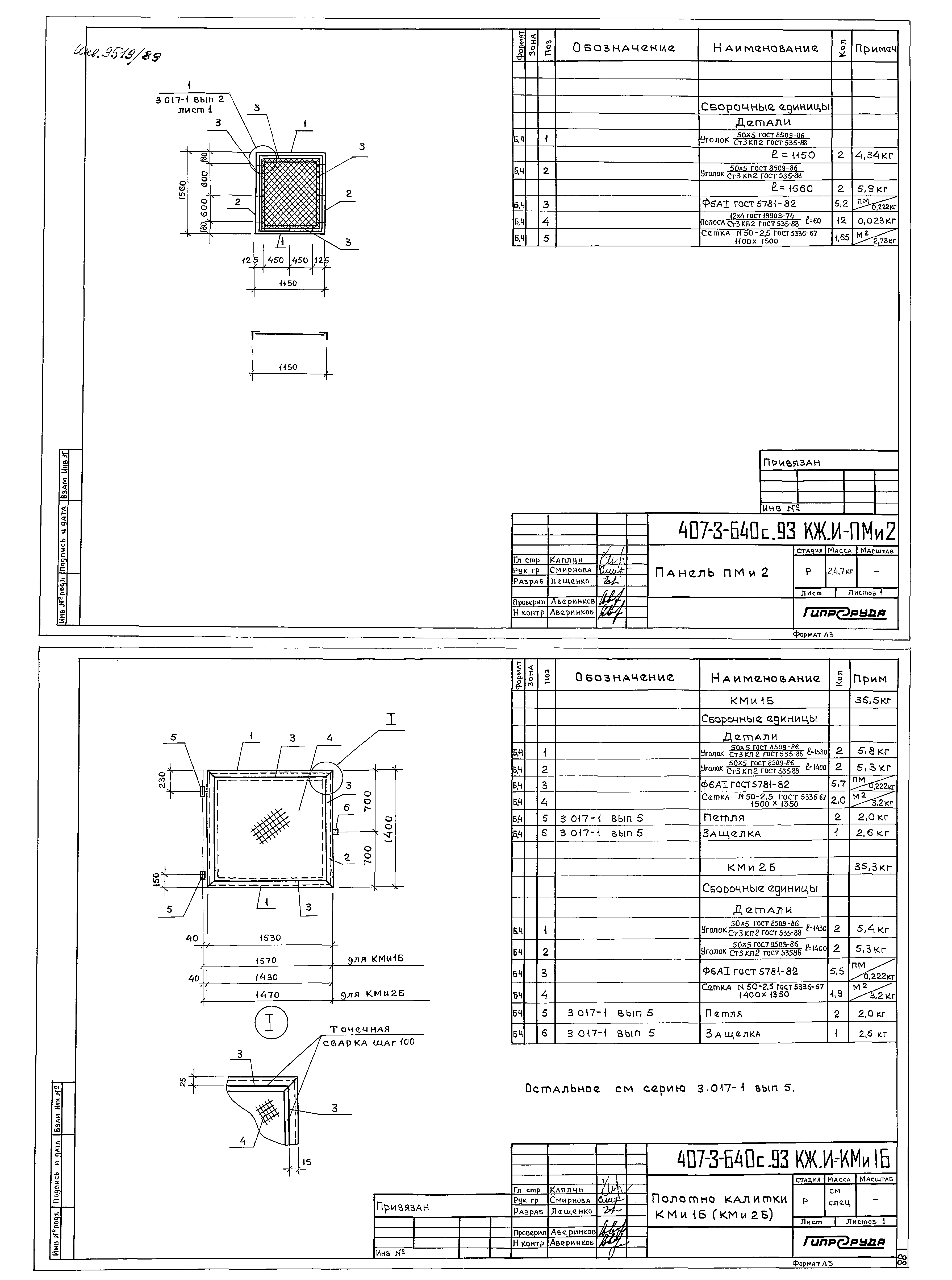
| Оглавление: | Содержание альбома Записка пояснительная Электрические решения Общие данные Схема принципиальная электрических соединений План расположения оборудования Устройство заземляющее Выбор максимальных токовых защит Выбор дифференциальной токовой защиты трансформатора Защита силового трансформатора. Схема принципиальная Трансформатор ТМН- /35 кВ. Схема управления выключателем 35 кВ Ввод 6 - 10 кВ. Схема принципиальная Трансформатор напряжения. Схема принципиальная Линия отходящая. Схема принципиальная Линия двигателя. Схема принципиальная Шкаф центральной сигнализации. Схема принципиальная Схема принципиальная автоматической частотой нагрузки Шкаф ввода трансформатора собственных нужд. Схема принципиальная Шкаф распределения собственных нужд. Схема принципиальная Защита от дуговых замыканий. Схема принципиальная Блокировка оперативная. Схема принципиальная ОРУ 35 кВ. Схема подключений КРУН-6 кВ. Шкафы №1 - 6. Схема подключений КРУН-6 кВ. Шкафы №7. Схема подключений КРУН-6 кВ. Шкафы №8. Схема подключений Релейный шкаф 01. Схема подключений Релейные шкафы 01`, 02, 02`. Схема подключений Релейные шкафы 03, 04. Схема подключений План разводки кабелей. Журнал кабельный Прилагаемые документы Лист опросный на трансформатор ТМН- /35У1 Лист опросный для заказа шкафов К59 Блок 35 кВ. План установки электрооборудования Блок трансформатора ТМН- /35-У1. План установки Блок трансформатора ТМН-6300/35-У1. План установки Блок трансформатора ТДНС-10000/35-У1. План установки Блок 6 - 10 кВ. План установки шкафов К59 Релейный шкаф 03. Фасад. Схема монтажная Релейный шкаф 04. Фасад. Схема монтажная Спецификация оборудования Строительные решения Конструкции железобетонные Общие данные Схема расположения элементов ограждения подстанции. Вариант 1. Исполнение 1 Схема расположения элементов ограждения подстанции. Вариант 2. Исполнение 2 Узлы 1, 2. Разрез 4-4 для варианта 2. Разрез 5-5 для варианта 1 Прилагаемые документы Столб С1 Столб С2 Столб С3 Столб С4(С5) Панель ПМИ1 Панель ПМИ2 Полотно калитки КМИ1Б (КМ и 2Б) |
| Разработан: | Гипроруда Минчермета СССР |
| Утверждён: | 29.12.1993 Гипроруда (34) |
























































































