Скачать Типовой проект 407-3-448с.87 Альбом I. Пояснительная записка. Электротехнические решения. Спецификация оборудования. Архитектурные решения. Строительные изделия. Конструкции металлическиеДата актуализации: 01.01.2021
|
| Обозначение: | Типовой проект 407-3-448с.87 |
| Обозначение англ: | 407-3-448с.87 |
| Статус: | не определен законодательством |
| Название рус.: | Альбом I. Пояснительная записка. Электротехнические решения. Спецификация оборудования. Архитектурные решения. Строительные изделия. Конструкции металлические |
| Дата добавления в базу: | 01.09.2013 |
| Дата актуализации: | 01.01.2021 |
| Дата введения: | 20.07.1987 |
| Дата окончания срока действия: | 30.06.2003 |
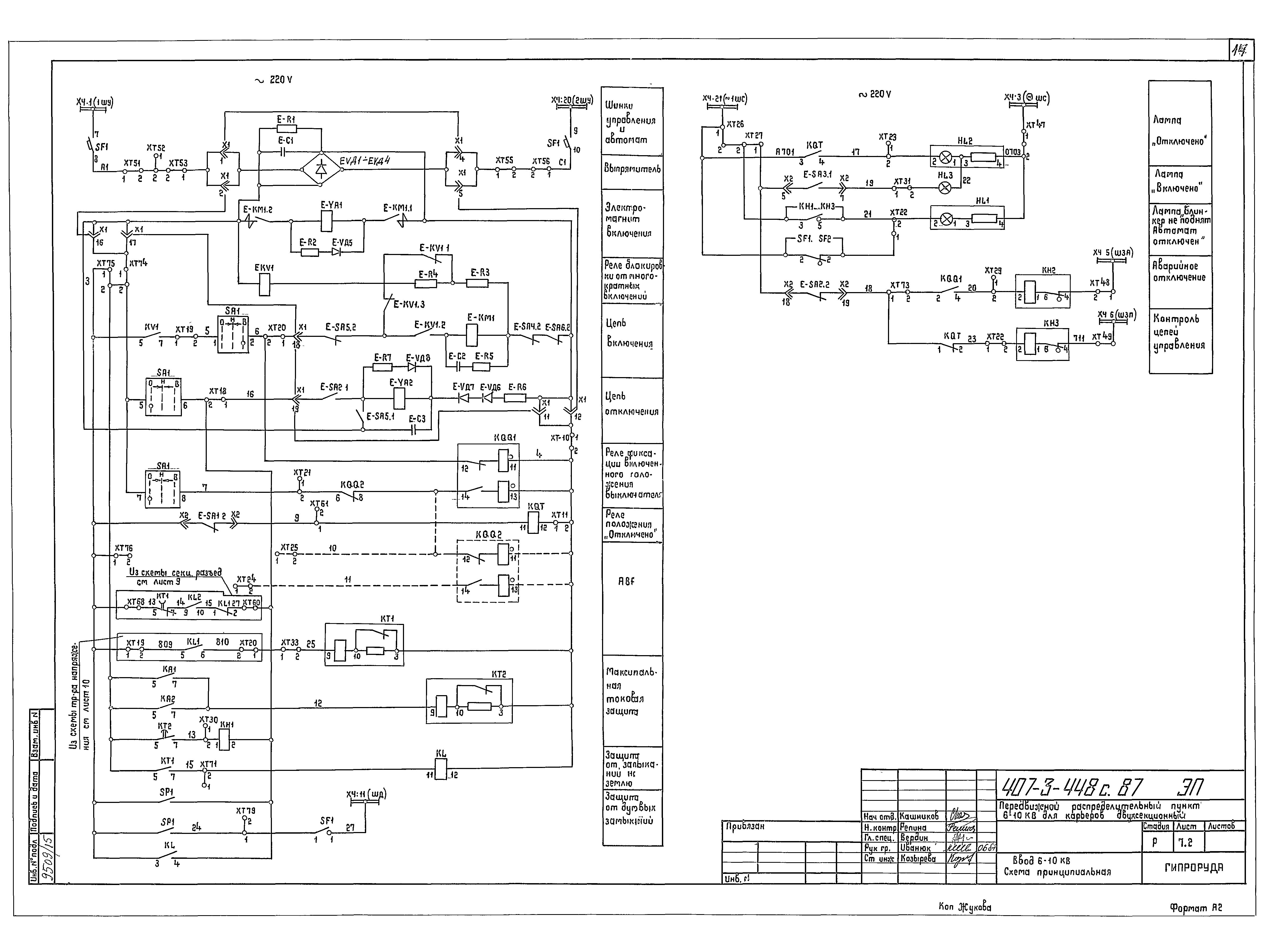
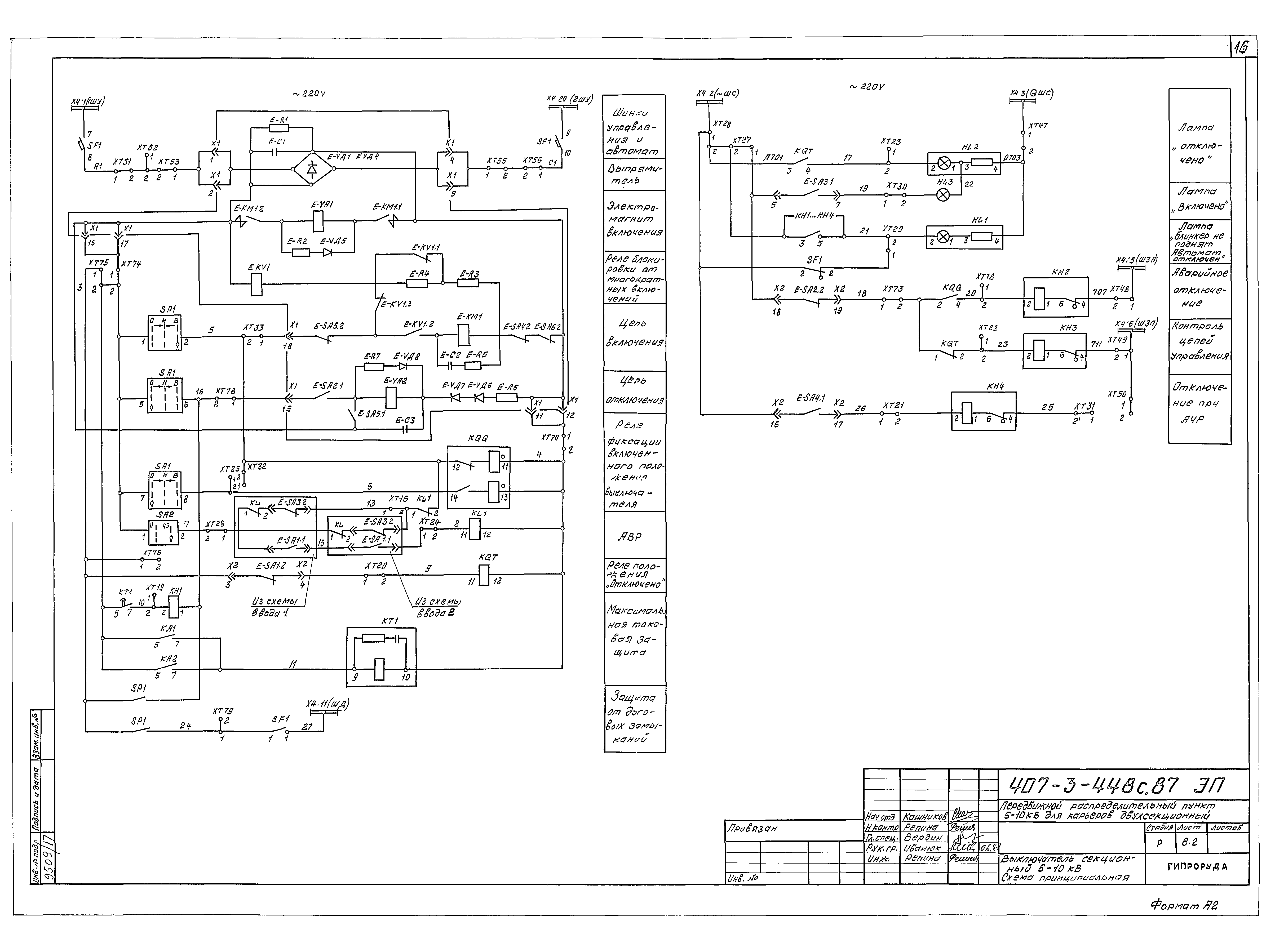
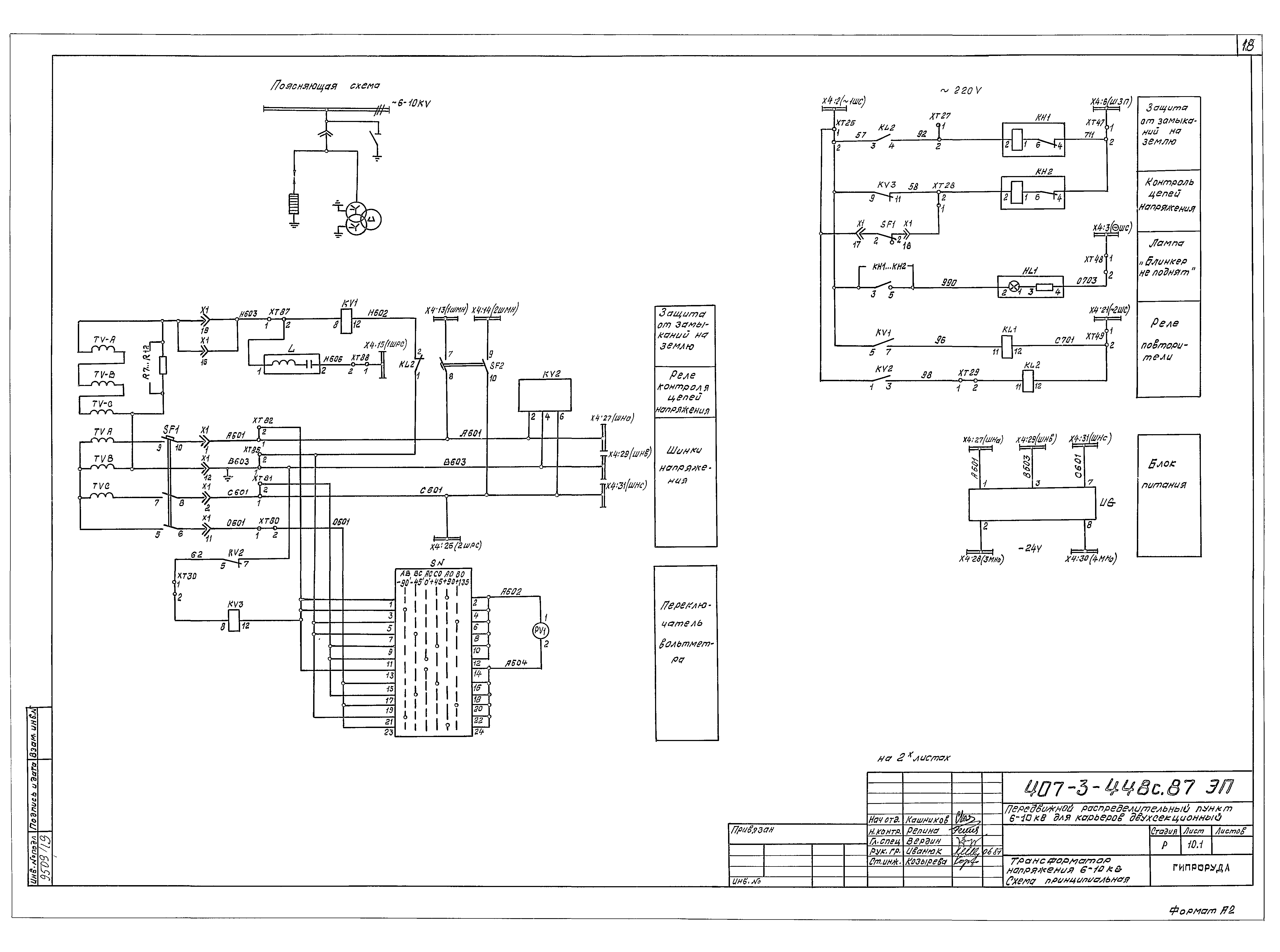
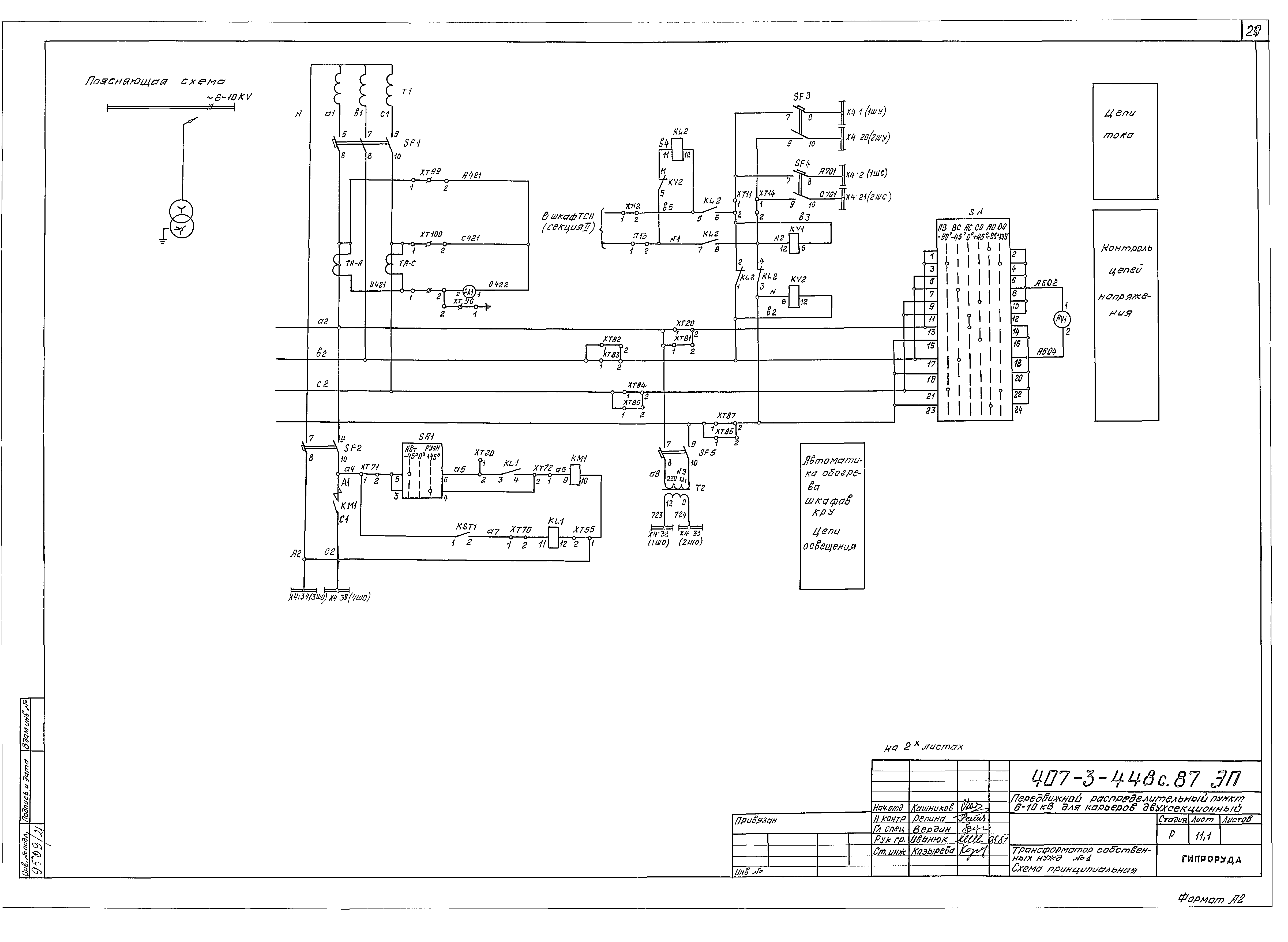
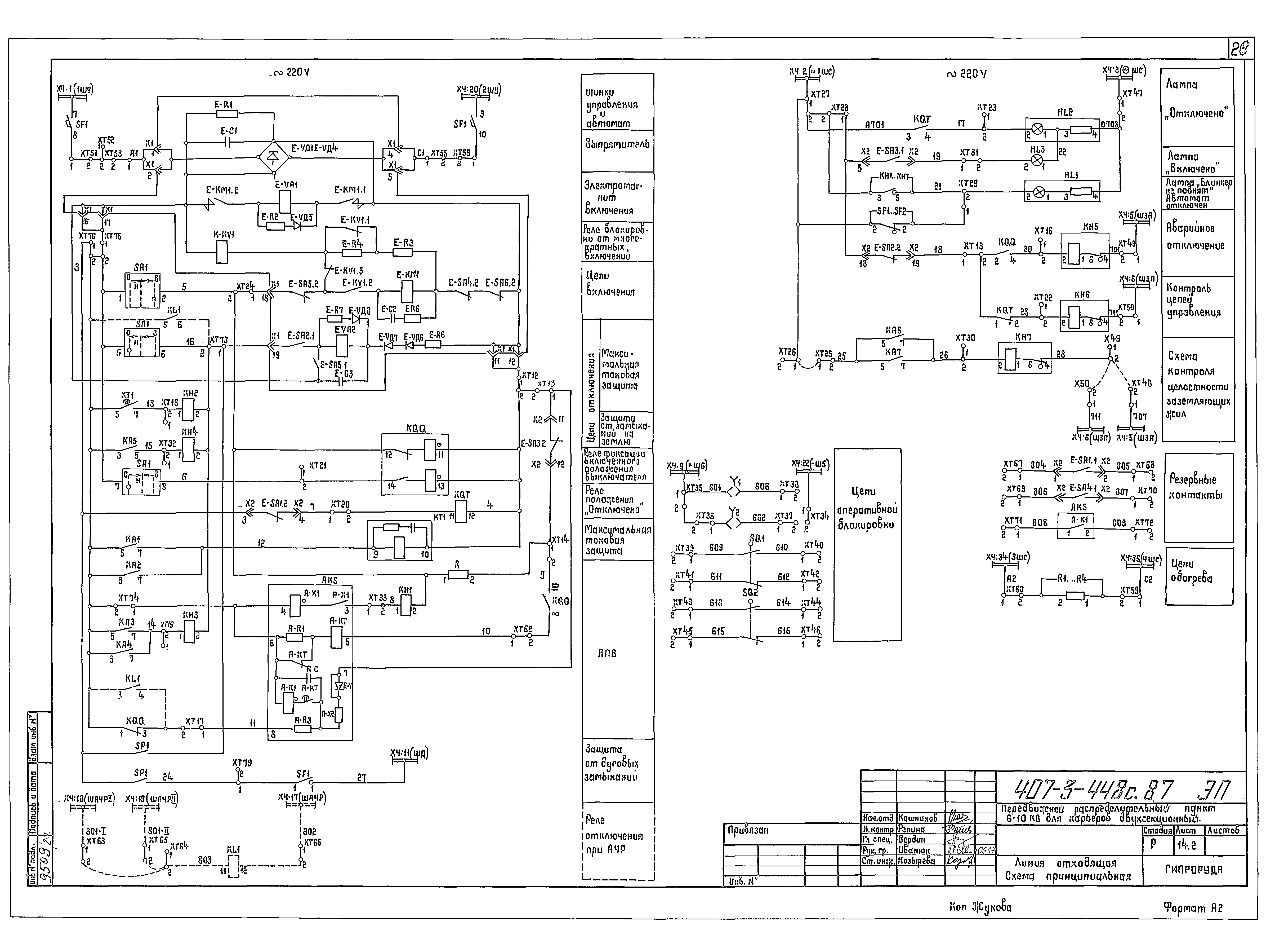
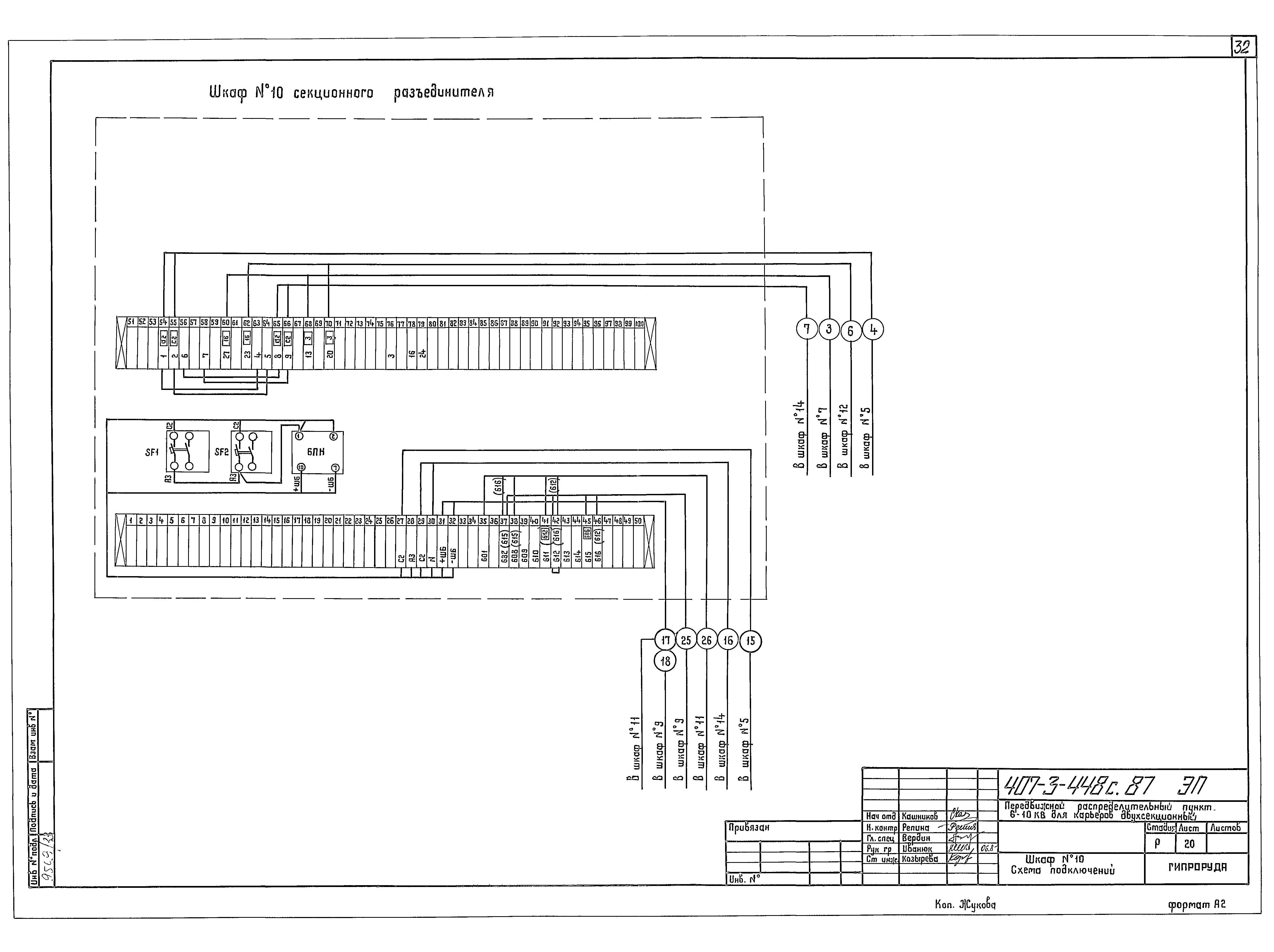
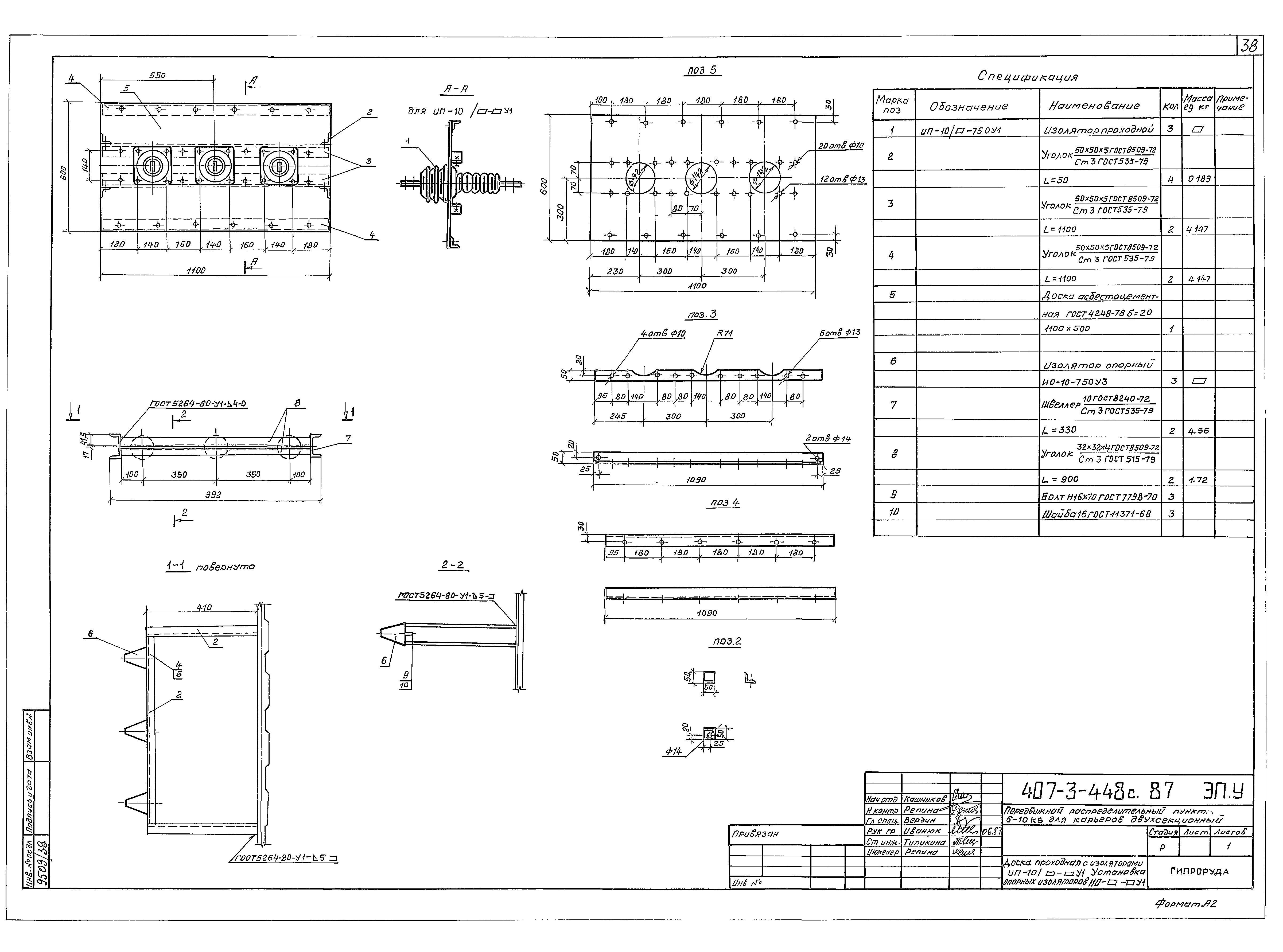
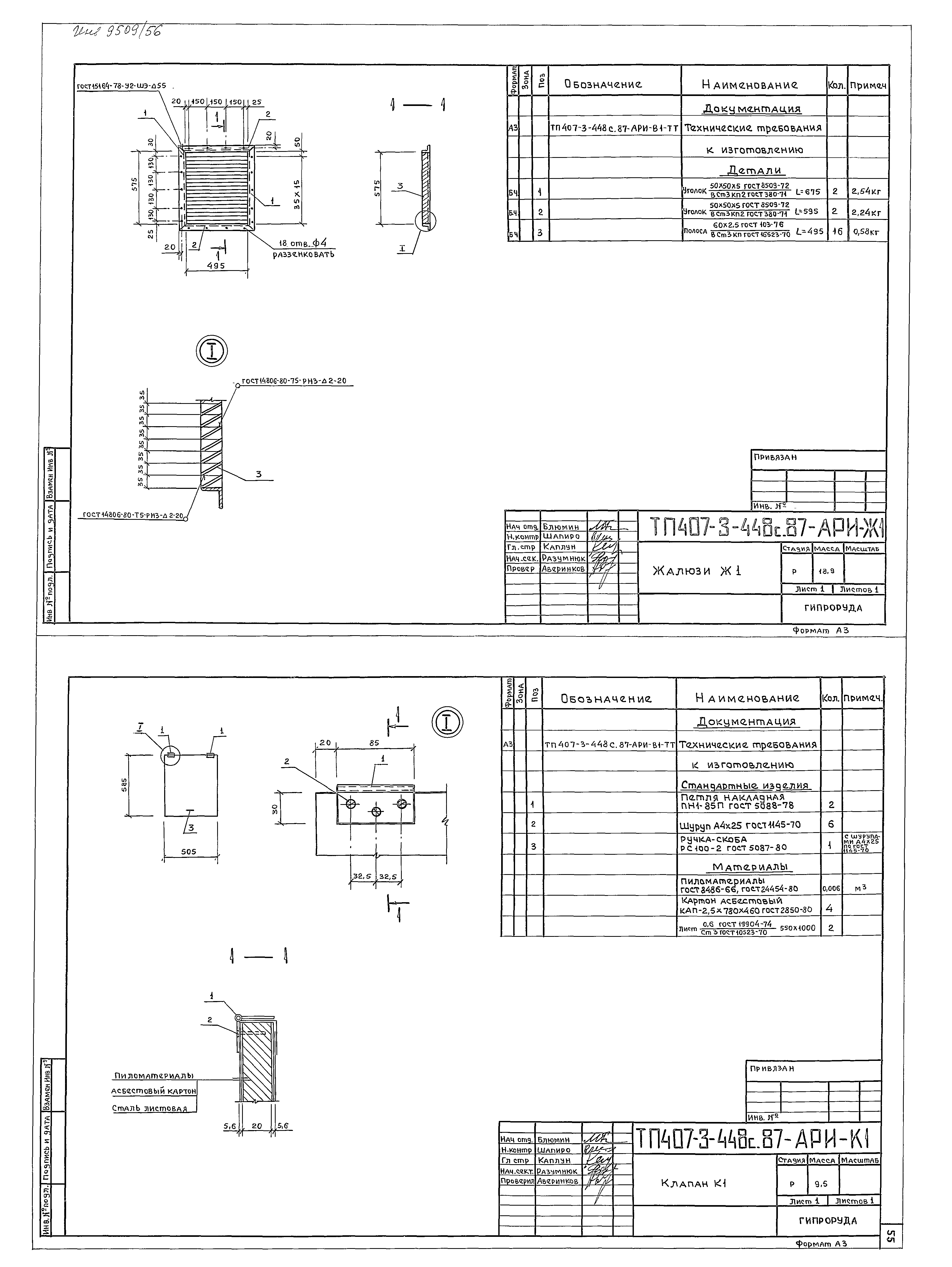
| Оглавление: | Содержание альбома Записка пояснительная Электрические решения Общие данные Схема принципиальная электрических соединений План расположения оборудования. Вариант I План расположения оборудования. Вариант II Устройство заземляющее План прокладки сети электрического освещения Выбор максимальных токовых защит Ввод 6 - 10 кВ. Схема принципиальная Выключатель секционный 6 - 10 кВ. Схема принципиальная Разъединитель секционный 6 - 10 кВ. Схема принципиальная Трансформатор напряжения. Схема принципиальная Трансформатор собственных нужд №1. Схема принципиальная Трансформатор собственных нужд №2. Схема принципиальная Двигатель. Схема принципиальная Линия отходящая. Схема принципиальная Блокировка оперативная. Схема принципиальная Шкаф №5. Схема подключений Шкафы №1…4, 7, 12. Схема подключений Шкаф №8, 11, 15…19. Схема подключений Шкаф №9. Схема подключений Шкаф №10. Схема подключений Шкаф №14. Схема подключений План разводки кабелей Журнал кабельный Прилагаемые документы Лист опросный на поставку шкафов комплектных распределительных устройств типа КРУВ-10 Доска проходная с изоляторами ИП-10/ - У1. Установка опорных изоляторов ИО- - У1 Ведомость потребности в материалах Ведомость изделий МЭЗ Ведомость оборудования и материалов для изделий МЭЗ Спецификация оборудования Архитектурные решения. Строительные изделия Общие данные План. Разрезы 1-1, 2-2 Разрез 3-3. Фасады Фасады Фасады. План кровли Узлы I…III Узлы IХ…ХI Прилагаемые документы Ведомость потребности в материалах Содержание листов изделий Технические требования к изготовлению Ворота В1 Рама ворот РВ1 Полотна ворот ПВ1 Петля подгибная ПП1 Ось ОВ1 Полоса П1 Жалюзи Ж1 Клапан К1 Щеколда фалевая ЩФ1 Ось ОЩ1 Защелка ЗЩ1 Планка ПЩ1 Планка ПЩ2 Планка ПЩ3 Уголок защитный У1 Пробой ПР1 Шпингалет нижний ЩН1 Фиксатор Ф1 Направляющая Н1 Защелка пружинная ЗП1 Направляющая Н3 Направляющая Н4 Направляющая Н2 Стопор СТ1 Конструкции металлические Общие данные Схемы конструкций каркасов Узлы 1…6 |
| Разработан: | Гипроруда Минчермета СССР |
| Утверждён: | 20.07.1987 Минчермет СССР (USSR Minchermet 707) |































































