Скачать Типовой проект 901-3-212.85 Альбом 3. Строительные изделияДата актуализации: 01.01.2021
|
| Обозначение: | Типовой проект 901-3-212.85 |
| Обозначение англ: | 901-3-212.85 |
| Статус: | не определен законодательством |
| Название рус.: | Альбом 3. Строительные изделия |
| Дата добавления в базу: | 01.09.2013 |
| Дата актуализации: | 01.01.2021 |
| Дата введения: | 26.09.1985 |
| Дата окончания срока действия: | 30.06.2003 |
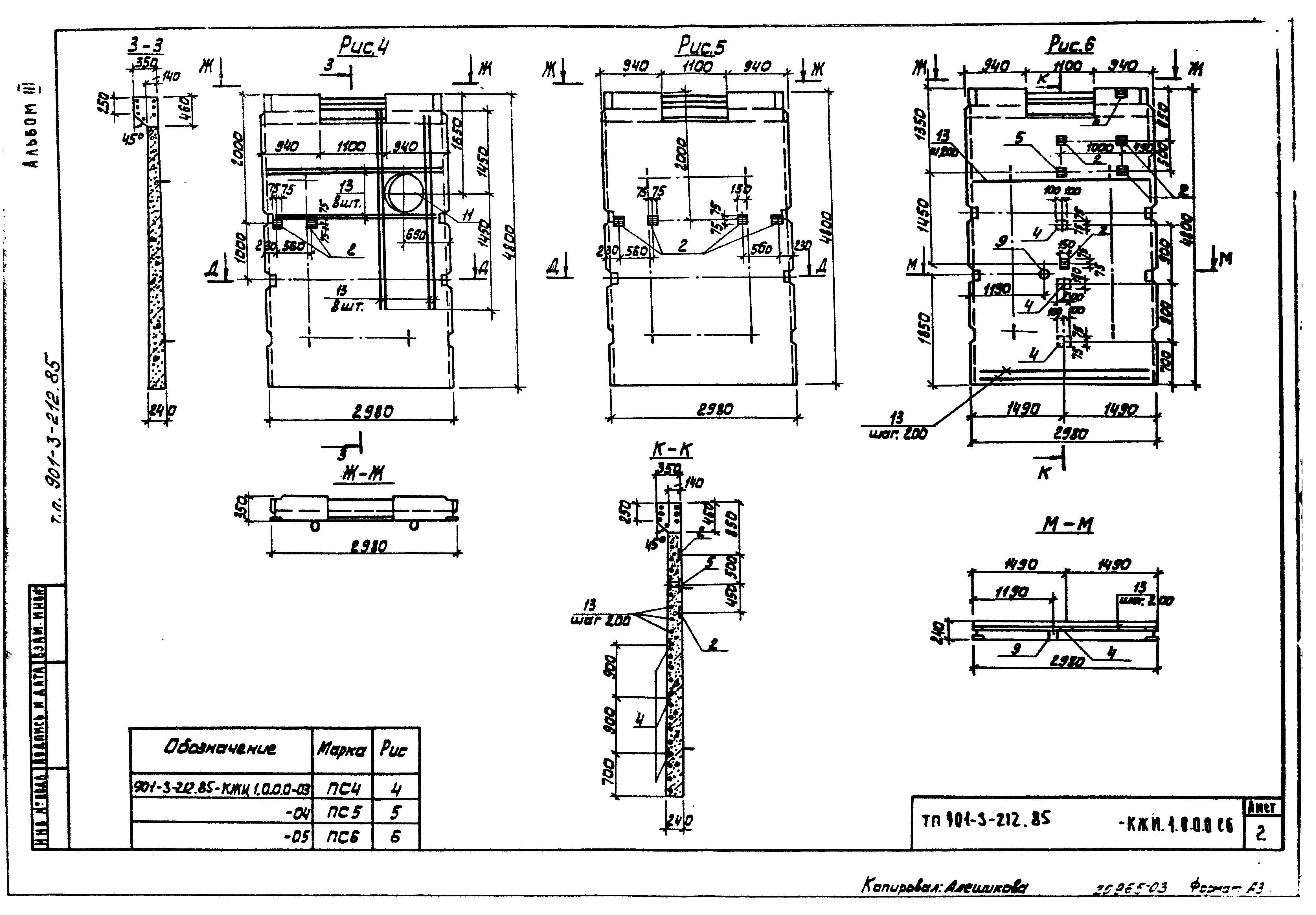
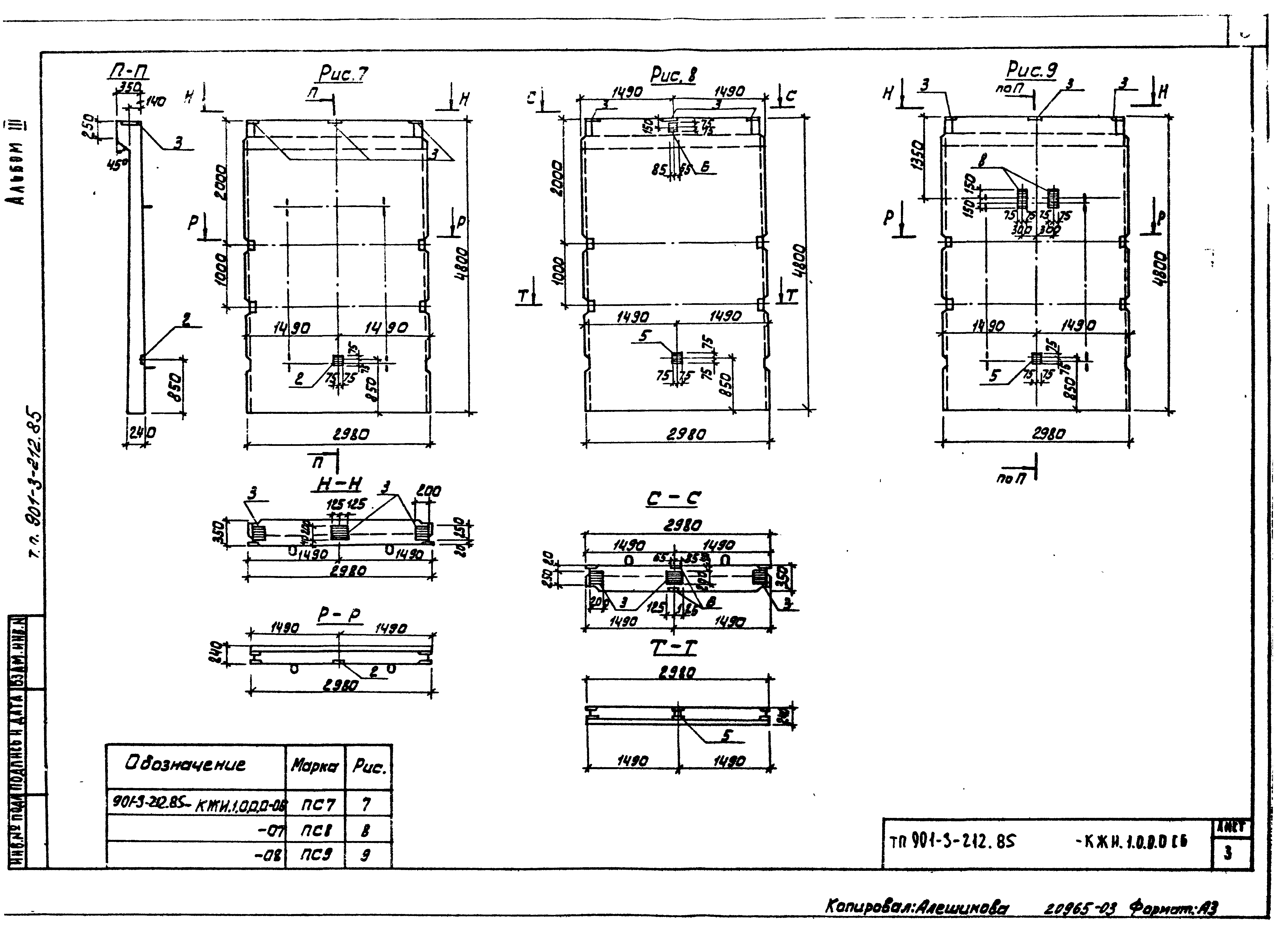
| Оглавление: | Панель стеновая (ПС1…ПС12) Панель стеновая (ПС1…ПС12). Сборочный чертеж Ведомость расхода стали на дополнительные закладные изделия на элемент, кг Панель стеновая (ПС13) Плита перекрытия (П2) Плита перекрытия (П3) Изделие закладное (МН-7а). Изделие закладное (МН-12а) Изделие закладное (МН-13а). Каркас плоский (Кр-1а, Кр-2а) Каркас плоский (Кр-12а). Каркас плоский (Кр-13а) Каркас плоский (Кр-17а). Сетка арматурная (С8) Сетка арматурная (С-25а). Сетка арматурная (С-30а, С-31а) Щит стальной (Щ1). Щит стальной (Щ2) Каркас пространственный (КП1, КП2) Каркас пространственный (КП3, КП4) Сетка арматурная (СК1). Сетка арматурная (СК2) Сетка арматурная (СК3). Каркас плоский (Кр1, Кр2) Сетка арматурная (С1, С2, С9) Сетка арматурная (С3, С4, С5, С6, C10) Сетка арматурная (С7, C11) |
| Разработан: | ЦНИИЭП |
| Утверждён: | 06.05.1980 Госгражданстрой (Gosgrazhdanstroy 120) |

























