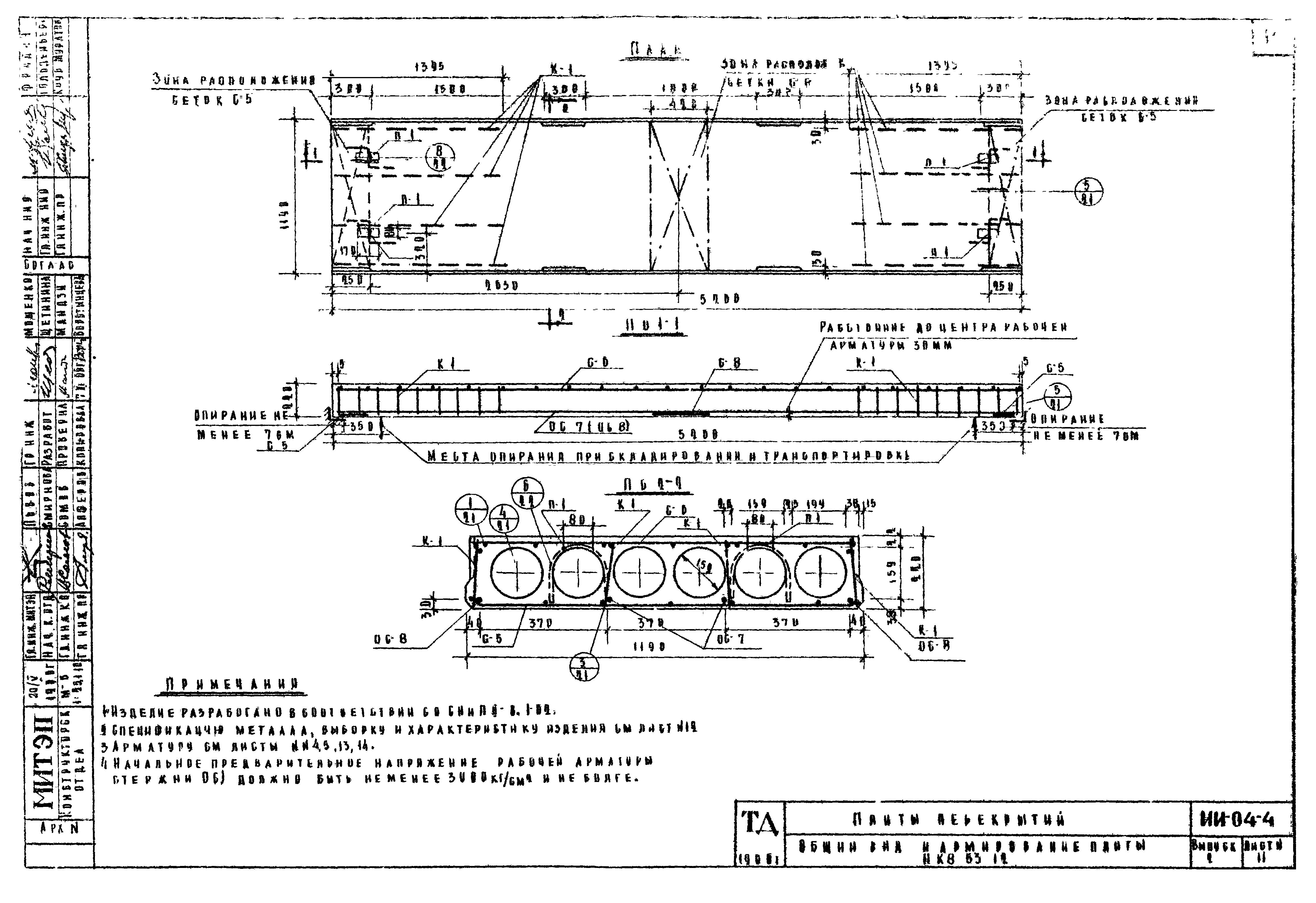
Скачать Серия ИИ-04-4 Выпуск 2. Железобетонные плиты с круглыми пустотамиДата актуализации: 01.01.2021
|
| Обозначение: | Серия ИИ-04-4 |
| Обозначение англ: | Series ИИ-04-4 |
| Статус: | заменен |
| Название рус.: | Выпуск 2. Железобетонные плиты с круглыми пустотами |
| Дата добавления в базу: | 01.09.2013 |
| Дата актуализации: | 01.01.2021 |
| Дата введения: | 01.02.1967 |
| Дата окончания срока действия: | 01.04.1982 |
| Разработан: | МИТЭП ГАПУ |
| Утверждён: | 31.12.1966 Государственный комитет по гражданскому строительству и архитектуре при Госстрое СССР (206) |
| Издан: | ЦИТП Госстроя СССР (CITP, Gosstroy (USSR) 1966 г. ) |
| Чем заменён: |


























