Скачать Типовой проект 901-5-38.87 Альбом 3. Сборные железобетонные конструкции и арматурные изделияДата актуализации: 01.01.2021
|
| Обозначение: | Типовой проект 901-5-38.87 |
| Обозначение англ: | 901-5-38.87 |
| Статус: | не определен законодательством |
| Название рус.: | Альбом 3. Сборные железобетонные конструкции и арматурные изделия |
| Дата добавления в базу: | 01.09.2013 |
| Дата актуализации: | 01.01.2021 |
| Дата введения: | 01.05.1987 |
| Дата окончания срока действия: | 30.06.2003 |
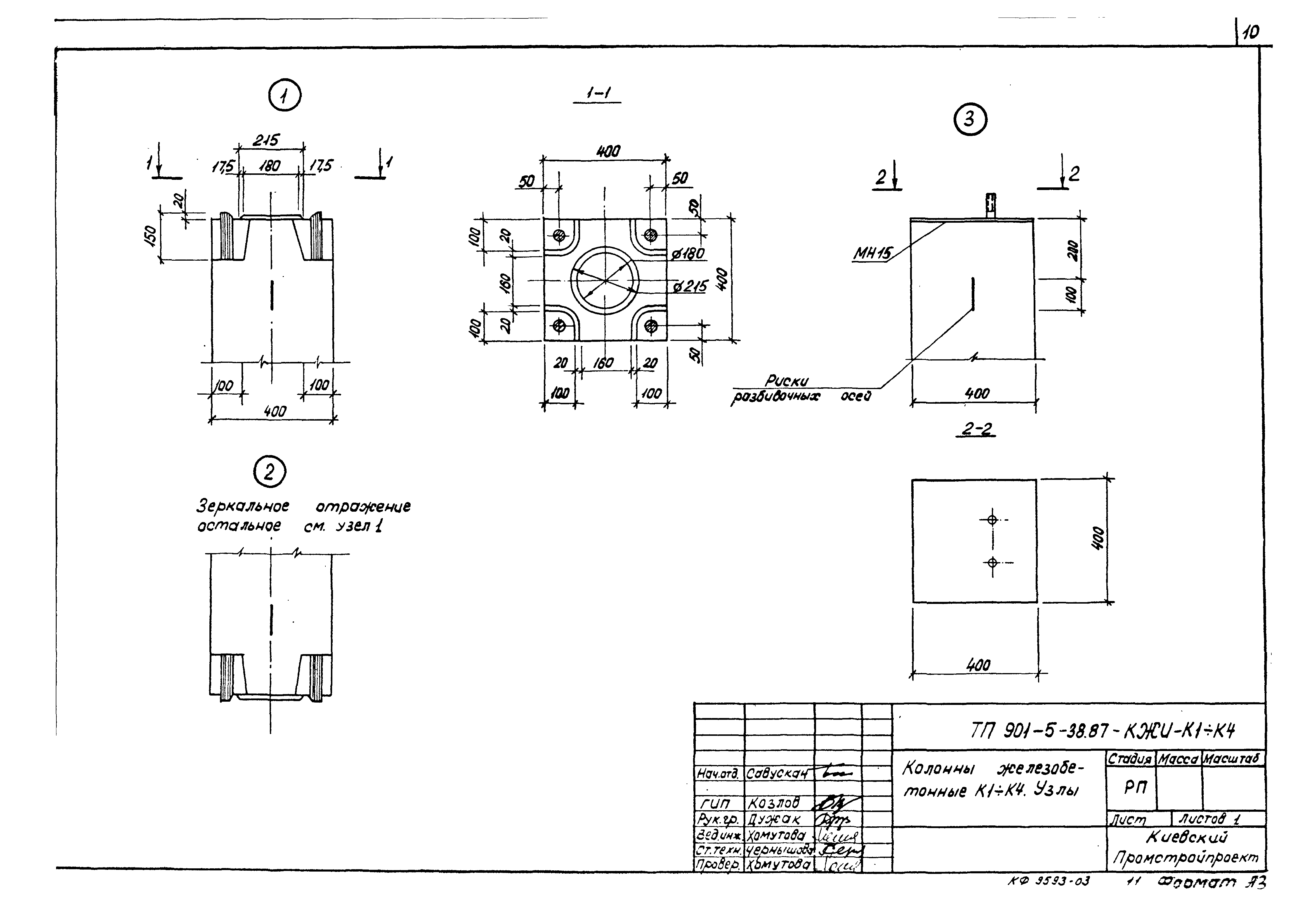
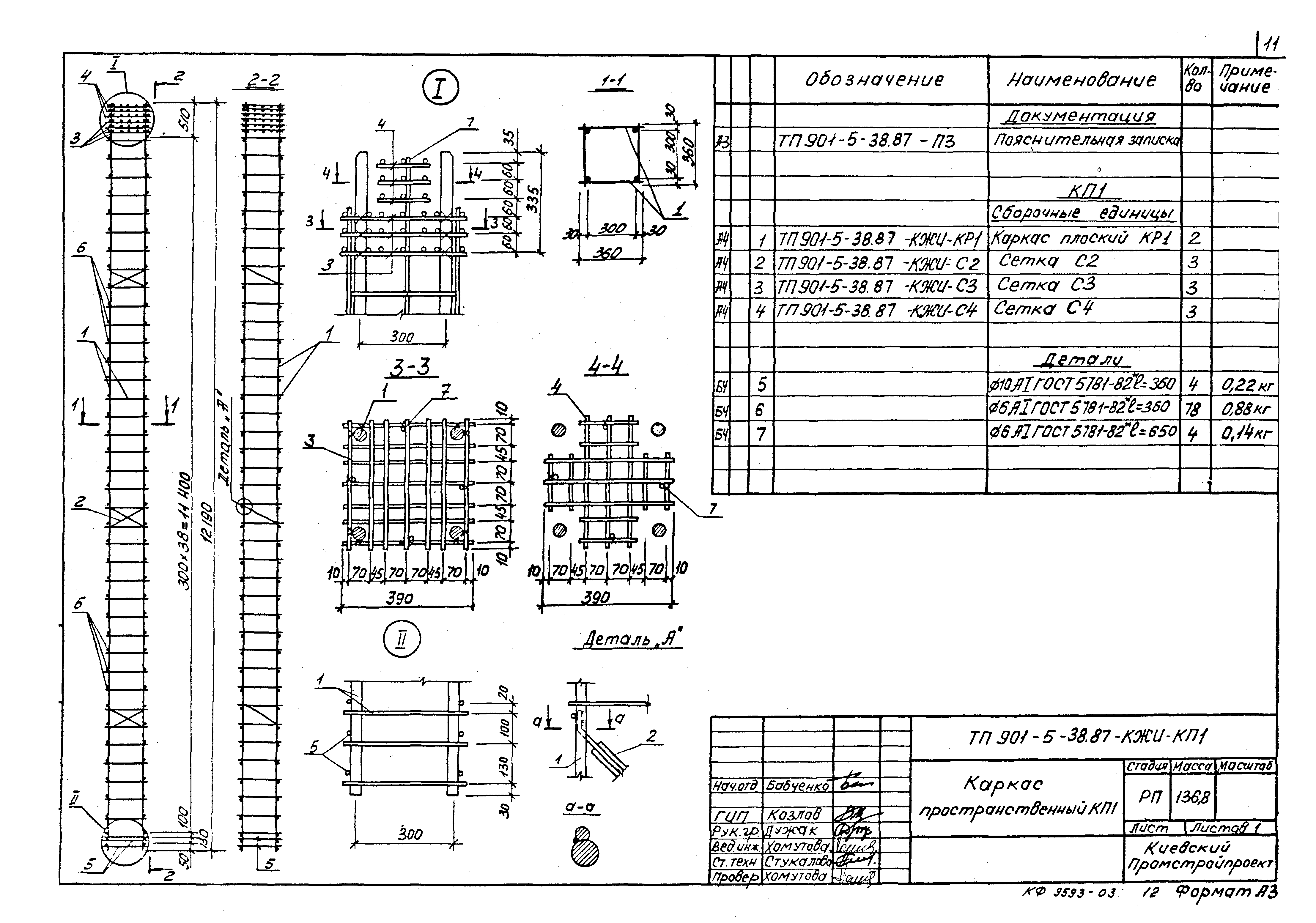
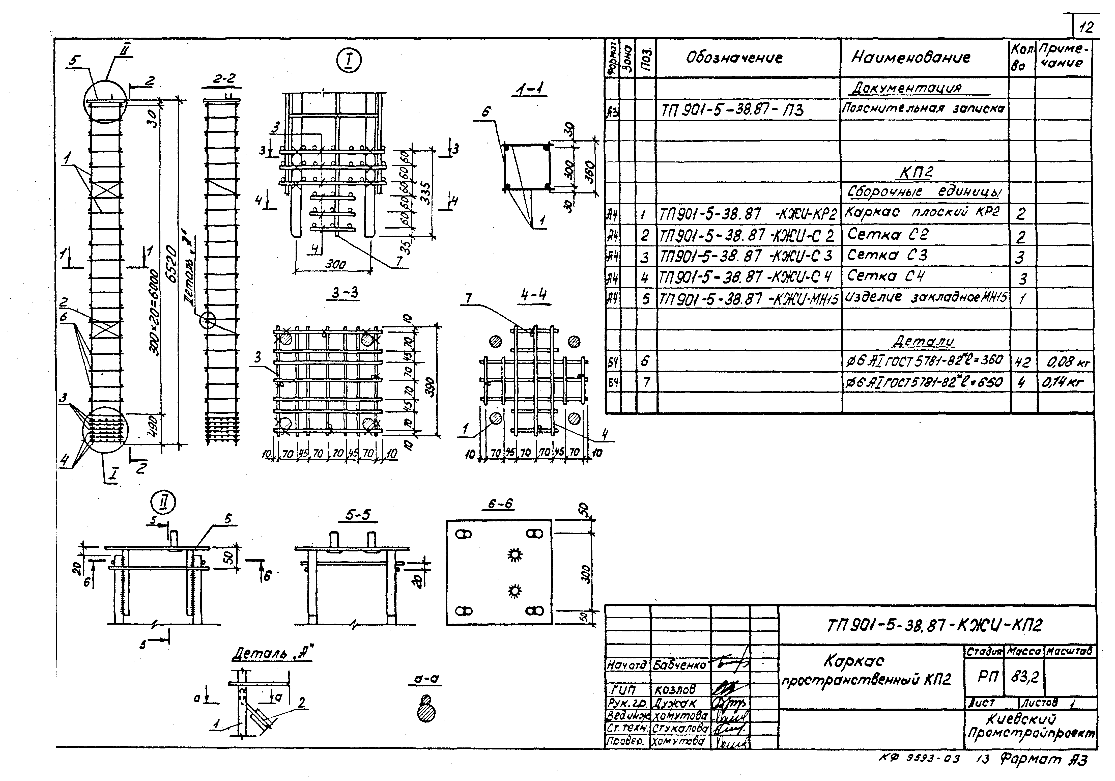
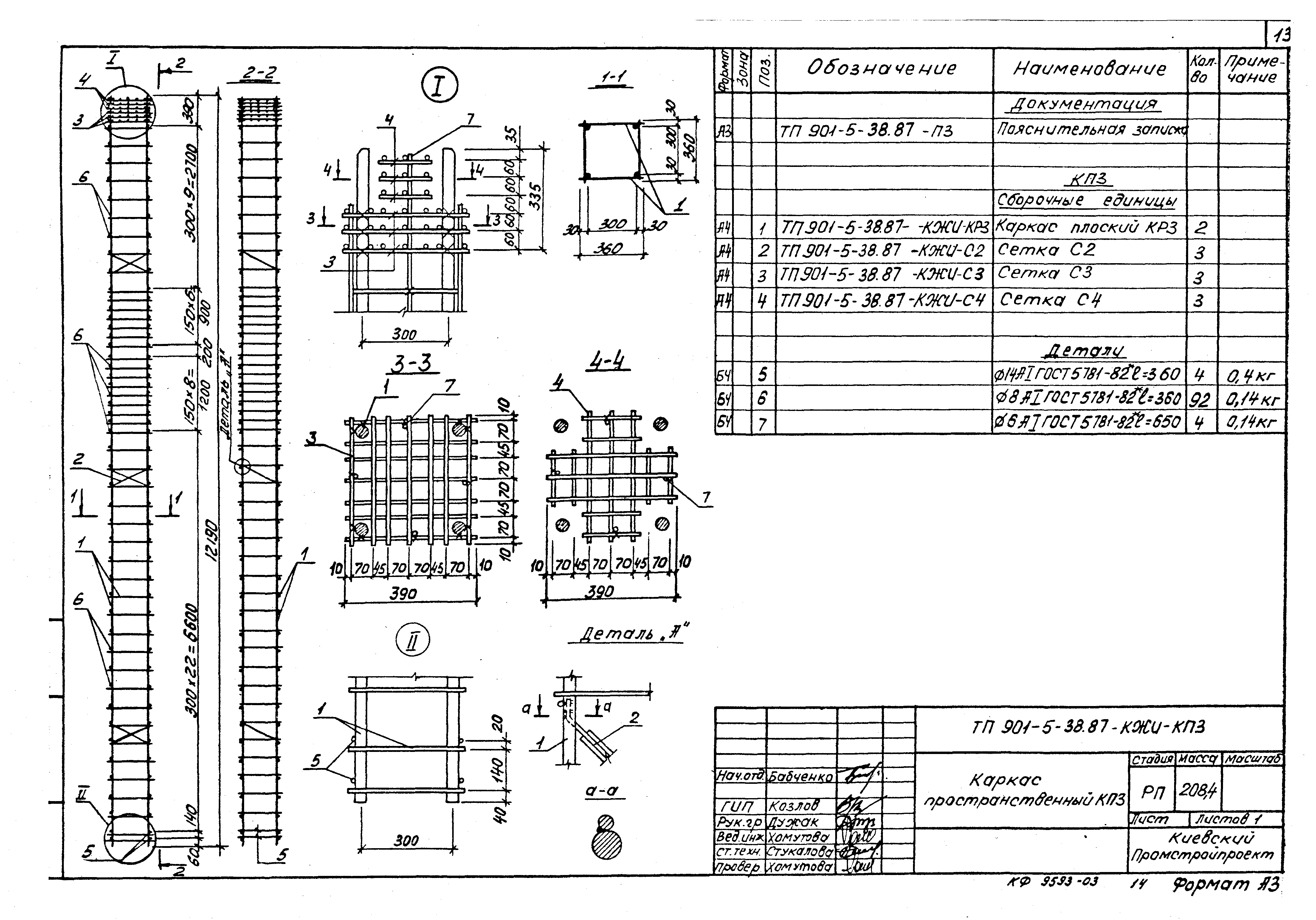
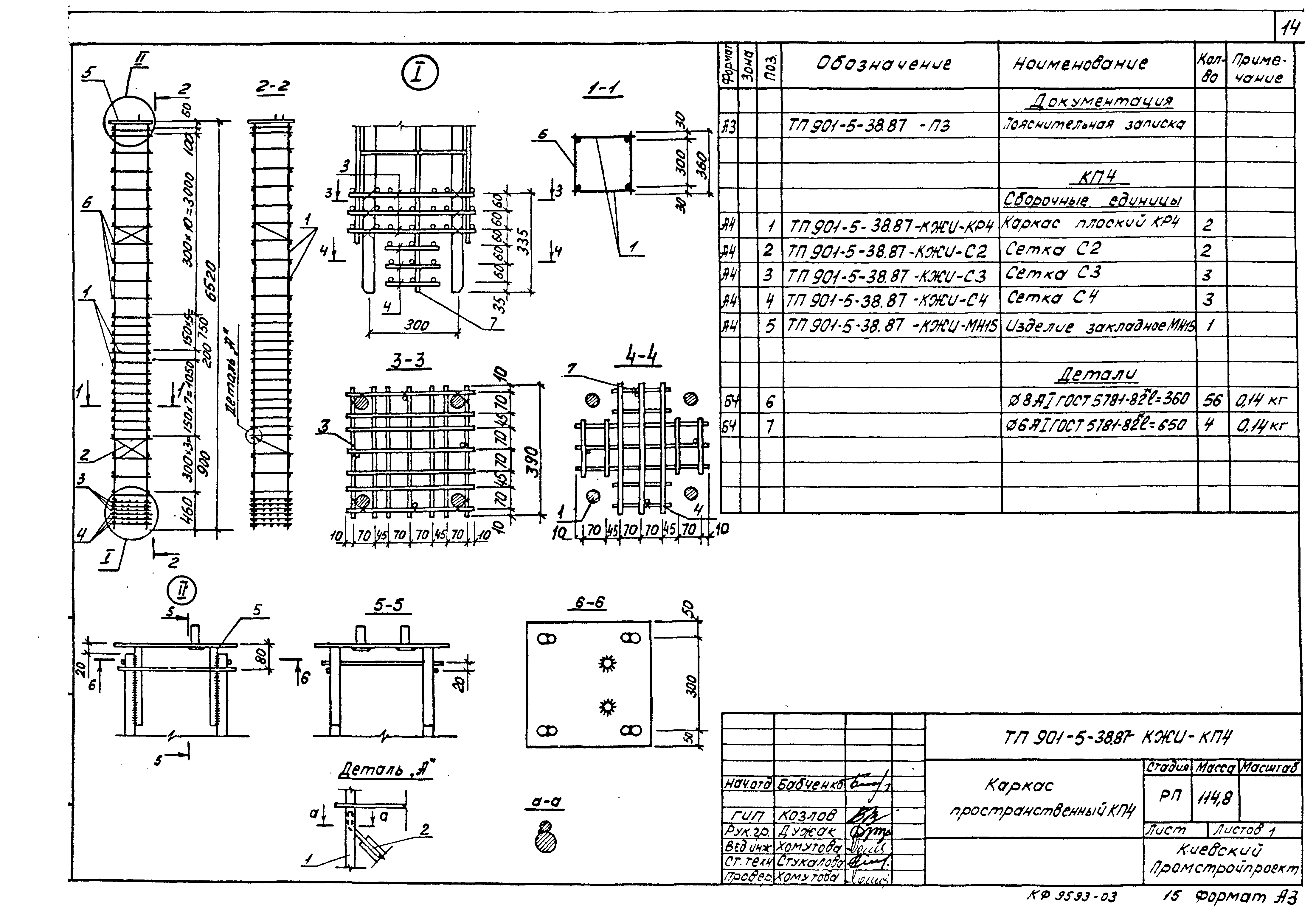
| Оглавление: | Содержание Пояснительная записка Колонна железобетонная К1 Колонна железобетонная К2 Колонна железобетонная К3 Колонна железобетонная К4 Колонны железобетонные. Узлы К1…К4 Каркас пространственный КП1 Каркас пространственный КП2 Каркас пространственный КП3 Каркас пространственный КП4 Каркас плоский КР1 Каркас плоский КР2 Каркас плоский КР3 Каркас плоский КР4 Сетка С1 Сетка С2 Сетка С3 Сетка С4 Изделие закладное МН1 Изделие закладное МН2 Изделие закладное МН3 Изделие закладное МН4 Изделие закладное МН5 Изделие закладное МН6 Изделие закладное МН7 Изделие закладное МН8 Изделие закладное МН9 Изделие закладное МН10 Изделие закладное МН11 Изделие закладное МН12 Изделие закладное МН13 Изделие закладное МН14 Изделие закладное МН15 Изделие соединительное МС1 Изделие соединительное МС2 Изделие соединительное МС3 Изделие соединительное МС4 Изделия соединительные МС5, МС6 Изделие соединительное МС7 |
| Разработан: | Киевский Промстройпроект |
| Утверждён: | 29.04.1986 Госстрой СССР (Государственный комитет Совета Министров СССР по делам строительства) (USSR Gosstroy А4-25) |






























