Скачать Типовые проектные решения 901-2-0149с.86 Альбом III. Нестандартизированное оборудование, металлические конструкции и чертежи задания заводу-изготовителюДата актуализации: 01.01.2021
|
| Обозначение: | Типовые проектные решения 901-2-0149с.86 |
| Обозначение англ: | 901-2-0149с.86 |
| Статус: | справочные материалы, мп, тпр |
| Название рус.: | Альбом III. Нестандартизированное оборудование, металлические конструкции и чертежи задания заводу-изготовителю |
| Дата добавления в базу: | 01.09.2013 |
| Дата актуализации: | 01.01.2021 |
| Дата введения: | 12.08.1986 |
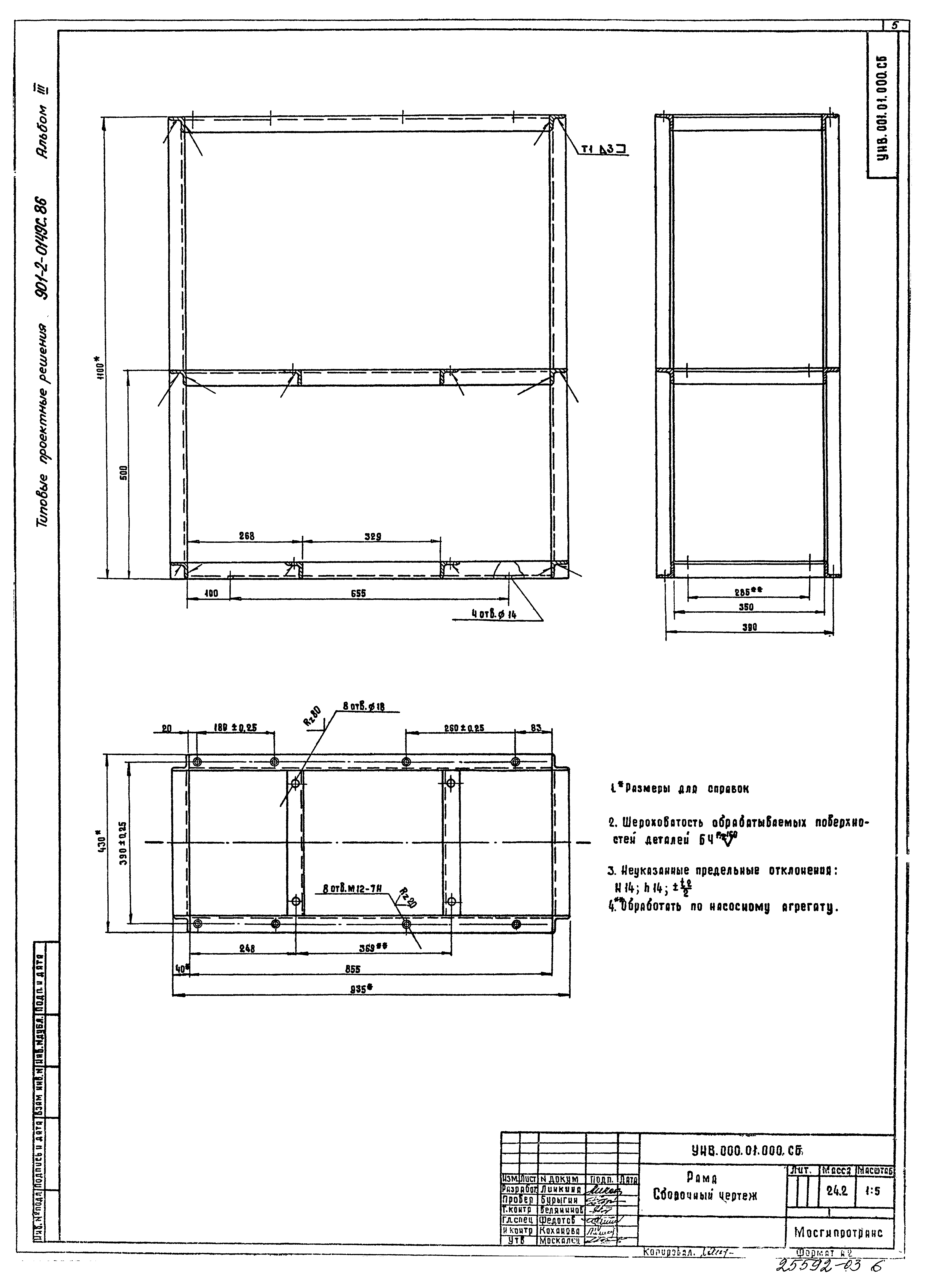
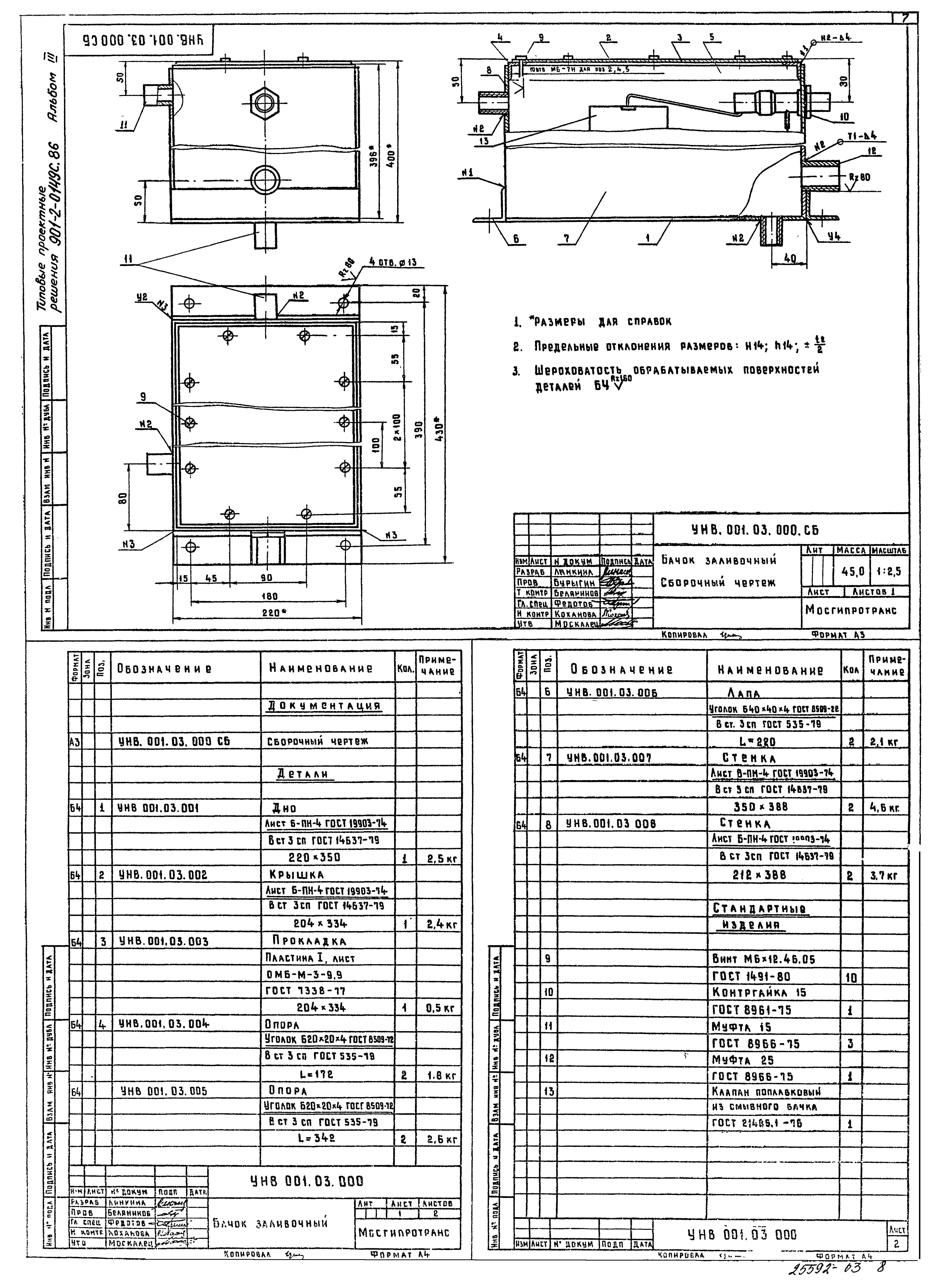
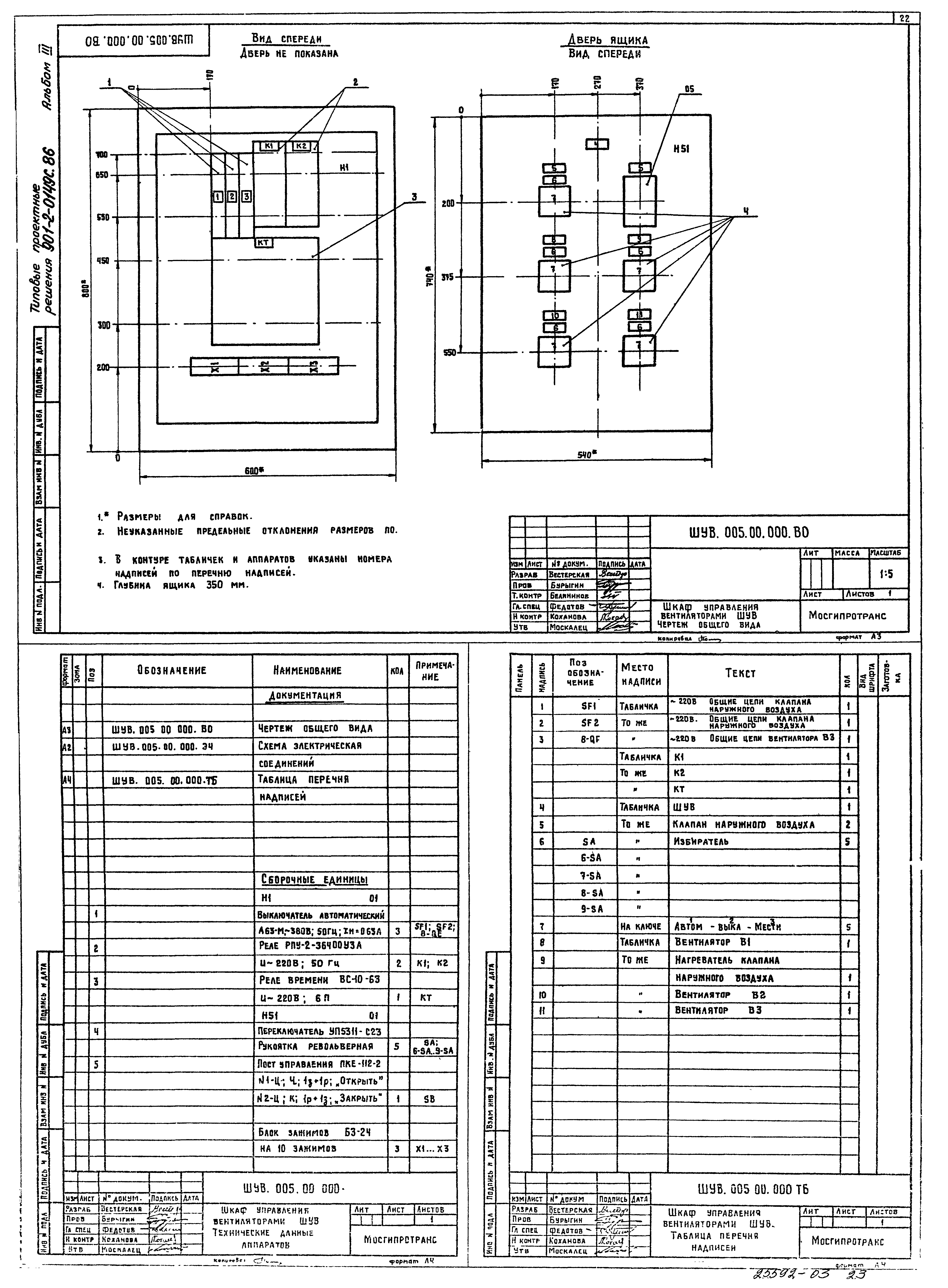
| Оглавление: | ТП 901-2-0149с.86 Содержание альбома ТП 901-2-0149с.86 УНВ.001.00.000 СБ Установка с вакуум-насосами. Сборочный чертеж ТП 901-2-0149с.86 УНВ.001.00.000 Установка с вакуум-насосами. Спецификация ТП 901-2-0149с.86 УНВ.001.01.000 Рама. Спецификация ТП 901-2-0149с.86 УНВ.001.02.000 Бачок воздушно-водяной. Спецификация ТП 901-2-0149с.86 УНВ.001.01.000 СБ Рама. Сборочный чертеж ТП 901-2-0149с.86 УНВ.001.02.000 СБ Бачок воздушно-водяной. Сборочный чертеж ТП 901-2-0149с.86 УНВ.002.03.000 СБ Бачок заливочный. Сборочный чертеж ТП 901-2-0149с.86 УНВ.001.03.000 Бачок заливочный. Спецификация ТП 901-2-0149с.86 УНВ.001.04.000 СБ Датчик электродный. Сборочный чертеж ТП 901-2-0149с.86 УНВ.001.04.000 Датчик электродный. Спецификация ТП 901-2-0149с.86 УНВ.001.02.002 Крышка ТП 901-2-0149с.86 УНВ.001.04.002 Колпак ТП 901-2-0149с.86 УНВ.001.04.001 Крышка ТП 901-2-0149с.86 УНВ.001.04.006 Электрод ТП 901-2-0149с.86 УНВ.001.00.000.ВП Установка с вакуум-насосами. Ведомость покупных изделий ТП 901-2-0149с.86 УНВ.001.00.000.ВС Установка с вакуум-насосами. Ведомость покупных изделий ТП 901-2-0149с.86 УНВ.001.00.000ТУ Установка с вакуум-насосами. Технические условия ТП 901-2-0149с.86 ВГ.002.00.000 СБ Вставка гибкая. Сборочный чертеж ТП 901-2-0149с.86 ВГ.002.00.000 Вставка гибкая. Спецификация ТП 901-2-0149с.86 ВГ.002.00.000-01 Вставка гибкая. Спецификация ТП 901-2-0149с.86 ВГ.002.00.000-02 Вставка гибкая. Спецификация ТП 901-2-0149с.86 ВГ.002.00.000-03 Вставка гибкая. Спецификация ТП 901-2-0149с.86 ВГ.002.00.000.ВП Вставка гибкая. Ведомость покупных изделий ТП 901-2-0149с.86 ШУП.003.00.000.ВО Шкаф управления и питания ШУП. Чертеж общего вида (вариант без электроотопления) ТП 901-2-0149с.86 ШУП.003.00.000 Шкаф управления и питания ШУП. Технические данные (вариант без электроотопления) ТП 901-2-0149с.86 ШУП.003.00.000.ТБ Шкаф управления и питания ШУП. Таблица перечня надписей (вариант без электроотопления) ТП 901-2-0149с.86 ШУП.003.00.000.ЭЧ Шкаф управления и питания ШУП. Схема электрическая соединений (вариант без электроотопления) ТП 901-2-0149с.86 ШУП.003.00.000.ВО Шкаф управления и питания ШУП. Чертеж общего вида (вариант с электроотоплением) ТП 901-2-0149с.86 ШУП.004.00.000 Шкаф управления и питания ШУП. Технические данные (вариант с электроотоплением) ТП 901-2-0149с.86 ШУП.004.00.000.ТБ Шкаф управления и питания ШУП. Таблица перечня надписей (вариант с электроотоплением) ТП 901-2-0149с.86 ШУП.004.00.000.ЭЧ Шкаф управления и питания ШУП. Схема электрическая соединений (вариант с электроотоплением) ТП 901-2-0149с.86 ШУП.005.00.000.ВО Шкаф управления вентиляторами ШУВ. Чертежи общего вида ТП 901-2-0149с.86 ШУП.005.00.000 Шкаф управления вентиляторами ШУВ. Технические данные аппаратов ТП 901-2-0149с.86 ШУП.005.00.000.ТБ Шкаф управления вентиляторами ШУВ. Таблица перечня надписей ТП 901-2-0149с.86 ШУП.005.00.000.ЭЧ Шкаф управления вентиляторами ШУВ. Схема электрическая соединений |
| Разработан: | Мосгипротранс |
| Утверждён: | 12.08.1986 Министерство транспортного строительства СССР (USSR Ministry of Transport Construction ГА-1122) |























