Скачать Типовой проект 902-2-413.86 Альбом 1. Пояснительная записка (из ТП 902-2-412.86)Дата актуализации: 01.01.2021
|
| Обозначение: | Типовой проект 902-2-413.86 |
| Обозначение англ: | 902-2-413.86 |
| Статус: | не определен законодательством |
| Название рус.: | Альбом 1. Пояснительная записка (из ТП 902-2-412.86) |
| Дата добавления в базу: | 01.09.2013 |
| Дата актуализации: | 01.01.2021 |
| Дата введения: | 01.09.1986 |
| Дата окончания срока действия: | 30.06.2003 |
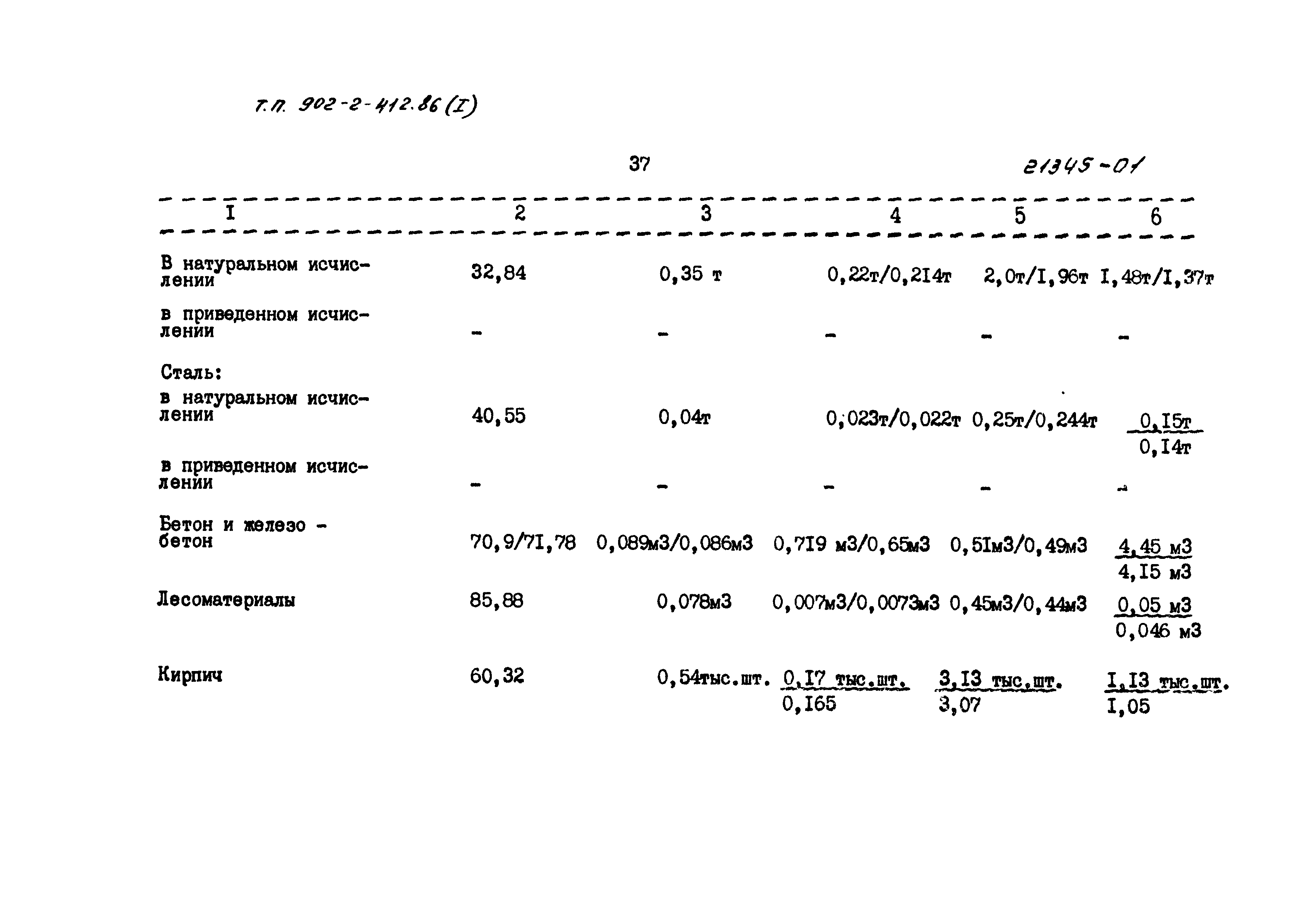
| Оглавление: | Общая часть Технологическая часть Архитектурно-строительные решения Санитарно-технические решения Электротехнические решения Мероприятия по технике безопасности Указания по привязке проектов Показатели изменения сметной стоимости строительно-монтажных работ, затрат труда и расхода основных строительных материалов |
| Разработан: | ЦНИИЭП |
| Утверждён: | 28.02.1986 Госгражданстрой (Gosgrazhdanstroy 68) |













































