Скачать Типовой проект 902-3-32.84 Альбом 2. Технологическая, строительная и электротехническая частиДата актуализации: 01.01.2021
|
| Обозначение: | Типовой проект 902-3-32.84 |
| Обозначение англ: | 902-3-32.84 |
| Статус: | не определен законодательством |
| Название рус.: | Альбом 2. Технологическая, строительная и электротехническая части |
| Дата добавления в базу: | 01.09.2013 |
| Дата актуализации: | 01.01.2021 |
| Дата введения: | 01.08.1984 |
| Дата окончания срока действия: | 30.06.2003 |
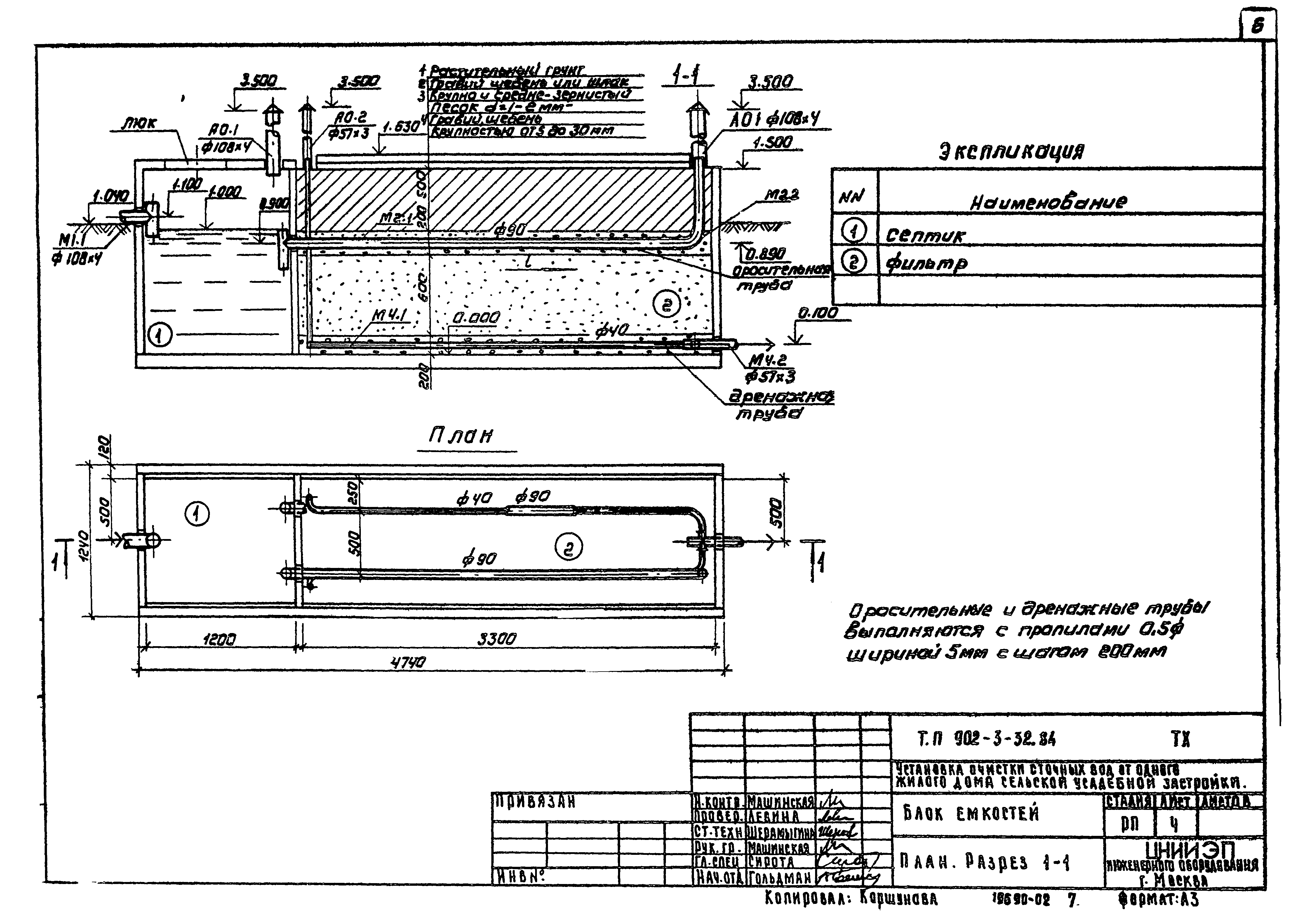
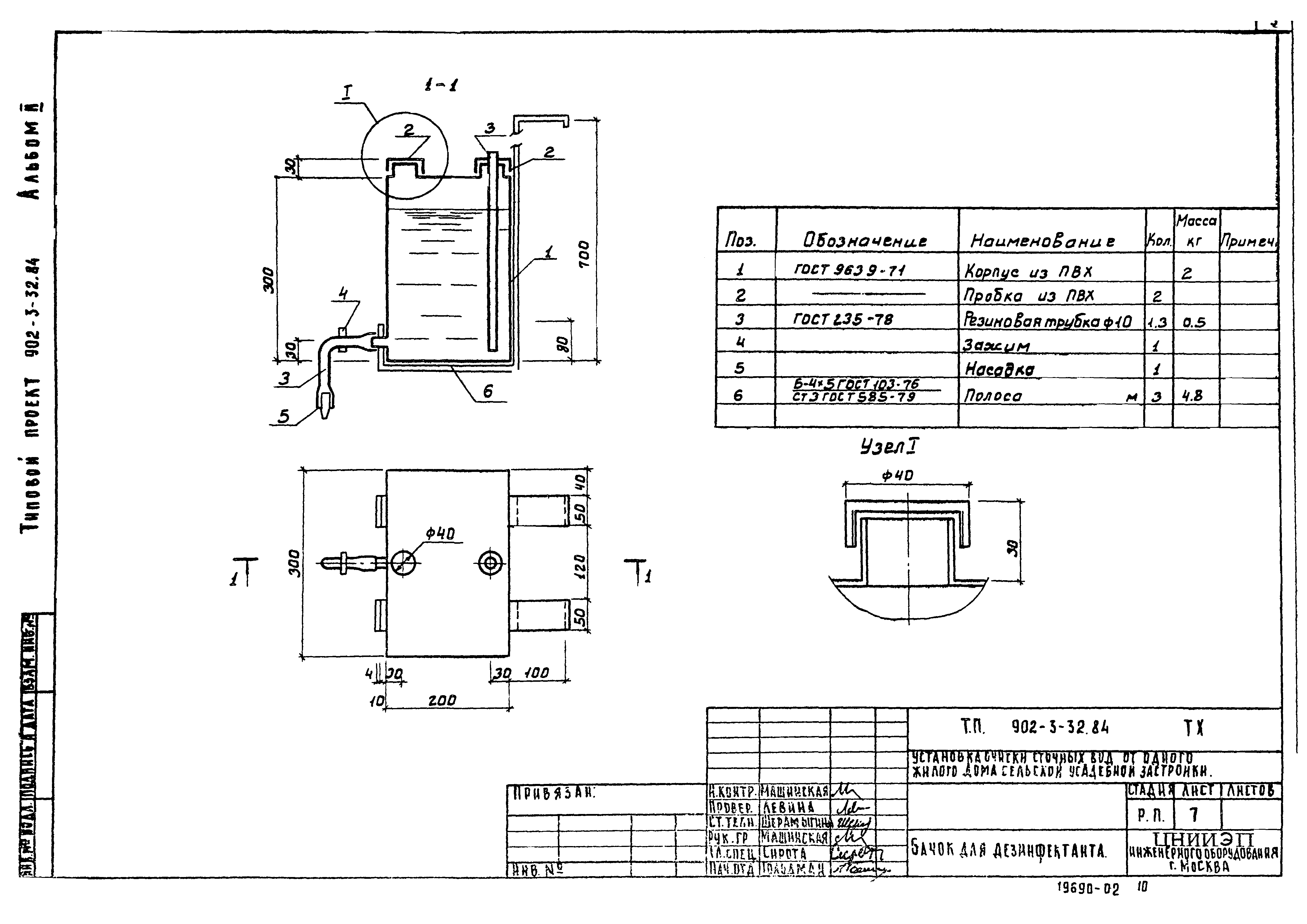
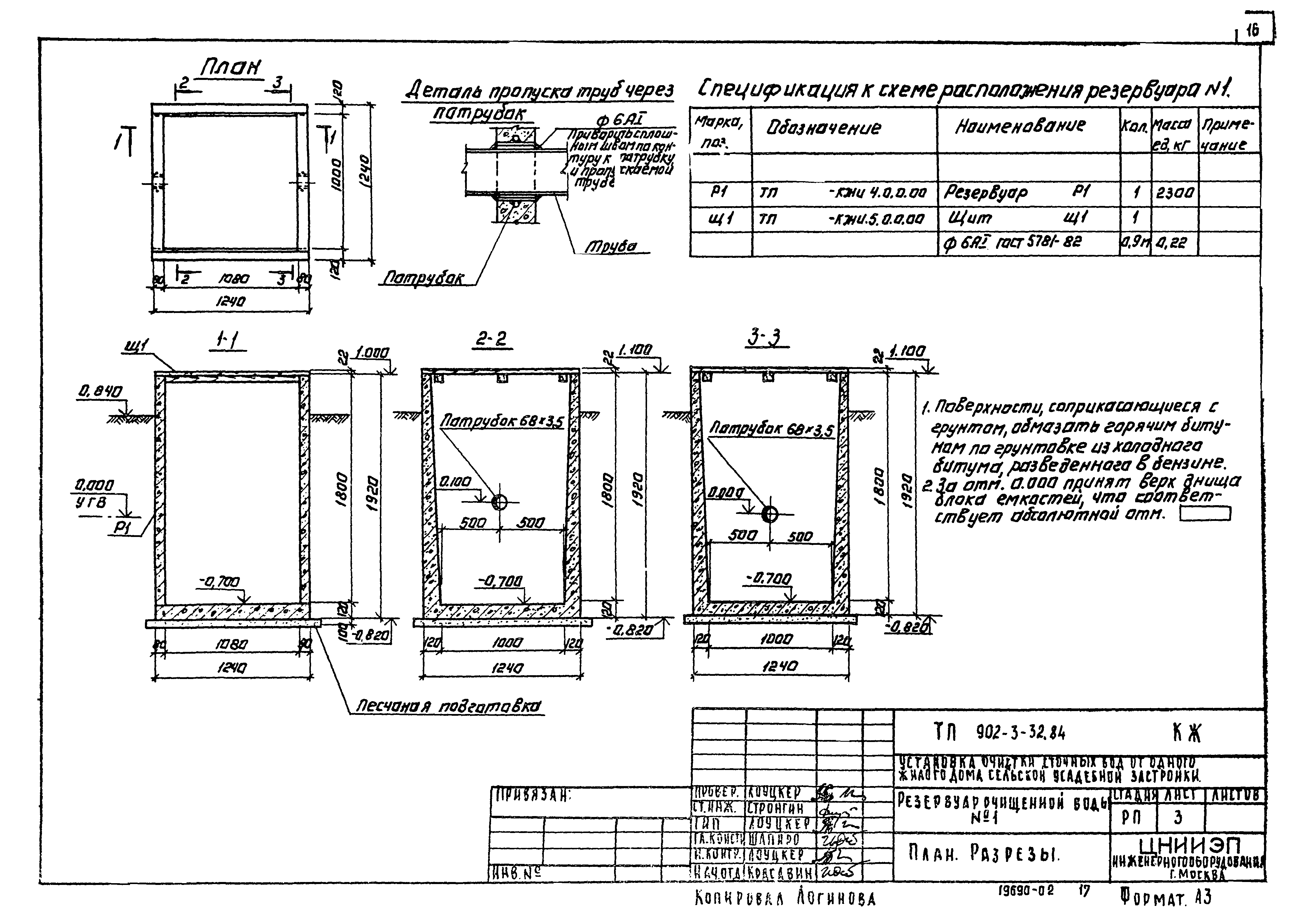
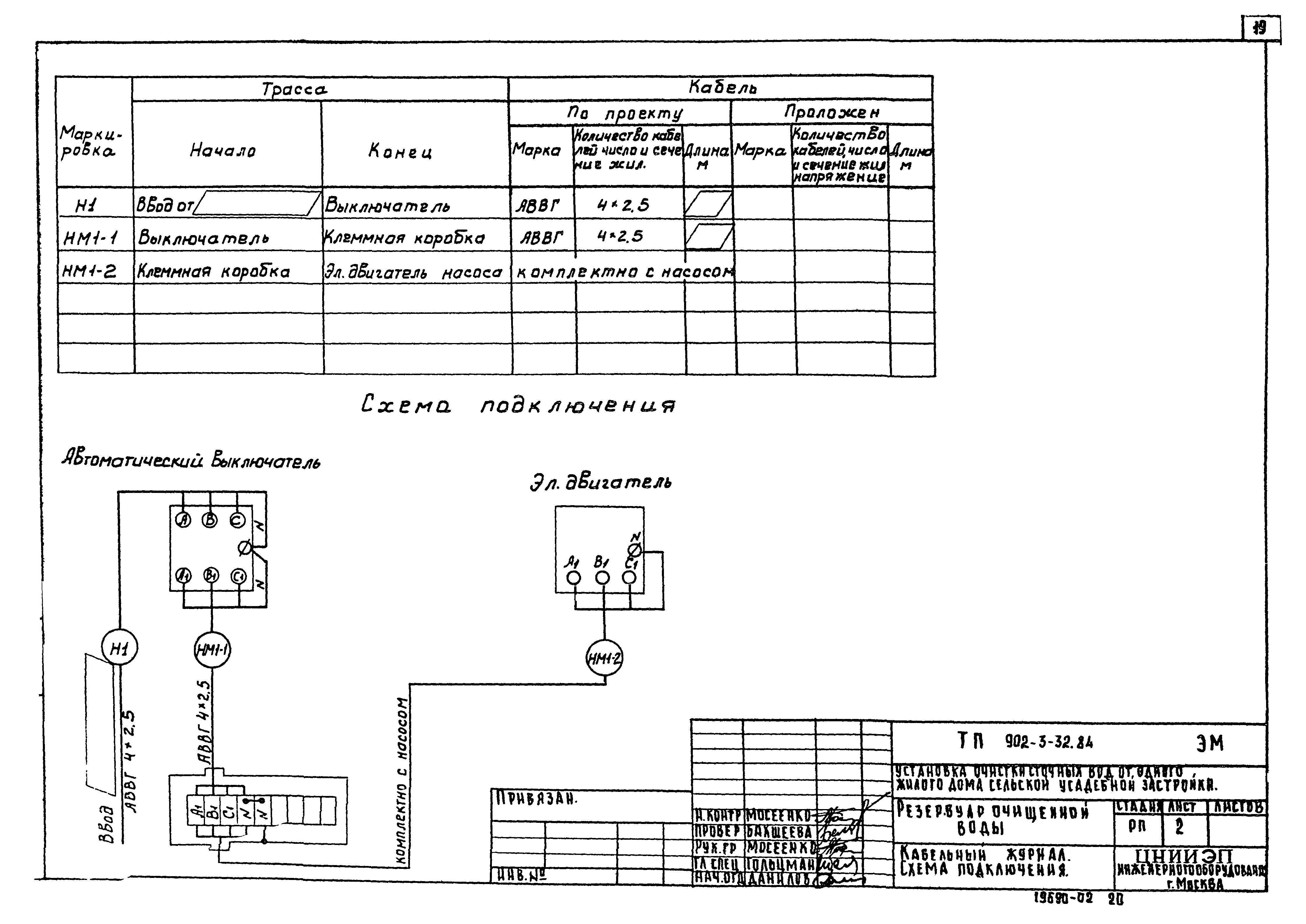
| Оглавление: | Содержание альбома Технологическая часть Общие данные Схемы генпланов Технологические схемы Блок емкостей. План. Разрез 1-1 Резервуар очищенной воды №1. Планы. Разрезы 1-1, 2-2 Резервуар очищенной воды №2. Планы. Разрезы 1-1, 2-2 Бачок для дезинфектанта Бачок для насоса Бак емкостей. Резервуары очищенной воды №1 и №2 Спецификация оборудования Строительная часть Общие данные Блок емкостей. План Резервуар очищенной воды №1. План. Разрезы Резервуар очищенной воды №2. План. Разрезы Электротехническая часть Общие данные Кабельный журнал. Схема подключения Спецификация оборудования |
| Разработан: | ЦНИИЭП |
| Утверждён: | 12.10.1983 Госгражданстрой (Gosgrazhdanstroy 305) |





















