Скачать Типовые проектные решения 902-3-074.87 Альбом 1. Фильтрующие колодцы и вспомогательные сооружения производительностью 0,45 - 0,75 куб. м/сутки из сборных железобетонных элементов, монолитного бетона и кирпича. Расчеты сметной стоимостиДата актуализации: 01.01.2021
|
| Обозначение: | Типовые проектные решения 902-3-074.87 |
| Обозначение англ: | 902-3-074.87 |
| Статус: | справочные материалы, мп, тпр |
| Название рус.: | Альбом 1. Фильтрующие колодцы и вспомогательные сооружения производительностью 0,45 - 0,75 куб. м/сутки из сборных железобетонных элементов, монолитного бетона и кирпича. Расчеты сметной стоимости |
| Дата добавления в базу: | 01.09.2013 |
| Дата актуализации: | 01.01.2021 |
| Дата введения: | 01.04.1988 |
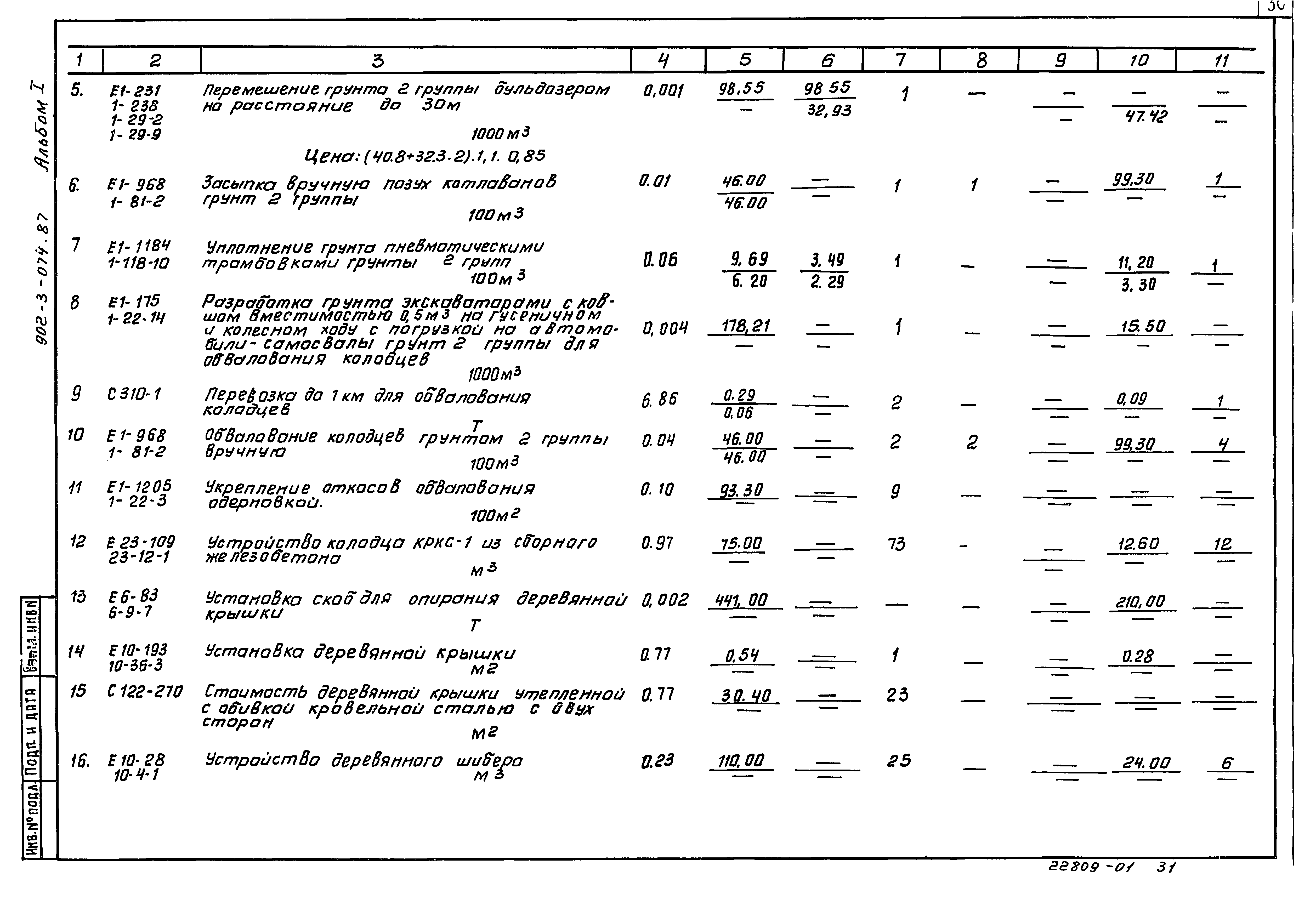
| Оглавление: | Содержание альбома Пояснительная записка Общие данные Колодцы фильтрующие КФКС-1, КФКС-2 круглые сборные Колодец фильтрующий КФПК-1 прямоугольный, кирпичный Колодец фильтрующий КФПК-2 прямоугольный, кирпичный Колодец фильтрующий КФПБ-1 прямоугольный, бетонный Колодец фильтрующий КФПБ-2 прямоугольный, бетонный Колодец распределительный КРКС-1 круглый, сборный Колодец распределительный КРКК-1 круглый, кирпичный Колодец распределительный КРКБ-1 круглый, бетонный Горловина из кирпича и бетона. Крышка деревянная Горловина из сборного железобетона. Детали заделки труб 1-4 Схема расположения отверстий для фильтрации в кольце КЦ-15-9А Схема расположения отверстий для фильтрации в кольце КЦ-20-9А Компоновочные схемы Расчеты сметной стоимости |
| Разработан: | ЦНИИЭП |
| Утверждён: | 30.10.1987 Госгражданстрой (Gosgrazhdanstroy 333) |
| Заменяет собой: |
































