Скачать Типовой проект 902-3-14 Альбом 3. Строительная часть. Конструкции железобетонныеДата актуализации: 01.01.2021
|
| Обозначение: | Типовой проект 902-3-14 |
| Обозначение англ: | 902-3-14 |
| Статус: | не определен законодательством |
| Название рус.: | Альбом 3. Строительная часть. Конструкции железобетонные |
| Дата добавления в базу: | 01.09.2013 |
| Дата актуализации: | 01.01.2021 |
| Дата введения: | 01.03.1982 |
| Дата окончания срока действия: | 30.06.2003 |
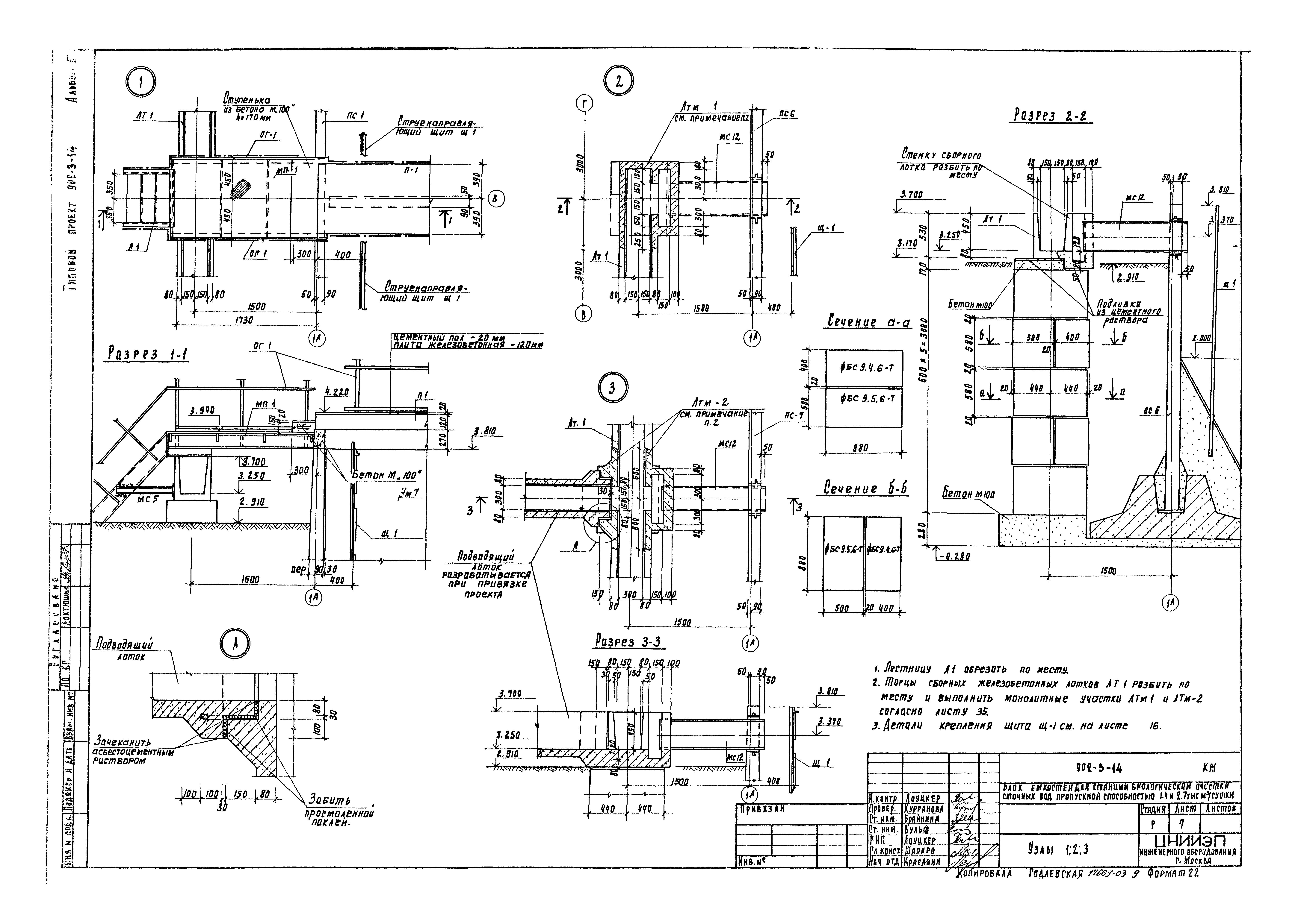
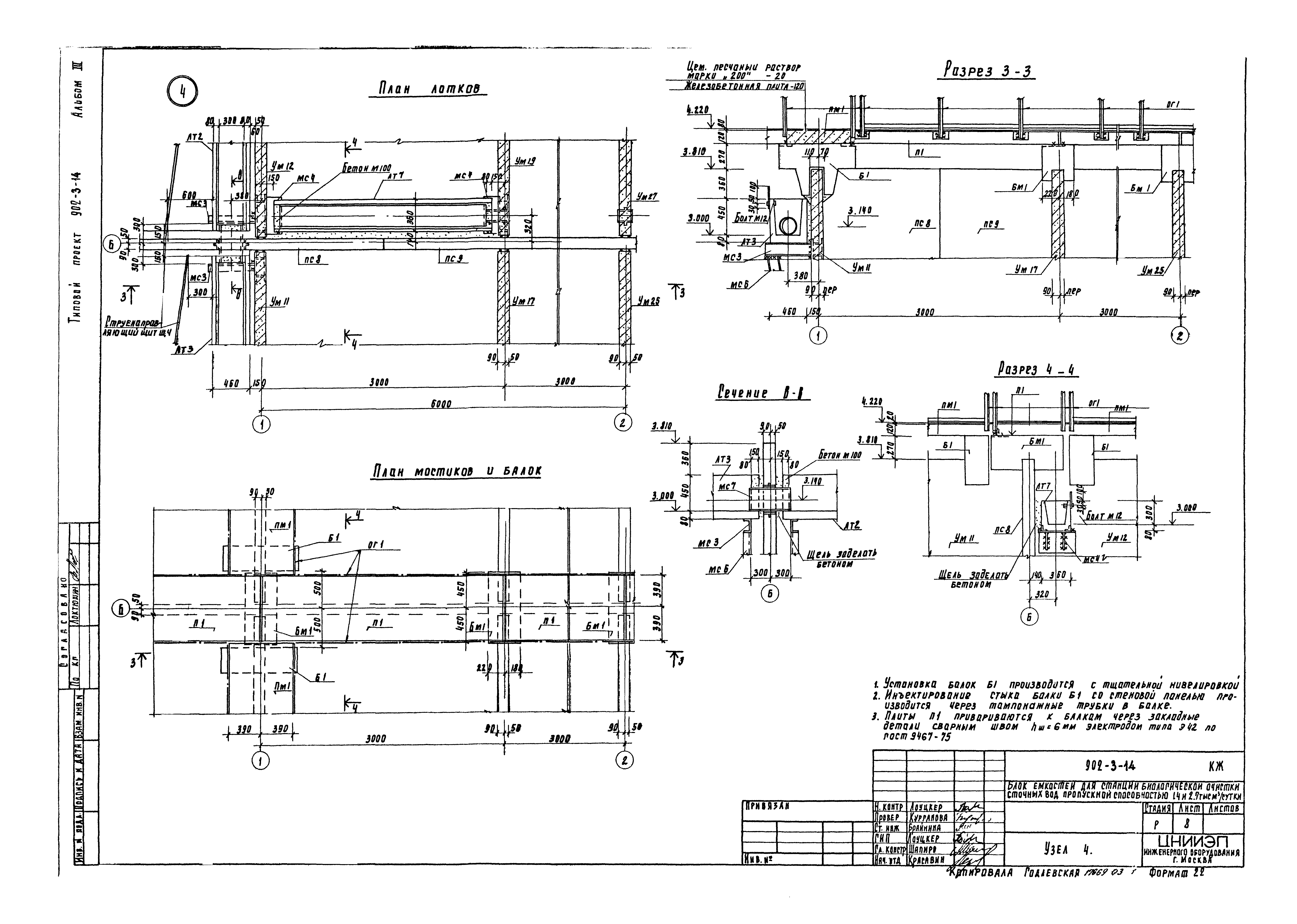
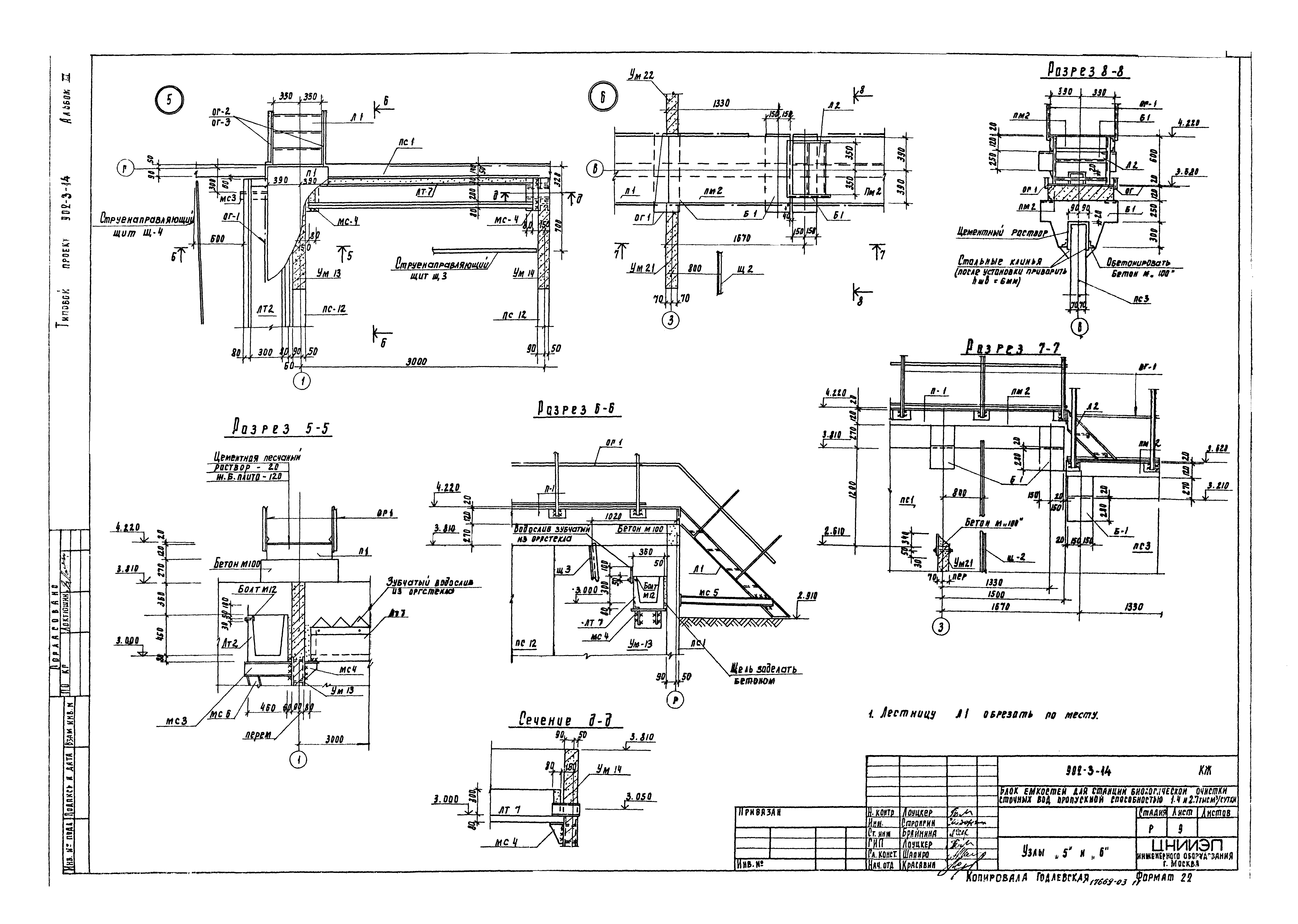
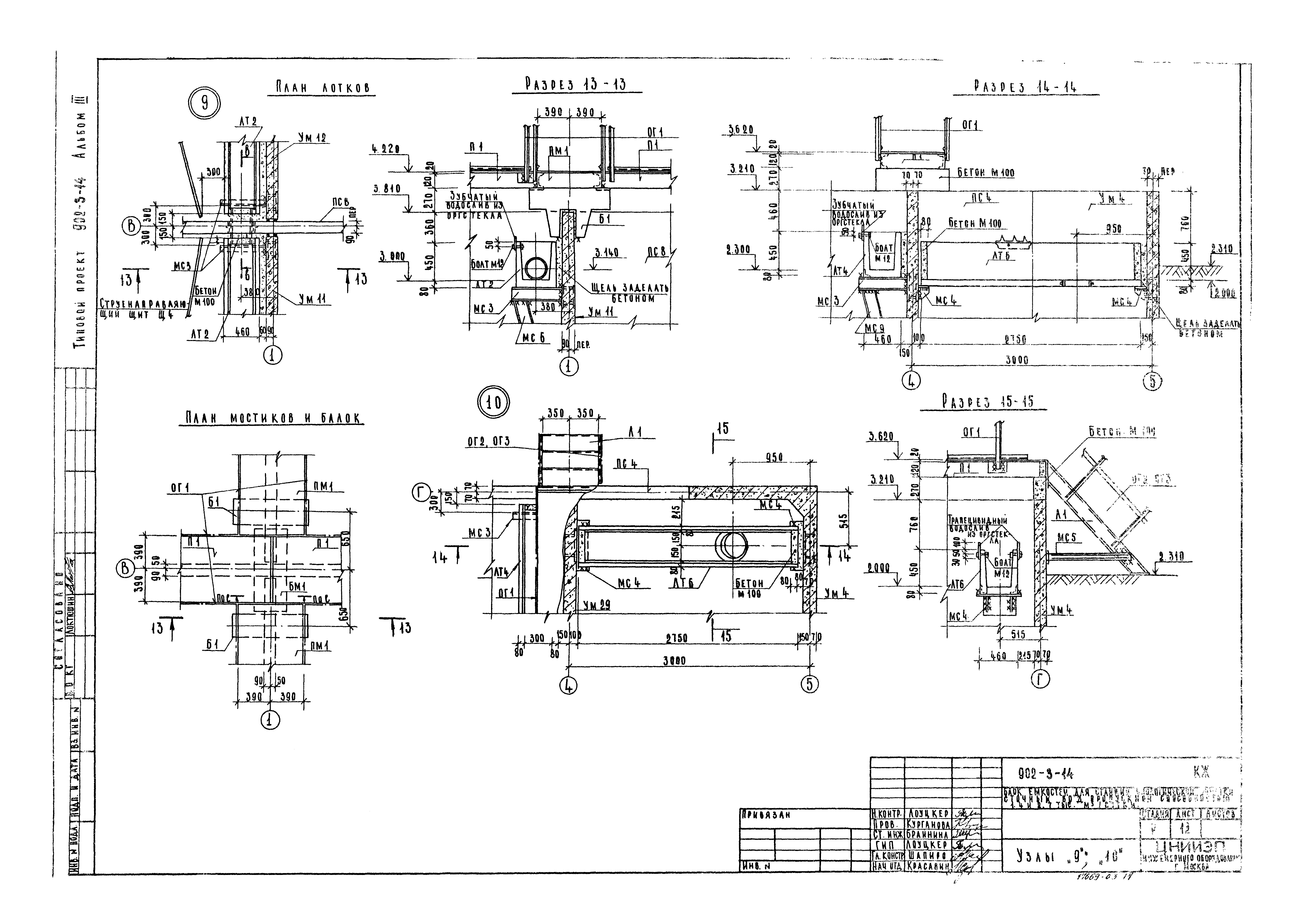
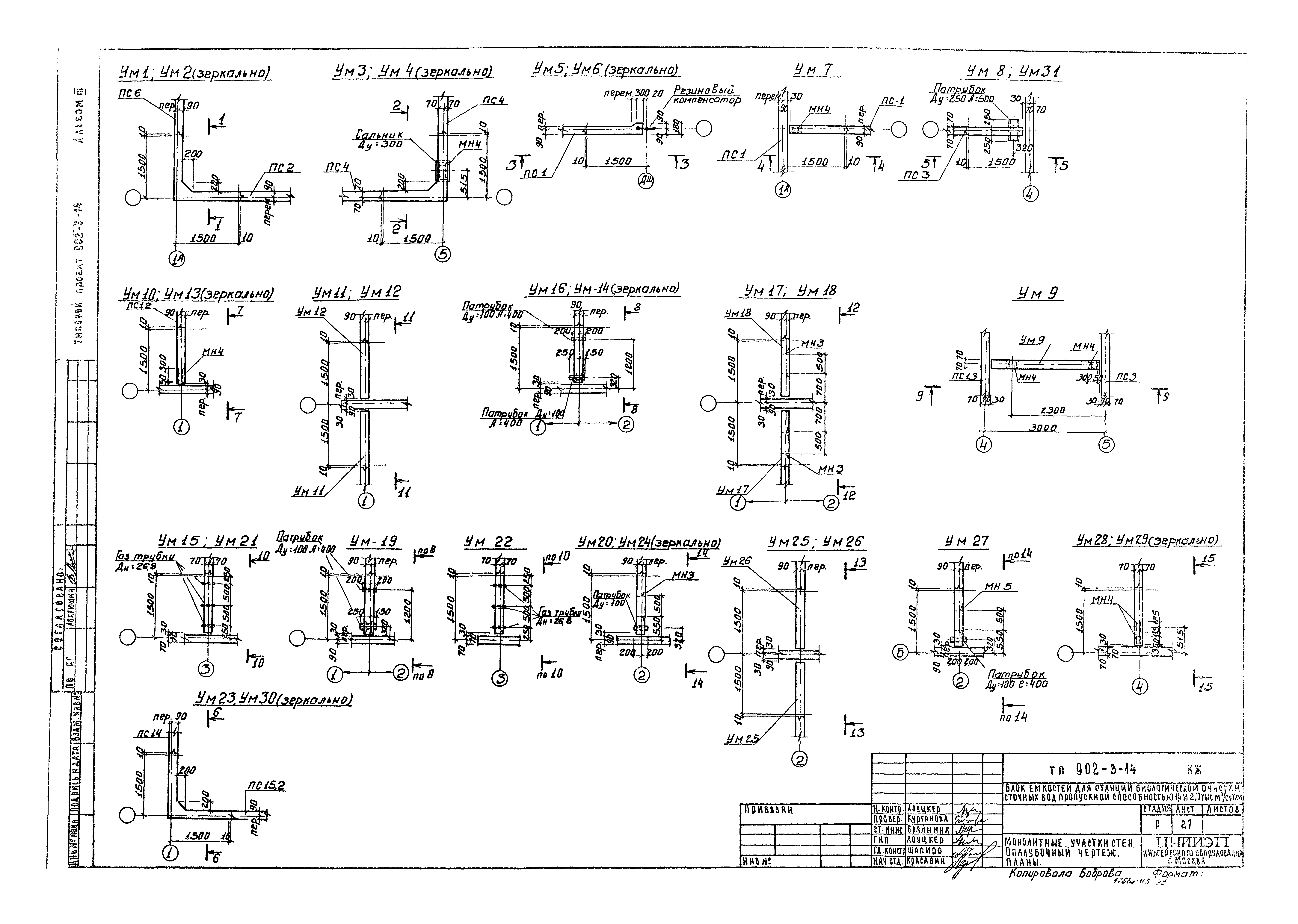
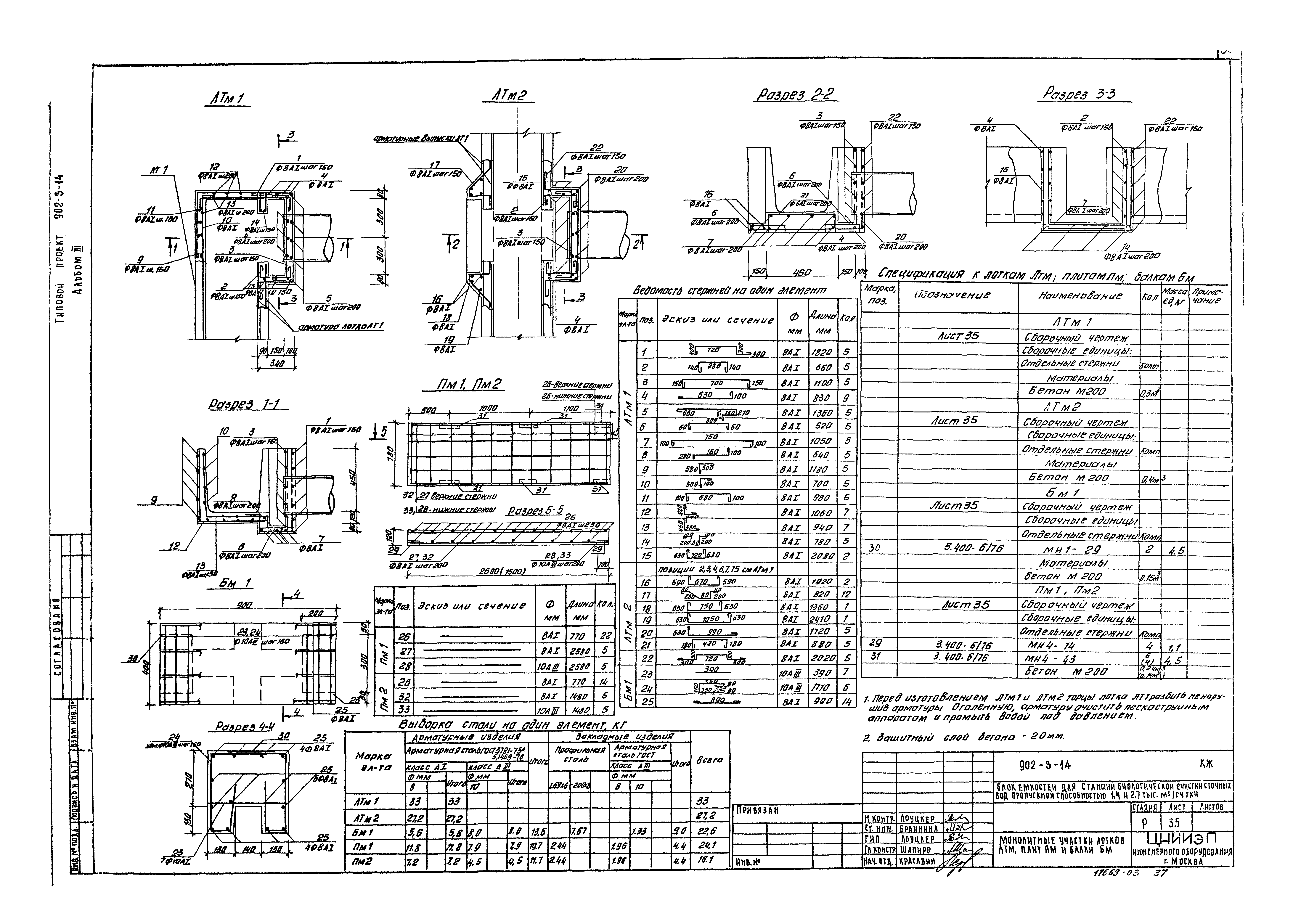
| Оглавление: | Общие данные Вариант с первичным отстаиванием. Схемы расположения стеновых панелей, лотков, балок, переходных мостиков Вариант без первичного отстаивания. Схемы расположения стеновых панелей, лотков, балок, переходных мостиков Разрезы. Детали Спецификация к схемам расположения стеновых панелей, лотков, балок и переходных мостиков (начало) Спецификация к схемам расположения стеновых панелей, лотков, балок и переходных мостиков (окончание) Узлы "1", "2", "3" Узел "4" Узлы "5", "6" Узел "7" Узел "8" Узлы "9", "10" Узел "11" Узлы "12", "13" Деталь деформационного шва в стенах, в днище, резинового компенсатора, установки труб опорожнения. Узлы "14"…"17", "А" Детали крепления струенаправляющих щитов Щ1 - Щ4 Детали установки и фильтроносных лотков Днище. Опалубочный чертеж. Планы. Разрезы Днище. Опалубочный чертеж. Узлы Днище. Армирование. Вариант с первичным отстаиванием. Схемы расположения нижних и верхних сеток. Спецификация Днище. Армирование. Вариант с первичным отстаиванием. Схемы расположения каркасов. Разрезы Днище. Армирование. Вариант без первичного отстаивания. Схемы расположения нижних и верхних сеток. Спецификация Днище. Армирование. Вариант без первичного отстаивания. Схемы расположения каркасов. Разрезы Днище. Армирование. Узлы 1…12 Днище. Армирование. Узлы 13…22. Детали Армирование бункерной части для первичных и вторичных отстойников Монолитные участки стен. Опалубочный чертеж. Планы Монолитные участки стен. Опалубочный чертеж. Разрезы Монолитные участки стен. Спецификация к монолитным участкам стен. Начало Монолитные участки стен. Спецификация к монолитным участкам стен. Окончание Монолитные участки стен Ум1…4, 23, 30. Армирование Монолитные участки стен Ум5…7, 10…14, 16…20, 24…26, 27. Армирование Монолитные участки стен Ум8, 9, 15, 21, 22, 28, 29. Армирование Монолитные участки стен. Армирование. Спецификация Монолитные участки лотков ЛТМ, плит ПМ и балки БМ 3-х метровая вставка аэротенков 3-х метровая вставка вторичных отстойников 3-х метровая вставка аэротенков с деформационным швом 3-х метровая вставка стабилизатора |
| Разработан: | ЦНИИЭП |
| Утверждён: | 20.02.1981 Госгражданстрой (Gosgrazhdanstroy 59) |









































