Скачать Типовой проект 904-1-71.86 Альбом 11. Сметы на технологические решения для 3 компрессоровДата актуализации: 01.01.2021
|
| Обозначение: | Типовой проект 904-1-71.86 |
| Обозначение англ: | 904-1-71.86 |
| Статус: | не определен законодательством |
| Название рус.: | Альбом 11. Сметы на технологические решения для 3 компрессоров |
| Дата добавления в базу: | 01.09.2013 |
| Дата актуализации: | 01.01.2021 |
| Дата введения: | 14.11.1986 |
| Дата окончания срока действия: | 30.06.2003 |
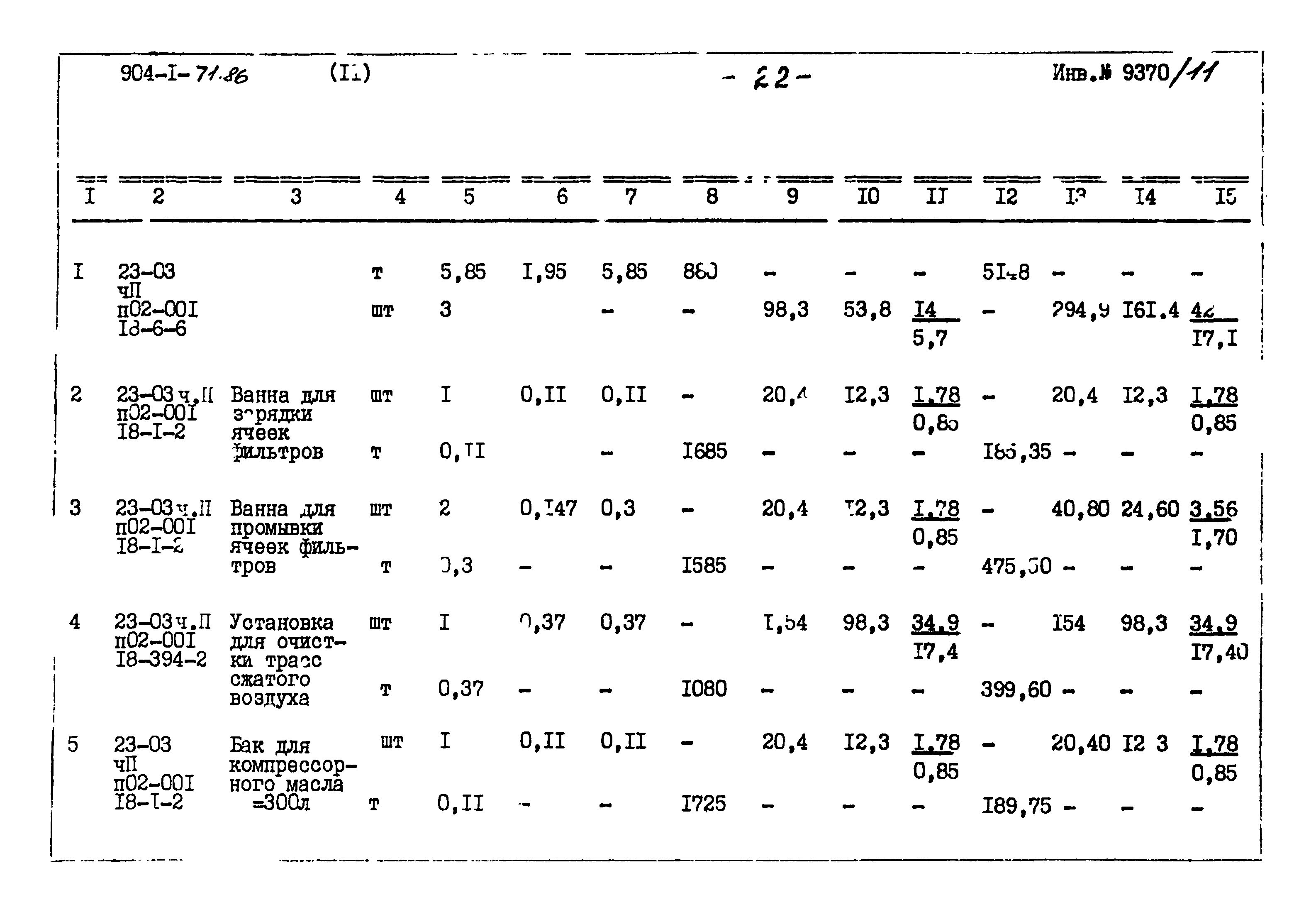
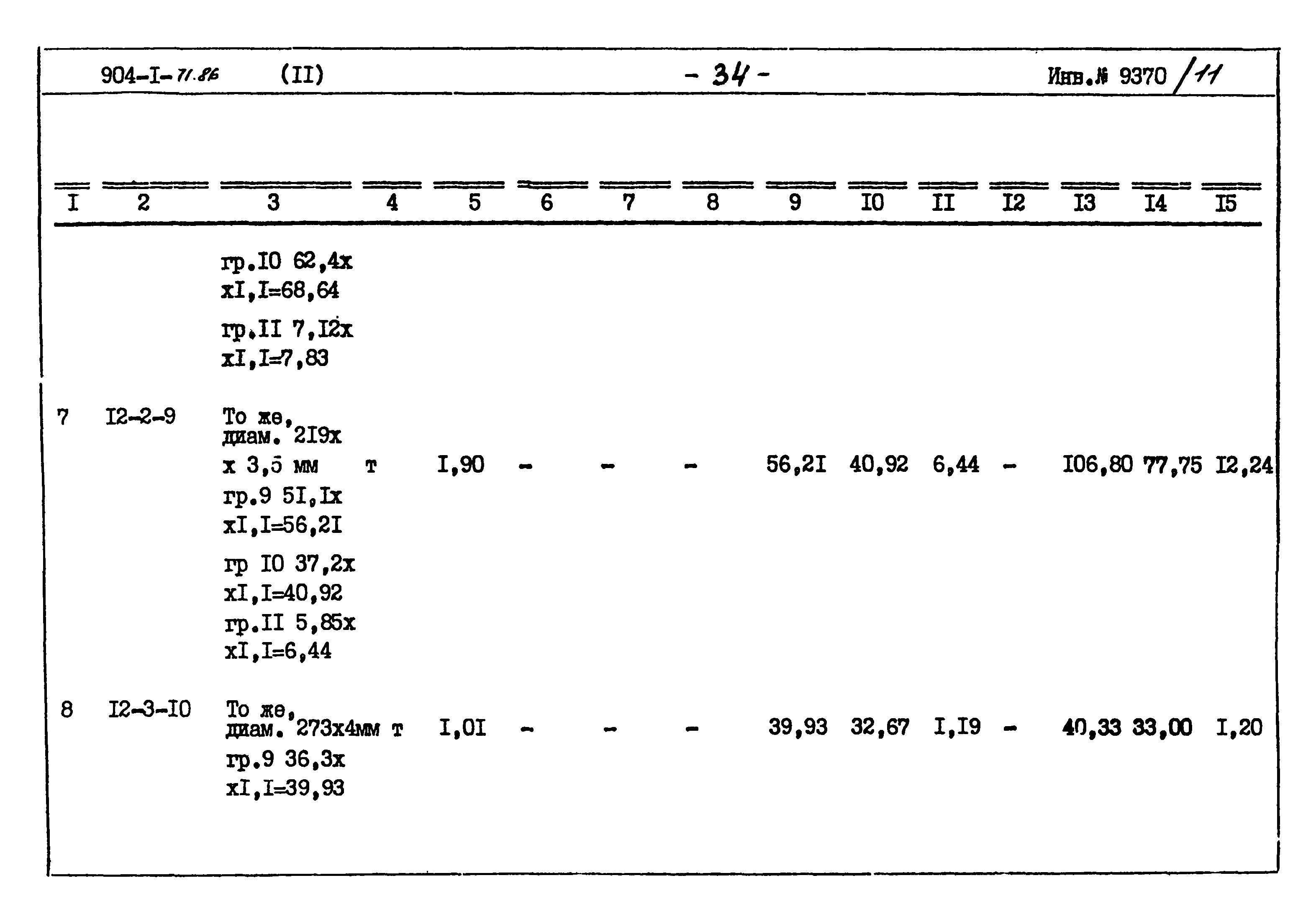
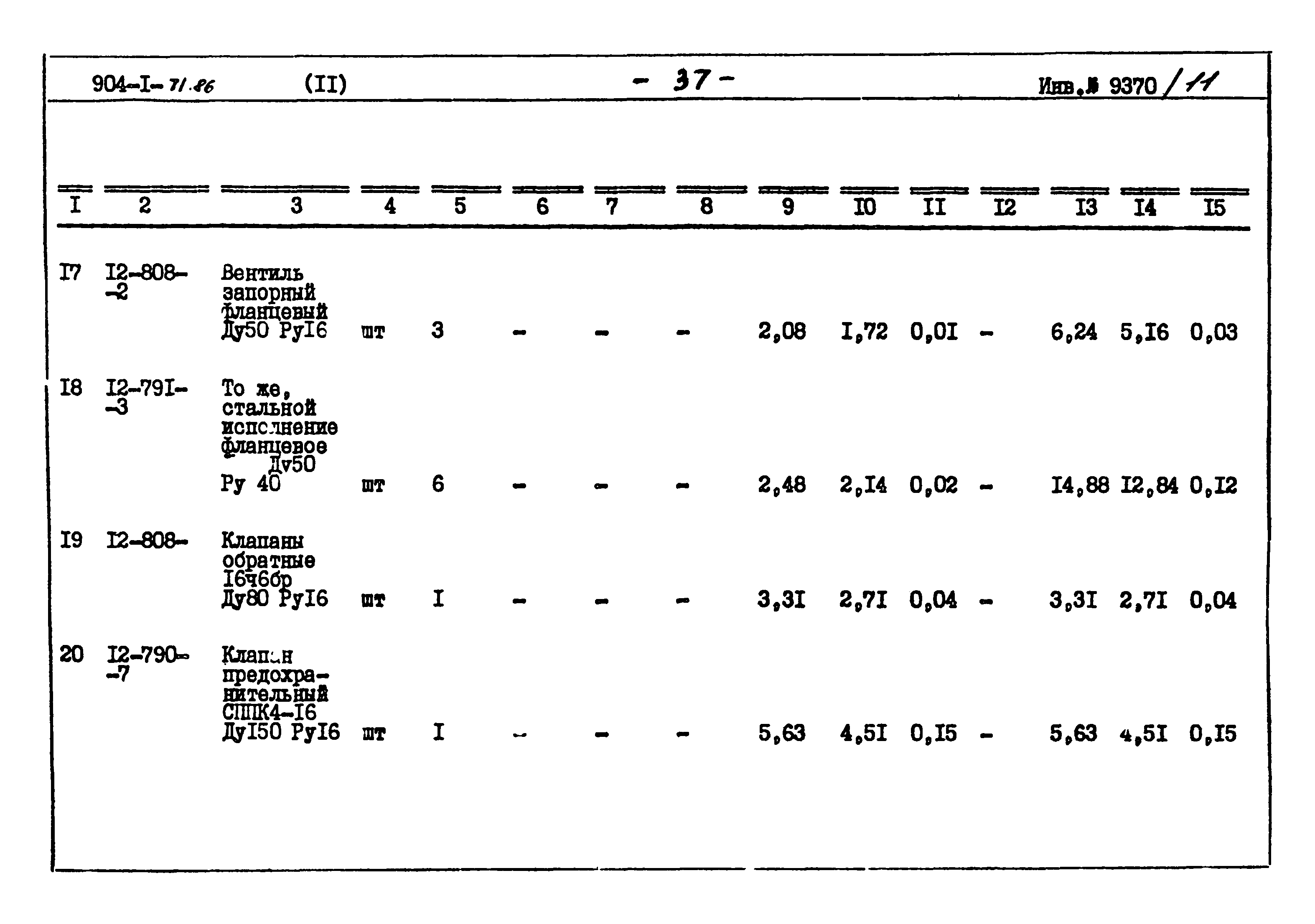
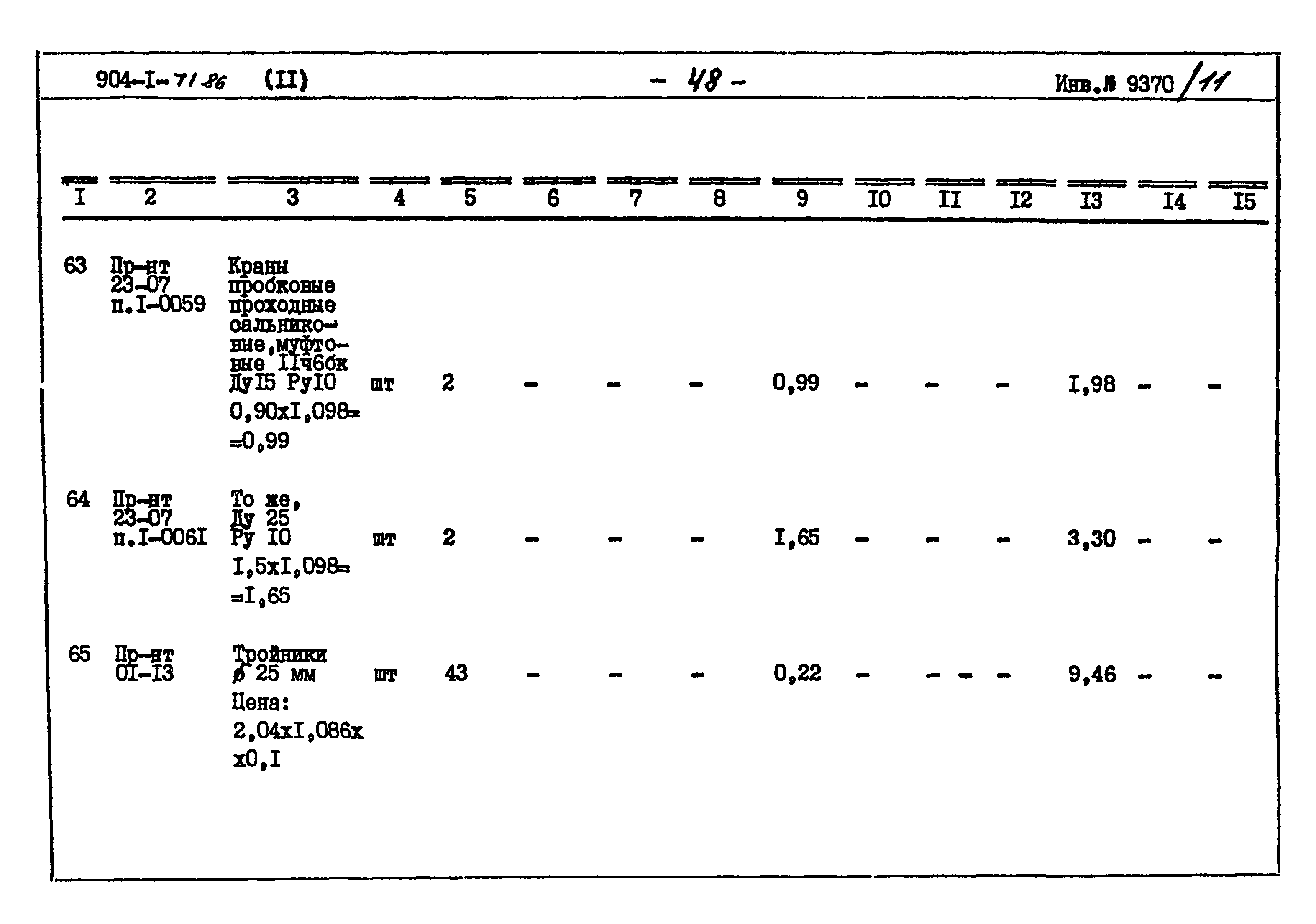
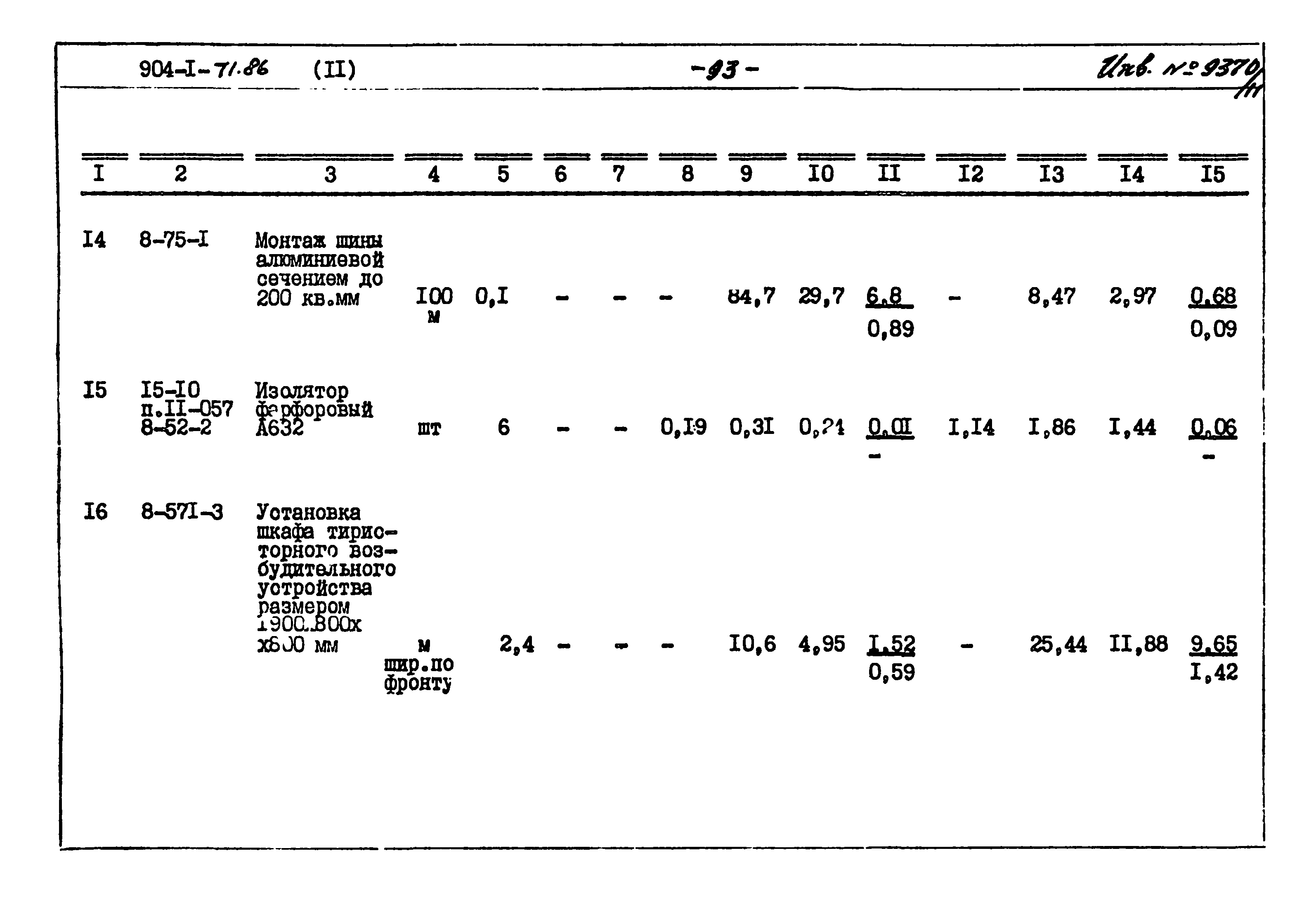
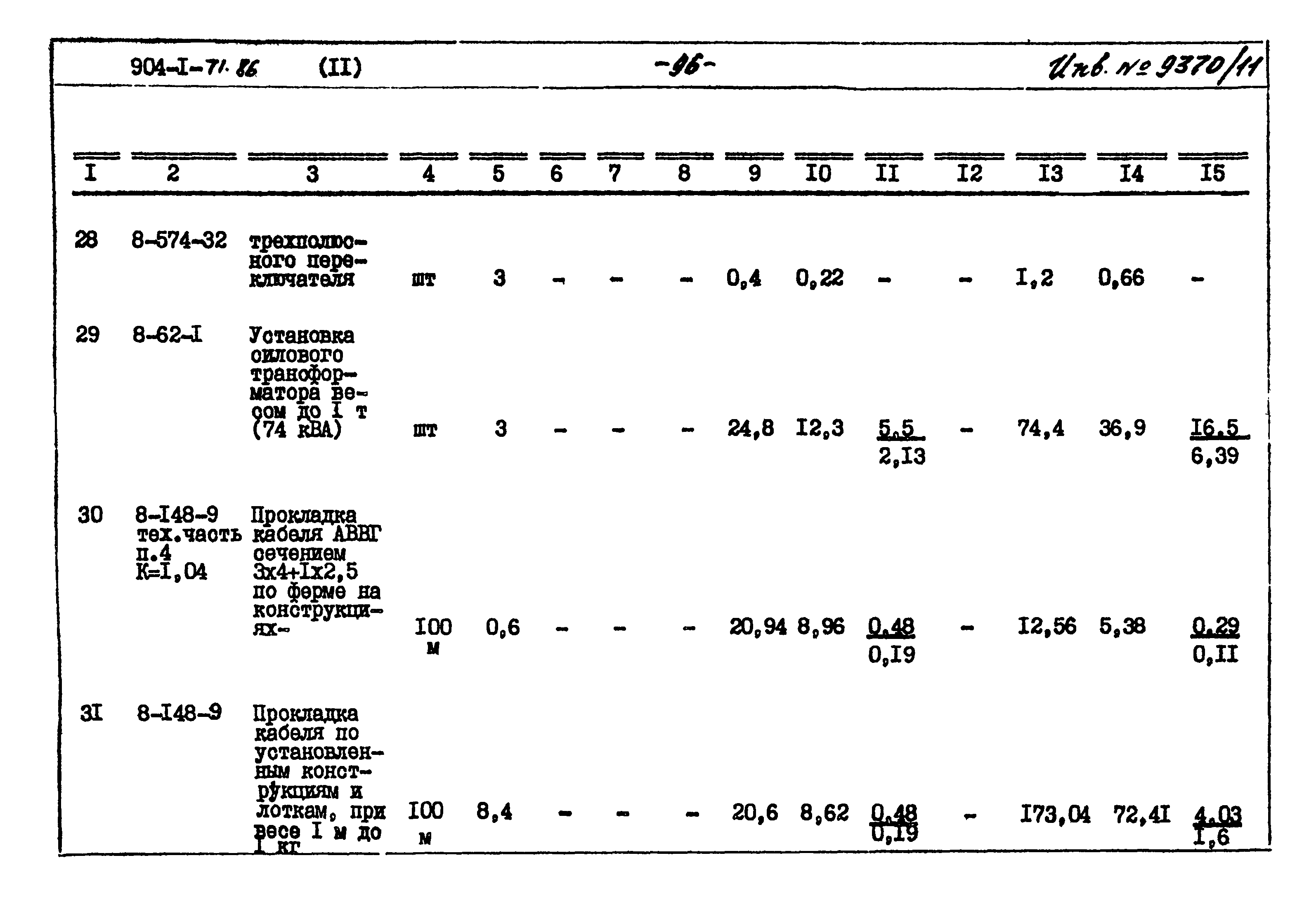
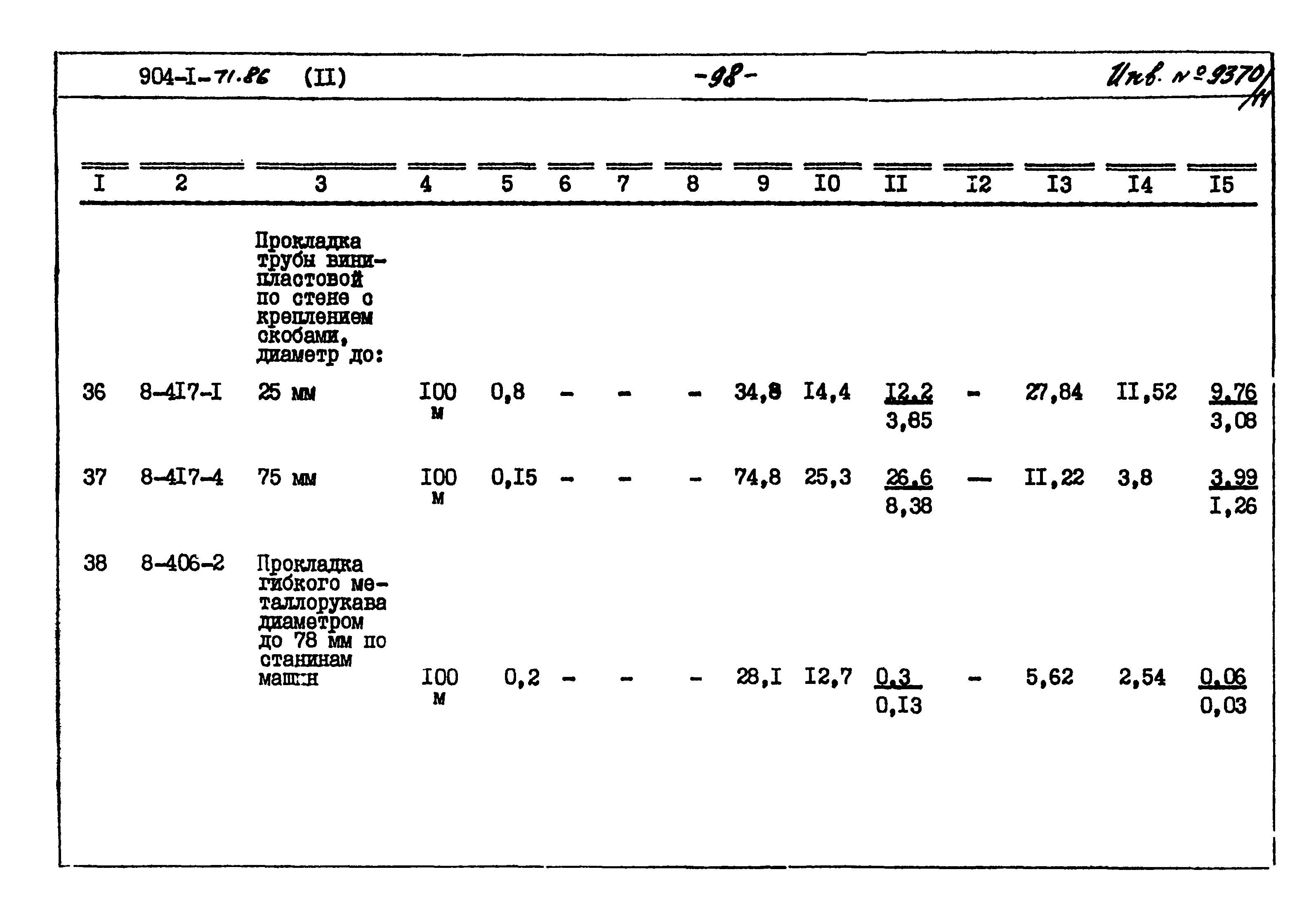
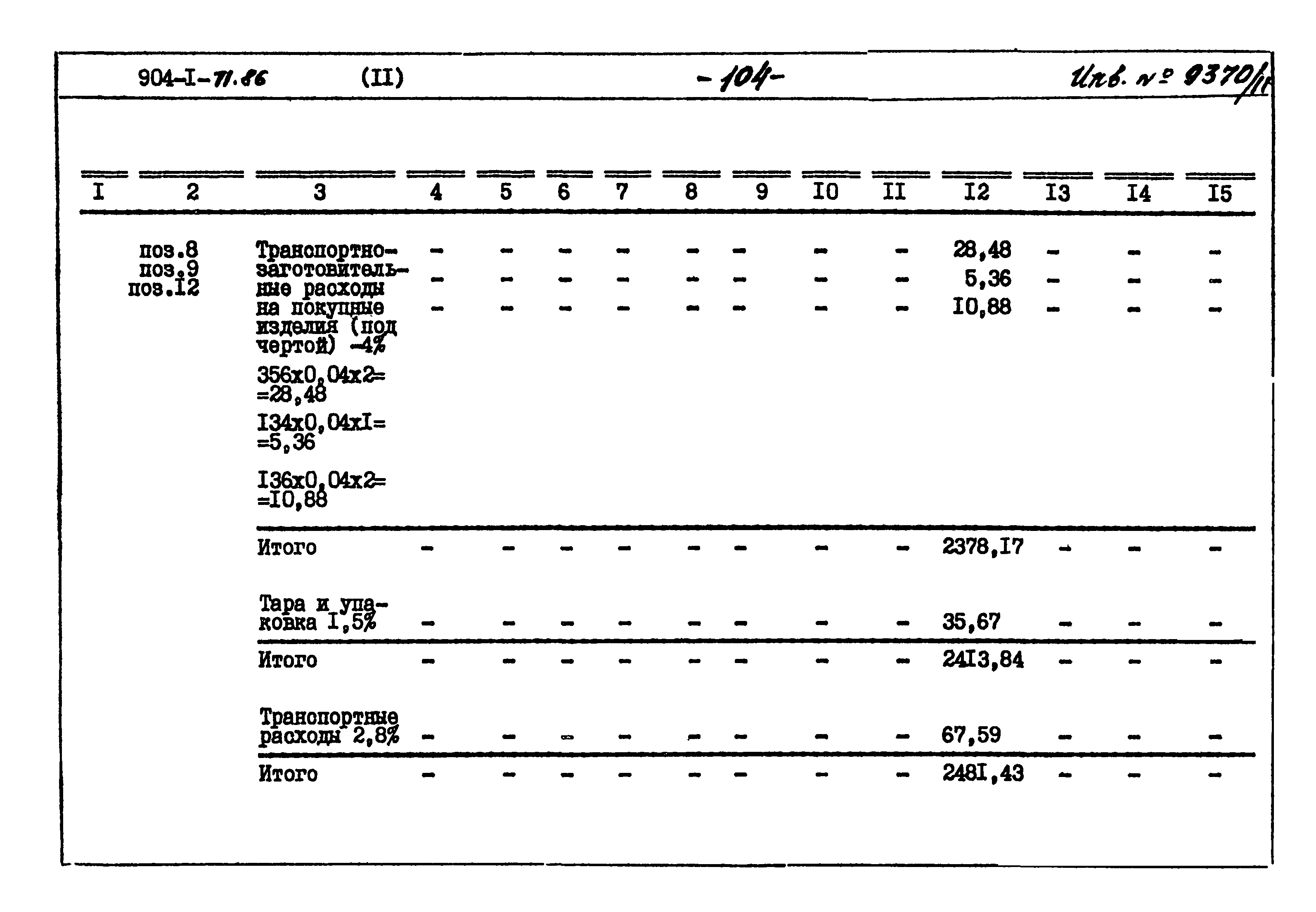
| Оглавление: | Пояснительная записка Объектная смета Смета №1-ТХ Приобретение и монтаж технологического оборудования Смета №2-ТХ Изготовление и монтаж нестандартизированного оборудования Смета №3-ТХ Приобретение и монтаж технологических трубопроводов Смета №4-ТХ Теплоизоляционные работы и антикоррозийное покрытие Сметный расчет №5-ТХ Приобретение приспособлений и производственного инвентаря Смета №1-ЭС Электрооборудование и монтаж распредустройства Смета №1-ЭМ Приобретение и монтаж силового электроосвещения Смета №1-ЭО Монтаж электроосвещения Смета №1-СС Монтаж связи и сигнализации Смета №1-А Приобретение и монтаж средств автоматизации установок Ведомость потребности в производственных ресурсах |
| Разработан: | Гипростройдормаш |
| Утверждён: | 14.11.1986 Минстройдормаш (Minstroydormash 640) |

















































































































































































































