Скачать Серия 1.431-13 Выпуск 2. Стальные изделия. Рабочие чертежи

Дата актуализации: 01.01.2021

Серия 1.431-13

Выпуск 2. Стальные изделия. Рабочие чертежи

Обозначение: Серия 1.431-13
Обозначение англ: Series 1.431-13
Статус:не действует
Название рус.:Выпуск 2. Стальные изделия. Рабочие чертежи
Дата добавления в базу:01.09.2013
Дата актуализации:01.01.2021
Дата введения:01.01.1977
Дата окончания срока действия:01.05.1999
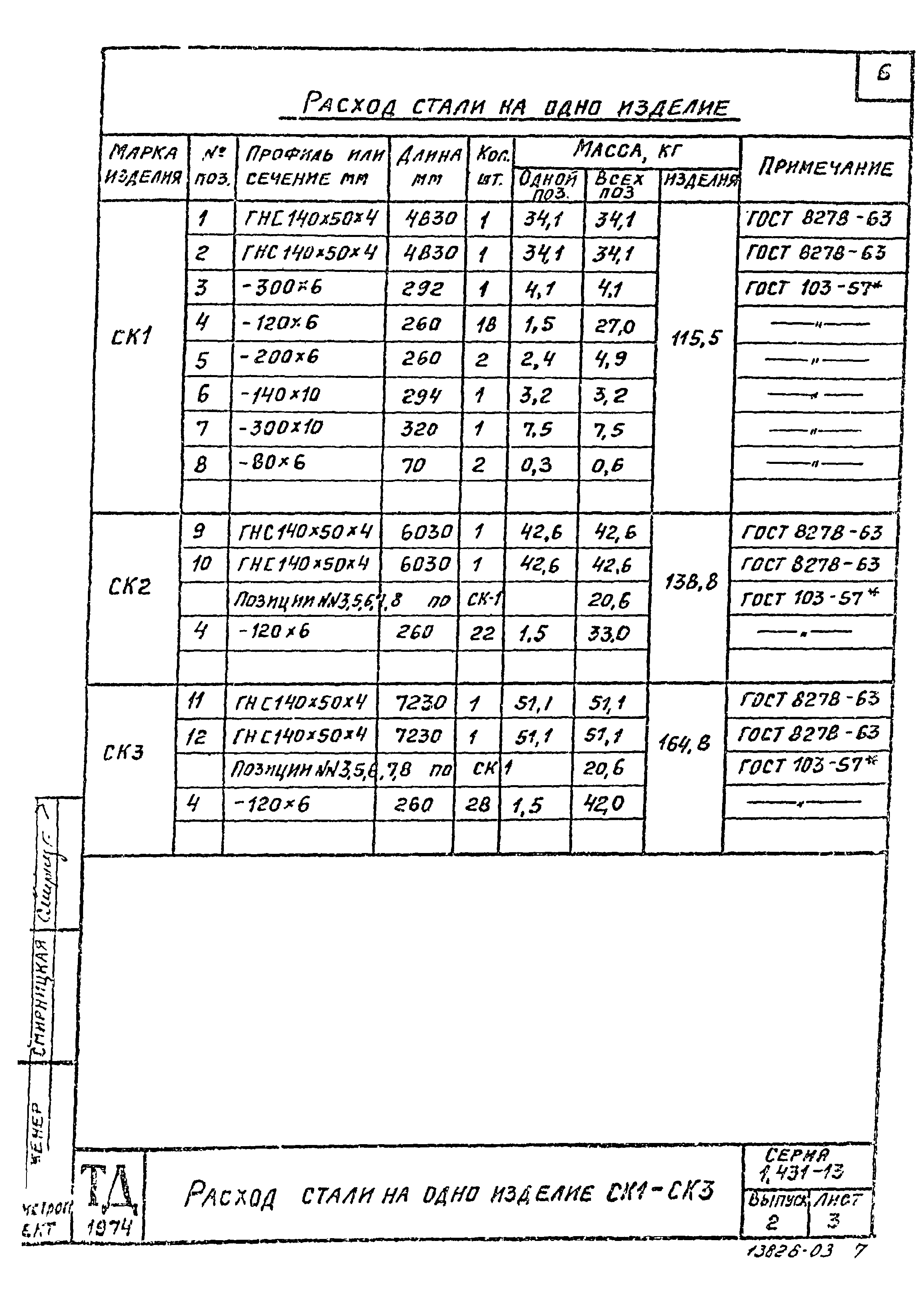
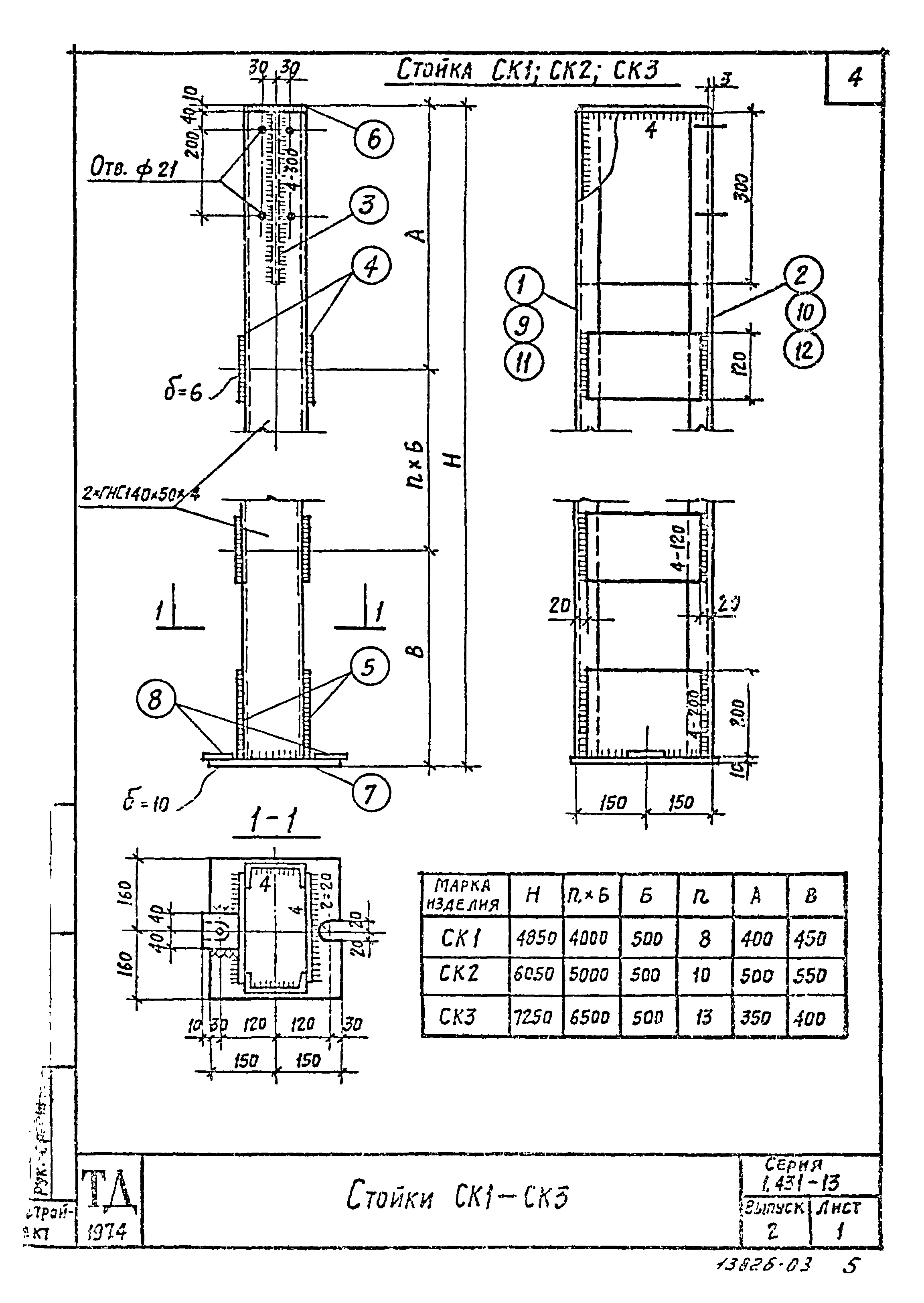
Область применения:Данный выпуск содержит рабочие чертежи стальных изделий перегородок из профильного стекла для производственных зданий промышленных и сельскохозяйственных предприятий
Разработан: ГипроНИсельхоз (Институт Гипронисельхоз )
ГПИ Промстройпроект
Утверждён:19.08.1976 Госстрой СССР (Государственный комитет Совета Министров СССР по делам строительства) (USSR Gosstroy 135)
Нормативные ссылки:
Серия 1.431-13Серия 1.431-13Серия 1.431-13Серия 1.431-13Серия 1.431-13Серия 1.431-13Серия 1.431-13Серия 1.431-13Серия 1.431-13Серия 1.431-13Серия 1.431-13Серия 1.431-13Серия 1.431-13Серия 1.431-13Серия 1.431-13Серия 1.431-13Серия 1.431-13Серия 1.431-13Серия 1.431-13Серия 1.431-13