Скачать Серия 3.015-5/86 Выпуск 1. Материалы для проектированияДата актуализации: 01.01.2021
|
| Обозначение: | Серия 3.015-5/86 |
| Обозначение англ: | Series 3.015-5/86 |
| Статус: | заменен |
| Название рус.: | Выпуск 1. Материалы для проектирования |
| Дата добавления в базу: | 01.09.2013 |
| Дата актуализации: | 01.01.2021 |
| Дата введения: | 01.05.1987 |
| Дата окончания срока действия: | 01.05.1999 |
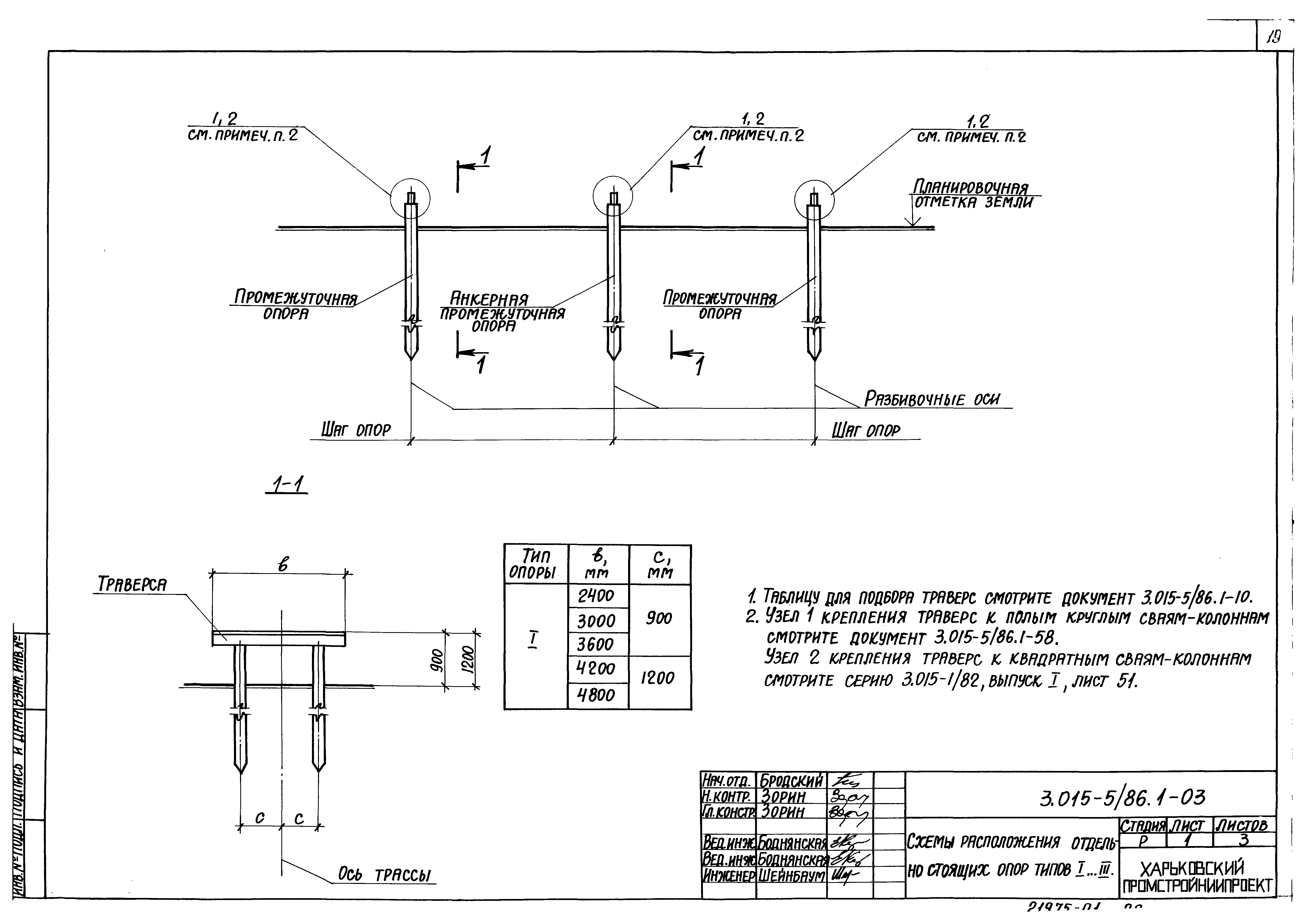
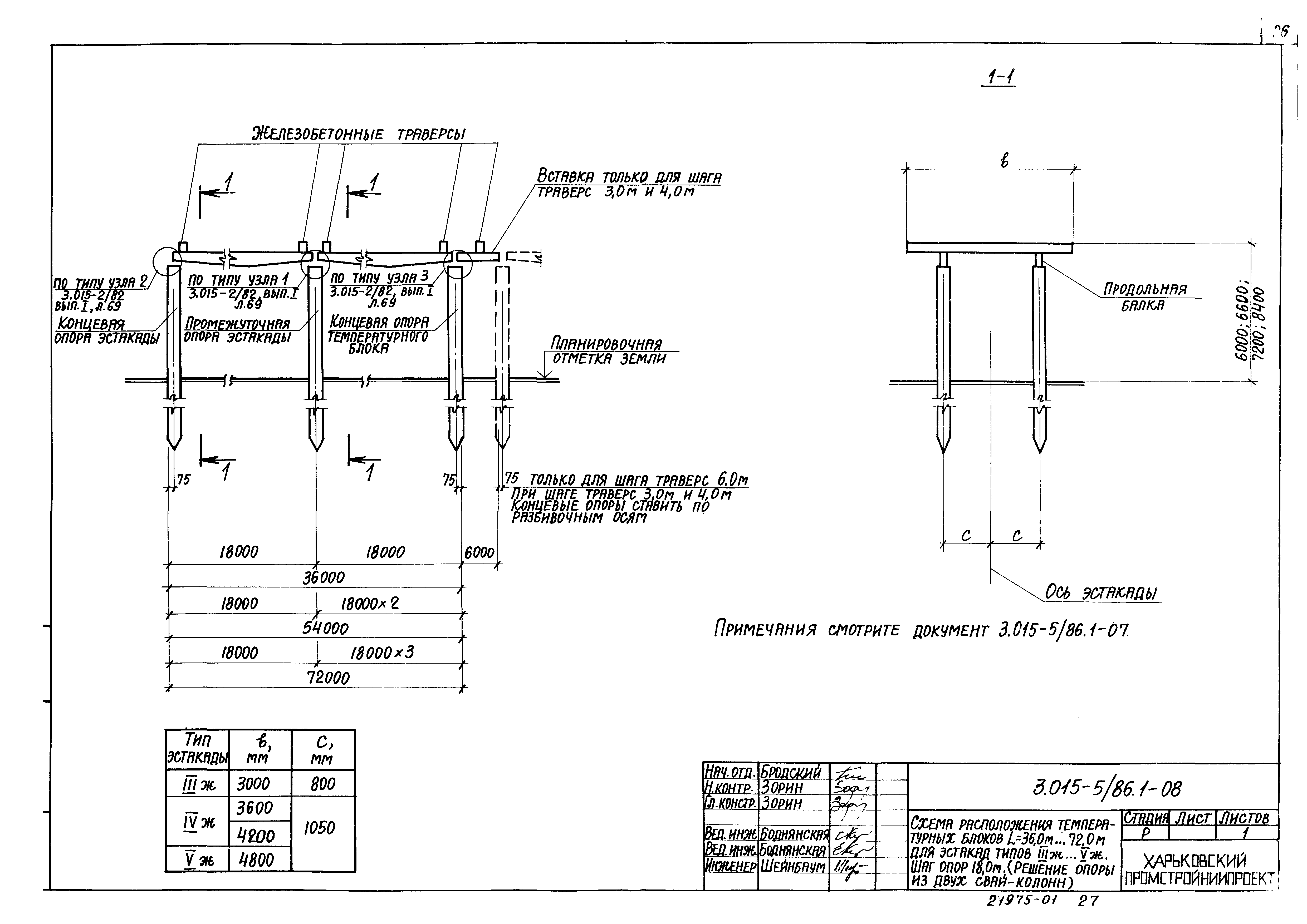
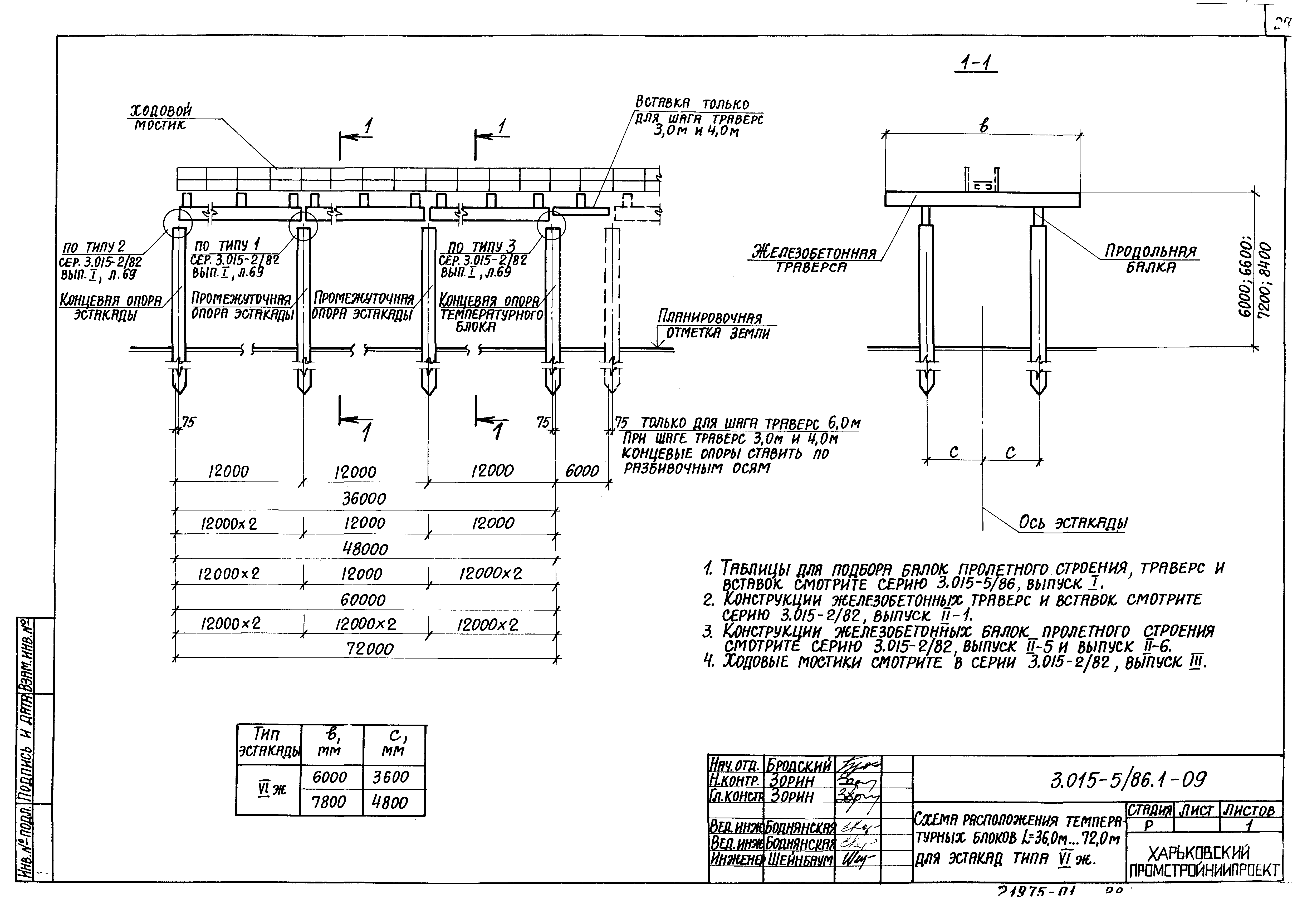
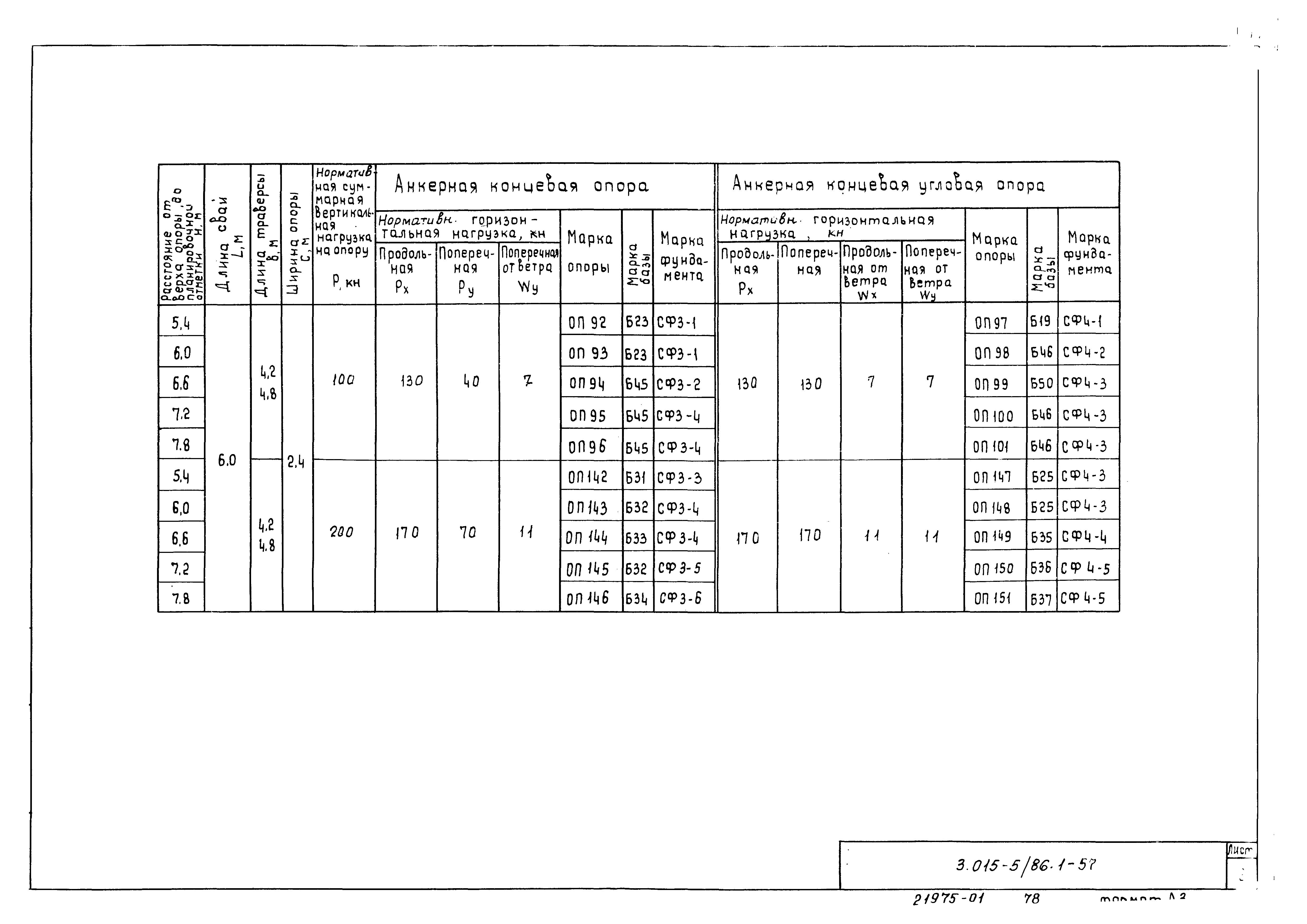
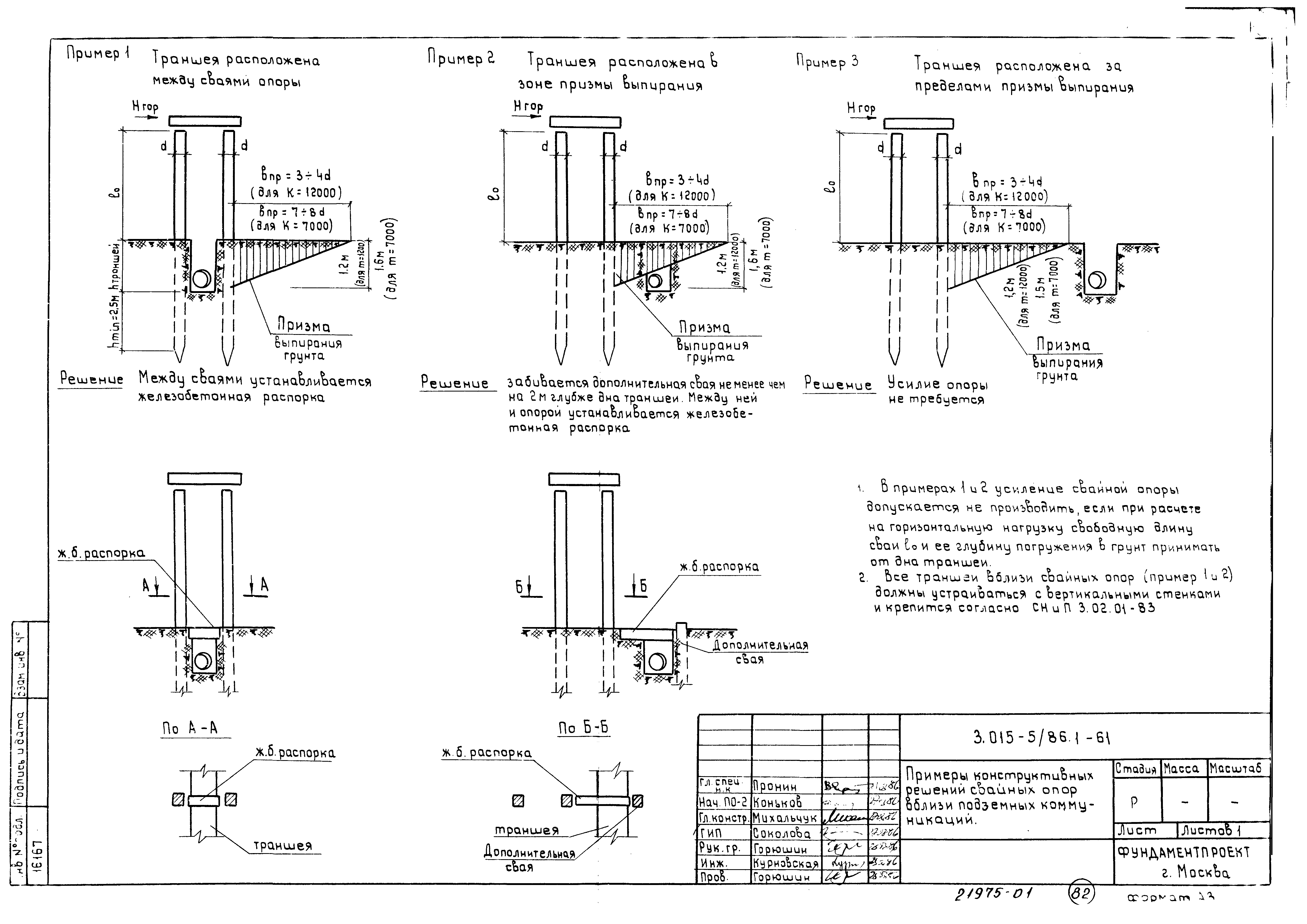
| Оглавление: | 3.015-5/86.1-00 Содержание 3.015-5/86.1-00ПЗ Пояснительная записка 3.015-5/86.1-01 Габаритные схемы и вертикальные технологические нагрузки на отдельно стоящие опоры типов I…III 3.015-5/86.1-02 Габаритные схемы и вертикальные технологические нагрузки на метр длины эстакад типов Iк…Vк; IIIж…VIж 3.015-5/86.1-03 Схемы расположения отдельно стоящих опор типов I…III 3.015-5/86.1-04 Схемы расположения температурных блоков L = 24,0 м…72,0 м для эстакад типов Iк…Vк. Шаг опор 12,0 м и 18,0 м 3.015-5/86.1-05 Схемы расположения температурных блоков L = 36,0 м…72,0 м для эстакад типов IIIж…Vж. Шаг опор 12,0 м (решение опоры из одной сваи-колонны) 3.015-5/86.1-06 Схемы расположения температурных блоков L = 36,0 м…72,0 м для эстакад типов IIIж...Vж. Шаг опор 12,0 м (решение опоры из двух свай-колонн) 3.015-5/86.1-07 Схема расположения температурных блоков L = 36,0 м…72,0 м для эстакад типов IIIж...Vж. Шаг опор 18,0 м (решение опоры из одной сваи-колонны) 3.015-5/86.1-08 Схемы расположения температурных блоков L = 36,0 м…72,0 м для эстакад типов IIIж...Vж. Шаг опор 18,0 м (решение опоры из двух свай-колонн) 3.015-5/86.1-09 Схемы расположения температурных блоков L = 36,0 м…72,0 м для эстакад типов VIж 3.015-5/86.1-10 Таблица для подбора траверс отдельно стоящих опор типов I, II, III 3.015-5/86.1-11 Таблицы для подбора траверс, балок и вставок одноярусных эстакад типов IIIж…VIж, траверс под балки пролетного строения эстакад типов IIIж…Vж, накладных изделий в местах вставок 3.015-5/86.1-12 Таблицы для подбора решетчатых балок пролетом 12 м 3.015-5/86.1-13 Таблицы для подбора решетчатых балок пролетом 18 м 3.015-5/86.1-14 Таблица подбора свай-колонн для отдельно стоящих опор типа I. Н = 0,9 м; К = 7000 3.015-5/86.1-15 Таблица подбора свай-колонн для отдельно стоящих опор типа I. Н = 0,9 м; К = 12000; К = 18000 3.015-5/86.1-16 Таблица подбора свай-колонн для отдельно стоящих опор типа I. Н = 1,2 м; К = 7000 3.015-5/86.1-17 Таблица подбора свай-колонн для отдельно стоящих опор типа I. Н = 1,2 м; К = 12000; К = 18000 3.015-5/86.1-18 Таблица подбора свай-колонн для отдельно стоящих опор типа II. Н = 5,4 м; Н = 6,0 м; К = 7000 3.015-5/86.1-19 Таблица подбора свай-колонн для отдельно стоящих опор типа II. Н = 5,4 м; Н = 6,0 м; К = 12000; К = 18000 3.015-5/86.1-20 Таблица подбора свай-колонн для отдельно стоящих опор типа II. Н = 6,6 м; Н = 7,2 м; К = 7000 3.015-5/86.1-21 Таблица подбора свай-колонн для отдельно стоящих опор типа II. Н = 6,6 м; Н = 7,2 м; К = 12000; К = 18000 3.015-5/86.1-22 Таблица подбора свай-колонн для отдельно стоящих опор типа II. Н = 7,8 м; К = 7000 3.015-5/86.1-23 Таблица подбора свай-колонн для отдельно стоящих опор типа II. Н = 7,8 м; К = 12000; К = 18000 3.015-5/86.1-24 Таблица подбора свай-колонн для отдельно стоящих опор типа III. Н = 5,4 м; К = 7000 3.015-5/86.1-25 Таблица подбора свай-колонн для отдельно стоящих опор типа III. Н = 5,4 м; К = 12000; К = 18000 3.015-5/86.1-26 Таблица подбора свай-колонн для отдельно стоящих опор типа III. Н = 6,0 м; К = 7000 3.015-5/86.1-27 Таблица подбора свай-колонн для отдельно стоящих опор типа III. Н = 6,0 м; К = 12000; К = 18000 3.015-5/86.1-28 Таблица подбора свай-колонн для отдельно стоящих опор типа III. Н = 6,6 м; К = 7000 3.015-5/86.1-29 Таблица подбора свай-колонн для отдельно стоящих опор типа III. Н = 6,6 м; К = 12000; К = 18000 3.015-5/86.1-30 Таблица подбора свай-колонн для отдельно стоящих опор типа III. Н = 7,2 м; К = 7000 3.015-5/86.1-31 Таблица подбора свай-колонн для отдельно стоящих опор типа III. Н = 7,2 м; К = 12000; К = 18000 3.015-5/86.1-32 Таблица подбора свай-колонн для отдельно стоящих опор типа III. Н = 7,8 м; К = 7000 3.015-5/86.1-33 Таблица подбора свай-колонн для отдельно стоящих опор типа III. Н = 7,8 м; К = 12000; К = 18000 3.015-5/86.1-34 Таблица подбора свай-колонн для одноярусных эстакад типа Iк, IIк, К = 7000 3.015-5/86.1-35 Таблица подбора свай-колонн для одноярусных эстакад типа Iк, IIк, К = 12000; К = 18000 3.015-5/86.1-36 Таблица подбора свай-колонн в местах поперечных отводов одноярусных эстакад типа Iк, IIк, К = 7000 3.015-5/86.1-37 Таблица подбора свай-колонн в местах поперечных отводов одноярусных эстакад типа Iк, IIк, К = 12000; К = 18000 3.015-5/86.1-38 Таблица подбора свай-колонн для одноярусных эстакад типа IIIк, К = 7000 3.015-5/86.1-39 Таблица подбора свай-колонн для одноярусных эстакад типа IIIк, К = 12000; К = 18000 3.015-5/86.1-40 Таблица подбора свай-колонн в местах поперечных отводов одноярусных эстакад типа IIIк; К =7000 3.015-5/86.1-41 Таблица подбора свай-колонн в местах поперечных отводов одноярусных эстакад типа IIIк; К =12000; К = 18000 3.015-5/86.1-42 Таблица подбора свай-колонн для одноярусных эстакад типа IVк; Vк, К = 7000 3.015-5/86.1-43 Таблица подбора свай-колонн для одноярусных эстакад типа IVк; Vк, К = 12000; 18000 3.015-5/86.1-44 Таблица подбора свай-колонн в местах поперечных отводов одноярусных эстакад типа IVк; Vк; К = 7000 3.015-5/86.1-45 Таблица подбора свай-колонн в местах поперечных отводов одноярусных эстакад типа IVк; Vк; К = 12000; К = 18000 3.015-5/86.1-46 Таблица подбора свай-колонн для одноярусных эстакад типа IIIж, К = 7000 3.015-5/86.1-47 Таблица подбора свай-колонн для одноярусных эстакад типа IIIж, К = 12000; К = 18000 3.015-5/86.1-48 Таблица подбора свай-колонн в местах поперечных отводов одноярусных эстакад типа IIIж; К = 7000 3.015-5/86.1-49 Таблица подбора свай-колонн в местах поперечных отводов одноярусных эстакад типа IIIж; К = 12000; К = 18000 3.015-5/86.1-50 Таблица подбора свай-колонн для одноярусных эстакад типа IVж; Vж, К = 7000 3.015-5/86.1-51 Таблица подбора свай-колонн для одноярусных эстакад типа IVж; Vж, К = 12000; К = 18000 3.015-5/86.1-52 Таблица подбора свай-колонн в местах поперечных отводов одноярусных эстакад типа IVж; Vж; К = 7000 3.015-5/86.1-53 Таблица подбора свай-колонн в местах поперечных отводов одноярусных эстакад типа IVж; Vж; К = 12000; К = 18000 3.015-5/86.1-54 Таблица подбора свай-колонн для одноярусных эстакад типа VIж, К = 7000; К = 12000; К = 18000 3.015-5/86.1-55 Таблица подбора свай-колонн в местах поперечных отводов одноярусных эстакад типа VIж; К = 7000; К = 12000; К = 18000 3.015-5/86.1-56 Таблица подбора свайных фундаментов для анкерных концевых и концевых угловых стальных опор типа II 3.015-5/86.1-57 Таблица подбора свайных фундаментов для анкерных концевых и концевых угловых стальных опор типа III 3.015-5/86.1-58 Узлы 1, 2, 3, 4. Сечения 1-1…6-6 3.015-5/86.1-59 Примеры решения узлов опирания траверс отдельно стоящих опор, траверс и балок одноярусных эстакад при допустимом отклонении сваи-опоры 3.015-5/86.1-60 Примеры конструктивных решений свайных опор вблизи подземных коммуникаций |
| Разработан: | Харьковский Промстройниипроект Фундаментпроект Армпромпроект |
| Утверждён: | 04.11.1986 Госстрой СССР (Государственный комитет Совета Министров СССР по делам строительства) (USSR Gosstroy 6/3-78) |
| Заменяет собой: |
|
| Чем заменён: |

















































































